馬達控製及驅動技術的新進展
發布時間:2011-12-05 來源:CNT Networks
中心議題:
- 磁場定向控製技術
- 無位置傳感器控製技術
- 變速驅動設計的HVIC技術
- 三相混合式多細分步進電機驅動器設計

相關閱讀:
馬達設計的技巧
http://wap.0-fzl.cn/art/artinfo/id/80006683
高性能和高效馬達控製器設計
http://wap.0-fzl.cn/art/artinfo/id/80004931
基於一種低成本的新型步進電機驅動器的研製
http://wap.0-fzl.cn/art/artinfo/id/80012061
高gao效xiao節jie能neng是shi目mu前qian電dian子zi產chan品pin設she計ji總zong的de發fa展zhan趨qu勢shi,因yin此ci,電dian子zi產chan品pin對dui驅qu動dong馬ma達da的de高gao效xiao率lv和he低di功gong耗hao提ti出chu了le更geng高gao的de要yao求qiu。在zai此ci要yao求qiu之zhi下xia,馬ma達da的de控kong製zhi係xi統tong設she計ji以yi及ji驅qu動dong器qi設she計ji在zai小xiao型xing化hua、高效率、低噪聲和更高的可靠性方麵有了更進一步的發展。本文介紹馬達控製技術(包括控製器和驅動器的設計技術)的最新進展,主要從磁場定向控製技術、無位置傳感器控製技術、HVIC驅動設計技術及三相混合式多細分電機驅動器設計技術的角度進行分析。
磁場定向控製提升性能和功效
磁場定向控製(Field-Oriented Control, FOC), 有時也稱之為磁束矢量控製——是一種能夠使永磁同步電機(或無刷伺服電機)在(zai)整(zheng)個(ge)速(su)率(lv)範(fan)圍(wei)內(nei)獲(huo)得(de)最(zui)高(gao)性(xing)能(neng)的(de)方(fang)法(fa)。其(qi)特(te)點(dian)是(shi)通(tong)過(guo)坐(zuo)標(biao)變(bian)換(huan)技(ji)術(shu)把(ba)交(jiao)流(liu)電(dian)機(ji)的(de)定(ding)子(zi)電(dian)流(liu)分(fen)解(jie)為(wei)轉(zhuan)矩(ju)和(he)勵(li)磁(ci)分(fen)量(liang),從(cong)而(er)實(shi)現(xian)象(xiang)直(zhi)流(liu)電(dian)機(ji)一(yi)樣(yang)控(kong)製(zhi)電(dian)機(ji)的(de)輸(shu)出(chu)轉(zhuan)矩(ju)和(he)磁(ci)通(tong),使(shi)交(jiao)流(liu)電(dian)動(dong)機(ji)的(de)控(kong)製(zhi)的(de)動(dong)態(tai)指(zhi)標(biao)和(he)精(jing)度(du)大(da)大(da)提(ti)高(gao)。
磁場定向控製的總體流程如圖1所示:

圖1 磁場定向控製的總體流程
從控製原理上講,磁場定向控製方法的電流環運行是獨立於電機旋轉的。在FOC方法中存在兩個實際的電流環,一個用於Q軸轉矩,另一個用於D軸轉矩。Q軸轉矩電流環施以來自伺服控製器的用戶目標轉矩,D軸電流環則施以零輸進指令,以便使不想要的直軸分量降至最低。
FOC的主要優勢有以下幾點:
- 可提供低速(低至0rpm)大力矩(小於0.5%的力矩波動);
- 即使在高速時也保持高效率;
- 在電壓限製範圍內磁場弱化時可完全控製
- 力矩和電流響應時間小於0.2ms;
- 電流控製器帶寬大於2000Hz。
由(you)於(yu)磁(ci)場(chang)定(ding)向(xiang)控(kong)製(zhi)可(ke)為(wei)電(dian)機(ji)提(ti)供(gong)寬(kuan)泛(fan)的(de)可(ke)用(yong)速(su)度(du)範(fan)圍(wei),該(gai)方(fang)法(fa)已(yi)成(cheng)為(wei)無(wu)刷(shua)直(zhi)流(liu)電(dian)機(ji)的(de)一(yi)種(zhong)重(zhong)要(yao)驅(qu)動(dong)和(he)換(huan)相(xiang)方(fang)法(fa),同(tong)樣(yang)也(ye)成(cheng)為(wei)交(jiao)流(liu)感(gan)應(ying)電(dian)機(ji)的(de)控(kong)製(zhi)方(fang)法(fa)之(zhi)一(yi)。采(cai)用(yong)FOC方法的交流感應電機可以使電機運行效率進步到85%,相比之下,不采用磁場定向方法卻隻有60%左右。另外,采用FOC方法的無刷直流電機甚至可以達到更高的效率,即高達95%。
[page]
無位置傳感器控製技術
在一些應用場合要求使用的電機體積小、效率高、轉zhuan速su高gao,微wei型xing永yong磁ci無wu刷shua直zhi流liu電dian機ji能neng夠gou較jiao好hao地di滿man足zu要yao求qiu。無wu刷shua直zhi流liu電dian機ji的de無wu位wei置zhi傳chuan感gan器qi控kong製zhi的de難nan點dian在zai於yu轉zhuan子zi位wei置zhi信xin號hao的de檢jian測ce,目mu前qian國guo內nei外wai研yan究jiu人ren員yuan提ti出chu了le諸zhu多duo方fang法fa,其qi中zhong反fan電dian動dong勢shi法fa最zui為wei簡jian單dan、可靠,應用範圍最廣泛。
實現無刷直流電機電子換相及PWM控製的逆變器主電路如圖a所示。采用兩兩通電方式,即每一個瞬間有兩個功率管導通,每隔60°電角度換相1次,每一功率管導通120°電角度。功率管的導通順序是:V6V1→V1V2→V2V3→V3V4→V4V5→V5V6。

圖2 逆變器主電路和點擊的反電動勢波形圖
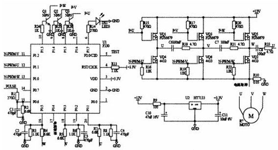
無位置傳感器控製係統以C8051F330單片機、逆變橋電路、端電壓檢測電路、穩壓電路等組成。逆變橋電路中上橋臂為P型MOSFET器件FDS6679,下橋臂為N型MOSFET器件M4410B,均為低電壓驅動器件。FDS6679通過一個NPN型三極管驅動,而M4410B由C8051F330的P1口直接驅動(P1口設置成推挽輸出)。PWM控製模式定為:PWM僅應用於半橋的下端MOSFET,同時換流的上端(對角線)MOSFET僅起換相通斷控製。
電源電壓和電流的檢測:當UV相通電,在PWM開通期間檢測U相的端電壓Uu,由於MOSFET的通態電壓很小(小於0.1V),端電壓uu可以近似看作是電源電壓UD;在下橋臂源極和電源地之間串接采樣電阻,通過P0.4口檢測電阻電壓得到電流值,輸入信號先經過內部可編程增益放大器放大,再作A/D轉換。

圖3 無位置傳感器控製係統的硬件電路圖
無刷直流電機的無位置傳感器控製
http://wap.0-fzl.cn/art/artinfo/id/80006685
變速驅動設計的HVIC技術
可變速電機驅動可以提高機器設備的能源效率,最新的HVIC(高壓集成電路)技術使得大多數必需的反饋和保護器件可以製作在一個基片上,這樣就可以在範圍更大的市場和應用裏,來實現成本低廉、結構緊湊的可變速驅動。
HVIC技(ji)術(shu)使(shi)得(de)位(wei)準(zhun)移(yi)動(dong)成(cheng)為(wei)可(ke)能(neng),即(ji)感(gan)測(ce)一(yi)個(ge)漂(piao)移(yi)在(zai)大(da)的(de)普(pu)通(tong)模(mo)式(shi)電(dian)壓(ya)上(shang)的(de)小(xiao)差(cha)分(fen)電(dian)壓(ya),甚(shen)至(zhi)在(zai)快(kuai)速(su)瞬(shun)變(bian)的(de)時(shi)候(hou)。因(yin)此(ci),快(kuai)速(su)而(er)準(zhun)確(que)的(de)電(dian)流(liu)感(gan)測(ce)在(zai)電(dian)機(ji)的(de)相(xiang)位(wei)超(chao)前(qian)就(jiu)可(ke)實(shi)現(xian),從(cong)而(er)可(ke)以(yi)減(jian)少(shao)硬(ying)件(jian)設(she)計(ji)和(he)信(xin)號(hao)處(chu)理(li)的(de)工(gong)作(zuo)。具(ju)體(ti)的(de)實(shi)現(xian)方(fang)法(fa)是(shi)將(jiang)一(yi)個(ge)低(di)側(ce)接(jie)地(di)CMOS電路和一個高側浮動CMOS製作到一起,通過N或P溝道LDMOS區域相隔離。LDMOS的作用是位準移動,目的是在低側和高側電路之間跨過高壓柵來傳遞控製信號。位準移動電路不受高達50V/ns的快速瞬變的影響,同樣也不受來自於IGBT變換器典型的10V/ns噪聲的幹擾。
[page]
電機電流是通過使用一個外部分流晶體管來感測的,HVIC可將小的差分電壓(±250mV)tongguoyigejingmidianluzhuanhuanweishijianjiange,zhegejingmidianludewenboquchugongnengyouzhuyuxianshixiaodequnyanchi。shijianjiangeshikuaisushunbiande,huibeidaidaoshuchuduan。zheyangjiukeyihuodeyuceliangdianliuxiangduiyingdemonishuchudianya,yibianyuwaibucankaodianyaxiangbijiao,zuidacaiyanglvwei40kSPS。對於頻率高達20kHz的非對稱PWM調製來講,這個采樣速率富富有餘。20kHz時的最大延遲小於7.5s,對於被用來IGBT保護的電流感測信號來說也夠快了。圖4是電流感測電路。

圖4 HVIC應用中線性相電流感測電路
變速電機驅動設計的HVIC技術
http://wap.0-fzl.cn/art/artinfo/id/80008313
三相混合式多細分步進電機驅動器
bujindianjidexifenkongzhicongbenzhishangjiangshitongguoduibujindianjidedingziraozuzhongdianliudekongzhi,shibujindianjineibudehechengcichanganmouzhongyaoqiubianhua,congershixianbujindianjibujujiaodexifen。zuijiadexifenfangshishihengzhuanjudengbujujiaodexifen。yibanqingkuangxia,hechengcichangshiliangdefuzhijuedingledianjixuanzhuanlijudedaxiao,xianglinlianghechengcichangshiliangdezhijiandejiajiaodaxiaojuedinglebujujiaodedaxiao。zaidianjineichanshengjiejinjunyundeyuanxingxuanzhuancichang,gexiangraozudehechengcichangshiliang,jigexiangraozudianliudehechengshiliangyingzaikongjianzuofuzhihengdingdexuanzhuanyundong,zhejiuxuyaozaigexiangraoxiangzhongtongyizhengxiandianliu。
三san相xiang混hun合he式shi步bu進jin電dian機ji的de工gong作zuo原yuan理li十shi分fen類lei似si於yu永yong磁ci同tong步bu伺si服fu電dian機ji。其qi轉zhuan子zi上shang所suo用yong永yong磁ci磁ci鐵tie同tong樣yang是shi具ju有you高gao磁ci密mi特te性xing的de稀xi土tu永yong磁ci材cai料liao,所suo以yi在zai轉zhuan子zi上shang產chan生sheng的de感gan應ying電dian流liu對dui轉zhuan子zi磁ci場chang的de影ying響xiang可ke忽hu略lve不bu計ji。在zai結jie構gou上shang,它ta相xiang當dang於yu一yi種zhong多duo極ji對dui數shu的de交jiao流liu永yong磁ci同tong步bu電dian機ji。
驅動器的總體方案如圖5所示,主要包括單片機電路、電流追蹤型SPWM電路和功率驅動電路組成。

圖5三相混合式步進電機驅動器的整體方案框圖
其中,單片機電路采用DSP電機控製專用芯片TMS320LF2407A,電流追蹤型回路的傳輸方式以模擬電壓的幅值代表采樣電流或者電壓的大小,其主要用來采樣a,b兩相電流及母線電壓檢測,實現電機電流控製以及過壓、欠壓、過流保護。驅動器的主回路采用交—直—交電壓型逆變器形式,由整流濾波電路、三相逆變器以及步進電機等組成。
三相混合式多細分步進電機驅動器
http://wap.0-fzl.cn/art/artinfo/id/80006533
總結
以yi上shang介jie紹shao的de馬ma達da控kong製zhi係xi統tong設she計ji及ji驅qu動dong器qi設she計ji技ji術shu,在zai提ti高gao馬ma達da控kong製zhi的de效xiao率lv和he可ke靠kao性xing,降jiang低di功gong耗hao,減jian小xiao尺chi寸cun方fang麵mian的de效xiao果guo非fei常chang明ming顯xian,當dang然ran還hai有you很hen多duo其qi他ta新xin的de設she計ji技ji術shu和he產chan品pin,例li如ru,安an森sen美mei半ban導dao體ti開kai發fa的de雙shuang極ji步bu進jin電dian機ji驅qu動dong及ji控kong製zhi器qiAMIS-3062x係列的AMIS-30623可以滿足更高能效的要求。工程師可以根據設計的實際需求分析,選擇合適的馬達驅動和控製方案。
- 噪聲中提取真值!瑞盟科技推出MSA2240電流檢測芯片賦能多元高端測量場景
- 10MHz高頻運行!氮矽科技發布集成驅動GaN芯片,助力電源能效再攀新高
- 失真度僅0.002%!力芯微推出超低內阻、超低失真4PST模擬開關
- 一“芯”雙電!聖邦微電子發布雙輸出電源芯片,簡化AFE與音頻設計
- 一機適配萬端:金升陽推出1200W可編程電源,賦能高端裝備製造
- 築基AI4S:摩爾線程全功能GPU加速中國生命科學自主生態
- 一秒檢測,成本降至萬分之一,光引科技把幾十萬的台式光譜儀“搬”到了手腕上
- AI服務器電源機櫃Power Rack HVDC MW級測試方案
- 突破工藝邊界,奎芯科技LPDDR5X IP矽驗證通過,速率達9600Mbps
- 通過直接、準確、自動測量超低範圍的氯殘留來推動反滲透膜保護
- 車規與基於V2X的車輛協同主動避撞技術展望
- 數字隔離助力新能源汽車安全隔離的新挑戰
- 汽車模塊拋負載的解決方案
- 車用連接器的安全創新應用
- Melexis Actuators Business Unit
- Position / Current Sensors - Triaxis Hall



