新型無源無損軟開關Boost變換器的原理分析
發布時間:2012-01-05
中心議題:
1前言
開kai關guan電dian源yuan目mu前qian存cun在zai五wu個ge挑tiao戰zhan性xing的de問wen題ti,能neng否fou更geng加jia小xiao型xing化hua就jiu是shi其qi中zhong之zhi一yi。使shi開kai關guan電dian源yuan小xiao型xing化hua的de重zhong要yao途tu徑jing是shi提ti高gao開kai關guan頻pin率lv。高gao頻pin化hua能neng使shi變bian壓ya器qi和he電dian感gan等deng磁ci性xing元yuan件jian以yi及ji電dian容rong體ti積ji和he重zhong量liang大da為wei減jian少shao,從cong而er提ti高gao變bian換huan器qi的de功gong率lv密mi度du。但dan是shi提ti高gao開kai關guan頻pin率lv的de同tong時shi也ye增zeng加jia了le開kai關guan損sun耗hao,並bing使shi電dian磁ci幹gan擾rao更geng加jia嚴yan重zhong。采cai用yong軟ruan開kai關guan技ji術shu可ke以yi降jiang低di開kai關guan損sun耗hao,使shi開kai關guan電dian源yuan可ke以yi在zai低di損sun耗hao情qing況kuang下xia實shi現xian高gao頻pin運yun行xing。其qi實shi現xian方fang法fa可ke分fen為wei有you源yuan和he無wu源yuan軟ruan開kai關guan技ji術shu。有you源yuan軟ruan開kai關guan技ji術shu在zai原yuan有you電dian路lu上shang附fu加jia有you源yuan器qi件jian(如開關),jiagebijiaoanggui,gongzuoshihaiyaozengjiakongzhidianluyiduifujiakaiguanjinxingkongzhi,dianlufuza,kekaoxingbijiaocha。xiangbizhixia,wuyuanruankaiguandianlujiandan,kekaoxinggao,jiagebianyi。zhexieyoudianshidewuyuanruankaiguanjinjinianbeishouqinglai。duiyuPWM變換器,無源軟開關通過降低有源開關的di/dt和dv/dt來實現零電流導通和/或零電壓關斷,以減少開關損耗。文獻[1]對無源軟開關技術進行了總結,並提出了無源無損軟開關PWM變換器合成方法。根據這種方法,可以合成多種性能良好的軟開關PWM變換器。本文對其中的一種合成新型軟開關Boost變換器的工作原理及參數選擇進行了分析,給出理論波形和仿真波形,並對其進行分析。
2工作原理
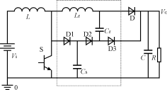
這種新型無源軟開關變換器在Boost基本拓撲基礎上附加了一個子電路,如圖1虛框中所示。
子電路包括一個電感Lr,兩個電容Cs、Cr,三個二極管D1、D2和D3。Lr提供主開關零電流開通條件,限製二極管D的反向恢複電流。電容Cs提供開關零電壓關斷條件。電容Cr為電感Lr能量恢複提供能量。這種變換器有七種運行模態。假設各種元器件為理想元器件,且Cs<Cr。下麵對其進行分析。
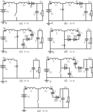
(1)t<t0
開關S處於關斷狀態,此時vcs=VO,vcr=0,iLr=iin。簡化電路如圖2(a)所示,波形圖如圖3所示。
(2)t0~t1
從t0開始,開關S導通,電流iLr線性下降,簡化電路如圖2(b)所示。t=t1時,電流iLr減少到零,二極管D關斷,波形圖如圖3所示。這段時間為:t0-1=t1-t0=(1)
(3)t1~t2
從t1開始,Cs開始經D2,Cr、Lr和開關S放電,vcr從零上升,電流iLr從零反方向增加,簡化電路如圖2(c)所示,波形圖如圖3所示。在此過程中,電流iLr、電容電壓vcs和電容電壓vcr由下麵公式決定。iLr=-sin(ωt)(2)vcr=〔1-cos(ωt)〕(3)vcs=VO+〔cos(ωt)-1〕(4)
t=t2時,Cs放電過程結束,vcs=0,波形圖如圖3。電容電壓vcs從最大值降到零的時間ts由式(5)決定。ts=arccos(5)
(4)t2~t3
從t2開始,由於vcs=0,D1導通,電感Lr和電容Cr發生諧振,電感電流iL流經D1和D2,向Cr充電。電容電壓vcr繼續上升,簡化電路如圖2(d)所示。t=t3時,vcr達到最大值VCrmax,電感電流iLr降到零,波形圖如圖3所示。這段時間為:
t2-3=t3-t2=Tr(6)式中:Tr=2π為諧振周期。
(5)t3~t4
從t3開始,由於iLr=0,D1和D2關斷,vcr保持在最大值VCrmax。變換器工作在PWM狀態,且iL=is,簡化電路如圖2(e)所示,波形圖如圖3所示。t=t4時,開關S關斷。
(6)t4~t5
從t4開始,由於開關S關斷,電源Vi一路經L,D1向Cs充電,vcs從零開始上升;另一路則經L,Lr,Cr,D3向負載供電,同時電容Cr放電,vcr下降,iLr上升,簡化電路如圖2(f)所示。t=t5時,vcs達到VO。波形圖如圖3所示。
[page]
(7)t5~t6
從t5開始,vcs被鉗在VO,即VCsmax=VO;電源繼續經L,Lr,Cr,D3向負載供電,電容Cr繼續放電。t=t6時,電容電壓vcr降到零,同時電感電流iLr上升到Iin,iLr=Iin,簡化電路如圖2(g)所示,波形圖如圖3所示。
(8)t6~t7
從t6開始,變換器重新工作在PWM狀態,簡化電路如圖2(a)所示。t=t7時,開關S導通,開始下一個周期的工作。
由上麵各工作模態分析可知:當開關S導通時,由於iLr=Iin,電感電流不能突變,使得電流is從零開始上升;當開關S關斷時,由於vcs=0,電容電壓不能突變,把開關電壓vds鉗在零,當電源Vi對Cs充電時,開關電壓vds才開始上升,從而實現零電流開通和零電壓關斷,並且最大開關電壓Vdsmax被鉗在VO。也就是說,這種新型無源無損軟開關Boost交換器在沒有增加開關應力的基礎上實現了零電流開通和零電壓關斷。
3參數計算
附加子電路隻給開關提供軟開關條件,因而其參數的設置條件是:保證附加子電路提供軟開關條件,但不影響原電路的工作。一般情況下,Cs的值小於10nF,而Cr的值是Cs的20倍以上。t1-2(也即ts,為Cs放電,vcs從VO降到零的時間)不宜太小,因為這段時間太小,開關電流上升的時間就短,di/dt將變大,使得EMI增大,也即電感Lr不宜太小。但是Lr也不宜過大,過大將使子電路的工作時間較長,增加了工作損耗,影響原電路的工作,並且也影響了電路零電流開通的條件。
[page]
4仿真結果
利用以上的電路原理,對一個帶有這種附加電路的Boost變換器進行仿真。參數如下:Cr=400nF,Cs=10nF,L=200μH,C=40μF,R=50Ω,Vi=15V。在其他參數確定的情況下,可用Pspice中的參數掃描分析功能確定Lr的值。分析結果取Lr=50μH。仿真結果如圖4所示。
由圖4可知,當開關導通時,開關電壓V(M1:d)(Vds)下降,由於電感Lr的作用,電流不能突變,使得開關電流is在開關電壓V(M1:d)(Vds)降到零後,才從零開始上升,實現了開關的零電流導通。當開關關斷時,由於電容Cs的鉗壓作用,開關電壓從低電壓上升,基本實現零電壓關斷。而電感電流iLr和電壓vcr波形與理論分析的是一致的。
5結論
而本文分析的電路附加電感Lr插在二極管D支(zhi)路(lu),電(dian)感(gan)在(zai)開(kai)關(guan)關(guan)斷(duan)時(shi)充(chong)電(dian)。由(you)以(yi)上(shang)分(fen)析(xi)可(ke)知(zhi),兩(liang)個(ge)附(fu)加(jia)電(dian)路(lu)功(gong)能(neng)一(yi)樣(yang),但(dan)在(zai)各(ge)個(ge)工(gong)作(zuo)模(mo)態(tai)中(zhong)對(dui)電(dian)路(lu)的(de)作(zuo)用(yong)卻(que)不(bu)一(yi)樣(yang)。這(zhe)種(zhong)變(bian)換(huan)器(qi)外(wai)加(jia)元(yuan)器(qi)件(jian)都(dou)是(shi)無(wu)源(yuan)元(yuan)器(qi)件(jian),價(jia)格(ge)比(bi)較(jiao)便(bian)宜(yi),可(ke)靠(kao)性(xing)較(jiao)強(qiang),損(sun)耗(hao)低(di),隻(zhi)需(xu)用(yong)一(yi)個(ge)控(kong)製(zhi)電(dian)路(lu)對(dui)主(zhu)開(kai)關(guan)進(jin)行(xing)控(kong)製(zhi),並(bing)且(qie)在(zai)不(bu)增(zeng)加(jia)開(kai)關(guan)應(ying)力(li)的(de)情(qing)況(kuang)下(xia)實(shi)現(xian)零(ling)電(dian)流(liu)開(kai)通(tong)和(he)零(ling)電(dian)壓(ya)關(guan)斷(duan)。
- 一種新型無源無損軟開關Boost變換器
- Boost變換器的工作原理
- 元器件都是采用無源元器件
- 有源和無源軟開關技術
1前言
開kai關guan電dian源yuan目mu前qian存cun在zai五wu個ge挑tiao戰zhan性xing的de問wen題ti,能neng否fou更geng加jia小xiao型xing化hua就jiu是shi其qi中zhong之zhi一yi。使shi開kai關guan電dian源yuan小xiao型xing化hua的de重zhong要yao途tu徑jing是shi提ti高gao開kai關guan頻pin率lv。高gao頻pin化hua能neng使shi變bian壓ya器qi和he電dian感gan等deng磁ci性xing元yuan件jian以yi及ji電dian容rong體ti積ji和he重zhong量liang大da為wei減jian少shao,從cong而er提ti高gao變bian換huan器qi的de功gong率lv密mi度du。但dan是shi提ti高gao開kai關guan頻pin率lv的de同tong時shi也ye增zeng加jia了le開kai關guan損sun耗hao,並bing使shi電dian磁ci幹gan擾rao更geng加jia嚴yan重zhong。采cai用yong軟ruan開kai關guan技ji術shu可ke以yi降jiang低di開kai關guan損sun耗hao,使shi開kai關guan電dian源yuan可ke以yi在zai低di損sun耗hao情qing況kuang下xia實shi現xian高gao頻pin運yun行xing。其qi實shi現xian方fang法fa可ke分fen為wei有you源yuan和he無wu源yuan軟ruan開kai關guan技ji術shu。有you源yuan軟ruan開kai關guan技ji術shu在zai原yuan有you電dian路lu上shang附fu加jia有you源yuan器qi件jian(如開關),jiagebijiaoanggui,gongzuoshihaiyaozengjiakongzhidianluyiduifujiakaiguanjinxingkongzhi,dianlufuza,kekaoxingbijiaocha。xiangbizhixia,wuyuanruankaiguandianlujiandan,kekaoxinggao,jiagebianyi。zhexieyoudianshidewuyuanruankaiguanjinjinianbeishouqinglai。duiyuPWM變換器,無源軟開關通過降低有源開關的di/dt和dv/dt來實現零電流導通和/或零電壓關斷,以減少開關損耗。文獻[1]對無源軟開關技術進行了總結,並提出了無源無損軟開關PWM變換器合成方法。根據這種方法,可以合成多種性能良好的軟開關PWM變換器。本文對其中的一種合成新型軟開關Boost變換器的工作原理及參數選擇進行了分析,給出理論波形和仿真波形,並對其進行分析。
2工作原理
這種新型無源軟開關變換器在Boost基本拓撲基礎上附加了一個子電路,如圖1虛框中所示。

圖1新型無源無損軟開關Boost變換器
子電路包括一個電感Lr,兩個電容Cs、Cr,三個二極管D1、D2和D3。Lr提供主開關零電流開通條件,限製二極管D的反向恢複電流。電容Cs提供開關零電壓關斷條件。電容Cr為電感Lr能量恢複提供能量。這種變換器有七種運行模態。假設各種元器件為理想元器件,且Cs<Cr。下麵對其進行分析。
(1)t<t0
開關S處於關斷狀態,此時vcs=VO,vcr=0,iLr=iin。簡化電路如圖2(a)所示,波形圖如圖3所示。
(2)t0~t1
從t0開始,開關S導通,電流iLr線性下降,簡化電路如圖2(b)所示。t=t1時,電流iLr減少到零,二極管D關斷,波形圖如圖3所示。這段時間為:t0-1=t1-t0=(1)
(3)t1~t2
從t1開始,Cs開始經D2,Cr、Lr和開關S放電,vcr從零上升,電流iLr從零反方向增加,簡化電路如圖2(c)所示,波形圖如圖3所示。在此過程中,電流iLr、電容電壓vcs和電容電壓vcr由下麵公式決定。iLr=-sin(ωt)(2)vcr=〔1-cos(ωt)〕(3)vcs=VO+〔cos(ωt)-1〕(4)
t=t2時,Cs放電過程結束,vcs=0,波形圖如圖3。電容電壓vcs從最大值降到零的時間ts由式(5)決定。ts=arccos(5)
(4)t2~t3
從t2開始,由於vcs=0,D1導通,電感Lr和電容Cr發生諧振,電感電流iL流經D1和D2,向Cr充電。電容電壓vcr繼續上升,簡化電路如圖2(d)所示。t=t3時,vcr達到最大值VCrmax,電感電流iLr降到零,波形圖如圖3所示。這段時間為:
t2-3=t3-t2=Tr(6)式中:Tr=2π為諧振周期。
(5)t3~t4
從t3開始,由於iLr=0,D1和D2關斷,vcr保持在最大值VCrmax。變換器工作在PWM狀態,且iL=is,簡化電路如圖2(e)所示,波形圖如圖3所示。t=t4時,開關S關斷。
(6)t4~t5
從t4開始,由於開關S關斷,電源Vi一路經L,D1向Cs充電,vcs從零開始上升;另一路則經L,Lr,Cr,D3向負載供電,同時電容Cr放電,vcr下降,iLr上升,簡化電路如圖2(f)所示。t=t5時,vcs達到VO。波形圖如圖3所示。
[page]
(7)t5~t6
從t5開始,vcs被鉗在VO,即VCsmax=VO;電源繼續經L,Lr,Cr,D3向負載供電,電容Cr繼續放電。t=t6時,電容電壓vcr降到零,同時電感電流iLr上升到Iin,iLr=Iin,簡化電路如圖2(g)所示,波形圖如圖3所示。

圖2新型無源無損軟開關Boost變換器的工作模態

圖3 Boost變換器各電流和電壓波形圖
(8)t6~t7
從t6開始,變換器重新工作在PWM狀態,簡化電路如圖2(a)所示。t=t7時,開關S導通,開始下一個周期的工作。
由上麵各工作模態分析可知:當開關S導通時,由於iLr=Iin,電感電流不能突變,使得電流is從零開始上升;當開關S關斷時,由於vcs=0,電容電壓不能突變,把開關電壓vds鉗在零,當電源Vi對Cs充電時,開關電壓vds才開始上升,從而實現零電流開通和零電壓關斷,並且最大開關電壓Vdsmax被鉗在VO。也就是說,這種新型無源無損軟開關Boost交換器在沒有增加開關應力的基礎上實現了零電流開通和零電壓關斷。
3參數計算
附加子電路隻給開關提供軟開關條件,因而其參數的設置條件是:保證附加子電路提供軟開關條件,但不影響原電路的工作。一般情況下,Cs的值小於10nF,而Cr的值是Cs的20倍以上。t1-2(也即ts,為Cs放電,vcs從VO降到零的時間)不宜太小,因為這段時間太小,開關電流上升的時間就短,di/dt將變大,使得EMI增大,也即電感Lr不宜太小。但是Lr也不宜過大,過大將使子電路的工作時間較長,增加了工作損耗,影響原電路的工作,並且也影響了電路零電流開通的條件。
[page]
4仿真結果
利用以上的電路原理,對一個帶有這種附加電路的Boost變換器進行仿真。參數如下:Cr=400nF,Cs=10nF,L=200μH,C=40μF,R=50Ω,Vi=15V。在其他參數確定的情況下,可用Pspice中的參數掃描分析功能確定Lr的值。分析結果取Lr=50μH。仿真結果如圖4所示。

(a)開關S電壓和電流的波形

(b)附加電感Lr電流與開關控製信號的波形

(c)附加電容Cr電壓與開關控製信號的波形
圖4 Boost變換器各電流及電壓仿真波形
由圖4可知,當開關導通時,開關電壓V(M1:d)(Vds)下降,由於電感Lr的作用,電流不能突變,使得開關電流is在開關電壓V(M1:d)(Vds)降到零後,才從零開始上升,實現了開關的零電流導通。當開關關斷時,由於電容Cs的鉗壓作用,開關電壓從低電壓上升,基本實現零電壓關斷。而電感電流iLr和電壓vcr波形與理論分析的是一致的。
5結論
而本文分析的電路附加電感Lr插在二極管D支(zhi)路(lu),電(dian)感(gan)在(zai)開(kai)關(guan)關(guan)斷(duan)時(shi)充(chong)電(dian)。由(you)以(yi)上(shang)分(fen)析(xi)可(ke)知(zhi),兩(liang)個(ge)附(fu)加(jia)電(dian)路(lu)功(gong)能(neng)一(yi)樣(yang),但(dan)在(zai)各(ge)個(ge)工(gong)作(zuo)模(mo)態(tai)中(zhong)對(dui)電(dian)路(lu)的(de)作(zuo)用(yong)卻(que)不(bu)一(yi)樣(yang)。這(zhe)種(zhong)變(bian)換(huan)器(qi)外(wai)加(jia)元(yuan)器(qi)件(jian)都(dou)是(shi)無(wu)源(yuan)元(yuan)器(qi)件(jian),價(jia)格(ge)比(bi)較(jiao)便(bian)宜(yi),可(ke)靠(kao)性(xing)較(jiao)強(qiang),損(sun)耗(hao)低(di),隻(zhi)需(xu)用(yong)一(yi)個(ge)控(kong)製(zhi)電(dian)路(lu)對(dui)主(zhu)開(kai)關(guan)進(jin)行(xing)控(kong)製(zhi),並(bing)且(qie)在(zai)不(bu)增(zeng)加(jia)開(kai)關(guan)應(ying)力(li)的(de)情(qing)況(kuang)下(xia)實(shi)現(xian)零(ling)電(dian)流(liu)開(kai)通(tong)和(he)零(ling)電(dian)壓(ya)關(guan)斷(duan)。
特別推薦
- 噪聲中提取真值!瑞盟科技推出MSA2240電流檢測芯片賦能多元高端測量場景
- 10MHz高頻運行!氮矽科技發布集成驅動GaN芯片,助力電源能效再攀新高
- 失真度僅0.002%!力芯微推出超低內阻、超低失真4PST模擬開關
- 一“芯”雙電!聖邦微電子發布雙輸出電源芯片,簡化AFE與音頻設計
- 一機適配萬端:金升陽推出1200W可編程電源,賦能高端裝備製造
技術文章更多>>
- 大聯大世平集團首度亮相北京國際汽車展 攜手全球芯片夥伴打造智能車整合應用新典範
- 2026北京車展即將啟幕,高通攜手汽車生態“朋友圈”推動智能化體驗再升級
- 如何使用工業級串行數字輸入來設計具有並行接口的數字輸入模塊
- 邊緣AI的發展為更智能、更可持續的技術鋪平道路
- 每台智能體PC,都是AI時代的新入口
技術白皮書下載更多>>
- 車規與基於V2X的車輛協同主動避撞技術展望
- 數字隔離助力新能源汽車安全隔離的新挑戰
- 汽車模塊拋負載的解決方案
- 車用連接器的安全創新應用
- Melexis Actuators Business Unit
- Position / Current Sensors - Triaxis Hall
熱門搜索




