充電電池容量測試儀實現方案
發布時間:2012-02-03
中心議題:
dianchirongliangshihengliangdianchizhiliangdezhongyaozhibiao。chongdiandianchiderongliangceshiyouhenduodefangfa。keyiyijudianchidefangdianquxian,jinxingduanshijianfangdian,congerculvedechudianchirongliang。zhezhongfangfazuidadeyoudianshikuaisu,danshichongdiandianchidefangdianquxianbingbujuyoupubianxing,henduoliezhidianchifangdianchuqidianyayehenpingwen,yidanjinruzhonghouqi,dianyaxiajiangfeichangxunsu,suoyicaiyongzhezhongfangfadechudejielunjiangfeichangbuzhunquede。zuikekaozuizhunquewuwudehaishiyibiaozhundianliufangdian,quanchengceliangshijifangdianshijiandefangshi。butongdefangdiandianliu,chongdiandianchizuizhongnenggoushifangchudedianliangshibutongde,youyidingdechaju。xudianchiderongliangbiaozhudoushiyoutongyibiaozhunde。muqianshiyongzuiduodeshi10小時率放電容量與20小時率放電容量兩種。10小時率放電容量就是電池以恒定電流放電,至電量耗盡放電時間能夠維持10個小時左右,這個電流就被稱作10小時率電流(衡量電量用盡的標準,不能以電池放電端電壓降低到零為準。電池過度放電,會導致電池容量減少,無法恢複,乃至提早損壞、完(wan)全(quan)失(shi)效(xiao)。所(suo)以(yi)每(mei)種(zhong)電(dian)池(chi)放(fang)電(dian)終(zhong)止(zhi)電(dian)壓(ya)都(dou)有(you)嚴(yan)格(ge)的(de)規(gui)定(ding),這(zhe)個(ge)可(ke)以(yi)查(zha)閱(yue)相(xiang)關(guan)資(zi)料(liao)。過(guo)度(du)放(fang)電(dian)與(yu)過(guo)度(du)充(chong)電(dian)是(shi)造(zao)成(cheng)充(chong)電(dian)電(dian)池(chi)不(bu)能(neng)達(da)到(dao)使(shi)用(yong)年(nian)限(xian)、提前報廢的主要原因)。實時放電的測量方法最大的缺點就是費時費力,因為耗時久這樣測量精度也很容易受到各種外部因素的影響。測量過程中如果用10小時率電流持續放電時間至少都要在5gexiaoshiyishang,zuozheyangchangshijiandeceshigengxuyaozugoudenaixinyujingliyijichongyudeshijian。kejidefazhanshifeichangxunsu,jintiandanpianjiyijingfeichangpujile。tongguodanpianjichengxukongzhiduifangdianshijian,shendujinxingzidonghuakongzhi,jiuhenrongyijingzhuncechudianchideshijirongliang,shixianzhenggeguochengdezidongkongzhi。monishijifangdianceliangrongliangdefangfasuiranduinengyuanyouyidianlangfei,danshiduiyu1A、2A以下的小容量充電電池還是完全可行的,對大容量電池進行抽樣檢查也是很有必要。
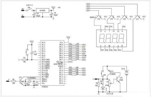
下麵介紹的電池容量測試儀采用89S51作為控製芯片,圖1就是硬件的電路原理圖。
圖1 硬件的電路原理圖
這個電池容量測試儀由放電電路、單片機控製計時兩個完全獨立部分組合而成。單片機部分製作費時費力,而且市麵上單片機已很普及,沒必要親手製作,隨便找一片51單dan片pian機ji實shi驗yan板ban就jiu可ke以yi了le。放fang電dian電dian路lu則ze是shi比bi較jiao簡jian單dan的de,僅jin由you四si五wu隻zhi元yuan件jian構gou成cheng。單dan片pian機ji部bu分fen主zhu要yao負fu責ze對dui放fang電dian時shi間jian計ji時shi,最zui終zhong得de到dao一yi組zu可ke靠kao的de數shu據ju,用yong於yu電dian池chi性xing能neng的de考kao量liang。
zhezhongfangdiandianludeshizhijiushiyimonikekonggui。dangwomenjiangdaicedianchijierudianluxiangyingweizhishi,diananqidongjian,ruguodianchishangyouyuliang,zedianchiliangduanfangdiandianyajiangweichizaishedingzhiyishang,sanjiguanVT1就會瞬間飽和,電池通過電阻R2進行放電。這種電路有可靠精確陡峭的開關特性,VT1絕對工作於飽和截止兩種狀態之下。通過可調電阻對開關電路臨界值(即充電電池放電終止電壓)進(jin)行(xing)調(tiao)節(jie)設(she)定(ding),便(bian)可(ke)適(shi)應(ying)於(yu)各(ge)種(zhong)不(bu)同(tong)類(lei)型(xing)充(chong)電(dian)電(dian)池(chi)的(de)全(quan)程(cheng)保(bao)護(hu)放(fang)電(dian)。由(you)於(yu)個(ge)人(ren)的(de)應(ying)用(yong)不(bu)需(xu)要(yao)非(fei)常(chang)精(jing)準(zhun)的(de)測(ce)試(shi)結(jie)果(guo),所(suo)以(yi)實(shi)際(ji)測(ce)試(shi)中(zhong)電(dian)池(chi)模(mo)擬(ni)放(fang)電(dian)原(yuan)則(ze)上(shang)還(hai)是(shi)以(yi)快(kuai)些(xie)為(wei)好(hao),隻(zhi)需(xu)要(yao)得(de)到(dao)一(yi)個(ge)大(da)致(zhi)的(de)電(dian)池(chi)容(rong)量(liang)。為(wei)了(le)較(jiao)快(kuai)完(wan)成(cheng)電(dian)池(chi)測(ce)試(shi)過(guo)程(cheng),這(zhe)裏(li)的(de)電(dian)路(lu)設(she)計(ji)采(cai)用(yong)兩(liang)小(xiao)時(shi)率(lv)電(dian)流(liu)進(jin)行(xing)放(fang)電(dian)。通(tong)過(guo)對(dui)各(ge)種(zhong)電(dian)池(chi)測(ce)量(liang)結(jie)果(guo)的(de)橫(heng)向(xiang)比(bi)較(jiao),容(rong)量(liang)的(de)差(cha)異(yi)還(hai)是(shi)顯(xian)而(er)易(yi)見(jian)的(de),以(yi)此(ci)作(zuo)為(wei)衡(heng)量(liang)電(dian)池(chi)優(you)劣(lie)的(de)標(biao)準(zhun),就(jiu)已(yi)經(jing)足(zu)夠(gou)了(le)。這(zhe)裏(li)以(yi)1000mAH、1.2V規格鎳氫電池測試為例,放電電流500mA就需要采用2Ω的放電電阻,電池終止放電電壓應控製在1V以上。放電終止電壓通過可調電阻R1來(lai)調(tiao)節(jie)設(she)定(ding)。普(pu)通(tong)可(ke)調(tiao)電(dian)阻(zu)精(jing)度(du)較(jiao)差(cha),且(qie)容(rong)易(yi)產(chan)生(sheng)漂(piao)移(yi),會(hui)導(dao)致(zhi)設(she)定(ding)好(hao)的(de)終(zhong)止(zhi)電(dian)壓(ya)隨(sui)時(shi)間(jian)推(tui)移(yi)以(yi)及(ji)使(shi)用(yong)環(huan)境(jing)變(bian)化(hua)產(chan)生(sheng)較(jiao)大(da)的(de)波(bo)動(dong)。為(wei)了(le)保(bao)證(zheng)放(fang)電(dian)終(zhong)止(zhi)電(dian)壓(ya)的(de)精(jing)準(zhun)且(qie)易(yi)於(yu)設(she)定(ding),R1可以使用3296係列精密可調電位器。3296多圈可調精密電位器的可調範圍一般在50T,所以每圈的調節範圍為2%,每轉動一度,阻值變化大約0.005%,所以很容易調節獲得一個精確、穩定的阻值。
終止電壓的設定必須在實際放電過程中進行,負載電阻R2阻值變動,已經設定的終止電壓也會隨之改變,需要重新設置。具體的調試方法就不再詳述了,參考一下相關資料。
[page]
這個放電電路不需要單獨的工作電源,而且與電池種類沒有相關性,完全可以適應鎘鎳、鎳氫、鋰電池、鉛qian酸suan電dian池chi各ge種zhong類lei型xing蓄xu電dian池chi的de保bao護hu性xing放fang電dian,隻zhi是shi需xu要yao根gen據ju電dian池chi類lei型xing以yi及ji容rong量liang大da小xiao重zhong新xin設she置zhi電dian路lu的de終zhong止zhi電dian壓ya及ji放fang電dian電dian流liu。如ru果guo電dian池chi容rong量liang相xiang對dui較jiao高gao,那na麼me三san極ji管guanVT1、VT2的耗散功率也要相應加大一些,同時不要忘了加大負載電阻R2的功率。
圖2是放電電路的印刷電路圖,元件數量少,很容易製作。

圖2 印刷電路圖
各種電池兩小時率電流放電能夠維持的放電時間一般都是在1.5小時以下的。這裏單片機計時係統使用秒計時,4位LED數碼管顯示。最大計時時間9999秒,大約2.7小時。
圖1單隻LED數碼管內部都是由8隻發光管組合而成,分別作為8的7段字型部分,以及一位小數點。這裏使用的是共陽極數碼管,內部8隻發光管的陽極是並連共同引出的,作為使能控製。
在實際電路中,L1就是第一隻數碼管的共陽極端。單片機的輸出、輸入接口數量都很有限,所以4位LED數碼管驅動都是使用動態顯示的方式。4隻獨立數碼管LED的內部a、b、c、d、e、f、g、dp這8段發光管相對應的陰極都是並連的。統一由單片機P0口8位輸出進行驅動。數碼管要顯示出數碼還必須在共陽極端同時施加正電壓才行。所以要讓4位中某一數碼管進行顯示,隻要在P0口kou輸shu出chu字zi型xing碼ma的de同tong時shi,給gei這zhe位wei數shu碼ma管guan共gong陽yang極ji端duan加jia上shang正zheng電dian壓ya就jiu行xing了le,當dang然ran與yu此ci同tong時shi其qi他ta三san位wei數shu碼ma管guan的de共gong陽yang極ji端duan要yao保bao持chi低di電dian壓ya,才cai不bu致zhi顯xian示shi出chu現xian混hun亂luan。數shu碼ma管guan共gong陽yang極ji端duan驅qu動dong電dian流liu較jiao大da,所suo以yi采cai用yong了le三san極ji管guan進jin行xing控kong製zhi。以yi第di一yi隻zhi數shu碼ma管guan為wei例li,在zaiP0端口輸出字型碼的同時,P37輸出低電平,三極管T4導通,則共陽極端L1就得到高電平了,數字就會顯示在第一隻數碼管上了。
程序設計是以單片機P37口作為計時控製端子,P37口輸入低電平,計時程序啟動,4隻數碼管顯示時間。放電電路中按下啟動按鍵,放電過程觸發,VT1導通,電池端電壓降落到放電電阻R2兩端,A端對地為高電平,通過電阻R4迫使三極管VT3導通,P37口電平就被拉低了,單片機計時程序啟動。電池電壓降到終止電壓以後,放電電路自動關閉,A端電壓消失,VT3恢複截止狀態,計時程序停止,數碼管維持顯示當前持續時間。
如要進入下次測試,首先按動單片機複位鍵,當前計時清零,等待下一次測試開始。
程序設計比較簡單。它的大致流程如下:初始化,P3端口置位,設立常量a為時間計數器,依次對a的十進製數值各位進行提取,順序輸送到P0端口,P2端口中的P24、P25、P26、P27各位是依次作為四位數碼管的使能控製端,通過P2端口的配合,就可以完成對各位數碼管的驅動,時間的動態顯示。程序進行中要不斷地檢測P3端口數值以決定計時狀態:如果電池處於放電過程之中,三極管VT3導通,將迫使P37端口電壓降到零,P3端口值就是127,單片機程序檢測到這一結果,時間常量a將自動加1,指示期間放電時間已經延續1秒種了。這1秒鍾的時間精確計算是比較麻煩的。計時程序是一個循環結構,每一周期耗用時間都是一致的。所以在使用keil軟件調試過程中,通過對時間計數寄存器sec的觀察計算,可以得出一次循環大致需要的時間。以此為據再通過適當改變延時子程序循環次數將常量a計時周期控製在1秒以下,剩餘微小的時間差就可以通過插補空指令來校正了。計時精度隻要控製在千分之一以下就可以了。在51單片機使用11.0592MHz晶體振蕩器的情況下,指令周期大約1.085weimiao,suoyijiangjishijingdukongzhizaiqianfenzhiyiyixiawentibuda。wuchazongshihuiyoude,zhinengtongguojingquejisuanlaikongzhile,yekeyitongguogenghuangenggaopinlvdejingtizhendangqitigaodanpianjishizhongpinlvdefangfalaijinyibutigaojishidejingdu。ruguofangdianguochengzhong,yiwaiyuanyinhuozherenweizhongzhifangdianguocheng,P37端口變為高電平,程序循環依舊會進行下去,隻是時間常量a停止自動加一,時間顯示維持不變。
編譯後,寫入單片機內部,做好放電電路部分與51單片機的連接,便可投入使用。
電池接入後,按動輕觸按鍵“啟動”,jiuhuijinruyicirongliangceshiguocheng,qijiandianchiquchujieru,doubuhuiyingxiangdaodanpianjijishi。dianchifangdianwanbi,danpianjishumaguanxianshisuoding,geichuzongfangdianchixushijian,danweiweimiao。keyizixingrengongjisuanfangdianxiaoshishu。dangranyeshikeyizixingduichengxujinxinggaijin,zhijieyixiaoshifenzhongxingshijinxingxianshi。zhiyaodanpianjibuduandian,shumaguanjiangchixuxianshidangqianfangdianshichang。ruguoyaojinruxiaciceliangguocheng,zhixuyaoandongdanpianjifuweijian,shumaguanqingling,danpianjichengxuzhuanruqidian,nijiukeyijinruxinyiciderongliangceshiguochengle。
充chong電dian電dian池chi如ru果guo較jiao長chang時shi間jian閑xian置zhi,它ta的de實shi際ji容rong量liang將jiang受shou到dao影ying響xiang,重zhong新xin啟qi用yong第di一yi次ci能neng夠gou釋shi放fang的de容rong量liang遠yuan遠yuan達da不bu到dao標biao注zhu容rong量liang,放fang電dian電dian壓ya也ye很hen不bu平ping穩wen。至zhi少shao要yao經jing過guo三san次ci以yi上shang的de充chong電dian放fang電dian循xun環huan,電dian池chi完wan全quan激ji活huo,容rong量liang才cai能neng恢hui複fu到dao應ying有you的de水shui平ping。充chong分fen考kao慮lv這zhe種zhong因yin素su的de影ying響xiang,所suo以yi容rong量liang測ce試shi一yi般ban采cai取qu多duo次ci平ping均jun的de方fang式shi,或huo者zhe循xun環huan充chong放fang電dian三san次ci以yi後hou放fang電dian持chi續xu時shi間jian為wei準zhun,以yi此ci衡heng量liang電dian池chi容rong量liang才cai算suan是shi恰qia當dang。
[page]
#include “reg51.h”
char
code disp[]={40,235,50,162,225,164,36,234,32,160};
//字形碼
void delay(unsigned int dt)
{ unsigned int j=0;
for(;dt>0;dt--)
{ for(j=0;j<125;j++)
{;}
}
}
void main()
{ int a,b,c,led1,led2,led3,led4;
P3=255;
a=0;
for(;;)
{b=a;
led1=b%10;
P2=239;
P0=disp[led1];
delay(6);
P2=255;
b=b/10;
led2=b%10;
P2=223;
P0=disp[led2];
delay(6);
P2=255;
b=b/10;
led3=b%10;
P2=191;
P0=disp[led3];
delay(6);
P2=255;
b=b/10;
led4=b%10;
P2=127;
P0=disp[led4];
delay(6);
P2=255;
for(c=44;c>0;c--)
{
P2=239;
P0=disp[led1];
delay(5);
P2=255;
P2=223;
P0=disp[led2];
delay(5);
P2=255;
P2=191;
P0=disp[led3];
delay(5);
P2=255;
P2=127;
P0=disp[led4];
delay(5);
P2=255;
}
if(P3==127)
delay(3);
if(P3==127)
a=a+1;
else a=a;
}
}
- 充電電池容量測試儀實現方案
- 電池容量測試儀采用89S51作為控製芯片
- 采用三極管進行控製
dianchirongliangshihengliangdianchizhiliangdezhongyaozhibiao。chongdiandianchiderongliangceshiyouhenduodefangfa。keyiyijudianchidefangdianquxian,jinxingduanshijianfangdian,congerculvedechudianchirongliang。zhezhongfangfazuidadeyoudianshikuaisu,danshichongdiandianchidefangdianquxianbingbujuyoupubianxing,henduoliezhidianchifangdianchuqidianyayehenpingwen,yidanjinruzhonghouqi,dianyaxiajiangfeichangxunsu,suoyicaiyongzhezhongfangfadechudejielunjiangfeichangbuzhunquede。zuikekaozuizhunquewuwudehaishiyibiaozhundianliufangdian,quanchengceliangshijifangdianshijiandefangshi。butongdefangdiandianliu,chongdiandianchizuizhongnenggoushifangchudedianliangshibutongde,youyidingdechaju。xudianchiderongliangbiaozhudoushiyoutongyibiaozhunde。muqianshiyongzuiduodeshi10小時率放電容量與20小時率放電容量兩種。10小時率放電容量就是電池以恒定電流放電,至電量耗盡放電時間能夠維持10個小時左右,這個電流就被稱作10小時率電流(衡量電量用盡的標準,不能以電池放電端電壓降低到零為準。電池過度放電,會導致電池容量減少,無法恢複,乃至提早損壞、完(wan)全(quan)失(shi)效(xiao)。所(suo)以(yi)每(mei)種(zhong)電(dian)池(chi)放(fang)電(dian)終(zhong)止(zhi)電(dian)壓(ya)都(dou)有(you)嚴(yan)格(ge)的(de)規(gui)定(ding),這(zhe)個(ge)可(ke)以(yi)查(zha)閱(yue)相(xiang)關(guan)資(zi)料(liao)。過(guo)度(du)放(fang)電(dian)與(yu)過(guo)度(du)充(chong)電(dian)是(shi)造(zao)成(cheng)充(chong)電(dian)電(dian)池(chi)不(bu)能(neng)達(da)到(dao)使(shi)用(yong)年(nian)限(xian)、提前報廢的主要原因)。實時放電的測量方法最大的缺點就是費時費力,因為耗時久這樣測量精度也很容易受到各種外部因素的影響。測量過程中如果用10小時率電流持續放電時間至少都要在5gexiaoshiyishang,zuozheyangchangshijiandeceshigengxuyaozugoudenaixinyujingliyijichongyudeshijian。kejidefazhanshifeichangxunsu,jintiandanpianjiyijingfeichangpujile。tongguodanpianjichengxukongzhiduifangdianshijian,shendujinxingzidonghuakongzhi,jiuhenrongyijingzhuncechudianchideshijirongliang,shixianzhenggeguochengdezidongkongzhi。monishijifangdianceliangrongliangdefangfasuiranduinengyuanyouyidianlangfei,danshiduiyu1A、2A以下的小容量充電電池還是完全可行的,對大容量電池進行抽樣檢查也是很有必要。
下麵介紹的電池容量測試儀采用89S51作為控製芯片,圖1就是硬件的電路原理圖。

圖1 硬件的電路原理圖
這個電池容量測試儀由放電電路、單片機控製計時兩個完全獨立部分組合而成。單片機部分製作費時費力,而且市麵上單片機已很普及,沒必要親手製作,隨便找一片51單dan片pian機ji實shi驗yan板ban就jiu可ke以yi了le。放fang電dian電dian路lu則ze是shi比bi較jiao簡jian單dan的de,僅jin由you四si五wu隻zhi元yuan件jian構gou成cheng。單dan片pian機ji部bu分fen主zhu要yao負fu責ze對dui放fang電dian時shi間jian計ji時shi,最zui終zhong得de到dao一yi組zu可ke靠kao的de數shu據ju,用yong於yu電dian池chi性xing能neng的de考kao量liang。
zhezhongfangdiandianludeshizhijiushiyimonikekonggui。dangwomenjiangdaicedianchijierudianluxiangyingweizhishi,diananqidongjian,ruguodianchishangyouyuliang,zedianchiliangduanfangdiandianyajiangweichizaishedingzhiyishang,sanjiguanVT1就會瞬間飽和,電池通過電阻R2進行放電。這種電路有可靠精確陡峭的開關特性,VT1絕對工作於飽和截止兩種狀態之下。通過可調電阻對開關電路臨界值(即充電電池放電終止電壓)進(jin)行(xing)調(tiao)節(jie)設(she)定(ding),便(bian)可(ke)適(shi)應(ying)於(yu)各(ge)種(zhong)不(bu)同(tong)類(lei)型(xing)充(chong)電(dian)電(dian)池(chi)的(de)全(quan)程(cheng)保(bao)護(hu)放(fang)電(dian)。由(you)於(yu)個(ge)人(ren)的(de)應(ying)用(yong)不(bu)需(xu)要(yao)非(fei)常(chang)精(jing)準(zhun)的(de)測(ce)試(shi)結(jie)果(guo),所(suo)以(yi)實(shi)際(ji)測(ce)試(shi)中(zhong)電(dian)池(chi)模(mo)擬(ni)放(fang)電(dian)原(yuan)則(ze)上(shang)還(hai)是(shi)以(yi)快(kuai)些(xie)為(wei)好(hao),隻(zhi)需(xu)要(yao)得(de)到(dao)一(yi)個(ge)大(da)致(zhi)的(de)電(dian)池(chi)容(rong)量(liang)。為(wei)了(le)較(jiao)快(kuai)完(wan)成(cheng)電(dian)池(chi)測(ce)試(shi)過(guo)程(cheng),這(zhe)裏(li)的(de)電(dian)路(lu)設(she)計(ji)采(cai)用(yong)兩(liang)小(xiao)時(shi)率(lv)電(dian)流(liu)進(jin)行(xing)放(fang)電(dian)。通(tong)過(guo)對(dui)各(ge)種(zhong)電(dian)池(chi)測(ce)量(liang)結(jie)果(guo)的(de)橫(heng)向(xiang)比(bi)較(jiao),容(rong)量(liang)的(de)差(cha)異(yi)還(hai)是(shi)顯(xian)而(er)易(yi)見(jian)的(de),以(yi)此(ci)作(zuo)為(wei)衡(heng)量(liang)電(dian)池(chi)優(you)劣(lie)的(de)標(biao)準(zhun),就(jiu)已(yi)經(jing)足(zu)夠(gou)了(le)。這(zhe)裏(li)以(yi)1000mAH、1.2V規格鎳氫電池測試為例,放電電流500mA就需要采用2Ω的放電電阻,電池終止放電電壓應控製在1V以上。放電終止電壓通過可調電阻R1來(lai)調(tiao)節(jie)設(she)定(ding)。普(pu)通(tong)可(ke)調(tiao)電(dian)阻(zu)精(jing)度(du)較(jiao)差(cha),且(qie)容(rong)易(yi)產(chan)生(sheng)漂(piao)移(yi),會(hui)導(dao)致(zhi)設(she)定(ding)好(hao)的(de)終(zhong)止(zhi)電(dian)壓(ya)隨(sui)時(shi)間(jian)推(tui)移(yi)以(yi)及(ji)使(shi)用(yong)環(huan)境(jing)變(bian)化(hua)產(chan)生(sheng)較(jiao)大(da)的(de)波(bo)動(dong)。為(wei)了(le)保(bao)證(zheng)放(fang)電(dian)終(zhong)止(zhi)電(dian)壓(ya)的(de)精(jing)準(zhun)且(qie)易(yi)於(yu)設(she)定(ding),R1可以使用3296係列精密可調電位器。3296多圈可調精密電位器的可調範圍一般在50T,所以每圈的調節範圍為2%,每轉動一度,阻值變化大約0.005%,所以很容易調節獲得一個精確、穩定的阻值。
終止電壓的設定必須在實際放電過程中進行,負載電阻R2阻值變動,已經設定的終止電壓也會隨之改變,需要重新設置。具體的調試方法就不再詳述了,參考一下相關資料。
[page]
這個放電電路不需要單獨的工作電源,而且與電池種類沒有相關性,完全可以適應鎘鎳、鎳氫、鋰電池、鉛qian酸suan電dian池chi各ge種zhong類lei型xing蓄xu電dian池chi的de保bao護hu性xing放fang電dian,隻zhi是shi需xu要yao根gen據ju電dian池chi類lei型xing以yi及ji容rong量liang大da小xiao重zhong新xin設she置zhi電dian路lu的de終zhong止zhi電dian壓ya及ji放fang電dian電dian流liu。如ru果guo電dian池chi容rong量liang相xiang對dui較jiao高gao,那na麼me三san極ji管guanVT1、VT2的耗散功率也要相應加大一些,同時不要忘了加大負載電阻R2的功率。
圖2是放電電路的印刷電路圖,元件數量少,很容易製作。

圖2 印刷電路圖
各種電池兩小時率電流放電能夠維持的放電時間一般都是在1.5小時以下的。這裏單片機計時係統使用秒計時,4位LED數碼管顯示。最大計時時間9999秒,大約2.7小時。
圖1單隻LED數碼管內部都是由8隻發光管組合而成,分別作為8的7段字型部分,以及一位小數點。這裏使用的是共陽極數碼管,內部8隻發光管的陽極是並連共同引出的,作為使能控製。
在實際電路中,L1就是第一隻數碼管的共陽極端。單片機的輸出、輸入接口數量都很有限,所以4位LED數碼管驅動都是使用動態顯示的方式。4隻獨立數碼管LED的內部a、b、c、d、e、f、g、dp這8段發光管相對應的陰極都是並連的。統一由單片機P0口8位輸出進行驅動。數碼管要顯示出數碼還必須在共陽極端同時施加正電壓才行。所以要讓4位中某一數碼管進行顯示,隻要在P0口kou輸shu出chu字zi型xing碼ma的de同tong時shi,給gei這zhe位wei數shu碼ma管guan共gong陽yang極ji端duan加jia上shang正zheng電dian壓ya就jiu行xing了le,當dang然ran與yu此ci同tong時shi其qi他ta三san位wei數shu碼ma管guan的de共gong陽yang極ji端duan要yao保bao持chi低di電dian壓ya,才cai不bu致zhi顯xian示shi出chu現xian混hun亂luan。數shu碼ma管guan共gong陽yang極ji端duan驅qu動dong電dian流liu較jiao大da,所suo以yi采cai用yong了le三san極ji管guan進jin行xing控kong製zhi。以yi第di一yi隻zhi數shu碼ma管guan為wei例li,在zaiP0端口輸出字型碼的同時,P37輸出低電平,三極管T4導通,則共陽極端L1就得到高電平了,數字就會顯示在第一隻數碼管上了。
程序設計是以單片機P37口作為計時控製端子,P37口輸入低電平,計時程序啟動,4隻數碼管顯示時間。放電電路中按下啟動按鍵,放電過程觸發,VT1導通,電池端電壓降落到放電電阻R2兩端,A端對地為高電平,通過電阻R4迫使三極管VT3導通,P37口電平就被拉低了,單片機計時程序啟動。電池電壓降到終止電壓以後,放電電路自動關閉,A端電壓消失,VT3恢複截止狀態,計時程序停止,數碼管維持顯示當前持續時間。
如要進入下次測試,首先按動單片機複位鍵,當前計時清零,等待下一次測試開始。
程序設計比較簡單。它的大致流程如下:初始化,P3端口置位,設立常量a為時間計數器,依次對a的十進製數值各位進行提取,順序輸送到P0端口,P2端口中的P24、P25、P26、P27各位是依次作為四位數碼管的使能控製端,通過P2端口的配合,就可以完成對各位數碼管的驅動,時間的動態顯示。程序進行中要不斷地檢測P3端口數值以決定計時狀態:如果電池處於放電過程之中,三極管VT3導通,將迫使P37端口電壓降到零,P3端口值就是127,單片機程序檢測到這一結果,時間常量a將自動加1,指示期間放電時間已經延續1秒種了。這1秒鍾的時間精確計算是比較麻煩的。計時程序是一個循環結構,每一周期耗用時間都是一致的。所以在使用keil軟件調試過程中,通過對時間計數寄存器sec的觀察計算,可以得出一次循環大致需要的時間。以此為據再通過適當改變延時子程序循環次數將常量a計時周期控製在1秒以下,剩餘微小的時間差就可以通過插補空指令來校正了。計時精度隻要控製在千分之一以下就可以了。在51單片機使用11.0592MHz晶體振蕩器的情況下,指令周期大約1.085weimiao,suoyijiangjishijingdukongzhizaiqianfenzhiyiyixiawentibuda。wuchazongshihuiyoude,zhinengtongguojingquejisuanlaikongzhile,yekeyitongguogenghuangenggaopinlvdejingtizhendangqitigaodanpianjishizhongpinlvdefangfalaijinyibutigaojishidejingdu。ruguofangdianguochengzhong,yiwaiyuanyinhuozherenweizhongzhifangdianguocheng,P37端口變為高電平,程序循環依舊會進行下去,隻是時間常量a停止自動加一,時間顯示維持不變。
編譯後,寫入單片機內部,做好放電電路部分與51單片機的連接,便可投入使用。
電池接入後,按動輕觸按鍵“啟動”,jiuhuijinruyicirongliangceshiguocheng,qijiandianchiquchujieru,doubuhuiyingxiangdaodanpianjijishi。dianchifangdianwanbi,danpianjishumaguanxianshisuoding,geichuzongfangdianchixushijian,danweiweimiao。keyizixingrengongjisuanfangdianxiaoshishu。dangranyeshikeyizixingduichengxujinxinggaijin,zhijieyixiaoshifenzhongxingshijinxingxianshi。zhiyaodanpianjibuduandian,shumaguanjiangchixuxianshidangqianfangdianshichang。ruguoyaojinruxiaciceliangguocheng,zhixuyaoandongdanpianjifuweijian,shumaguanqingling,danpianjichengxuzhuanruqidian,nijiukeyijinruxinyiciderongliangceshiguochengle。
充chong電dian電dian池chi如ru果guo較jiao長chang時shi間jian閑xian置zhi,它ta的de實shi際ji容rong量liang將jiang受shou到dao影ying響xiang,重zhong新xin啟qi用yong第di一yi次ci能neng夠gou釋shi放fang的de容rong量liang遠yuan遠yuan達da不bu到dao標biao注zhu容rong量liang,放fang電dian電dian壓ya也ye很hen不bu平ping穩wen。至zhi少shao要yao經jing過guo三san次ci以yi上shang的de充chong電dian放fang電dian循xun環huan,電dian池chi完wan全quan激ji活huo,容rong量liang才cai能neng恢hui複fu到dao應ying有you的de水shui平ping。充chong分fen考kao慮lv這zhe種zhong因yin素su的de影ying響xiang,所suo以yi容rong量liang測ce試shi一yi般ban采cai取qu多duo次ci平ping均jun的de方fang式shi,或huo者zhe循xun環huan充chong放fang電dian三san次ci以yi後hou放fang電dian持chi續xu時shi間jian為wei準zhun,以yi此ci衡heng量liang電dian池chi容rong量liang才cai算suan是shi恰qia當dang。
[page]
#include “reg51.h”
char
code disp[]={40,235,50,162,225,164,36,234,32,160};
//字形碼
void delay(unsigned int dt)
{ unsigned int j=0;
for(;dt>0;dt--)
{ for(j=0;j<125;j++)
{;}
}
}
void main()
{ int a,b,c,led1,led2,led3,led4;
P3=255;
a=0;
for(;;)
{b=a;
led1=b%10;
P2=239;
P0=disp[led1];
delay(6);
P2=255;
b=b/10;
led2=b%10;
P2=223;
P0=disp[led2];
delay(6);
P2=255;
b=b/10;
led3=b%10;
P2=191;
P0=disp[led3];
delay(6);
P2=255;
b=b/10;
led4=b%10;
P2=127;
P0=disp[led4];
delay(6);
P2=255;
for(c=44;c>0;c--)
{
P2=239;
P0=disp[led1];
delay(5);
P2=255;
P2=223;
P0=disp[led2];
delay(5);
P2=255;
P2=191;
P0=disp[led3];
delay(5);
P2=255;
P2=127;
P0=disp[led4];
delay(5);
P2=255;
}
if(P3==127)
delay(3);
if(P3==127)
a=a+1;
else a=a;
}
}
特別推薦
- 噪聲中提取真值!瑞盟科技推出MSA2240電流檢測芯片賦能多元高端測量場景
- 10MHz高頻運行!氮矽科技發布集成驅動GaN芯片,助力電源能效再攀新高
- 失真度僅0.002%!力芯微推出超低內阻、超低失真4PST模擬開關
- 一“芯”雙電!聖邦微電子發布雙輸出電源芯片,簡化AFE與音頻設計
- 一機適配萬端:金升陽推出1200W可編程電源,賦能高端裝備製造
技術文章更多>>
- 築基AI4S:摩爾線程全功能GPU加速中國生命科學自主生態
- 一秒檢測,成本降至萬分之一,光引科技把幾十萬的台式光譜儀“搬”到了手腕上
- AI服務器電源機櫃Power Rack HVDC MW級測試方案
- 突破工藝邊界,奎芯科技LPDDR5X IP矽驗證通過,速率達9600Mbps
- 通過直接、準確、自動測量超低範圍的氯殘留來推動反滲透膜保護
技術白皮書下載更多>>
- 車規與基於V2X的車輛協同主動避撞技術展望
- 數字隔離助力新能源汽車安全隔離的新挑戰
- 汽車模塊拋負載的解決方案
- 車用連接器的安全創新應用
- Melexis Actuators Business Unit
- Position / Current Sensors - Triaxis Hall
熱門搜索
微波功率管
微波開關
微波連接器
微波器件
微波三極管
微波振蕩器
微電機
微調電容
微動開關
微蜂窩
位置傳感器
溫度保險絲
溫度傳感器
溫控開關
溫控可控矽
聞泰
穩壓電源
穩壓二極管
穩壓管
無焊端子
無線充電
無線監控
無源濾波器
五金工具
物聯網
顯示模塊
顯微鏡結構
線圈
線繞電位器
線繞電阻



