智能鉛酸蓄電池充電器的設計
發布時間:2012-02-22
中心議題:
- 蓄電池充電特性及充電技術現狀
- 蓄電池充電器的電路組成部分分析
- 蓄電池充電器的控製過程分析
- 蓄電池充電器的保護功能介紹及設計
- 三段式充電控製
鉛酸蓄電池具有價格低廉、供電可靠、電壓穩定等優點,因此廣泛應用於國防、通信、鐵路、交通、工農業生產部門。近年來全密封免維護鉛酸蓄電池其密封好、無泄漏、無(wu)汙(wu)染(ran)等(deng)優(you)點(dian),能(neng)夠(gou)保(bao)證(zheng)人(ren)體(ti)和(he)各(ge)種(zhong)用(yong)電(dian)設(she)備(bei)的(de)安(an)全(quan),而(er)且(qie)在(zai)整(zheng)個(ge)壽(shou)命(ming)期(qi)間(jian),無(wu)需(xu)任(ren)何(he)維(wei)護(hu),從(cong)而(er)揭(jie)開(kai)了(le)鉛(qian)酸(suan)蓄(xu)電(dian)池(chi)發(fa)展(zhan)曆(li)程(cheng)新(xin)的(de)一(yi)頁(ye)。眾(zhong)所(suo)周(zhou)知(zhi),通(tong)信(xin)設(she)備(bei)一(yi)般(ban)都(dou)采(cai)用(yong)免(mian)維(wei)護(hu)電(dian)池(chi)作(zuo)為(wei)備(bei)用(yong)電(dian)源(yuan),許(xu)多(duo)電(dian)子(zi)設(she)備(bei)必(bi)須(xu)的(de)不(bu)間(jian)斷(duan)電(dian)源(yuan)係(xi)統(tong)(UPS)也離不開免維護電池,此外在應急燈、汽車、遊艇中也越來越多的選用免維護電池。然而,由you於yu充chong電dian方fang法fa不bu正zheng確que,充chong電dian技ji術shu不bu能neng適shi應ying免mian維wei護hu電dian池chi的de特te殊shu需xu求qiu,造zao成cheng電dian池chi很hen難nan達da到dao規gui定ding的de循xun環huan壽shou命ming。基ji於yu此ci,本ben文wen提ti出chu了le一yi種zhong用yong於yu全quan密mi封feng免mian維wei護hu鉛qian酸suan蓄xu電dian池chi的de智zhi能neng充chong電dian器qi設she計ji方fang案an,采cai用yong先xian進jin的de三san段duan式shi充chong電dian控kong製zhi方fang法fa,有you效xiao地di提ti高gao充chong電dian效xiao率lv,延yan長chang電dian池chi壽shou命ming。
1 蓄電池充電特性及充電技術現狀
容量和壽命蓄是電池的重要參數,蓄電池的額定容量(C)通常作為電池充放電速率的單位,例如100A·h的蓄電池,采用20A電流充電時,充電速率為C/5。不正確的充電方式不僅會降低電池的儲能容量,還會縮短電池的使用壽命。上世紀60年代末期,美國科學家馬斯(Mascc)提出了以最低出氣率為前提的蓄電池可接受充電電流曲線如圖1所示,其充電電流軌跡為一條呈指數規律下降的曲線。

圖1 蓄電池可接受充電電流曲線
傳統的充電方式無論是定電壓充電還是定電流充電均不能提高電池的充電效率,而依據圖1chongdianquxiantichudesanduanshichongdianlilunzekeyidadatigaodianchidechongdianxiaolv,suoduanchongdianshijian,bingnengyouxiaoyanchangdianchishouming。sanduanshichongdiancaiyongxianhengliuchongdian,zaihengyachongdian,zuihoucaiyongfuchongjinxingweihuchongdian。yibanfenweikuaisuchongdian、補足充電、涓流充電三個階段。
快速充電階段:用大電流對電池進行充電以迅速恢複電池電能,充電速率可以達1C以上,此時充電電壓較低,但會限製充電電流在一定數值範圍之內。
補足充電階段:xiangduiyukuaisuchongdianjieduan,buzuchongdianjieduanyoukeyichengweimansuchongdianjieduan。dangkuaisuchongdianjieduanzhongzhishi,dianchibingweiwanquanchongzu,haixujiarubuzuchongdianguocheng,buzuchongdiansulvyibanbuchaoguo0.3C,因為電池電壓經過快速充電階段後有所升高,所以補足充電階段的充電電壓也應該有所提升,並且恒定在一定範圍之內。
涓流充電階段:zaibuzuchongdianjieduanhouqi,dangjiancedaowendushangshengchaoguojixianzhihuochongdiandianliujianxiaodaoyidingzhizhihou,kaishiyonggengxiaodedianliujinxingchongdianzhizhimanzuyidingdetiaojianhoujieshuchongdian。
2 電路組成部分
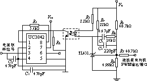
本文所介紹的充電器其充電對象為24V鉛酸蓄電池,輸入電壓範圍為交流100~240V,28V輸出時額定輸出電流為4A。該充電器電路由三部分組成,主電路、PWM芯片UC3842控製電路、單片機S3C9454控製電路,整體電路結構如圖2所示。由於該充電器功率為100W左右,故功率部分采用成本較低的單端反激電路,利用UC3842作為主電路控製IC。輸出端繼電器僅在單片機檢測符合充電條件後閉合,充電器才能對電池進行充電。

圖2 充電器電路原理框圖
UC3842為電流型脈寬調製器,具有管腳數量少、外圍電路簡單、安裝與調試簡便、性能優良、價格低廉等特點,特別適合用於低成本的小功率反激電路。由於該應用電路已極為成熟,此處就不詳加敘述。
[page]
S3C9454是三星推出的一款性價比很高的8位單片機,僅20個引腳,具有多個可編程配置的I/O口和一個8位高速PWM輸出端口,內部集成了定時/計數器、9通道10位A/D轉換器,可以分別對電壓、電流及溫度信號進行采樣,豐富的資源可以很方便地實現三段式充電控製功能及輸出過壓、過流保護、溫度補償、計時充電等功能。
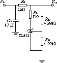
為實現三段式充電,電路必須能夠改變充電電壓進而改變充電電流。充電電壓的調整電路如圖3所示,單片機對電流、電壓和溫度信號檢測之後進行判斷,再輸出一定大小占空比的PWM信號,送至與輸出電壓取樣電阻R6並聯的電阻R7,改變PWM信號的占空比即改變它的平均電平,再通過電阻R7來改變輸出電壓基準值設定。

圖3 輸出電壓反饋調整電路
本方案中MCU電路供電電源不需要額外的輔助電源,隻需從主電路的輸出端引出,利用精密穩壓器件TL431和電阻、電容等少數元件即可得到較為精確的+5V電平,其電路如下圖4所示。

圖4 MCU供電電路
3 控製過程介紹
上電之後,MCU先檢測電池有無反接、電池電壓、dianchiwendudengxinxi,ranhoujinxingpanduanshifourangjidianqidaotongduidianchijinxingchongdian。manzutiaojianzhihou,jikaishichongdian。weibaohuyouyuguofangdianerzaochengdianyapiandidedianchizaoshoujinyibusunhai,haishezhileyuchongdianjieduan,jijiancedianchidianyapiandishi,xiangeiyuyixiaodianliuchongdianzhizhidianchidianyahuifuzhizhengchangshuipingzaizhuanrukuaisuchongdianjieduan。
快速充電階段:剛開始充電時電池電壓較低,初始充電電流會較大,利用UC3842的腳3實現限流功能,當輸出電流變大,腳3檢測電壓超過1V時, UC3842輸出脈衝便會關斷直至下個周期腳3電平降為1V以下。經簡單計算,設定原邊電流取樣電阻大小即可調整限流值。本方案中限製快速衝電電流不能超過4.5A。由圖3可知,當充電電壓小於27.5Vshi,guangouweiduanlu,dianyahuanweicanyutiaojie,yikaoyuanbianxianliudianlushixianhenggonglvshuchu。jingguokuaisuchongdianjieduanyihou,dianchidianyahuiyousuoshangsheng,chongdiandianliuhuijianxiao,dangdanpianjijiancedaochongdiandianliujianxiaodaoyidingzhihuodadaoyidingshijianzhihoujizhuanrubuzuchongdianjieduan。
補足充電階段:當輸出電壓上升至27.5V以上,光耦回路開通,電壓環開始起作用參與輸出電壓的調整,實現恒壓功能,同時單片機PWM端口一定占空比的脈衝以調整輸出電壓,使充電電壓穩定在28.8~29.8V的範圍之內。當單片機檢測充電電流減小到一定值之後或者達到一定時間之後即轉入涓流充電階段。
涓流充電階段:在此階段用不超過0.7A的電流對電池進行充電,以補充電池由於自放電而損失的電量。單片機PWM端口輸出一定占空比的脈衝調整輸出電壓穩定在26.8~27.4V之間。當檢測到充電電流下降到0.3A或浮充時間結束時,停止充電。同時單片機不斷檢測電池端電壓,當端電壓下降到一定程度,充電器自動進入大電流充電狀態。
4 保護功能簡介及程序流程圖
電池反接保護功能:當MCU檢測到電池極性接反之後,繼電器不會開通充電。
過放電電池充電保護:電池過放電之後電壓會偏低,此時若進行大電流充電很容易過充損壞電池,當單片機檢測到電池電壓較低時就先轉入預充電階段。
輸出過壓保護:當MCU檢測到電池電壓過高,充電器立刻轉入浮衝階段。
輸出過流保護:此項保護功能由UC3842完成。
過溫保護:通過附加在電池表麵的熱敏電阻實現溫度采樣,由MCU改變PWM占空比來實現溫度補償,防止電池溫度上升過高。
[page]
軟件基本流程如下圖5所示。實測的充電電壓、電流如圖6所示。

圖5 軟件基本流程

圖6 充電器充電曲線
5 結語
依據此設計方案製作的三段式蓄電池充電器,可適應AC 100~240V寬範圍電壓輸入,可對24V/48A·h以下容量的蓄電池進行高效率充電,經實際測試,較好地實現了三段式充電,該產品現已順利實現量產。
- 噪聲中提取真值!瑞盟科技推出MSA2240電流檢測芯片賦能多元高端測量場景
- 10MHz高頻運行!氮矽科技發布集成驅動GaN芯片,助力電源能效再攀新高
- 失真度僅0.002%!力芯微推出超低內阻、超低失真4PST模擬開關
- 一“芯”雙電!聖邦微電子發布雙輸出電源芯片,簡化AFE與音頻設計
- 一機適配萬端:金升陽推出1200W可編程電源,賦能高端裝備製造
- 貿澤EIT係列新一期,探索AI如何重塑日常科技與用戶體驗
- 算力爆發遇上電源革新,大聯大世平集團攜手晶豐明源線上研討會解鎖應用落地
- 創新不止,創芯不已:第六屆ICDIA創芯展8月南京盛大啟幕!
- AI時代,為什麼存儲基礎設施的可靠性決定數據中心的經濟效益
- 矽典微ONELAB開發係列:為毫米波算法開發者打造的全棧工具鏈
- 車規與基於V2X的車輛協同主動避撞技術展望
- 數字隔離助力新能源汽車安全隔離的新挑戰
- 汽車模塊拋負載的解決方案
- 車用連接器的安全創新應用
- Melexis Actuators Business Unit
- Position / Current Sensors - Triaxis Hall




