UPS智能監控係統的多功能設計
發布時間:2014-10-20 責任編輯:xueqi
【導讀】UPS供電係統是電力、通信、銀行等行業的必備電源。本文所設計的UPS智能監控係統具備以下環節和功能:能在各種複雜的電網環境下運行;在運行中不會對市電產生附加的幹擾;輸出電性能指標應該是全麵的、高質量的,能滿足負載的各項要求。
引言
UPS供電係統是電力、通信、銀行等行業的必備電源,從產生到現在已有幾十年的發展曆程,在技術不斷發展和改進的過程中,其保護功能也在不斷地發生變化。UPS根據主機內逆變器的工作狀態可分為:後備式、在線式及在線互動式。他們的作用是對市電進行濾波、穩壓調整,以便向負載提供更為穩定的電壓,同時,通過充電器把電能轉變為化學能儲存在蓄電池內,一旦電力中斷、電網電壓或電網頻率超出UPS的輸入範圍,可在極短的時間內開啟自身的儲備電源,向負載供電。
本文所設計的UPS智能監控係統具備以下環節和功能:能在各種複雜的電網環境下運行;在運行中不會對市電產生附加的幹擾;輸出電性能指標應該是全麵的、高質量的,能滿足負載的各項要求;UPS本身應具有很高的效率,有接近實際市電的輸出能力;是一台智能化程度很高的設備,有高度智能化的自檢功能,自動顯示、報警、狀態記憶功能以及通訊功能。
1 總體設計
該設計由主監控單元、交流檢測單元、電池檢測與巡檢單元、饋線檢測及調壓單元、絕緣監察及接地選線單元等單元模塊組成。這些模塊之間通過內部RS485進行通信,實現對電源櫃的交流配電、蓄電池充放電過程、電池狀態、調壓狀態、母線對地電阻、饋出線開關狀態的實時監測、控製和報警處理。整個係統通過RS232和上位機進行通信以進行曆史數據的查詢和統計。
2 各單元介紹
2.1 主監控單元
主監控單元調度整個係統的運行。主監控單元由主監控板、320x240點陣液晶顯示屏、鍵盤及指示燈等組成,完成蓄電池充放電管理,運行及控製參數的設定和顯示,告警記錄的存儲、查詢,通過RS232和上位機通信,通過RS485控製內部各單元。

2.2 交流檢測單元
該單元主要完成三相交流電壓、電流及頻率的采集;同時具有交流失電、缺相、過壓、欠壓等告警功能;告警時繼電器告警接點閉合。通過調節板上電位器可校正三相交流電壓顯示值。
2.3 電池檢測與巡檢單元
該單元由電池檢測板和電池巡檢板組成(可選),主要完成電池組電壓(合母電壓)、充/放電電流、環境溫度及單體電池電壓的采集;電池熔絲狀態檢測;可通過輸出模擬電壓、電流給定來控製其他廠家的模塊或相控電源三相觸發板的電壓或電流給定(具體情況與廠家協商),提高了係統的兼容性;按時計量;同時完成合母過欠壓、電池過充、電池饋電及單體電池失效告警等功能;通過調節電池檢測板和電池巡檢板上的電位器可分別校正合母電壓和單體電池電壓顯示值。如圖2中所示。
2.4 饋線檢測及矽鏈調壓單元
由饋線檢測CPU板、開關量輸入板組成,實時檢測合母和控母的饋線開關狀態。通過開關量擴展口,可以檢測24路饋線。當出現開關變位或控母電壓越限時告警並通過矽鏈自動調節控母電壓(最多7節矽鏈凋壓)。通過調節饋線檢測板上電位器可校整控母電壓顯示值。
2.5 絕緣監察及接地選線單元
youjueyuanjianchajiancebanhejiedixuanxiankuozhanbanzucheng,zhuyaogongnengshishishijiancemuxianduididianzu,zidingweijiedizhilu。dangmuxianduididianzudiyugaojingshedingzhishi,gaojingjidianqibihe;通過接地選線擴展口連接接地選線,最多支持24路選線。
[page]
3 關鍵電路單元設計
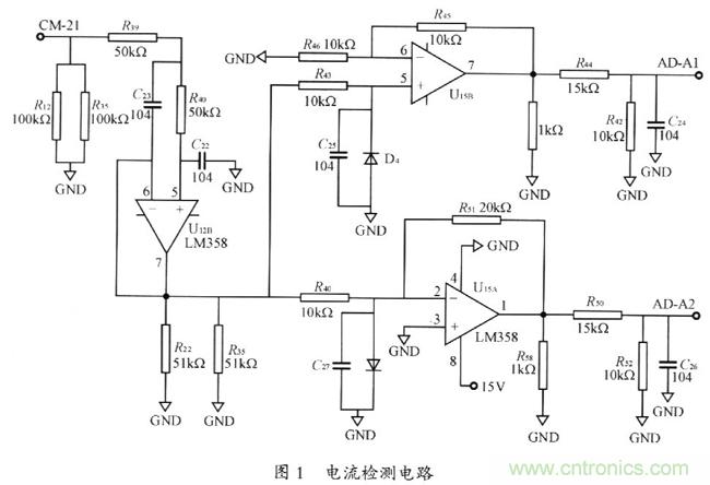
3.1 電流檢測電路
電池充放電電流的大小尤為關鍵。電路圖如圖1suoshi,yinweishijijiancechongdiandianliuyejiancefangdiandianliu,guzaixiaodianzushangdedianyayoushilianggefangxiang,zaidianlujiancezhongyonglianggetongdaofenbiejiance,zheyangyebianyufenbiejinxingxinhaodetiaoli,tongshiyebianyuyongA/D轉換器的一個輸入通道來測量。
3.2 合母電壓的監測
合母電壓監測電路如圖2所示。合母電壓流過電阻R16、R17、R54,在電阻R17上取樣,故而電阻R17應選用高精度電阻。R16和R54因為要比電阻R17大得多,又是出現在分母上,故而不必選用高精度電阻。LL的作用是抑製共模幹擾。可以通過調節電位器Rp的大小來使所要監測電壓的大小符合A/D轉換器輸入電壓要求。
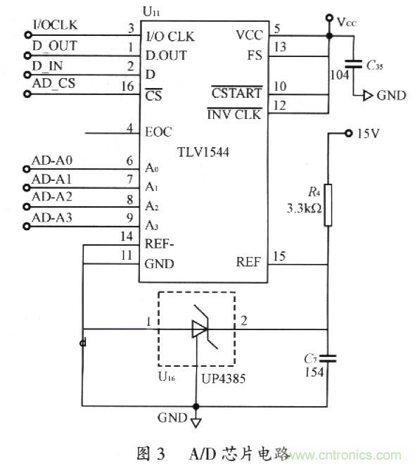
3.3 A/D轉換
A/D轉換芯片采用TLV1544。TLVl544的主要特點是:寬範圍的單電源供電,VCC可為2.7~5.5V;芯片內部有著較高的轉換速率,轉換時間小於10μs;芯片提供4路外部輸入通道,通過編程給芯片不同的狀態字設置可以任意選擇4個輸入通道之一;芯片有4個端口作為同步串行接口,通過SPI總線的形式與微處理器連接;11位A/D轉換,足以滿足係統的要求。如圖3所示。

控製對從選定的通道中輸入的模擬信號的采樣開始。由高變低開始模擬輸入信號的采樣;由低變高使采樣和保持功能處於保持狀態,並開始模/數轉換。獨立於輸入/輸出時鍾信號,當為高時,開始工作。為低的持續時間控製開關電容陣列采樣周期的持續時間。當不用時,接高電平。引腳(E0C)在A/D轉換結束時變為高電平來表明轉換完成。本單元通過查詢EOC電平來判斷是否轉換完成從而進行數據的讀取。
3.4 通信電路設計
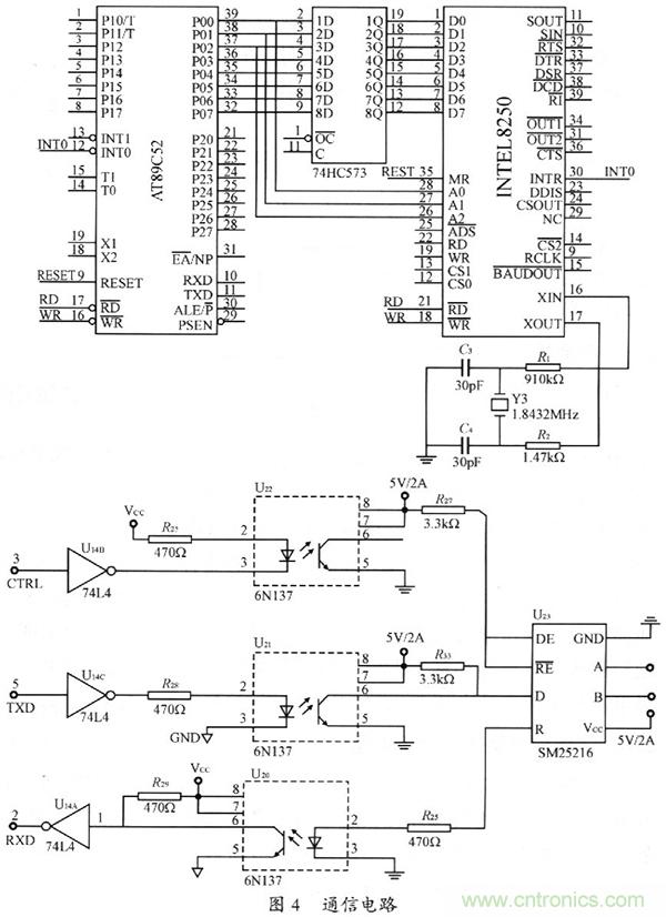
整個係統內部通過RS485進行通信。具體電路如圖4所示。因為控製芯片都采用AT89C52,作為主監控單元CPU隻有一個串口,而其並口也沒有充分利用起來,故通過可編程串行接口芯片8250擴展串口,用並口來模擬串口。

3.5 X5045電路設計
X5045電路的設計如圖5所示。本器件將四種功能合於一體:上電複位控製、看門狗定時器、降壓管理以及具有塊保護功能的串行EEPROM。它有助於簡化應用係統的設計,減少印製板的占用麵積,提高可靠性。將其與CPC以SPI總線方式連接,讀寫簡單,其內部的EEPROM還可以保護一些重要數據。

3.6 係統時鍾設計
采用功能齊全的時鍾芯片DS1306。DS1306的時間、日曆和報警器可以通過寫相應的寄存器位來設置和初始化。通過讀相應寄存器就可獲得日曆和時間。DSl306的電源供給有三種運行方式,本係統采用可充電電池的方式,如圖6所示。

4 結語
(1)本智能電源監控係統根據電池的特點進行智能電池充放電管理,在實際使用中起到了延長電池使用壽命的作用;
(2)各模塊的485通信使得係統具有完善的告警處理及事故追憶功能從而可以全麵掌握係統運行狀態。
特別推薦
- 噪聲中提取真值!瑞盟科技推出MSA2240電流檢測芯片賦能多元高端測量場景
- 10MHz高頻運行!氮矽科技發布集成驅動GaN芯片,助力電源能效再攀新高
- 失真度僅0.002%!力芯微推出超低內阻、超低失真4PST模擬開關
- 一“芯”雙電!聖邦微電子發布雙輸出電源芯片,簡化AFE與音頻設計
- 一機適配萬端:金升陽推出1200W可編程電源,賦能高端裝備製造
技術文章更多>>
- 大聯大世平集團首度亮相北京國際汽車展 攜手全球芯片夥伴打造智能車整合應用新典範
- 2026北京車展即將啟幕,高通攜手汽車生態“朋友圈”推動智能化體驗再升級
- 如何使用工業級串行數字輸入來設計具有並行接口的數字輸入模塊
- 邊緣AI的發展為更智能、更可持續的技術鋪平道路
- 每台智能體PC,都是AI時代的新入口
技術白皮書下載更多>>
- 車規與基於V2X的車輛協同主動避撞技術展望
- 數字隔離助力新能源汽車安全隔離的新挑戰
- 汽車模塊拋負載的解決方案
- 車用連接器的安全創新應用
- Melexis Actuators Business Unit
- Position / Current Sensors - Triaxis Hall
熱門搜索
SATA連接器
SD連接器
SII
SIM卡連接器
SMT設備
SMU
SOC
SPANSION
SRAM
SSD
ST
ST-ERICSSON
Sunlord
SynQor
s端子線
Taiyo Yuden
TDK-EPC
TD-SCDMA功放
TD-SCDMA基帶
TE
Tektronix
Thunderbolt
TI
TOREX
TTI
TVS
UPS電源
USB3.0
USB 3.0主控芯片
USB傳輸速度




