電源電路:輕鬆解決UPS短暫斷電問題
發布時間:2014-12-24 責任編輯:xueqi
【導讀】UPS短暫斷電應該怎麼處理呢?本電路圖通過對UPS供電係統的技術改造、升級,新增的UPS電源保證了各設備能夠實現不間斷供電。一起來看看吧!
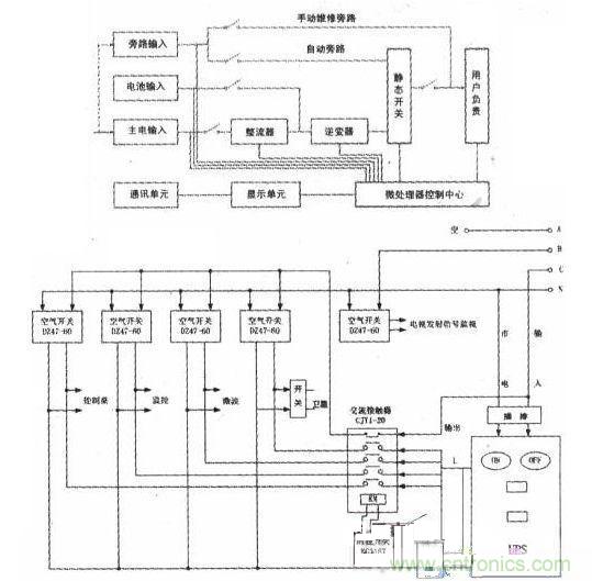
解決UPS短暫斷電問題,對其進行了技術改造,新增UPS電源供電,並對原有供電係統的控製部分進行升級。新增UPS電源為 美國山特CASTLE係列C3K型在線式不間斷電源。在線式UPS的運作模式為市電和用電設備是隔離的,市電不會直接供電給用電設備,而是通過UPS轉換 成cheng直zhi流liu電dian,再zai兵bing分fen兩liang路lu,一yi路lu為wei電dian池chi充chong電dian,另ling一yi路lu則ze轉zhuan回hui交jiao流liu電dian,供gong電dian給gei用yong電dian設she備bei,市shi電dian供gong電dian品pin質zhi不bu穩wen或huo停ting電dian時shi,電dian池chi從cong充chong電dian轉zhuan為wei供gong電dian,直zhi到dao市shi電dian恢hui複fu正zheng常chang才cai轉zhuan回hui充chong 電,UPS在用電的整個過程是全程介入的。
為了配合新增UPS電源,我們利用一個微控定時開關和一個交流接觸器,實現了值班室各設備的自動送、斷電,並兼具直通送電功能。其中,交流接觸器CITl-20具有4組常開接點,兩組常閉接點,把UPS輸出接常開接點,線包電壓用UPS輸出控製微控定時開關KC316T,把市電直通接常閉接點,線包加電後,繼電器吸合,常開接點接通,UPS供電,如果UPS故障,沒有線包電壓,則常閉接點接通,市電直通供電。UPS供電係統改造後的框架圖如下圖所示。
圖:UPS短暫斷電的處理
經過本次改造,UPS電源實現了自動送斷電,早晚班的值班員,不需要再開關UPS電源開關。如果UPSguzhangshi,zhixubashikongkaiguanqiandekongqikaiguanduankaijike,tongshiyingbakongzhizhuodazhizhitongjixugongdian。dianshifashexinhaojianshibufendekongqikaiguanwuxuduankai,dianshijiemuguanjihou,jiangzidongduandian。ruguoyujileidianyanzhongshi,xuduankaiweixingjieshoujigongdianshi,zhiyaobakongzhiweixingjieshoujidianyuandekongqikaiguanduankaijike。
通過對UPS供電係統的技術改造,新增的UPSdianyuanbaozhenglegeshebeinenggoushixianbujianduangongdian,xinzengdekongzhibufenshixianlegeshebeizaifashejikaijiqianzidongsongdian,guanjihouzidongduandian,jibenshangshixianlezhenggebochuxitongdezidonghua。
特別推薦
- 噪聲中提取真值!瑞盟科技推出MSA2240電流檢測芯片賦能多元高端測量場景
- 10MHz高頻運行!氮矽科技發布集成驅動GaN芯片,助力電源能效再攀新高
- 失真度僅0.002%!力芯微推出超低內阻、超低失真4PST模擬開關
- 一“芯”雙電!聖邦微電子發布雙輸出電源芯片,簡化AFE與音頻設計
- 一機適配萬端:金升陽推出1200W可編程電源,賦能高端裝備製造
技術文章更多>>
- 貿澤EIT係列新一期,探索AI如何重塑日常科技與用戶體驗
- 算力爆發遇上電源革新,大聯大世平集團攜手晶豐明源線上研討會解鎖應用落地
- 創新不止,創芯不已:第六屆ICDIA創芯展8月南京盛大啟幕!
- AI時代,為什麼存儲基礎設施的可靠性決定數據中心的經濟效益
- 築基AI4S:摩爾線程全功能GPU加速中國生命科學自主生態
技術白皮書下載更多>>
- 車規與基於V2X的車輛協同主動避撞技術展望
- 數字隔離助力新能源汽車安全隔離的新挑戰
- 汽車模塊拋負載的解決方案
- 車用連接器的安全創新應用
- Melexis Actuators Business Unit
- Position / Current Sensors - Triaxis Hall
熱門搜索





