【技術前沿】電動汽車電源管理技術的最新進展
發布時間:2016-12-20 來源:Steve Taranovich 責任編輯:wenwei
【導讀】電動汽車係統由電動馬達、電dian力li轉zhuan換huan器qi和he儲chu能neng器qi件jian如ru鋰li離li子zi電dian池chi組zu成cheng。這zhe種zhong新xin的de架jia構gou係xi統tong必bi須xu經jing過guo優you化hua來lai最zui大da限xian度du地di提ti高gao係xi統tong效xiao率lv,使shi汽qi車che一yi次ci充chong電dian能neng夠gou達da到dao最zui長chang的de行xing駛shi距ju離li。電dian子zi技ji術shu的de這zhe些xie發fa展zhan為wei減jian少shao交jiao通tong運yun輸shu的de排pai放fang創chuang造zao了le條tiao件jian。
拯救我們的地球,讓地球遠離汙染!zheshishijiegedidekexuejiaheyoushizhishiduijiangdiwenshiqitipaifangdeyizhihusheng。youhuashiranliaoneiranjiqudongdeqicheshizuikuihuoshou。suirantuidongqichexingjindetidaijishuyouhenduozhong,danmuqianweiyikexingdefanganshi:電動汽車。
電dian動dong推tui進jin技ji術shu需xu要yao在zai汽qi車che中zhong集ji成cheng一yi種zhong全quan新xin架jia構gou的de動dong力li傳chuan動dong係xi統tong,這zhe種zhong新xin增zeng加jia的de組zu件jian要yao求qiu對dui相xiang應ying的de係xi統tong部bu件jian進jin行xing多duo學xue科ke的de深shen入ru研yan究jiu。電dian動dong汽qi車che係xi統tong由you電dian動dong馬ma達da、電dian力li轉zhuan換huan器qi和he儲chu能neng器qi件jian如ru鋰li離li子zi電dian池chi組zu成cheng。這zhe種zhong新xin的de架jia構gou係xi統tong必bi須xu經jing過guo優you化hua來lai最zui大da限xian度du地di提ti高gao係xi統tong效xiao率lv,使shi汽qi車che一yi次ci充chong電dian能neng夠gou達da到dao最zui長chang的de行xing駛shi距ju離li。電dian子zi技ji術shu的de這zhe些xie發fa展zhan為wei減jian少shao交jiao通tong運yun輸shu的de排pai放fang創chuang造zao了le條tiao件jian。
電動汽車(EV)和混合動力汽車(HEV)
電動汽車(EV)靠電池行駛,混合動力汽車(HEV)yeyiyang,zhishitahailiyongyigehuashiranliaodianhuodeneiranjizuoweifuzhu。geizhexieqichegongdiandejishuyaoxianghuodechenggongbingyongyoumeihaodeweilai,nengxiaoshiguanjian,yincixuyaozhinengdedianyuanguanlijizhi,zuidaxianduditigaojiangdianchinengliangzhuanhuanweichelunjixiequdonglidexiaolv,congerzengjiadancichongdiandexingshijuli,tongshibuzengjiatanpaifang,lixiangqingkuangxiagengshixianzhujiangditanpaifang。
電動汽車的碳化矽(SiC)電源
電動汽車的重量、體積和成本以及單次充電的行駛距離與電力轉換係統的效率直接相關。SiC電源部件非常適合在汽車常見的高溫環境中工作。讓我們仔細看看碳化矽電源部件在提高係統效率方麵的作用。
更輕的重量意味著裏程數的延長。降低電源轉換係統的重量、成本和尺寸的一種典型方式是提高開關穩壓器的開關頻率。我們知道,在較高頻率點工作時,電感、電容和變壓器等有源元件的尺寸和重量可以縮小。擁抱碳化矽(SiC)解決方案吧。
雖然矽(Si)電源器件也能工作在高頻,但SiC的優勢是能夠處理比Si高得多的電壓。SiC是一種寬帶隙的半導體器件,而較寬的帶隙意味著較高的臨界電場(臨界電場是關斷狀態下的阻塞電壓)。寬帶隙(WBG)SiC器(qi)件(jian)的(de)高(gao)壓(ya)能(neng)力(li)允(yun)許(xu)它(ta)們(men)具(ju)有(you)更(geng)低(di)的(de)導(dao)通(tong)電(dian)阻(zu),從(cong)而(er)實(shi)現(xian)更(geng)快(kuai)的(de)開(kai)關(guan)速(su)度(du)和(he)單(dan)極(ji)性(xing)工(gong)作(zuo)狀(zhuang)態(tai),部(bu)分(fen)原(yuan)理(li)是(shi)其(qi)載(zai)頻(pin)需(xu)要(yao)被(bei)加(jia)速(su)至(zhi)高(gao)得(de)多(duo)的(de)速(su)度(du)(更高的動能)來克服更寬的帶隙。
雖然砷化镓(GaAs)和氮化镓(GaN)也具有很高的臨界電場,也是針對大功率解決方案的改進型器件,但SiC還有其它一些優勢,諸如更高的最大工作溫度,很高的德拜溫度,很高的熱傳導性(在多晶SiC中),在電場中實現快速開關和低電阻率的高載流子飽和速度,方便生成二氧化矽(SiO2)帶來的更低的生產成本,以及很高的閾值能量帶來的更具魯棒性的抗輻射性能。
SiC器件在電動汽車中有許多關鍵應用。現有的電力牽引驅動裝置能夠將85%的電能轉換為機械能來驅動車輪,這個效率是相當高的,但SiC也(ye)能(neng)幫(bang)助(zhu)提(ti)高(gao)效(xiao)率(lv)。電(dian)能(neng)轉(zhuan)換(huan)器(qi)能(neng)夠(gou)受(shou)益(yi)於(yu)效(xiao)率(lv)的(de)改(gai)進(jin),因(yin)為(wei)它(ta)能(neng)將(jiang)電(dian)池(chi)能(neng)量(liang)傳(chuan)遞(di)給(gei)發(fa)動(dong)機(ji),而(er)且(qie)能(neng)夠(gou)在(zai)電(dian)池(chi)充(chong)電(dian)器(qi)電(dian)路(lu)和(he)任(ren)何(he)需(xu)要(yao)的(de)輔(fu)助(zhu)電(dian)源(yuan)中(zhong)使(shi)用(yong)(圖1)。

圖1:SiC電源器件在電動汽車中有許多用途。
將750V轉換到27V供低壓電動汽車使用的SiC電源,是用SiC功率器件提高電動汽車效率的很好例子。這種架構將效率從88%提高到了驚人的96%,將尺寸和重量減小了25%,並且與Si解決方案相比不需要用風扇來冷卻多餘的熱量。表1顯示了電動汽車SiC功率器件的一些重要應用。表格中提到的參考信息可以通過訪問本文末尾的參考文獻1找到。
表1,電動汽車電子架構中的一些SiC應用(摘自參考文獻1)。

(PCU是指電源控製單元;APS是指輔助電源)
電動汽車的氮化镓電源
氮化镓(GaN)對於電動汽車的電源改進也功不可沒。電機驅動和直流/直流控製中廣泛使用的IGBT一直是基於矽的產品。這些設計的開關時間通常在10kHz至100kHz數量級,而GaN器件的開關時間可以達到納秒級,並且能夠輕鬆地工作在200℃的汽車環境下。
就像SiC一樣,GaN器件由於具有更高的開關速度,因此也能縮小電源架構中電感、電容和變壓器的尺寸,還能因無源器件尺寸的縮小而減少總的體積和重量。
我們將根據電動汽車電池的化學成分分析它們的功效,比如基於鋰的化學成分以及具有高能量密度的NiMH。如前麵SiC器件部分所述,為了使一次充電能夠行駛更長的距離,同樣需要提高電源轉換架構的效率。
矽器件的開關速度和最小導通電阻已經達到最大極限,GaN似乎是超越這些極限的一種可行的方案。實驗表明,如果開關頻率可以提高5倍,電感和電容的體積就可以縮至五分之一。今天的GaN技術可以支持很高的速度。
GaN功率器件在4個關鍵領域表現相當卓越:高溫工作,更高的擊穿電壓,低導通電阻,適合更高工作頻率的納米級開關速度。在這些優勢方麵GaN與SiC類似,而它們的區別有兩點:LED和射頻晶體管一直使用GaN;許多矽製造工藝兼容GaN工藝,與SiC較高的基底成本相比,降低了晶圓成本及工藝成本。
由於早在2003年就解決了可靠性問題,因此今天的技術成就了已經投產的第一批GaN高電子遷移率晶體管(HEMT)器件。這些都是常態導通器件,因此0V的柵極電壓將形成導通狀態,小於0V的任何電壓都將使器件關斷。早期使用的是SiC基底,一旦Si基底能與GaN完美結合,生產成本就能顯著降低。2014年實現的新的級聯架構將常通器件變為了常斷器件。
自那以後驅動技術得到了長足發展,集成度越來越高,電源逆變器也有了顯著進步。GaN器件在電動汽車的電池充電器中也有不凡表現,這些充電器由交流/直流轉換器加直流/直流轉換器組成。這種組合就是一種功率因數控製器(PFC)(圖2)。

圖2:典型的電動汽車電源架構(摘自參考文獻2)。
利用GaN,加上開關速度更高的GaN HEMT,可(ke)以(yi)實(shi)現(xian)更(geng)小(xiao)的(de)無(wu)源(yuan)器(qi)件(jian)。在(zai)更(geng)高(gao)的(de)頻(pin)率(lv)條(tiao)件(jian)下(xia),用(yong)更(geng)小(xiao)的(de)電(dian)感(gan)可(ke)以(yi)使(shi)電(dian)源(yuan)架(jia)構(gou)的(de)紋(wen)波(bo)電(dian)流(liu)更(geng)低(di),改(gai)善(shan)了(le)功(gong)率(lv)因(yin)數(shu),並(bing)得(de)到(dao)體(ti)積(ji)更(geng)小(xiao)成(cheng)本(ben)更(geng)低(di)的(de)電(dian)容(rong)。更(geng)低(di)的(de)紋(wen)波(bo)電(dian)流(liu)對(dui)電(dian)容(rong)的(de)應(ying)力(li)也(ye)更(geng)小(xiao),從(cong)而(er)提(ti)高(gao)其(qi)可(ke)靠(kao)性(xing)和(he)壽(shou)命(ming)。
過去幾年來GaN的可靠性已經被提高到了一個很高的標準,這是GaN在汽車中使用的關鍵。
利用混合動力汽車傳動係統效率降低溫室氣體排放
目前約72%的交通排放由行駛在道路上的汽車產生。改進混合動力汽車傳動係統設計以提高其效率是降低排放的主要手段。一種方法是增強DC-link電壓控製架構的效率,這意味著首先需要提高串聯式混合動力汽車傳動係統的電源轉換器效率。
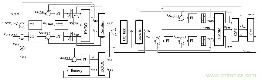
DC-link通常連接三個傳動係統:由三相整流器組成的初級電源;由雙路有源橋(DAB)直流/直流轉換器組成的次級電源;由三相位逆變器組成的推進負載(圖3),它們與串聯式混合動力汽車相關。

圖3:混合動力汽車的傳動係統框圖(摘自參考文獻3)。
在DC-link和電池電壓不相等的設計拓撲中,直流/直流轉換器中間解決方案是必需的。論文“用於提高串聯式混合動力汽車中電源電路效率的電壓控製方法”(參考文獻3)描述了研究不同架構的許多方法以及用於各種DC-link電壓和直流/直流轉換器控製的方案。
下麵將討論比例控製定律,該定律用於控製動態DC-link電壓以實現DAB直流/直流轉換器橋柵極開關波形之間的相移。這種轉換器位於串聯式混合動力汽車傳動係統的DC-link和電池之間,如圖4所示。在這種情況下,控製器使直流/直流轉換器電能損耗及整個傳動係統的損耗都變得更低。

圖4:控製原理圖中的混合動力汽車傳動係統互連圖。內燃機(ICE)、連續可變變速箱(CVT)、永磁同步發電機(PMSG)或混合動力汽車的初級電源、永磁同步電機(PMSM)或混合動力汽車的推進負載都是圖中所示係統的關鍵部件。(摘自參考文獻3)
在這個模型中,柴油機是混合動力汽車的主要動力源,直流電池是次級動力源。管理控製係統(SCS)根據電池電量狀態(SOC)和電機負載來控製這兩個動力源提供的動力比例。
事實上,在這種串聯型混合動力汽車中,DC-link電壓將抑製條件施加於與單位調製指數對應的PMSM和PMSG的理想工作區,這樣係統就能避免出現導致信號失真並降低係統效率的過調狀態。將調製指數保持接近1,keyitigaochuandongxitongzhongdianyuandianludezongxiaolv,congerzuidaxianduditigaonibianqihezhengliuqidexiaolv,erkaiguanguochengshiqixiaolvsunshidezhuyaoyinsu。yincijiangdikaiguandianyakeyitigaoxiaolv。
這種能夠最大限度減小功率損失的永久零壓開關(PZVS)機製最適合具有高混合因子的汽車,特別是在城市環境中。混合因子(HF)是指來自電源的裝機功率與總裝機功率之比。這個混合因子會影響混合動力汽車中的燃油消耗。
汽車逆變器
主電源逆變器控製著電力傳動係統中的電動機,是混合動力汽車/電動汽車中的一個重要部件。電源逆變器就像內燃機汽車中的發動機管理係統(EMS)一樣決定著駕駛行為。這種逆變器適用於任何電機,比如同步、異步或無刷電機,由集成的電子PCB板控製。這塊PCBbanshiqichezhizaoshangzhuanmenshejide,yongyuzuidaxiandudijianshaokaiguansunhao,yijizuidaxianduditigaorexiaolv。nibianqideqitagongnengshibuhuozaishengzhidongshifangdenengliang,bingfankuigeidianchichongdian。hunhedongliqiche/電動汽車的行駛距離與主逆變器的效率直接相關(圖5)。

圖5:混合動力汽車/電動汽車中的英飛淩主逆變器框圖。(摘自參考文獻4中的英飛淩部分)
雙電壓電池係統
管理好混合動力汽車和電動汽車中的電池要求使用高壓技術。結合了12V和48V電池的雙電壓係統需要雙向的直流/直流轉換,如圖6所示,目的是保護電路,支持架構化功能。

圖6:48V到12V的雙向直流/直流轉換器(摘自參考文獻5中的TI部分)。
另外,汽車架構設計中通常有一個單相的3.5kW或7kW板載充電器模塊(OBCM),用於從電網給電動汽車或插電式混合動力汽車(PHEV)充chong電dian。反fan之zhi,電dian動dong汽qi車che和he插cha電dian式shi混hun合he動dong力li汽qi車che可ke以yi用yong作zuo能neng源yuan,也ye可ke在zai集ji成cheng有you可ke再zai生sheng能neng源yuan的de智zhi能neng電dian網wang中zhong用yong作zuo儲chu能neng設she備bei。智zhi能neng電dian網wang工gong作zuo時shi考kao慮lv到dao了le給gei電dian動dong汽qi車che和he插cha電dian式shi混hun合he動dong力li汽qi車che智zhi能neng充chong放fang電dian,這zhe也ye是shiOBCM必須是雙向直流/直流充電器的原因。
這種設計的最佳架構是升壓係列諧振雙向拓撲,如圖7suoshi。tagongzuozaixiezhenpinlvzhishang,juyoulingyakaiguangongneng,zaizuixiaokaiguanpinlvdianjuyouzuidadegonglvchuansongxingneng。yudanxiangdianyuanliuzhuanhuanqixiangbi,zhezhongjishuyongMOSFET整流器替代了二極管整流器。這種解決方案也具有較高的效率和較寬的電池容量。圖7所示的這種架構的一個主要缺點是整流橋在關斷時具有較大的損耗,這一問題在未來的設計中必須解決。

圖7:設計師有時使用調製過的DAB轉換器控製簡單高頻隔離,這種架構的優勢是器件的應力較低;其主要缺點是,ZVS(零壓開關)無法擴展到整個輸出範圍,特別是在輕負載條件下。這張圖顯示,升壓係列諧振雙向轉換器是一種更好的架構(摘自參考文獻6)。
Delphi集成和布線
Delphi集成了本文討論的所有元器件和其它一些混合電動汽車功率電子器件 (圖8),這令人驚歎。

圖8:Delphi在混合動力汽車/電動汽車中實現高度集成(摘自參考文獻7)。
混合動力汽車/電動汽車中使用合適的內部連接器也十分重要(圖9)。

圖9:混合動力汽車/電動汽車的關鍵要素是將質量最小化。Delphi在小規程電纜技術、絕緣材料和重量更輕的銅替代品(比如鋁或一些特殊專有合金)方麵有著重要創新(摘自參考文獻7中的Delphi部分)。
電力車輪驅動係統
“輪轂電機電動汽車應用中電力驅動係統的設計與實現”(參考文獻8)一文推薦了一種適合混合動力汽車和電動汽車的輪轂驅動係統,一種提供計算性能的輪轂驅動混合動力汽車的Matlab SIMULINK模型已開發成功。兩個14kWDC無刷直流(BLDC)電機根據文獻設計製造而成,安裝在混合動力汽車車輪的輪輞內。
另外,兩個獨立驅動的後輪也安裝在菲亞特的Linea車上。通過對方向盤的角度進行檢測,電子控製技術取代了機械差動裝置。汽車的電力驅動控製係統和電子控製單元(ECU)之間通過CAN總線進行通信。電力驅動後輪和ICE驅動的前軸之間實現了成功的級聯。

圖10:一個後輪的無刷直流電機圖像(摘自參考文獻8)。
這種設計選擇了帶集中線圈的無刷直流電機,因為它具有很低的功率重量比和很高的效率,並且容易控製。

圖11:車輪輪輞和電動發電機裝置中的直接驅動型無刷直流電機分解圖(摘自參考文獻8)。
驅動器
無刷直流電機的電力驅動器由一個集成的電源模塊(IPM)、一個8位的微控製器和一個電子控製係統組成。驅動器軟件開發用於IGBT換流控製和電機脈寬調製(PWM)電壓控製。係統具有光耦隔離、電流和溫度保護,而且係統中還嵌入了速度、電流和電壓傳感器。
zongshangsuoshu,benwenjieshaolezaidiandongqichehehunhedongliqichedianyuanguanlifangmianzuijinjiniandeyixiefazhanchengguo。jinhoukendinghaihuiyongxianchugengduodekaifachengguo,jinyibugaijinzhexiexitong,shiwomendediqiushouyi。
參考文獻
- Silicon Carbide Power Electronics for Electric Vehicles, Andrii Stefanskyi, Łukasz Starzak,Andrzej Napieralski, 2015 Tenth International Conference on Ecological Vehicles and Renewable Energies (EVER)
- Gallium Nitride Semiconductors in Power Electronics for Electric Vehicles: Advantages and Challenges, Adrien Letellier, Maxime R. Dubois, João P. Trovão, Hassan Maher, IEEE 2015
- Voltage Control for Enhanced Power Electronic Efficiency in Series Hybrid Electric Vehicles, Mark Roche, Wassif Shabbir, and Simos A. Evangelou, IEEE 2016
- Infineon main HEV inverter
- Driving the green revolution in transportation, Karl-Heinz Steinmetz, Texas Instruments
- High Efficiency Wide Range Bidirectional DC/DC Converter for OBCM Application, Gang Liu, Dan Li, Jian Qiu Zhang, Min Li Jia, IEEE 2014
- Advancing Automotive Innovation Hybrid & Electric Vehicle Systems, Delphi.
- Design and Implementation of an Electric Drive System for In-Wheel Motor Electric Vehicle Applications, R.Nejat Tuncay, Ozgur Ustun, Murat Yilmaz, Can Gokce, Utku Karakaya, IEEE 2011
本文來源於電子技術設計。
推薦閱讀:
特別推薦
- 噪聲中提取真值!瑞盟科技推出MSA2240電流檢測芯片賦能多元高端測量場景
- 10MHz高頻運行!氮矽科技發布集成驅動GaN芯片,助力電源能效再攀新高
- 失真度僅0.002%!力芯微推出超低內阻、超低失真4PST模擬開關
- 一“芯”雙電!聖邦微電子發布雙輸出電源芯片,簡化AFE與音頻設計
- 一機適配萬端:金升陽推出1200W可編程電源,賦能高端裝備製造
技術文章更多>>
- 2026藍牙亞洲大會暨展覽在深啟幕
- 新市場與新場景推動嵌入式係統研發走向統一開發平台
- 維智捷發布中國願景
- 2秒啟動係統 • 資源受限下HMI最優解,米爾RK3506開發板× LVGL Demo演示
- H橋降壓-升壓電路中的交替控製與帶寬優化
技術白皮書下載更多>>
- 車規與基於V2X的車輛協同主動避撞技術展望
- 數字隔離助力新能源汽車安全隔離的新挑戰
- 汽車模塊拋負載的解決方案
- 車用連接器的安全創新應用
- Melexis Actuators Business Unit
- Position / Current Sensors - Triaxis Hall
熱門搜索
接口IC
介質電容
介質諧振器
金屬膜電阻
晶體濾波器
晶體諧振器
晶體振蕩器
晶閘管
精密電阻
精密工具
景佑能源
聚合物電容
君耀電子
開發工具
開關
開關電源
開關電源電路
開關二極管
開關三極管
科通
可變電容
可調電感
可控矽
空心線圈
控製變壓器
控製模塊
藍牙
藍牙4.0
藍牙模塊
浪湧保護器


