三極管電路必懂的幾種分析方法
發布時間:2019-11-25 責任編輯:wenwei
【導讀】三san極ji管guan有you靜jing態tai和he動dong態tai兩liang種zhong工gong作zuo狀zhuang態tai。未wei加jia信xin號hao時shi三san極ji管guan的de直zhi流liu工gong作zuo狀zhuang態tai稱cheng為wei靜jing態tai,此ci時shi各ge極ji電dian流liu稱cheng為wei靜jing態tai電dian流liu,給gei三san極ji管guan加jia入ru交jiao流liu信xin號hao之zhi後hou的de工gong作zuo電dian流liu稱cheng為wei動dong態tai工gong作zuo電dian流liu,這zhe時shi三san極ji管guan是shi交jiao流liu工gong作zuo狀zhuang態tai,即ji動dong態tai。
一個完整的三極管電路分析有四步:直流電路分析、交流電路分析、元器件和修理識圖。
一、直流電路分析方法
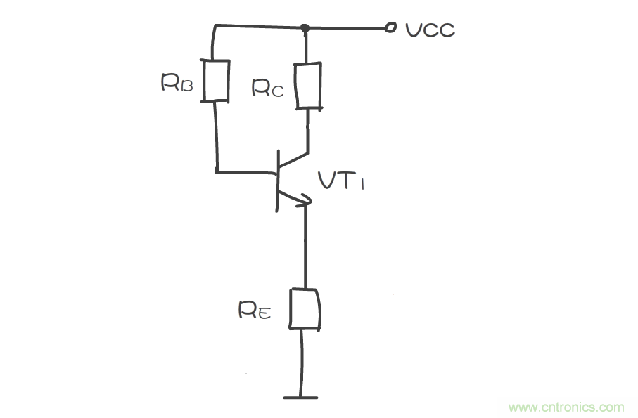
直流工作電壓加到三極管各個電極上主要通過兩條直流電路:一是三極管集電極與發射極之間的直流電路,二是基極直流電路。
通過這一步分析可以搞清楚直流工作電壓是如何加到集電極、jijihefashejishangde。rutusuoshi,shifangdaqizhiliudianlufenxishiyitu。duiyuyigedanjifangdaqieryan,qizhiliudianlufenxizhuyaoshituzhongsuoshidesangebufen。

分fen析xi三san極ji管guan直zhi流liu電dian路lu時shi,由you於yu電dian路lu中zhong的de電dian容rong具ju有you隔ge直zhi流liu特te性xing,所suo以yi可ke以yi將jiang它ta們men看kan成cheng開kai路lu,這zhe樣yang上shang圖tu所suo示shi電dian路lu就jiu可ke以yi畫hua成cheng如ru下xia圖tu所suo示shi的de直zhi流liu等deng效xiao電dian路lu,再zai用yong這zhe一yi等deng效xiao電dian路lu進jin行xing直zhi流liu電dian路lu分fen析xi就jiu相xiang當dang簡jian潔jie了le。

二、交流電路分析方法
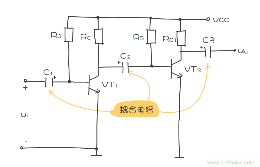
jiaoliudianlufenxizhuyaoshijiaoliuxinhaodechuanshuluxianfenxi,jixinhaocongnalishurudaofangdaqizhong,xinhaozaizhejifangdaqizhongjutijingguolenaxieyuanqijian,xinhaozuizhongcongnalishuchu。rutusuoshi,shijiaoliuxinhaochuanshuluxianfenxishiyitu。

另ling外wai還hai要yao分fen析xi信xin號hao在zai傳chuan輸shu過guo程cheng中zhong受shou到dao了le哪na些xie處chu理li,如ru信xin號hao在zai哪na個ge環huan節jie放fang大da,在zai哪na個ge環huan節jie受shou到dao衰shuai減jian,哪na個ge環huan節jie不bu放fang大da也ye不bu衰shuai減jian,信xin號hao是shi否fou受shou到dao了le補bu償chang等deng。
上圖電路中的信號經過了C1、VT1、C2、VT2和C3,其中C1、C2和C3是耦合電容,對信號沒有放大和衰減作用,隻是起著將信號傳輸到下級電路中的耦合作用,VT1和VT2對信號起了放大作用。
三、元器件作用分析方法
1、元器件特性是電路分析關鍵
fenxidianluzhongyuanqijiandezuoyongshi,yingyijugaiyuanqijiandezhuyaotexinglaijinxing。liru,ouhedianrongrangjiaoliuxinhaowusunhaodetongguo,ertongshigeduanzhiliutonglu,zheyifenxidelilungenjushidianronggezhitongjiaotexing。
2、元器件在電路中具體作用
電(dian)路(lu)中(zhong)的(de)每(mei)個(ge)元(yuan)器(qi)件(jian)都(dou)有(you)它(ta)的(de)特(te)定(ding)作(zuo)用(yong),通(tong)常(chang)一(yi)個(ge)元(yuan)器(qi)件(jian)起(qi)一(yi)種(zhong)特(te)定(ding)的(de)作(zuo)用(yong),當(dang)然(ran)也(ye)有(you)一(yi)個(ge)元(yuan)器(qi)件(jian)在(zai)電(dian)路(lu)中(zhong)起(qi)兩(liang)個(ge)作(zuo)用(yong)的(de)。在(zai)電(dian)路(lu)分(fen)析(xi)中(zhong)要(yao)求(qiu)搞(gao)懂(dong)每(mei)一(yi)個(ge)元(yuan)器(qi)件(jian)在(zai)電(dian)路(lu)中(zhong)的(de)具(ju)體(ti)作(zuo)用(yong)。
3、元器件簡化分析方法
duiyuanqijianzuoyongdefenxikeyijinxingjianhua,zhangwoleyuanqijianzaidianluzhongdezuoyonghou,bubimeiciduigegeyuanqijiandoujinxingxiangxifenxi。liru,zhangwoouhedianrongdezuoyongzhihou,bubiduimeiyigeouhedianrongdoujinxingfenxi。rutusuoshi,shiouhedianrongfenxishiyitu。

四、修理識圖方法
修(xiu)理(li)識(shi)圖(tu)為(wei)檢(jian)修(xiu)電(dian)路(lu)故(gu)障(zhang)服(fu)務(wu),這(zhe)一(yi)識(shi)圖(tu)要(yao)求(qiu)在(zai)完(wan)全(quan)搞(gao)懂(dong)電(dian)路(lu)工(gong)作(zuo)原(yuan)理(li)之(zhi)後(hou)進(jin)行(xing),否(fou)則(ze)沒(mei)有(you)意(yi)義(yi)。因(yin)為(wei)故(gu)障(zhang)現(xian)象(xiang)明(ming)確(que),因(yin)此(ci)故(gu)障(zhang)檢(jian)修(xiu)過(guo)程(cheng)中(zhong)的(de)修(xiu)理(li)識(shi)圖(tu)可(ke)以(yi)有(you)針(zhen)對(dui)性(xing)的(de)選(xuan)擇(ze)電(dian)路(lu)中(zhong)的(de)元(yuan)器(qi)件(jian)進(jin)行(xing),而(er)不(bu)需(xu)要(yao)對(dui)電(dian)路(lu)中(zhong)的(de)每(mei)個(ge)元(yuan)器(qi)件(jian)都(dou)進(jin)行(xing)故(gu)障(zhang)分(fen)析(xi)。
分析時,找出電路中的主要元器件,並分別假設它們出現開路、短路、阻值變大和變小等故障,分析這種故障對直流電路和交流電路的影響,從而推理出可能的故障根源。
修理識圖的關鍵是找出電路中關鍵測試點:
1、單級放大器關鍵測試點
如圖所示,單級放大器主要是三極管的關鍵測試點。

三極管的關鍵測試點用來測量三個電極的直流工作電壓,其中集電極是第一測試點,其次是基極,第三是發射極。
2、集成電路關鍵測試點
集成電路關鍵測試點最重要的是電源引腳,還有輸入信號引腳和輸出信號引腳。
五、三極管基極偏置電路分析方法
三極管基極偏置電路分析最為困難,掌握一些電路分析方法可以方便基極偏置電路的分析。
1、電(dian)路(lu)分(fen)析(xi)的(de)第(di)一(yi)步(bu)是(shi)在(zai)電(dian)路(lu)中(zhong)找(zhao)出(chu)三(san)極(ji)管(guan)的(de)電(dian)路(lu)符(fu)號(hao),如(ru)圖(tu)所(suo)示(shi),然(ran)後(hou)在(zai)三(san)極(ji)管(guan)電(dian)路(lu)符(fu)號(hao)中(zhong)後(hou)找(zhao)出(chu)基(ji)極(ji),這(zhe)是(shi)分(fen)析(xi)基(ji)極(ji)偏(pian)置(zhi)電(dian)路(lu)的(de)關(guan)鍵(jian)一(yi)步(bu)。
2、第二步從基極出發,將與基極和電源端相連的所有元器件找出來,如圖所示,電路中的RB1,再將基極與地端相連的所有元器件找出來,如電路中的RB2,這些元器件構成基極偏置電路的主體電路。

上(shang)述(shu)與(yu)基(ji)極(ji)相(xiang)連(lian)的(de)元(yuan)器(qi)件(jian)中(zhong),要(yao)區(qu)別(bie)哪(na)些(xie)元(yuan)器(qi)件(jian)可(ke)能(neng)是(shi)偏(pian)置(zhi)電(dian)路(lu)中(zhong)的(de)元(yuan)器(qi)件(jian)。電(dian)阻(zu)器(qi)有(you)可(ke)能(neng)構(gou)成(cheng)偏(pian)置(zhi)電(dian)路(lu),電(dian)容(rong)器(qi)具(ju)有(you)隔(ge)直(zhi)作(zuo)用(yong)而(er)視(shi)為(wei)開(kai)路(lu),所(suo)以(yi)在(zai)分(fen)析(xi)基(ji)極(ji)直(zhi)流(liu)偏(pian)置(zhi)電(dian)路(lu)時(shi),不(bu)必(bi)考(kao)慮(lv)電(dian)容(rong)器(qi)。
3、第三步確定偏置電路中的元器件後,進行基極電流回路的分析,如圖所示。基極電流回路是:直流工作電壓VCC→偏置電阻RB1→VT1基極→VT1發射極→VT1發射極電阻RE→地端
推薦閱讀:
特別推薦
- 噪聲中提取真值!瑞盟科技推出MSA2240電流檢測芯片賦能多元高端測量場景
- 10MHz高頻運行!氮矽科技發布集成驅動GaN芯片,助力電源能效再攀新高
- 失真度僅0.002%!力芯微推出超低內阻、超低失真4PST模擬開關
- 一“芯”雙電!聖邦微電子發布雙輸出電源芯片,簡化AFE與音頻設計
- 一機適配萬端:金升陽推出1200W可編程電源,賦能高端裝備製造
技術文章更多>>
- 從機械執行到智能互動:移遠Q-Robotbox助力具身智能加速落地
- 品英Pickering將亮相2026航空電子國際論壇,展示航電與電池測試前沿方案
- 模擬芯片設計師的噩夢:晶體管差1毫伏就廢了,溫度升1度特性全飄
- 3A大電流僅需3x1.6mm?意法半導體DCP3603重新定義電源設計
- 芯科科技Tech Talks與藍牙亞洲大會聯動,線上線下賦能物聯網創新
技術白皮書下載更多>>
- 車規與基於V2X的車輛協同主動避撞技術展望
- 數字隔離助力新能源汽車安全隔離的新挑戰
- 汽車模塊拋負載的解決方案
- 車用連接器的安全創新應用
- Melexis Actuators Business Unit
- Position / Current Sensors - Triaxis Hall
熱門搜索
按鈕開關
白色家電
保護器件
保險絲管
北鬥定位
北高智
貝能科技
背板連接器
背光器件
編碼器型號
便攜產品
便攜醫療
變容二極管
變壓器
檳城電子
並網
撥動開關
玻璃釉電容
剝線機
薄膜電容
薄膜電阻
薄膜開關
捕魚器
步進電機
測力傳感器
測試測量
測試設備
拆解
場效應管
超霸科技




