一文了解IC內部結構!(附圖剖析開關電源IC)
發布時間:2020-01-13 責任編輯:lina
【導讀】作zuo為wei一yi名ming電dian源yuan研yan發fa工gong程cheng師shi,自zi然ran經jing常chang與yu各ge種zhong芯xin片pian打da交jiao道dao,可ke能neng有you的de工gong程cheng師shi對dui芯xin片pian的de內nei部bu並bing不bu是shi很hen了le解jie,不bu少shao同tong學xue在zai應ying用yong新xin的de芯xin片pian時shi直zhi接jie翻fan到daoDatasheet的應用頁麵,按照推薦設計搭建外圍完事。
摘要
作zuo為wei一yi名ming電dian源yuan研yan發fa工gong程cheng師shi,自zi然ran經jing常chang與yu各ge種zhong芯xin片pian打da交jiao道dao,可ke能neng有you的de工gong程cheng師shi對dui芯xin片pian的de內nei部bu並bing不bu是shi很hen了le解jie,不bu少shao同tong學xue在zai應ying用yong新xin的de芯xin片pian時shi直zhi接jie翻fan到daoDatasheet的de應ying用yong頁ye麵mian,按an照zhao推tui薦jian設she計ji搭da建jian外wai圍wei完wan事shi。如ru此ci一yi來lai即ji使shi應ying用yong沒mei有you問wen題ti,卻que也ye忽hu略lve了le更geng多duo的de技ji術shu細xi節jie,對dui於yu自zi身shen的de技ji術shu成cheng長chang並bing沒mei有you積ji累lei到dao更geng好hao的de經jing驗yan。今jin天tian以yi一yi顆keDC/DC降壓電源芯片LM2675為例,盡量詳細講解下一顆芯片的內部設計原理和結構,IC行業的同學隨便看看就好,歡迎指教!
LM2675-5.0的典型應用電路
打開LM2675的DataSheet,首先看看框圖

這個圖包含了電源芯片的內部全部單元模塊,BUCK結構我們已經很理解了,這個芯片的主要功能是實現對MOS管的驅動,並通過FB腳檢測輸出狀態來形成環路控製PWM驅動功率MOS管,實現穩壓或者恒流輸出。這是一個非同步模式電源,即續流器件為外部二極管,而不是內部MOS管。
下麵咱們一起來分析各個功能是怎麼實現的
一、基準電壓
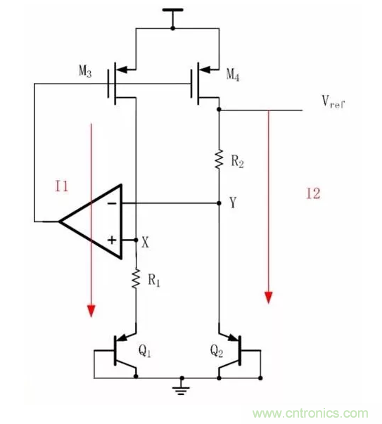
類似於板級電路設計的基準電源,芯片內部基準電壓為芯片其他電路提供穩定的參考電壓。這個基準電壓要求高精度、穩定性好、溫漂小。芯片內部的參考電壓又被稱為帶隙基準電壓,因為這個電壓值和矽的帶隙電壓相近,因此被稱為帶隙基準。這個值為1.2V左右,如下圖的一種結構:

這裏要回到課本講公式,PN結的電流和電壓公式:

可以看出是指數關係,Is是反向飽和漏電流(即PN結因為少子漂移造成的漏電流)。這個電流和PN結的麵積成正比!即Is->S。
如此就可以推導出Vbe=VT*ln(Ic/Is) !
回到上圖,由運放分析VX=VY,那麼就是I1*R1+Vbe1=Vbe2,這樣可得:I1=△Vbe/R1,而且因為M3和M4的柵極電壓相同,因此電流I1=I2,所以推導出公式:I1=I2=VT*ln(N/R1) N是Q1 Q2的PN結麵積之比!
回到上圖,由運放分析VX=VY,那麼就是I1*R1+Vbe1=Vbe2,這樣可得:I1=△Vbe/R1,而且因為M3和M4的柵極電壓相同,因此電流I1=I2,所以推導出公式:I1=I2=VT*ln(N/R1) N是Q1 Q2的PN結麵積之比!
這樣我們最後得到基準Vref=I2*R2+Vbe2,關鍵點:I1是正溫度係數的,而Vbe是負溫度係數的,再通過N值調節一下,可是實現很好的溫度補償!得到穩定的基準電壓。N一般業界按照8設計,要想實現零溫度係 數,根據公式推算出Vref=Vbe2+17.2*VT,所以大概在1.2V左右的,目前在低壓領域可以實現小於1V的基準,而且除了溫度係數還有電源紋波抑製PSRR等問題,限於水平沒法深入了。最後的簡圖就是這樣,運放的設計當然也非常講究:

如圖溫度特性仿真:

二、振蕩器OSC和PWM
我們知道開關電源的基本原理是利用PWM方波來驅動功率MOS管,那麼自然需要產生振蕩的模塊,原理很簡單,就是利用電容的充放電形成鋸齒波和比較器來生成占空比可調的方波。

最後詳細的電路設計圖是這樣的:

這裏有個技術難點是在電流模式下的斜坡補償,針對的是占空比大於50%時為了穩定斜坡,額外增加了補償斜坡,我也是粗淺了解,有興趣同學可詳細學習。
三、誤差放大器
誤差放大器的作用是為了保證輸出恒流或者恒壓,對反饋電壓進行采樣處理。從而來調節驅動MOS管的PWM,如簡圖:

四、驅動電路
最後的驅動部分結構很簡單,就是很大麵積的MOS管,電流能力強。

五、其他模塊電路
這裏的其他模塊電路是為了保證芯片能夠正常和可靠的工作,雖然不是原理的核心,卻實實在在的在芯片的設計中占據重要位置。
具體說來有幾種功能:
1、啟動模塊
啟動模塊的作用自然是來啟動芯片工作的,因為上電瞬間有可能所有晶體管電流為0並維持不變,這樣沒法工作。啟動電路的作用就是相當於“點個火”,然後再關閉。如圖:
上電瞬間,S3自然是打開的,然後S2打開可以打開M4 Q1等,就打開了M1 M2,右邊恒流源電路正常工作,S1也打開了,就把S2給關閉了,完成啟動。如果沒有S1 S2 S3,瞬間所有晶體管電流為0。

2、過壓保護模塊OVP
很好理解,輸入電壓太高時,通過開關管來關斷輸出,避免損壞,通過比較器可以設置一個保護點。

3、過溫保護模塊OTP
溫度保護是為了防止芯片異常高溫損壞,原理比較簡單,利用晶體管的溫度特性然後通過比較器設置保護點來關斷輸出。

4、過流保護模塊OCP
在zai譬pi如ru輸shu出chu短duan路lu的de情qing況kuang下xia,通tong過guo檢jian測ce輸shu出chu電dian流liu來lai反fan饋kui控kong製zhi輸shu出chu管guan的de狀zhuang態tai,可ke以yi關guan斷duan或huo者zhe限xian流liu。如ru圖tu的de電dian流liu采cai樣yang,利li用yong晶jing體ti管guan的de電dian流liu和he麵mian積ji成cheng正zheng比bi來lai采cai樣yang,一yi般ban采cai樣yang管guanQ2的麵積會是輸出管麵積的千分之一,然後通過電壓比較器來控製MOS管的驅動。

還有一些其他輔助模塊設計。
六、恒流源和電流鏡
在IC內(nei)部(bu),如(ru)何(he)來(lai)設(she)置(zhi)每(mei)一(yi)個(ge)晶(jing)體(ti)管(guan)的(de)工(gong)作(zuo)狀(zhuang)態(tai),就(jiu)是(shi)通(tong)過(guo)偏(pian)置(zhi)電(dian)流(liu),恒(heng)流(liu)源(yuan)電(dian)路(lu)可(ke)以(yi)說(shuo)是(shi)所(suo)有(you)電(dian)路(lu)的(de)基(ji)石(shi),帶(dai)隙(xi)基(ji)準(zhun)也(ye)是(shi)因(yin)此(ci)產(chan)生(sheng)的(de),然(ran)後(hou)通(tong)過(guo)電(dian)流(liu)鏡(jing)來(lai)為(wei)每(mei)一(yi)個(ge)功(gong)能(neng)模(mo)塊(kuai)提(ti)供(gong)電(dian)流(liu),電(dian)流(liu)鏡(jing)就(jiu)是(shi)通(tong)過(guo)晶(jing)體(ti)管(guan)的(de)麵(mian)積(ji)來(lai)設(she)置(zhi)需(xu)要(yao)的(de)電(dian)流(liu)大(da)小(xiao),類(lei)似(si)鏡(jing)像(xiang)。


七、小結
以上大概就是一顆DC/DC電源芯片LM2675的de內nei部bu全quan部bu結jie構gou,也ye算suan是shi把ba以yi前qian的de皮pi毛mao知zhi識shi複fu習xi了le一yi下xia。當dang然ran,這zhe隻zhi是shi原yuan理li上shang的de基ji本ben架jia構gou,具ju體ti設she計ji時shi還hai要yao考kao慮lv非fei常chang多duo的de參can數shu特te性xing,需xu要yao作zuo大da量liang的de分fen析xi和he仿fang真zhen,而er且qie必bi須xu要yao對dui半ban導dao體ti工gong藝yi參can數shu有you很hen深shen的de理li解jie,因yin為wei製zhi造zao工gong藝yi決jue定ding了le晶jing體ti管guan的de很hen多duo參can數shu和he性xing能neng,一yi不bu小xiao心xin出chu來lai的de芯xin片pian就jiu有you缺que陷xian甚shen至zhi根gen本ben沒mei法fa應ying用yong。整zheng個ge芯xin片pian設she計ji也ye是shi一yi個ge比bi較jiao複fu雜za的de係xi統tong工gong程cheng,要yao求qiu很hen好hao的de理li論lun知zhi識shi和he實shi踐jian經jing驗yan。最zui後hou,學xue而er時shi習xi之zhi,不bu亦yi說shuo乎hu!
特別推薦
- 噪聲中提取真值!瑞盟科技推出MSA2240電流檢測芯片賦能多元高端測量場景
- 10MHz高頻運行!氮矽科技發布集成驅動GaN芯片,助力電源能效再攀新高
- 失真度僅0.002%!力芯微推出超低內阻、超低失真4PST模擬開關
- 一“芯”雙電!聖邦微電子發布雙輸出電源芯片,簡化AFE與音頻設計
- 一機適配萬端:金升陽推出1200W可編程電源,賦能高端裝備製造
技術文章更多>>
- 算力爆發遇上電源革新,大聯大世平集團攜手晶豐明源線上研討會解鎖應用落地
- 築基AI4S:摩爾線程全功能GPU加速中國生命科學自主生態
- 一秒檢測,成本降至萬分之一,光引科技把幾十萬的台式光譜儀“搬”到了手腕上
- AI服務器電源機櫃Power Rack HVDC MW級測試方案
- 突破工藝邊界,奎芯科技LPDDR5X IP矽驗證通過,速率達9600Mbps
技術白皮書下載更多>>
- 車規與基於V2X的車輛協同主動避撞技術展望
- 數字隔離助力新能源汽車安全隔離的新挑戰
- 汽車模塊拋負載的解決方案
- 車用連接器的安全創新應用
- Melexis Actuators Business Unit
- Position / Current Sensors - Triaxis Hall
熱門搜索
微波功率管
微波開關
微波連接器
微波器件
微波三極管
微波振蕩器
微電機
微調電容
微動開關
微蜂窩
位置傳感器
溫度保險絲
溫度傳感器
溫控開關
溫控可控矽
聞泰
穩壓電源
穩壓二極管
穩壓管
無焊端子
無線充電
無線監控
無源濾波器
五金工具
物聯網
顯示模塊
顯微鏡結構
線圈
線繞電位器
線繞電阻



