直通功能開啟!這款效率高達99.9%控製器你值得擁有~
發布時間:2020-03-04 責任編輯:lina
【導讀】常見的DC-DC轉換器問題是:在輸入電壓可能高於、低於或等於輸出時生成穩壓電壓,也就是說,轉換器必須執行升壓和降壓操作。從標稱12 V電池為汽車電子供電,就是一個典型場景,從引擎冷啟動(低至3 V)到負載突降(高達100 V),或者因為操作員出錯導致出現反向電池電壓(電壓變化範圍相當廣泛)。
從SEPIC到4開關拓撲,有好幾種DC-DCzhuanhuanqituopukeyizhixingshengyahejiangyacaozuo,danzhexiejiejuefanganzhongmeiyourenheyigenenggouzaizhudongjihuokaiguandeqingkuang,zhijiejiangshurudianyashurudaoshuchu,xianzaiyiranshizheyang。
LT8210是一個同步降壓-升壓控製器,可以在直通 Pass-Thru™ 模式下運行,幫助消除EMI和開關損耗,並且最大化效率(高達99.9%)。當輸入電壓在用戶可編程窗口內時,直通功能直接將輸入傳遞到輸出端。LT8210的輸入電壓範圍在2.8 V到100 V之間,所以它的穩壓範圍從冷啟動期間的最低輸入電壓,一直到未受抑製的負載突降的峰值幅度。LT8210可以作為傳統的降壓-升壓控製器運行,支持引腳可選的連續導通模式(CCM)、脈衝跳躍或突發模式 Burst Mode® 運行,或者在直通模式中,輸出電壓可以根據編程窗口調節。當這個窗口中的輸入電壓在不主動開關FET的情況下被直接傳輸至輸出時,運行時 IQ 極低,且沒有開關噪聲。
直通操作模式
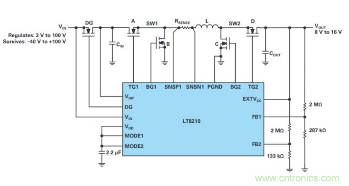
圖1顯示了簡化的LT8210示意圖,配置用於實施直通操作,輸出調節範圍為8 V至16 V。直通窗口的頂部電壓和底部電壓分別由FB2和FB1電阻分壓器設置。

圖2顯示了此電路的輸入/輸出傳輸特性。當輸入電壓高於直通窗口時,LT8210將其降低到穩定的16 V輸出。如果輸入電壓低於直通窗口,LT8210會增大該電壓,並將輸出保持在8 V。當輸入電壓在直通窗口範圍內時,頂部開關A和D保持開啟,使得輸出可以跟蹤輸入,且部件可以進入低功率狀態, VIN 和 VINP 引腳上的典型靜態電流分別為4 µA和18 µA。在這種非開關狀態下,既不存在EMI,也不存在開關損耗,因此效率可以達到99.9%以上。

圖2. 在直通輸入電壓窗口中,直通操作效率可以達到99.9%

圖3. 在直通模式下,LT8210會快速響應80 V未抑製負載突降脈衝,將輸出限製在可編程的16 V最大值。

圖4. 在直通模式下,LT8210通過增壓至可編程的8 V最小輸出電壓來響應冷啟動脈衝(<4 V)。

圖5. 直通區域的效率達到將近100%(與持續導通模式下的效率相比)。

圖6. LT8210在直通區域內具有超低靜態電流。
結論
對於DC-DC轉zhuan換huan器qi設she計ji人ren員yuan來lai說shuo,汽qi車che電dian池chi和he類lei似si的de寬kuan電dian壓ya範fan圍wei電dian源yuan都dou是shi較jiao為wei複fu雜za的de問wen題ti,它ta們men需xu要yao提ti供gong保bao護hu,且qie要yao求qiu能neng夠gou高gao效xiao進jin行xing降jiang壓ya和he升sheng壓ya轉zhuan換huan。LT8210同步降壓-升壓控製器將保護功能與輸入範圍廣泛的降壓-升壓轉換器和獨特的直通選項結合在一起,以消除這種複雜性。其工作電壓範圍在2.8 V和100 Vzhijian,tigongneizhifanxiangdianyabaohu。zhitongmoshibangzhuxiaochukaiguansunhaohezaosheng,tongshidadaochaodidejingtaidianliu。zaizhitongmoshixia,shuchudianyabuhuianchuantongfangshitiaojie,ershishoukebianchengdedianyachuangkouxianzhi。

免責聲明:本文為轉載文章,轉載此文目的在於傳遞更多信息,版權歸原作者所有。本文所用視頻、圖片、文字如涉及作品版權問題,請聯係小編進行處理。
特別推薦
- 噪聲中提取真值!瑞盟科技推出MSA2240電流檢測芯片賦能多元高端測量場景
- 10MHz高頻運行!氮矽科技發布集成驅動GaN芯片,助力電源能效再攀新高
- 失真度僅0.002%!力芯微推出超低內阻、超低失真4PST模擬開關
- 一“芯”雙電!聖邦微電子發布雙輸出電源芯片,簡化AFE與音頻設計
- 一機適配萬端:金升陽推出1200W可編程電源,賦能高端裝備製造
技術文章更多>>
- 貿澤EIT係列新一期,探索AI如何重塑日常科技與用戶體驗
- 算力爆發遇上電源革新,大聯大世平集團攜手晶豐明源線上研討會解鎖應用落地
- 創新不止,創芯不已:第六屆ICDIA創芯展8月南京盛大啟幕!
- AI時代,為什麼存儲基礎設施的可靠性決定數據中心的經濟效益
- 築基AI4S:摩爾線程全功能GPU加速中國生命科學自主生態
技術白皮書下載更多>>
- 車規與基於V2X的車輛協同主動避撞技術展望
- 數字隔離助力新能源汽車安全隔離的新挑戰
- 汽車模塊拋負載的解決方案
- 車用連接器的安全創新應用
- Melexis Actuators Business Unit
- Position / Current Sensors - Triaxis Hall
熱門搜索
微波功率管
微波開關
微波連接器
微波器件
微波三極管
微波振蕩器
微電機
微調電容
微動開關
微蜂窩
位置傳感器
溫度保險絲
溫度傳感器
溫控開關
溫控可控矽
聞泰
穩壓電源
穩壓二極管
穩壓管
無焊端子
無線充電
無線監控
無源濾波器
五金工具
物聯網
顯示模塊
顯微鏡結構
線圈
線繞電位器
線繞電阻




