精密逐次逼近型ADC基準電壓源設計
發布時間:2020-04-13 來源:Alan Walsh 責任編輯:wenwei
【導讀】高分辨率、逐次逼近型ADC的整體精度取決於精度、穩定性和其基準電壓源的驅動能力。ADC基準電壓輸入端的開關電容具有動態負載,因此基準電壓源電路必須能夠處理與時間和吞吐速率相關的電流。某些ADC片上集成基準電壓源和基準電壓源緩衝器,但這類器件在功耗或性能方麵可能並非最佳——通常使用外部基準電壓源電路才可達到最佳性能。本文探討基準電壓源電路設計中遇到的挑戰和要求。
基準電壓輸入
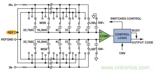
逐次逼近型ADC的簡化原理圖見圖1。采樣間隔期間,容性DAC連接至ADC輸入,並且與輸入電壓成比例的電荷被存儲在電容器中。轉換開始後,DAC從輸入端斷開。轉換算法逐個開關每一位至基準電壓或地。電容上的電荷再分配可導致電流流入或流出基準電壓源。動態電流負載是ADC吞吐速率和控製位檢驗的內部時鍾的函數。最高有效位(MSB)保持大部分的電荷,需要大部分電流。

圖1. 16位逐次接近型ADC原理簡化圖
圖2顯示AD7980、16位、1 MSPS、PulSAR®逐次逼近型ADC基準電壓輸入端的動態電流負載。通過觀察基準電壓源和基準電壓引腳之間500 Ω電阻上的電壓降,得出測量值。曲線顯示電流尖峰高達2.5 mA,並且在整個轉換期間分布著較小的尖峰。

圖2. AD7980動態基準電流
若要支持該電流,同時保持基準電壓的無噪聲特性,需在盡可能靠近基準電壓輸入放置一個高數值、低ESR的儲能電容,通常為10 µF或(huo)更(geng)大(da)。較(jiao)大(da)的(de)電(dian)容(rong)會(hui)進(jin)一(yi)步(bu)平(ping)滑(hua)電(dian)流(liu)負(fu)載(zai),並(bing)降(jiang)低(di)基(ji)準(zhun)電(dian)壓(ya)源(yuan)電(dian)路(lu)的(de)負(fu)擔(dan),但(dan)極(ji)大(da)的(de)電(dian)容(rong)會(hui)產(chan)生(sheng)穩(wen)定(ding)性(xing)問(wen)題(ti)。基(ji)準(zhun)電(dian)壓(ya)源(yuan)必(bi)須(xu)要(yao)能(neng)提(ti)供(gong)灌(guan)滿(man)基(ji)準(zhun)電(dian)容(rong)所(suo)需(xu)的(de)平(ping)均(jun)電(dian)流(liu),而(er)不(bu)會(hui)導(dao)致(zhi)基(ji)準(zhun)電(dian)壓(ya)下(xia)降(jiang)過(guo)大(da)。在(zai)ADC數據手冊中,基準輸入電流平均值通常在特定的吞吐速率下指定。例如,在AD7980數據手冊中,將1 MSPS下5 V基準電壓源的平均基準電流指定為330 µA典型值。兩次轉換之間不消耗電流,因此基準電流隨吞吐速率成線性變化,在100 kSPS時降至33 µA。基準電壓源——或基準電壓緩衝器——在最高的目標頻率下必須具有足夠低的輸出阻抗,以便在ADC輸入端保持電壓水平,使電壓不至於因為電流而產生太大的壓降。
基準電壓源輸出驅動
圖3xianshidianxingdejizhundianyayuandianlu。jizhundianyayuankejichengjuyouzugouqudongdianliudehuanchongqi,yekecaiyongshidangdeyunsuanfangdaqizuoweihuanchongqi。weibimianzhuanhuanwucha,tedingtuntusulvxiasuoxudepingjundianliubuyingshijizhundianyaxiajiangchaoguo½ LSB。該誤差在突發轉換中最為明顯,因為此吞吐速率下基準負載將從零變化到平均基準電流。

圖3. 典型精密逐次逼近型ADC基準電壓源電路
AD7980為16位ADC,其IREF = 330 µA , VREF = 5 V;使用該ADC作為確定基準電壓源是否具有足夠驅動能力的示例,則對於½ LSB壓降,最大允許輸出阻抗為:

大部分基準電壓源不指定輸出阻抗,但會指定負載調整率,通常以ppm/mA表示。將其乘以基準電壓並除以1000即可轉換為輸出阻抗。例如,"ADR435 超低噪聲XFET® 5-V 5 V基準電壓源指定流出電流時的最大負載調整率為15 ppm/mA。轉換為電阻,可得:
因此,就輸出阻抗而言,ADR435應該足夠了。它可流出的最大電流為10 mA,足夠處理330 µA的平均基準電流。當ADC輸入電壓超出基準電壓,哪怕隻有很短的一段時間,它也會向基準電壓源注入電流,因此基準電壓源必須要能吸取一定量的電流。圖4顯示ADC和基準電壓輸入之間的二極管連接,在輸入超量程條件下它可造成電流流入基準電壓源。與某些老的基準電壓源不同,ADR435能吸收10 mA電流。

圖4. AD7980模擬輸入結構
由於基準電流的參數要求與吞吐速率成線性關係,較低的吞吐速率或使用較低吞吐率的ADC(如500 kSPSAD7988-5 或100 kSPSAD7988-1 (IREF = 250 µA)時,可采用較高輸出阻抗(功耗較低)dejizhundianyayuan。tongguojiangdijizhundianliu,kesuanchuzuidashuchuzukang。qingzhuyi,zhexiegongshijinzuocankaozhunze,duixuanzedejizhundianyayuanbixuceshiyingjianqudongnengli。
當(dang)所(suo)選(xuan)基(ji)準(zhun)電(dian)壓(ya)源(yuan)的(de)驅(qu)動(dong)能(neng)力(li)不(bu)夠(gou)時(shi),或(huo)者(zhe)首(shou)選(xuan)微(wei)功(gong)耗(hao)基(ji)準(zhun)電(dian)壓(ya)源(yuan)時(shi),可(ke)使(shi)用(yong)基(ji)準(zhun)電(dian)壓(ya)緩(huan)衝(chong)器(qi)。可(ke)通(tong)過(guo)將(jiang)適(shi)當(dang)的(de)運(yun)算(suan)放(fang)大(da)器(qi)配(pei)置(zhi)為(wei)單(dan)位(wei)增(zeng)益(yi)而(er)實(shi)現(xian)。運(yun)算(suan)放(fang)大(da)器(qi)必(bi)須(xu)具(ju)有(you)低(di)噪(zao)聲(sheng)和(he)適(shi)當(dang)的(de)輸(shu)出(chu)驅(qu)動(dong)能(neng)力(li),並(bing)且(qie)要(yao)能(neng)夠(gou)穩(wen)定(ding)工(gong)作(zuo)在(zai)較(jiao)大(da)容(rong)性(xing)負(fu)載(zai)下(xia)。它(ta)還(hai)必(bi)須(xu)要(yao)能(neng)提(ti)供(gong)所(suo)需(xu)電(dian)流(liu)。通(tong)常(chang)不(bu)指(zhi)定(ding)運(yun)算(suan)放(fang)大(da)器(qi)的(de)輸(shu)出(chu)阻(zu)抗(kang),但(dan)一(yi)般(ban)可(ke)通(tong)過(guo)輸(shu)出(chu)阻(zu)抗(kang)與(yu)頻(pin)率(lv)的(de)關(guan)係(xi)圖(tu)確(que)定(ding),如(ru)圖(tu)5中的AD803180 MHz軌到軌運算放大器所示。

圖5. AD8031ROUT 與頻率
位於100 kHz以下,則輸出阻抗低於0.1 Ω;而直流時則低於0.05 Ω,因此就我們1 MSPS下驅動AD7980的(de)示(shi)例(li)而(er)言(yan),它(ta)是(shi)不(bu)錯(cuo)的(de)選(xuan)擇(ze)。在(zai)寬(kuan)頻(pin)率(lv)範(fan)圍(wei)內(nei)保(bao)持(chi)低(di)輸(shu)出(chu)阻(zu)抗(kang)對(dui)於(yu)驅(qu)動(dong)基(ji)準(zhun)電(dian)壓(ya)輸(shu)入(ru)而(er)言(yan)非(fei)常(chang)重(zhong)要(yao)。即(ji)便(bian)是(shi)較(jiao)大(da)的(de)電(dian)容(rong)值(zhi),儲(chu)能(neng)電(dian)容(rong)也(ye)永(yong)遠(yuan)無(wu)法(fa)消(xiao)除(chu)基(ji)準(zhun)電(dian)壓(ya)輸(shu)入(ru)端(duan)消(xiao)耗(hao)的(de)電(dian)流(liu)。電(dian)流(liu)紋(wen)波(bo)的(de)頻(pin)率(lv)成(cheng)分(fen)是(shi)吞(tun)吐(tu)速(su)率(lv)和(he)輸(shu)入(ru)信(xin)號(hao)帶(dai)寬(kuan)的(de)函(han)數(shu)。大(da)儲(chu)能(neng)電(dian)容(rong)處(chu)理(li)與(yu)吞(tun)吐(tu)速(su)率(lv)相(xiang)關(guan)的(de)高(gao)頻(pin)電(dian)流(liu),而(er)基(ji)準(zhun)電(dian)壓(ya)緩(huan)衝(chong)器(qi)必(bi)須(xu)能(neng)夠(gou)在(zai)最(zui)大(da)輸(shu)入(ru)信(xin)號(hao)頻(pin)率(lv)(或儲能電容阻抗變得足夠低,可提供所需電流的頻率)保持低阻抗。基準電壓源數據手冊中的典型曲線顯示輸出阻抗與頻率的關係,選擇基準電壓源時應加以考慮。
AD8031就是一個很好的選擇,它在容性負載大於10 µF時性能穩定。其它運算放大器(比如ADA4841也ye會hui在zai大da電dian容rong下xia穩wen定ding,因yin為wei它ta們men主zhu要yao驅qu動dong穩wen定ding的de直zhi流liu電dian平ping,但dan某mou些xie特te定ding的de運yun算suan放fang大da器qi必bi須xu測ce試shi確que定ding加jia載zai特te性xing。在zai電dian容rong之zhi前qian使shi用yong串chuan聯lian電dian阻zu以yi保bao持chi穩wen定ding並bing不bu是shi個ge好hao主zhu意yi,因yin為wei這zhe會hui增zeng加jia輸shu出chu阻zu抗kang。
以一個基準電壓源驅動多個ADC時,基準電壓緩衝器非常有用,比如圖6中顯示的同步采樣應用中的情形。

圖6. 基準電壓源電路驅動多個ADC
所有ADC基(ji)準(zhun)電(dian)壓(ya)輸(shu)入(ru)都(dou)有(you)各(ge)自(zi)的(de)儲(chu)能(neng)電(dian)容(rong),盡(jin)可(ke)能(neng)靠(kao)近(jin)基(ji)準(zhun)電(dian)壓(ya)輸(shu)入(ru)引(yin)腳(jiao)放(fang)置(zhi)。每(mei)條(tiao)從(cong)基(ji)準(zhun)電(dian)壓(ya)輸(shu)入(ru)出(chu)發(fa)的(de)走(zou)線(xian)經(jing)路(lu)由(you)後(hou)返(fan)回(hui)位(wei)於(yu)基(ji)準(zhun)電(dian)壓(ya)緩(huan)衝(chong)器(qi)輸(shu)出(chu)端(duan)的(de)星(xing)型(xing)連(lian)接(jie),最(zui)大(da)程(cheng)度(du)降(jiang)低(di)串(chuan)擾(rao)效(xiao)應(ying)。具(ju)有(you)低(di)輸(shu)出(chu)阻(zu)抗(kang)和(he)高(gao)輸(shu)出(chu)電(dian)流(liu)能(neng)力(li)的(de)基(ji)準(zhun)電(dian)壓(ya)緩(huan)衝(chong)器(qi)可(ke)驅(qu)動(dong)許(xu)多(duo)ADC,具體取決於電流要求。請注意,緩衝器必須要能在額外電容下穩定,該額外電容與多個基準電壓電容有關。
噪聲和溫度漂移
一旦確定了驅動能力,必須確保基準電壓源電路的噪聲不影響ADC性能。為了保持信噪比(SNR)和其它規格,必須將基準電壓源噪聲貢獻限定為ADC噪聲的一小部分(比較理想的是20%或更低)。AD7980集成5 V基準電壓源,額定SNR為91 dB。轉換為rms可得:

因此,基準電壓源電路應具有不超過10 µV rms的噪聲,以便最大程度減少對SNR造成的影響。基準電壓源和運算放大器的噪聲規格通常可分為兩部分:低頻噪聲(1/f)和寬帶噪聲。結合這兩部分可得到基準電壓源電路的總噪聲貢獻。圖7顯示ADR4312.5 V基準電壓源的典型噪聲與頻率關係曲線圖。

圖7. 帶補償網絡的ADR431噪聲曲線
ADR435補償其內部運算放大器,驅動大容性負載並避免噪聲峰化,使其非常適合與ADC一同使用。更詳盡的敘述可參見數據手冊。采用10 µF電容,其噪聲額定值為8 µV p-p 1/f(0.1 Hz至10 Hz),寬帶噪聲頻譜密度為115 nV/√Hz。估計噪聲帶寬為3 kHz。若要將1/f噪聲從峰峰值轉換為均方根(rms),可除以6.6:
然後,使用10 µF電容下的估計帶寬計算寬帶噪聲貢獻。有效帶寬由下式確定:
使用該有效帶寬計算rms寬帶噪聲:
總rms噪聲是低頻噪聲和寬帶噪聲的平方和開根:
結果低於10 µV rms,因此不會對ADC的SNR造成太大影響。這些計算可用來估算基準電壓源的噪聲貢獻,以判斷其穩定性,但需要在工作台上使用真實硬件對數據進行驗證。
若緩衝器在基準電壓源之後使用,則同樣的分析可用於計算噪聲貢獻。例如,AD8031具有15 nV/√Hz的噪聲頻譜密度。由於輸出端具有10 µF電容,其測量帶寬下降至大約16 kHz。使用此帶寬和噪聲密度,同時忽略1/f噪聲,則噪聲貢獻為2.4 µV rms。對dui基ji準zhun電dian壓ya源yuan緩huan衝chong器qi噪zao聲sheng和he基ji準zhun電dian壓ya源yuan噪zao聲sheng進jin行xing平ping方fang和he開kai根gen計ji算suan,即ji可ke得de到dao總zong噪zao聲sheng的de估gu算suan值zhi。通tong常chang,基ji準zhun電dian壓ya源yuan緩huan衝chong器qi的de噪zao聲sheng密mi度du遠yuan低di於yu基ji準zhun電dian壓ya源yuan噪zao聲sheng密mi度du。
使用基準電壓源緩衝器時,可通過在基準電壓輸出添加一個極低截止頻率的RC濾波器,對來自基準電壓源的噪聲進行帶寬限製,如圖8所示。考慮到基準電壓源通常是噪聲的主要來源,這樣做可能會非常有效。

圖8. 帶RC濾波的基準電壓源
選擇基準電壓源時的一些其它重要考慮因素包括初始精度和溫度漂移。初始精度以%或mV為單位。許多係統允許校準,因此初始精度不如漂移那麼重要,而漂移通常以ppm/°C或µV/°C為單位。大多數優秀的基準電壓源漂移低於10 ppm/°C,而ADR45xx係列更是將漂移驅動至僅有數ppm/°C。該漂移必須納入係統誤差預算中。
基準電壓源故障排除
設計不佳的基準電壓源電路可能導致嚴重的轉換錯誤。最常見的基準電壓源問題是來自ADC的重複或"粘連"代碼問題。當基準電壓源輸入端噪聲足夠大,便可能造成ADC作出錯誤的位判斷。哪怕輸入有所改變,它也以同樣的代碼重複出現多次,或者在較低的有效位中填充重複的1或0字串,如圖9所示。紅色圓圈區域中,ADC出chu現xian粘zhan連lian,重zhong複fu返fan回hui相xiang同tong的de代dai碼ma。通tong常chang滿man量liang程cheng附fu近jin的de問wen題ti更geng嚴yan重zhong,因yin為wei基ji準zhun電dian壓ya源yuan噪zao聲sheng對dui較jiao高gao有you效xiao位wei的de判pan斷duan產chan生sheng的de影ying響xiang更geng大da。一yi旦dan作zuo出chu錯cuo誤wu的de位wei判pan斷duan,其qi餘yu位wei便bian填tian充chong1或0。

圖9. ADC傳遞函數中的"粘連"代碼
導致出現"粘連"位的最常見原因是基準電壓源電容的尺寸與位置、基準電壓源/基準電壓源緩衝器的驅動能力不足,或是基準電壓源/基準電壓源緩衝器選型不當導致過量噪聲。
將儲能電容放置在ADC的基準電壓源輸入引腳附近並使用寬走線實現連接很重要,如圖10suoshi。shiyongduogeguokongjiangdianronglianjiezhijiediceng,kehuodejiaodidezukanglujing。ruojizhundianyayuanjuyouzhuanyongdi,zedianrongyingdangtongguokuanzouxianlianjiezhigaiyinjiaofujin。youyudianrongyongzuodianheku,tabixuzugouda,yixianzhishuaijian,bingqiebixujuyoudiESR特性。具有X5R電介質的陶瓷電容是個不錯的選擇。電容典型值為10 µF至47 µF範圍內,但根據ADC的電流要求,有時也可使用較小數值的電容。

圖10. 典型基準電壓源電容布局
驅(qu)動(dong)能(neng)力(li)不(bu)足(zu)是(shi)另(ling)一(yi)個(ge)問(wen)題(ti),特(te)別(bie)是(shi)使(shi)用(yong)低(di)功(gong)耗(hao)基(ji)準(zhun)電(dian)壓(ya)源(yuan)或(huo)微(wei)功(gong)耗(hao)基(ji)準(zhun)電(dian)壓(ya)源(yuan)緩(huan)衝(chong)器(qi),因(yin)為(wei)它(ta)們(men)通(tong)常(chang)具(ju)有(you)高(gao)得(de)多(duo)的(de)輸(shu)出(chu)阻(zu)抗(kang),隨(sui)頻(pin)率(lv)而(er)明(ming)顯(xian)增(zeng)加(jia)。使(shi)用(yong)吞(tun)吐(tu)速(su)率(lv)較(jiao)高(gao)的(de)ADC時,這個問題尤其明顯,因為吞吐速率較低時,電流要求更高。
來自基準電壓源或基準電壓源緩衝器的過量噪聲與轉換器的LSB大小有關,也可能會造成粘連代碼,因此基準電壓源電路的電壓噪聲必須保持為LSB電壓的一小部分。
結論
本文討論了如何針對精密逐次逼近型ADC設(she)計(ji)基(ji)準(zhun)電(dian)壓(ya)源(yuan)電(dian)路(lu),並(bing)強(qiang)調(tiao)了(le)如(ru)何(he)判(pan)斷(duan)某(mou)些(xie)常(chang)見(jian)問(wen)題(ti)。文(wen)中(zhong)的(de)計(ji)算(suan)公(gong)式(shi)用(yong)於(yu)估(gu)算(suan)基(ji)準(zhun)電(dian)壓(ya)源(yuan)電(dian)路(lu)的(de)驅(qu)動(dong)能(neng)力(li)和(he)噪(zao)聲(sheng)要(yao)求(qiu),以(yi)便(bian)有(you)更(geng)高(gao)的(de)概(gai)率(lv)使(shi)該(gai)電(dian)路(lu)通(tong)過(guo)硬(ying)件(jian)測(ce)試(shi)。
參考電路
AN-931 Application Note. “Understanding PulSAR ADC Support Circuitry.”
Kester, Walt. Data Conversion Handbook, Chapter 7. “Data Converter Support Circuits.”
Kester, Walt. “Which ADC Architecture Is Right for Your Application?” Analog Dialogue. Volume 39, Number 2, 2005.
Walsh, Alan. “Front-End Amplifier and RC Filter Design for a Precision SAR Analog-to-Digital Converter.” Analog Dialogue. Volume 46, Number 4, 2012.
推薦閱讀:
特別推薦
- 噪聲中提取真值!瑞盟科技推出MSA2240電流檢測芯片賦能多元高端測量場景
- 10MHz高頻運行!氮矽科技發布集成驅動GaN芯片,助力電源能效再攀新高
- 失真度僅0.002%!力芯微推出超低內阻、超低失真4PST模擬開關
- 一“芯”雙電!聖邦微電子發布雙輸出電源芯片,簡化AFE與音頻設計
- 一機適配萬端:金升陽推出1200W可編程電源,賦能高端裝備製造
技術文章更多>>
- 突破工藝邊界,奎芯科技LPDDR5X IP矽驗證通過,速率達9600Mbps
- 通過直接、準確、自動測量超低範圍的氯殘留來推動反滲透膜保護
- 從技術研發到規模量產:恩智浦第三代成像雷達平台,賦能下一代自動駕駛!
- 從機械執行到智能互動:移遠Q-Robotbox助力具身智能加速落地
- 品英Pickering將亮相2026航空電子國際論壇,展示航電與電池測試前沿方案
技術白皮書下載更多>>
- 車規與基於V2X的車輛協同主動避撞技術展望
- 數字隔離助力新能源汽車安全隔離的新挑戰
- 汽車模塊拋負載的解決方案
- 車用連接器的安全創新應用
- Melexis Actuators Business Unit
- Position / Current Sensors - Triaxis Hall
熱門搜索
按鈕開關
白色家電
保護器件
保險絲管
北鬥定位
北高智
貝能科技
背板連接器
背光器件
編碼器型號
便攜產品
便攜醫療
變容二極管
變壓器
檳城電子
並網
撥動開關
玻璃釉電容
剝線機
薄膜電容
薄膜電阻
薄膜開關
捕魚器
步進電機
測力傳感器
測試測量
測試設備
拆解
場效應管
超霸科技



