AD5272數字變阻器
發布時間:2021-05-04 來源:卓晴 責任編輯:wenwei
【導讀】AD5272是Analog公司的電子可變電阻器。它可以被應用在各種電子線路中,進行自動參數設置和調節。AD5272是一個變阻器(rheostat)兩端器件,而不是電位器(Potentiometer:三端器件)。相對於美國Xicor公司的高精度數字電位器(X9C102,103,104等),它具有變阻級數高(1024級),工作頻帶等特點。

AD5272數字變阻器
為了對比在博文“寄生電容[1]”對X9C104的討論,購買了三片樣品進行實驗驗證。
AD5272簡介
1. 內部結構
AD5272是一款MSOP 10管腳封裝的芯片。包括有工作電源、地線,與MCU連接的I2C接口,以及可變電阻的兩端(A-W)。此外還有一些輔助設置管腳。詳細介紹可以參見他的數據手冊。下麵是AD5272的外部管腳以及內部結構功能圖。

AD5272內部功能圖
從上圖可以看出AD5272對外的應用端口隻有兩個(A,W),它是一個變阻器(Varistor:兩端器件)。
2. 產品特性
● 單通道、1024/256位分辨率
● 標稱電阻:20 kΩ、50 kΩ、100 kΩ
● 標稱電阻容差誤差:±1%(最大值)
● 50次可編程(50-TP)遊標存儲器
● 可變電阻器模式下的溫度係數:5 ppm/℃
● 2.7 V至5.5 V單電源供電
● 雙電源供電:±2.5 V至±2.75 V(交流或雙極性工作模式)
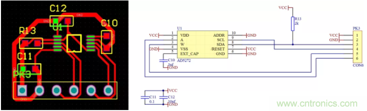
3. 測試電路板
為了測試AD5272的性能,快速製作一塊電路板,將其封裝在電路板上,通過100mil的外部引線在麵包板上與其它測試電路連接進行相關的測試。
下麵是設計的測試電路板的原理圖和PCB版圖。

實驗電路板
測試方案
由於AD5272的控製是通過I2C總線完成的,所以需要借助於一塊MCU完成對AD5272的數字控製。下麵介紹實驗MCU板以及相應的軟件開發。
1. 實驗MCU板
實驗電路板MCU采用STC8G1K08對AD5272進行控製。該電路板的詳細介紹在“基於STC8G1K08的實驗電路板[2]”中展示。
使用PK3端口的pin6(SCL)和pin7(SDA)[I2C總線第四個輸出備選端口],與 AD5275的PK3的pin4(SCL),pin5(SDA)相連,組成實驗電路。

8G1K08-SOP16 實驗電路板
實際連接線路如下圖所示:

實驗電路引線連接情況
2. 測試軟件
(1) I2C 地址:AD5272的7位地址組成包括兩部分:
1. 前5位位 :01011
2. 最後兩位是由ADDR管腳的電壓確定,具體可以參見下麵表格:

(2)相關子程序:AD5272的功能設置,可以參見其數據手冊中的說明。在CSDN中給出了AD5272接口程序。這些程序上層依賴於STC8G1K08的I2C操作的函數支持。
測試結果
將實驗電路板在麵包板上連接,進行相關的性能測試。


通電後,測試麵包板電路
1. 測量A-W電阻與設置參數之間的關係
通過軟件設置AD5272中RDAC的參數0~1023,每次遞增10,所測量得到的102個數據,測量A-W兩端的電阻。實驗數據如下:
res=[31.06,195.83,389.87,582.86,786.78,979.69,1173.92,1370.54,1564.31,1756.72,1959.14,2150.80,2342.31,2537.69,2731.21,2923.23,3115.95,3316.69,3506.39,3697.96,3895.03,4088.38,4279.93,4482.23,4672.36,4864.04,5057.67,5251.33,5443.37,5645.82,5836.31,6028.02,6217.46,6411.77,6604.22,6796.99,6997.55,7189.65,7378.69,7569.33,7762.46,7955.59,8156.52,8346.48,8537.97,8723.09,8917.34,9109.66,9302.17,9501.89,9693.09,9871.78,10066.15,10258.58,10450.60,10649.98,10840.70,11027.89,11207.98,11400.64,11592.36,11792.14,11982.23,12169.72,12343.51,12536.54,12726.77,12916.79,13114.53,13303.92,13470.17,13664.16,13855.01,14045.89,14243.87,14432.99,14619.03,14786.59,14978.64,15169.90,15358.20,15556.71,15742.90,15902.01,16094.12,16285.19,16473.98,16670.93,16856.67,17043.42,17202.99,17394.30,17585.01,17773.71,17968.68,18150.75,18303.86,18497.14,18686.51,18873.12,19071.08,19254.32,19397.46]
當RDAC=0時,AW電阻為31.06Ω。當RDAC=1020時,AW電阻為19397.46Ω。當RDAC= 1023時,AW電阻最大,為:19516Ω。
設置RDAC值與AW電阻之間的曲線為:

AD5272的電阻與設置RDAC之間的關係
2. 電阻誤差
分別對設置為0,511,1023三種情況測量100次電阻。統計相應的均值,標準差。
res0=[30.87,30.86,30.86,30.86,30.85,30.85,30.85,30.85,30.86,30.85,30.86,30.84,30.85,30.84,30.85,30.85,30.85,30.85,30.84,30.85,30.84,30.85,30.84,30.84,30.83,30.84,30.83,30.84,30.83,30.83,30.83,30.84,30.83,30.83,30.83,30.83,30.83,30.83,30.83,30.83,30.83,30.82,30.83,30.83,30.84,30.85,30.83,30.82,30.83,30.83,30.83,30.83,30.84,30.83,30.84,30.83,30.84,30.83,30.84,30.85,30.85,30.85,30.81,30.85,30.85,30.86,30.84,30.84,30.84,30.84,30.83,30.82,30.82,30.82,30.86,30.85,30.82,30.82,30.82,30.82,30.83,30.83,30.82,30.83,30.82,30.82,30.81,30.82,30.81,30.81,30.82,30.81,30.82,30.82,30.82,30.82,30.82,30.82,30.82,30.82]
res511=[9886.59,9885.49,9884.89,9884.65,9884.25,9884.04,9883.44,9883.81,9883.81,9883.98,9883.22,9883.04,9882.73,9882.89,9882.43,9882.25,9882.13,9882.05,9882.12,9882.11,9881.86,9881.92,9881.59,9881.33,9881.01,9881.19,9880.85,9880.63,9880.58,9880.03,9880.37,9880.09,9879.74,9879.86,9879.55,9879.51,9879.57,9879.38,9879.17,9879.23,9879.08,9879.14,9878.99,9879.87,9880.95,9879.46,9879.07,9878.87,9879.52,9879.63,9879.74,9880.59,9878.89,9878.78,9879.26,9879.67,9878.96,9880.50,9879.96,9881.97,9883.24,9880.49,9878.37,9882.40,9878.21,9879.98,9878.29,9881.24,9878.03,9878.41,9877.99,9877.88,9877.75,9882.34,9882.86,9877.51,9877.60,9877.83,9877.64,9877.52,9877.77,9877.57,9877.61,9877.55,9877.38,9877.39,9877.44,9877.50,9877.51,9877.75,9877.60,9877.58,9877.58,9877.56,9877.51,9877.48,9877.47,9877.58,9877.63,9877.56]
res1023=[19474.35,19472.00,19471.12,19468.77,19468.94,19468.57,19469.00,19469.81,19468.81,19470.02,19469.29,19468.49,19467.52,19467.61,19467.82,19466.50,19466.88,19467.17,19467.97,19467.12,19467.38,19467.07,19466.89,19466.63,19466.12,19466.01,19466.00,19465.62,19465.20,19464.87,19465.59,19464.10,19464.87,19464.26,19464.67,19463.29,19464.00,19463.85,19463.87,19464.63,19464.01,19463.51,19464.70,19465.08,19470.97,19464.57,19464.65,19465.02,19466.95,19465.71,19467.71,19471.63,19464.97,19465.42,19468.00,19473.37,19465.89,19470.16,19471.82,19476.47,19480.91,19465.24,19464.30,19472.95,19464.66,19466.91,19464.90,19472.64,19471.20,19466.71,19463.60,19464.15,19463.56,19469.07,19482.30,19463.76,19464.53,19464.39,19464.61,19465.06,19464.63,19464.50,19464.89,19464.03,19464.41,19464.80,19465.25,19464.87,19465.06,19465.52,19465.92,19466.03,19465.40,19466.14,19466.05,19466.48,19466.45,19466.98,19466.42,19466.69]
統計值如下表所示:

將三個測量曲線,減去他們的均值之後,繪製出測量誤差波動曲線:

3. 電阻的頻率響應
(1)測量原理:
使用AD9833模塊產生頻率可變的正弦信號,施加在R1與AD5272的串聯電路上。測量輸入電壓與分壓電壓之間的比值隨著頻率的改變和變化的情況,反映了AD5272電阻的頻率響應特性。

測量示意圖
(2)交流信號源:信號源使用AD9833 DDS信號源。通過ZIGBEE無線命令設置它所產生的信號頻率。該模塊的詳細內容參見博文“AD9833數字信號發生器模塊[3]”

AD9833數字合成信號發生模塊
設置頻率所使用的命令為:
ad9833setfrequency xxxx
其中xxxx 設置頻率數值。


組裝後的測試電路
(3)測量結果
在AD5272設置為511時,測量信號頻率從100Hz到200kHz變化時,輸入信號,輸出信號以及它們的比值隨著頻率的變化的情況。

AD5272設置為511時,分壓電阻的增益頻率曲線
測量如下:其中包括輸出電壓vout,輸入電壓vin,vout/vin=ratio,以及信號的頻率四組數據。
vout=[0.07,0.07,0.07,0.07,0.07,0.07,0.07,0.07,0.07,0.07,0.07,0.07,0.07,0.07,0.07,0.07,0.07,0.07,0.06,0.06,0.06,0.06,0.06,0.06,0.06,0.06,0.06,0.06,0.06,0.06,0.06,0.06,0.06,0.06,0.06,0.05,0.05,0.05,0.05,0.05,0.05,0.05,0.05,0.05,0.05,0.05,0.05,0.05,0.05,0.05,0.05,0.05,0.05,0.05,0.04,0.04,0.04,0.04,0.04,0.04,0.04,0.04,0.04,0.04,0.04,0.04,0.04,0.04,0.04,0.04,0.04,0.04,0.04,0.04,0.04,0.04,0.04,0.04,0.04,0.04,0.03,0.03,0.03,0.03,0.03,0.03,0.03,0.03,0.03,0.03,0.03,0.03,0.03,0.03,0.03,0.03,0.03,0.03,0.03,0.03]
vin=[0.21,0.21,0.21,0.21,0.21,0.21,0.21,0.21,0.21,0.21,0.21,0.21,0.21,0.21,0.21,0.21,0.21,0.21,0.21,0.21,0.21,0.21,0.21,0.21,0.21,0.21,0.21,0.21,0.21,0.21,0.21,0.21,0.21,0.21,0.21,0.21,0.21,0.21,0.21,0.21,0.21,0.21,0.21,0.21,0.21,0.21,0.21,0.21,0.21,0.21,0.21,0.20,0.20,0.20,0.20,0.20,0.20,0.20,0.20,0.20,0.20,0.20,0.20,0.20,0.20,0.20,0.20,0.20,0.20,0.20,0.20,0.20,0.20,0.20,0.20,0.20,0.20,0.20,0.20,0.20,0.20,0.20,0.20,0.20,0.20,0.20,0.20,0.20,0.20,0.20,0.20,0.20,0.20,0.20,0.20,0.20,0.20,0.20,0.20,0.20]
ratio=[0.34,0.34,0.33,0.33,0.33,0.33,0.33,0.33,0.33,0.33,0.33,0.32,0.32,0.32,0.32,0.32,0.31,0.31,0.31,0.31,0.31,0.30,0.30,0.30,0.29,0.29,0.29,0.29,0.28,0.28,0.28,0.28,0.27,0.27,0.27,0.26,0.26,0.26,0.26,0.25,0.25,0.25,0.25,0.24,0.24,0.24,0.24,0.23,0.23,0.23,0.23,0.22,0.22,0.22,0.22,0.22,0.21,0.21,0.21,0.21,0.21,0.20,0.20,0.20,0.20,0.20,0.20,0.19,0.19,0.19,0.19,0.19,0.19,0.18,0.18,0.18,0.18,0.18,0.18,0.18,0.17,0.17,0.17,0.17,0.17,0.17,0.17,0.17,0.16,0.16,0.16,0.16,0.16,0.16,0.16,0.16,0.16,0.15,0.15,0.15]
f=[100.00,2119.19,4138.38,6157.58,8176.77,10195.96,12215.15,14234.34,16253.54,18272.73,20291.92,22311.11,24330.30,26349.49,28368.69,30387.88,32407.07,34426.26,36445.45,38464.65,40483.84,42503.03,44522.22,46541.41,48560.61,50579.80,52598.99,54618.18,56637.37,58656.57,60675.76,62694.95,64714.14,66733.33,68752.53,70771.72,72790.91,74810.10,76829.29,78848.48,80867.68,82886.87,84906.06,86925.25,88944.44,90963.64,92982.83,95002.02,97021.21,99040.40,101059.60,103078.79,105097.98,107117.17,109136.36,111155.56,113174.75,115193.94,117213.13,119232.32,121251.52,123270.71,125289.90,127309.09,129328.28,131347.47,133366.67,135385.86,137405.05,139424.24,141443.43,143462.63,145481.82,147501.01,149520.20,151539.39,153558.59,155577.78,157596.97,159616.16,161635.35,163654.55,165673.74,167692.93,169712.12,171731.31,173750.51,175769.70,177788.89,179808.08,181827.27,183846.46,185865.66,187884.85,189904.04,191923.23,193942.42,195961.62,197980.81,200000.00]
在AD5272設置為1023時,測量信號頻率從100Hz到200kHz變化時,輸入信號,輸出信號以及它們的比值隨著頻率的變化的情況。

AD5272設置為1023時,分壓電阻的增益頻率曲線
測量數據為:
vout=[0.02,0.02,0.02,0.02,0.02,0.02,0.02,0.02,0.02,0.02,0.02,0.02,0.02,0.02,0.02,0.02,0.02,0.02,0.02,0.02,0.02,0.02,0.02,0.02,0.02,0.02,0.02,0.02,0.02,0.02,0.02,0.02,0.02,0.02,0.02,0.02,0.02,0.02,0.02,0.02,0.02,0.02,0.02,0.02,0.02,0.02,0.02,0.02,0.02,0.02,0.02,0.02,0.02,0.02,0.02,0.02,0.02,0.02,0.02,0.02,0.02,0.02,0.02,0.02,0.02,0.02,0.02,0.02,0.02,0.02,0.02,0.02,0.02,0.02,0.02,0.02,0.02,0.02,0.02,0.02,0.02,0.02,0.02,0.02,0.02,0.02,0.02,0.02,0.02,0.02,0.02,0.02,0.02,0.02,0.02,0.02,0.02,0.02,0.02,0.02]
vin=[0.21,0.21,0.21,0.21,0.21,0.21,0.21,0.21,0.21,0.21,0.21,0.21,0.21,0.21,0.21,0.21,0.21,0.21,0.21,0.21,0.21,0.21,0.21,0.21,0.21,0.21,0.21,0.21,0.21,0.21,0.21,0.21,0.21,0.21,0.21,0.21,0.21,0.21,0.21,0.21,0.21,0.21,0.21,0.21,0.21,0.21,0.21,0.21,0.21,0.21,0.20,0.20,0.20,0.20,0.20,0.20,0.20,0.20,0.20,0.20,0.20,0.20,0.20,0.20,0.20,0.20,0.20,0.20,0.20,0.20,0.20,0.20,0.20,0.20,0.20,0.20,0.20,0.20,0.20,0.20,0.20,0.20,0.20,0.20,0.20,0.20,0.20,0.20,0.20,0.20,0.20,0.20,0.20,0.20,0.20,0.20,0.20,0.20,0.20,0.20]
ratio=[0.10,0.10,0.10,0.10,0.10,0.10,0.10,0.10,0.10,0.10,0.10,0.10,0.10,0.10,0.10,0.10,0.10,0.10,0.10,0.10,0.10,0.10,0.10,0.10,0.10,0.10,0.10,0.10,0.10,0.10,0.10,0.10,0.10,0.10,0.10,0.10,0.10,0.10,0.10,0.10,0.10,0.10,0.10,0.10,0.10,0.10,0.10,0.10,0.09,0.09,0.09,0.09,0.09,0.09,0.09,0.09,0.09,0.09,0.09,0.09,0.09,0.09,0.09,0.09,0.09,0.09,0.09,0.09,0.09,0.09,0.09,0.09,0.09,0.09,0.09,0.09,0.09,0.09,0.09,0.09,0.09,0.09,0.09,0.09,0.09,0.09,0.09,0.09,0.09,0.09,0.09,0.09,0.09,0.09,0.09,0.09,0.09,0.09,0.09,0.09]
f=[100.00,2119.19,4138.38,6157.58,8176.77,10195.96,12215.15,14234.34,16253.54,18272.73,20291.92,22311.11,24330.30,26349.49,28368.69,30387.88,32407.07,34426.26,36445.45,38464.65,40483.84,42503.03,44522.22,46541.41,48560.61,50579.80,52598.99,54618.18,56637.37,58656.57,60675.76,62694.95,64714.14,66733.33,68752.53,70771.72,72790.91,74810.10,76829.29,78848.48,80867.68,82886.87,84906.06,86925.25,88944.44,90963.64,92982.83,95002.02,97021.21,99040.40,101059.60,103078.79,105097.98,107117.17,109136.36,111155.56,113174.75,115193.94,117213.13,119232.32,121251.52,123270.71,125289.90,127309.09,129328.28,131347.47,133366.67,135385.86,137405.05,139424.24,141443.43,143462.63,145481.82,147501.01,149520.20,151539.39,153558.59,155577.78,157596.97,159616.16,161635.35,163654.55,165673.74,167692.93,169712.12,171731.31,173750.51,175769.70,177788.89,179808.08,181827.27,183846.46,185865.66,187884.85,189904.04,191923.23,193942.42,195961.62,197980.81,200000.00]
在AD5272設置為100時,測量信號頻率從100Hz到200kHz變化時,輸入信號,輸出信號以及它們的比值隨著頻率的變化的情況。

AD5272設置為100時,分壓電阻的增益頻率曲線
測量數據為:
vout=[0.11,0.11,0.10,0.10,0.10,0.10,0.10,0.10,0.10,0.10,0.10,0.10,0.10,0.10,0.09,0.09,0.09,0.09,0.09,0.09,0.09,0.09,0.08,0.08,0.08,0.08,0.08,0.08,0.08,0.08,0.07,0.07,0.07,0.07,0.07,0.07,0.07,0.07,0.06,0.06,0.06,0.06,0.06,0.06,0.06,0.06,0.06,0.06,0.06,0.06,0.05,0.05,0.05,0.05,0.05,0.05,0.05,0.05,0.05,0.05,0.05,0.05,0.05,0.05,0.05,0.04,0.04,0.04,0.04,0.04,0.04,0.04,0.04,0.04,0.04,0.04,0.04,0.04,0.04,0.04,0.04,0.04,0.04,0.04,0.04,0.04,0.04,0.04,0.04,0.04,0.03,0.03,0.03,0.03,0.03,0.03,0.03,0.03,0.03,0.03]
vin=[0.21,0.21,0.21,0.21,0.21,0.21,0.21,0.21,0.21,0.21,0.21,0.21,0.21,0.21,0.21,0.21,0.21,0.21,0.21,0.21,0.21,0.21,0.21,0.21,0.21,0.21,0.21,0.21,0.21,0.21,0.21,0.21,0.21,0.21,0.21,0.21,0.21,0.21,0.21,0.21,0.21,0.21,0.21,0.21,0.21,0.21,0.21,0.21,0.21,0.21,0.21,0.20,0.20,0.20,0.20,0.20,0.20,0.20,0.20,0.20,0.20,0.20,0.20,0.20,0.20,0.20,0.20,0.20,0.20,0.20,0.20,0.20,0.20,0.20,0.20,0.20,0.20,0.20,0.20,0.20,0.20,0.20,0.20,0.20,0.20,0.20,0.20,0.20,0.20,0.20,0.20,0.20,0.20,0.20,0.20,0.20,0.20,0.20,0.20,0.20]
ratio=[0.50,0.50,0.50,0.50,0.49,0.49,0.49,0.48,0.48,0.48,0.47,0.47,0.46,0.46,0.45,0.44,0.44,0.43,0.43,0.42,0.41,0.41,0.40,0.40,0.39,0.38,0.38,0.37,0.37,0.36,0.35,0.35,0.34,0.34,0.33,0.33,0.32,0.32,0.31,0.31,0.30,0.30,0.30,0.29,0.29,0.28,0.28,0.28,0.27,0.27,0.27,0.26,0.26,0.26,0.25,0.25,0.25,0.24,0.24,0.24,0.23,0.23,0.23,0.23,0.22,0.22,0.22,0.22,0.22,0.21,0.21,0.21,0.21,0.20,0.20,0.20,0.20,0.20,0.20,0.19,0.19,0.19,0.19,0.19,0.19,0.18,0.18,0.18,0.18,0.18,0.18,0.18,0.17,0.17,0.17,0.17,0.17,0.17,0.17,0.17]
f=[100.00,2119.19,4138.38,6157.58,8176.77,10195.96,12215.15,14234.34,16253.54,18272.73,20291.92,22311.11,24330.30,26349.49,28368.69,30387.88,32407.07,34426.26,36445.45,38464.65,40483.84,42503.03,44522.22,46541.41,48560.61,50579.80,52598.99,54618.18,56637.37,58656.57,60675.76,62694.95,64714.14,66733.33,68752.53,70771.72,72790.91,74810.10,76829.29,78848.48,80867.68,82886.87,84906.06,86925.25,88944.44,90963.64,92982.83,95002.02,97021.21,99040.40,101059.60,103078.79,105097.98,107117.17,109136.36,111155.56,113174.75,115193.94,117213.13,119232.32,121251.52,123270.71,125289.90,127309.09,129328.28,131347.47,133366.67,135385.86,137405.05,139424.24,141443.43,143462.63,145481.82,147501.01,149520.20,151539.39,153558.59,155577.78,157596.97,159616.16,161635.35,163654.55,165673.74,167692.93,169712.12,171731.31,173750.51,175769.70,177788.89,179808.08,181827.27,183846.46,185865.66,187884.85,189904.04,191923.23,193942.42,195961.62,197980.81,200000.00]
將上麵三組增益曲線繪製在同一張圖中:

增益隨著頻率變化曲線
結論
通過對AD5272的檢測測試,驗證了它作為可變電阻的基本特性。特別是動態特性,可以滿足一般音頻信號的放大與調節。
參考資料
[1] 寄生電容: https://zhuoqing.blog.csdn.net/article/details/104134132
[2] 基於STC8G1K08的實驗電路板: https://zhuoqing.blog.csdn.net/article/details/105612710
[3] AD9833數字信號發生器模塊: https://zhuoqing.blog.csdn.net/article/details/104112884
免責聲明:本文為轉載文章,轉載此文目的在於傳遞更多信息,版權歸原作者所有。本文所用視頻、圖片、文字如涉及作品版權問題,請聯係小編進行處理。
推薦閱讀:
特別推薦
- 噪聲中提取真值!瑞盟科技推出MSA2240電流檢測芯片賦能多元高端測量場景
- 10MHz高頻運行!氮矽科技發布集成驅動GaN芯片,助力電源能效再攀新高
- 失真度僅0.002%!力芯微推出超低內阻、超低失真4PST模擬開關
- 一“芯”雙電!聖邦微電子發布雙輸出電源芯片,簡化AFE與音頻設計
- 一機適配萬端:金升陽推出1200W可編程電源,賦能高端裝備製造
技術文章更多>>
- 算力爆發遇上電源革新,大聯大世平集團攜手晶豐明源線上研討會解鎖應用落地
- 築基AI4S:摩爾線程全功能GPU加速中國生命科學自主生態
- 一秒檢測,成本降至萬分之一,光引科技把幾十萬的台式光譜儀“搬”到了手腕上
- AI服務器電源機櫃Power Rack HVDC MW級測試方案
- 突破工藝邊界,奎芯科技LPDDR5X IP矽驗證通過,速率達9600Mbps
技術白皮書下載更多>>
- 車規與基於V2X的車輛協同主動避撞技術展望
- 數字隔離助力新能源汽車安全隔離的新挑戰
- 汽車模塊拋負載的解決方案
- 車用連接器的安全創新應用
- Melexis Actuators Business Unit
- Position / Current Sensors - Triaxis Hall
熱門搜索
微波功率管
微波開關
微波連接器
微波器件
微波三極管
微波振蕩器
微電機
微調電容
微動開關
微蜂窩
位置傳感器
溫度保險絲
溫度傳感器
溫控開關
溫控可控矽
聞泰
穩壓電源
穩壓二極管
穩壓管
無焊端子
無線充電
無線監控
無源濾波器
五金工具
物聯網
顯示模塊
顯微鏡結構
線圈
線繞電位器
線繞電阻



