CS8683 單聲道120W大功率D類功放IC解決方案
發布時間:2021-11-03 責任編輯:lina
【導讀】D類音頻功率放大器的市場需求每年以約50%的速度增長,以高性能設備為目標應用。D類音頻放大器的高能效和低熱性等特點支持輕薄時尚的產品設計,大功率電源還可節省成本。D類放大器滿足小尺寸、低功耗、高音頻輸出的市場主流需求,從而成為音頻類產品的中堅力量。
D類音頻功率放大器的市場需求每年以約50%的速度增長,以高性能設備為目標應用。D類音頻放大器的高能效和低熱性等特點支持輕薄時尚的產品設計,大功率電源還可節省成本。D類放大器滿足小尺寸、低功耗、高音頻輸出的市場主流需求,從而成為音頻類產品的中堅力量。2020年一場突如其來的新冠疫情打亂了整個電子行業供應鏈的平衡,國內電子行業鬧起芯慌。從2020年9月份起,50W以上的D類功放IC價格被炒到20-30元還一片難求。
因為封裝工藝的原因,中大功率的音頻功放芯片一直壟斷在國外芯片公司的手中。常見的如TSSOP-28/TSSOP-24/ESOP-16等散熱片在底部的貼片封裝,依賴芯片本身及PCB散熱很難支持60W以上持續功率輸出。要實現更大功率的輸出,需芯片封裝支持外接散熱器。
深圳市永阜康科技有限公司大力推廣最新的一款模擬輸入120W單聲道D類音頻功率放大器-CS8683H,以充分滿足戶外拉杆音箱、功放機、聲霸音箱係統、車載音頻係統等大功率的使用需求。該CS8683H具有業界最高的開關速率與4.7V-45V最寬泛的供電,可實現高質量、高效率的音頻輸出;業界最佳RDS(on)比同類競品低 ,高效率支持低阻抗提高功率;采用EQB-32封裝(國內首創貼片封裝散熱片在頂部,支持外接散熱器),良好的散熱性能保證超大功率輸出,可實現無失真的清晰音頻。
1. CS8683H概要
CS8683H是一款120W單聲道高效D類音頻功率放大電路.先進的EMI抑製技術使得在輸出端口采用廉價的鐵氧體磁珠濾波器就可以滿足EMC要求。CS8683H單通道音頻功率放大器是為需要輸出高質量音頻功率的係統設計的,它采用采用EQB-32封裝(散熱片在頂部),良好的散熱性能保證超大功率輸出,使係統具備高質量的音頻輸出功率。
CS8686H內置了過流保護,短路保護和過熱保護,有效的保護芯片在異常的工作條件下不被損壞。,供電電壓在22V以內,可以驅動低至2Ω 負載的揚 聲器 ,最高可提供80W的連續功率 ;在供電電壓30V以內,可以驅動低至4Ω負載的揚聲器,提供120W的連續功率具有高達94%的效率。CS8683H提供纖小的封裝形式供客戶選擇,可以為客戶節省可觀的PCB麵積,其額定的工作溫度範圍為-40℃至85℃。
2. CS8683H描述
● 輸出功率:
120W PO at 10% THD+N, VDD = 28V@RL = 4Ω
75W PO at 10% THD+N, VDD = 24V@RL = 4Ω
80W PO at 1% THD+N, VDD = 24V@RL = 3Ω
100W PO at 10% THD+N, VDD = 20V@RL = 2Ω
● 效率高達94%
● 多重開關頻率可選,具有AM幹擾抑製功能
● 高可靠性設計,寬泛的單電源電壓範圍4.7V~45V
● 靜音功能控製
● 揚聲器保護包括可調功率限製器加直流保護
● 輸出管腳方便布線布局
● 良好短路保護和具備自動恢複功能的溫度保護
● 良好的失真和防噗聲功能
● 三級增益可調
● 差分輸入
● EQB-32封裝
3. CS8683H與3116輸出功率對比

4. CS8683H應用場合
戶外拉杆藍牙音箱、功放機、車載音頻係統等產品
5. CS8683H應用信息
(1). CS8683H腳位圖

(2). CS8683H管腳說明

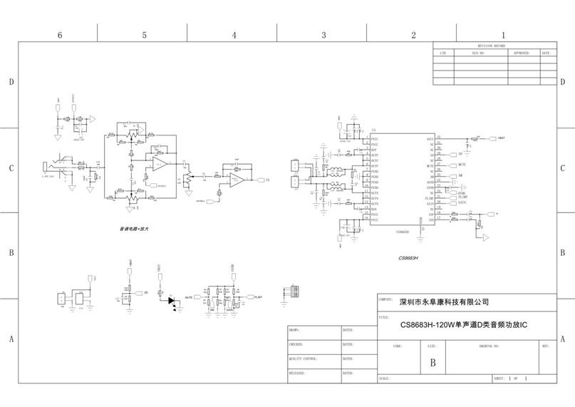
(3). CS8683H DEMO板原理圖

(4). CS8683H DEMO板PCB頂層設計圖

(5). CS8683H DEMO板PCB底層設計圖

(6). CS8683H DEMO板貼片圖

(7). CS8683H DEMO板物料清單

(8). CS8683H DEMO板實物圖

免責聲明:本文為轉載文章,轉載此文目的在於傳遞更多信息,版權歸原作者所有。本文所用視頻、圖片、文字如涉及作品版權問題,請電話或者郵箱聯係小編進行侵刪。
推薦閱讀:
EeIE智博會提前看:協作機器人點亮展會、聚焦中國先進製造業
- 噪聲中提取真值!瑞盟科技推出MSA2240電流檢測芯片賦能多元高端測量場景
- 10MHz高頻運行!氮矽科技發布集成驅動GaN芯片,助力電源能效再攀新高
- 失真度僅0.002%!力芯微推出超低內阻、超低失真4PST模擬開關
- 一“芯”雙電!聖邦微電子發布雙輸出電源芯片,簡化AFE與音頻設計
- 一機適配萬端:金升陽推出1200W可編程電源,賦能高端裝備製造
- 從機械執行到智能互動:移遠Q-Robotbox助力具身智能加速落地
- 品英Pickering將亮相2026航空電子國際論壇,展示航電與電池測試前沿方案
- 模擬芯片設計師的噩夢:晶體管差1毫伏就廢了,溫度升1度特性全飄
- 3A大電流僅需3x1.6mm?意法半導體DCP3603重新定義電源設計
- 芯科科技Tech Talks與藍牙亞洲大會聯動,線上線下賦能物聯網創新
- 車規與基於V2X的車輛協同主動避撞技術展望
- 數字隔離助力新能源汽車安全隔離的新挑戰
- 汽車模塊拋負載的解決方案
- 車用連接器的安全創新應用
- Melexis Actuators Business Unit
- Position / Current Sensors - Triaxis Hall



