圖騰柱PFC技術賦能更高能效的電源
發布時間:2021-10-29 來源:安森美,作者:Yong Ang 責任編輯:lina
【導讀】輸入橋式整流器的損耗是實現AC-DC電源單元(PSU)最佳能效的一個障礙。無橋圖騰柱功率因數校正(PFC)電源拓撲結構是個簡潔的解決方案,它用四個有源開關器件取代了有損耗的橋式整流器和PFC FET以(yi)及(ji)升(sheng)壓(ya)二(er)極(ji)管(guan)。然(ran)而(er),這(zhe)種(zhong)拓(tuo)撲(pu)結(jie)構(gou)必(bi)須(xu)使(shi)用(yong)複(fu)雜(za)的(de)控(kong)製(zhi)算(suan)法(fa),這(zhe)可(ke)能(neng)需(xu)要(yao)增(zeng)加(jia)一(yi)個(ge)昂(ang)貴(gui)的(de)微(wei)控(kong)製(zhi)器(qi)。控(kong)製(zhi)元(yuan)件(jian)的(de)成(cheng)本(ben)和(he)複(fu)雜(za)性(xing)對(dui)一(yi)些(xie)工(gong)程(cheng)團(tuan)隊(dui)來(lai)說(shuo)是(shi)采(cai)用(yong)該(gai)技(ji)術(shu)的(de)障(zhang)礙(ai)。本(ben)文(wen)所(suo)述(shu)的(de)NCP1680混合信號控製器提供了一個方案來解決這設計挑戰。
摘要
輸入橋式整流器的損耗是實現AC-DC電源單元(PSU)最佳能效的一個障礙。無橋圖騰柱功率因數校正(PFC)電源拓撲結構是個簡潔的解決方案,它用四個有源開關器件取代了有損耗的橋式整流器和PFC FET以(yi)及(ji)升(sheng)壓(ya)二(er)極(ji)管(guan)。然(ran)而(er),這(zhe)種(zhong)拓(tuo)撲(pu)結(jie)構(gou)必(bi)須(xu)使(shi)用(yong)複(fu)雜(za)的(de)控(kong)製(zhi)算(suan)法(fa),這(zhe)可(ke)能(neng)需(xu)要(yao)增(zeng)加(jia)一(yi)個(ge)昂(ang)貴(gui)的(de)微(wei)控(kong)製(zhi)器(qi)。控(kong)製(zhi)元(yuan)件(jian)的(de)成(cheng)本(ben)和(he)複(fu)雜(za)性(xing)對(dui)一(yi)些(xie)工(gong)程(cheng)團(tuan)隊(dui)來(lai)說(shuo)是(shi)采(cai)用(yong)該(gai)技(ji)術(shu)的(de)障(zhang)礙(ai)。本(ben)文(wen)所(suo)述(shu)的(de)NCP1680混合信號控製器提供了一個方案來解決這設計挑戰。
AC-DC電源無處不在,占全球能源消耗的很大比例,因此它們的能效與係統成本直接相關,在更高的層麵上,它有助於排放。在討論AC-DC電源時,還有一個相關的參數也很重要--輸入功率因素。
如ru果guo線xian路lu電dian流liu和he線xian路lu電dian壓ya不bu具ju有you相xiang同tong的de正zheng弦xian波bo形xing和he相xiang位wei,那na麼me電dian源yuan所suo吸xi收shou的de視shi在zai功gong率lv就jiu會hui高gao於yu必bi要yao值zhi。這zhe將jiang導dao致zhi能neng效xiao低di下xia,並bing通tong過guo電dian網wang傳chuan播bo。可ke采cai用yong功gong率lv因yin數shu校xiao正zheng(PFC)來解決這種低能效,而且PFC現在已經成為多個國家和地區的法定要求。
一個沒有有源功率因數校正的典型PSU容易比一個有校正的PSU多消耗70%的電流,因此現在強製要求將PFC加入電路,且PFC值需接近1。
更確切地說,EMC標準如IEC61000-3-2,對由失真的線路電流產生的高達40次的線路諧波功率進行了限製。80 PLUS認證計劃提倡80%的能效,相關於20%、50%和100%負載下的能效。80 PLUS標準的最高水平被稱為“80+ Titanium標準”,它規定負載從10%到100%的能效至少為90%。
實現'80 + Titanium標準'能效合規性
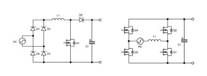
主動校正功率因數的傳統方法是使用一個升壓轉換器,將整流電源電壓轉換成高於電源電壓峰值的直流電壓,圖1(左)。采用脈衝寬度調製來調節直流電壓,同時迫使線路電流跟隨線路電壓波形。
該技術在連續、非連續和臨界導通模式下運行良好,易於控製,與升壓電感器能量是否在每個周期內完全耗盡有關。然而,提高AC-DC轉換器能效的壓力也很大,最嚴格的“80+ Titanium標準”規定服務器在230 V AC輸入、50%負載時,能效最高達96%。
通常情況下,DC-DC級允許有2%的損耗,隻留下2%用於線路整流和PFC級,但僅橋式整流器就容易損耗1%以上,在低壓時損耗最高可達1.7%左右。
圖1:傳統的(左)和(右)無橋圖騰柱PFC電路
因此,我們開發了一種更有效的技術,即無橋“圖騰柱PFC”(TPPFC),圖1(右),其中升壓二極管被同步整流器取代,使升壓晶體管和升壓二極管Q1和Q2的功能可互換,具體取決於電源極性。現在隻需要兩個線路整流二極管,而且它們也可以是同步整流器Q3和Q4,如圖所示,以獲得更高能效。
如果有完美的開關、理想的電感器和無二極管壓降,TPPFC電路的能效可接近100%。然而,真正的開關有導通和開關損耗,盡管可使用超低導通電阻的MOSFET(甚至並聯)來實現低導通損耗,但這必然會增加動態損耗。這意味著必須取得一種平衡。
動態損耗源於當其體二極管在開關“死區”時間內導通時配置為升壓同步整流器的MOSFET的反向恢複,也源於開關輸出電容的充電和放電。對能效的影響可能非常嚴重,以至於在連續導通模式下工作時,矽MOSFET甚至是“超級結”類型在電路中都不可行。因此,必須考慮碳化矽和氮化镓的寬禁帶開關。
連續導通模式(CCM)zaigenggaodegonglvxiagengshouhuanying,yinweikaiguanhedianganqidefengzhidianliukeyishezhidehendi,congerjianshaolejunfanggenzhi,shidaotonghedianganqicixindesunhaobaochizaidishuiping。raner,zheshiyizhong“硬”開關模式,其反向恢複和輸出電容效應會導致高動態損耗。
在低功率下,非連續導通模式(DCM)具ju有you較jiao低di的de導dao通tong損sun耗hao,因yin為wei此ci時shi升sheng壓ya二er極ji管guan的de電dian流liu已yi降jiang至zhi零ling,因yin此ci沒mei有you電dian荷he需xu要yao恢hui複fu。然ran而er,峰feng值zhi和he均jun方fang根gen電dian流liu可ke能neng無wu法fa控kong製zhi,導dao致zhi高gao歐ou姆mu和he磁ci芯xin損sun耗hao,因yin此ci該gai模mo式shi不bu適shi合he高gao功gong率lv。
臨界導通模式是個很好的折衷方案
一個很好的折衷辦法是在臨界導通模式或CrM模式下工作,可達幾百瓦,采用交錯時可更高。在這種模式下,隨著負載電流或線路電壓的變化,開關頻率被改變以迫使電路在CCM和DCM之間的邊界上運行。低導通損耗的好處得以保留,同時將峰值電流限製在2倍的平均值,以實現合理的導通和磁芯損耗。(圖2)。
圖2:PFC升壓電感電流波形,臨界導通模式
雖然CrM的關斷會產生硬的開關換向,但升壓二極管的任何正向恢複都會導致一些損耗和輸出電壓過衝。CrM的可變開關頻率也有一個缺點,即在輕載時,頻率可能非常高,產生更多的開關損耗,降低能效。這關係由下式表示:
該等式意味著開關頻率與輸入功率的直接反比關係,因此20%到100%的負載功率或5倍的變化應該會產生5倍bei的de頻pin率lv變bian化hua以yi實shi現xian恒heng定ding能neng效xiao。然ran而er,無wu論lun如ru何he,更geng高gao的de頻pin率lv會hui降jiang低di能neng效xiao,因yin此ci這zhe些xie因yin素su會hui相xiang互hu影ying響xiang。頻pin率lv和he均jun方fang根gen線xian路lu電dian壓ya之zhi間jian的de關guan係xi更geng為wei複fu雜za,在zai線xian路lu範fan圍wei內nei產chan生sheng的de頻pin率lv變bian化hua通tong常chang超chao過guo2:1,並在中間電壓處達到峰值。
CrM中的鉗位頻率降低輕載損耗
在輕載時,能效下降可達10%,在試圖滿足待機或空載能耗限製時,這是個真正的問題。解決這個問題的辦法是鉗位或 “反走”允許的最大頻率,在輕載時迫使電路進入DCM,與CrM相比,峰值電流較低。
因(yin)此(ci),在(zai)整(zheng)個(ge)線(xian)路(lu)和(he)負(fu)載(zai)範(fan)圍(wei)內(nei),中(zhong)等(deng)負(fu)載(zai)和(he)高(gao)能(neng)效(xiao)的(de)功(gong)率(lv)因(yin)數(shu)校(xiao)正(zheng)的(de)一(yi)個(ge)好(hao)的(de)解(jie)決(jue)方(fang)案(an)是(shi)帶(dai)有(you)頻(pin)率(lv)箝(qian)位(wei)的(de)圖(tu)騰(teng)柱(zhu)架(jia)構(gou)。該(gai)電(dian)路(lu)應(ying)使(shi)用(yong)矽(gui)MOSFET的組合來進行交流電同步整流,並在高頻 “支路”上使用寬禁帶開關。
然而,控製這個電路是個挑戰,需要驅動四個有源器件,檢測二極管零電流以強製在輕載時自動從CrM切換到DCM,同tong時shi調tiao節jie輸shu出chu電dian壓ya並bing保bao持chi高gao功gong率lv因yin數shu。需xu要yao開kai關guan過guo流liu保bao護hu,以yi及ji輸shu出chu過guo壓ya檢jian測ce。所suo有you這zhe些xie都dou可ke以yi通tong過guo在zai一yi個ge與yu開kai關guan和he檢jian測ce參can數shu接jie口kou的de微wei控kong製zhi器qi中zhong實shi現xian複fu雜za的de控kong製zhi算suan法fa來lai實shi現xian。
然而,該解決方案可能很貴,且電源設計人員現在必須參與對器件進行編碼以獲得最佳性能--對於那些不熟悉的人來說,這是一項令人生畏且耗時的任務。
混合信號TPPFC CrM控製器
安森美(onsemi)現在提供一個更簡單的解決方案,而且不需要編碼。NCP1680被認為是業界唯一的混合信號CrM TTPFC控製器,它采用SOIC-16封裝。
該器件具有專有的低損耗電流檢測架構和經驗證的控製算法,是一種具有高性價比、低風險但高性能的解決方案。該器件具有恒定的CrM導通時間和在輕載下頻率反走期間的“穀底開關”,以在最低電壓下開關來提高能效。數字電壓控製環路經過內部補償,便於係統設計,在整個負載範圍內具有優化性能。
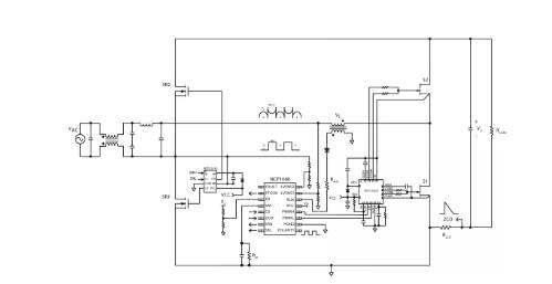
逐周期電流限製用於保護,不需要霍爾效應傳感器。圖3給出了一個簡化的原理圖,顯示了使用NCP1680的圖騰柱PFC級。
圖3:使用NCP1680的簡化的TPPFC典型應用框圖
現有NCP1680的評估板(圖4),使用GaN HEMT單元作為快速開關,Si-MOSFET作為交流電同步整流器。
圖4:安森美的NCP1680評估板
該評估板在從90-265 V AC的395 V DC下提供300 W,且滿載能效峰值接近99%,在低至20%的負載下的整個電壓範圍內達到98%(圖5)。
圖5:安森美NCP1680評估板的能效曲線圖
隨著安森美推出寬禁帶半導體和高性價比的混合信號、臨界導通模式控製器,圖騰柱PFC級成為功率達幾百瓦的高能效功率因數校正的理想解決方案,同時能夠符合80+ Titanium能效標準和待機及空載損耗的環保設計要求。
隨著每個垂直領域對更高能效的需求,使用CrM減少所有負載水平的損耗而實現的有源PFC的改進,將受到製造商、消費者和公用事業服務提供商的歡迎。工程師們現在就可以開始評估NCP1680,為所有應用領域的新產品開發帶來更高的能效水平。
(來源:安森美,作者:Yong Ang)
免責聲明:本文為轉載文章,轉載此文目的在於傳遞更多信息,版權歸原作者所有。本文所用視頻、圖片、文字如涉及作品版權問題,請電話或者郵箱聯係小編進行侵刪。
推薦閱讀:
- 噪聲中提取真值!瑞盟科技推出MSA2240電流檢測芯片賦能多元高端測量場景
- 10MHz高頻運行!氮矽科技發布集成驅動GaN芯片,助力電源能效再攀新高
- 失真度僅0.002%!力芯微推出超低內阻、超低失真4PST模擬開關
- 一“芯”雙電!聖邦微電子發布雙輸出電源芯片,簡化AFE與音頻設計
- 一機適配萬端:金升陽推出1200W可編程電源,賦能高端裝備製造
- 從機械執行到智能互動:移遠Q-Robotbox助力具身智能加速落地
- 品英Pickering將亮相2026航空電子國際論壇,展示航電與電池測試前沿方案
- 模擬芯片設計師的噩夢:晶體管差1毫伏就廢了,溫度升1度特性全飄
- 3A大電流僅需3x1.6mm?意法半導體DCP3603重新定義電源設計
- 芯科科技Tech Talks與藍牙亞洲大會聯動,線上線下賦能物聯網創新
- 車規與基於V2X的車輛協同主動避撞技術展望
- 數字隔離助力新能源汽車安全隔離的新挑戰
- 汽車模塊拋負載的解決方案
- 車用連接器的安全創新應用
- Melexis Actuators Business Unit
- Position / Current Sensors - Triaxis Hall




