充電器基礎知識以及電量計分區為何如此重要
發布時間:2024-09-11 責任編輯:lina
【導讀】電池充電係統的關鍵組件是充電器本身和電量計,電量計可電池充電狀態 (SOC)、電量耗盡時間和充滿電時間等指標。電量計可在主機端或電池組中實現(見圖 1)。
電池充電係統的關鍵組件是充電器本身和電量計,電量計可電池充電狀態 (SOC)、電量耗盡時間和充滿電時間等指標。電量計可在主機端或電池組中實現(見圖 1)。
圖1. 電池電量計可以集成在主機端,或集成在電池包中。
當在電池組中實施時,電量計需要非易失性存儲器來存儲電池信息。電源路徑上的 MOSFET 可監控充電/放電電流並防止危險情況。Analog Devices 的 MAX17330 等設備是一種電池電量計,具有內置保護電路和電池充電器功能(見圖 2)。
圖 2. 帶有充電 MOSFET 調節器的電量計框圖。圖片由 Bodo’s Power Systems 提供
圖 3. 高壓/大電流快速充電係統框圖。圖片由 Bodo’s Power Systems提供
充電MOSFET可以精細調節,以實現線性充電器,當充電源限製為 5 V 且充電電流在 500 mA 範圍內時,該充電器可以用作獨立設備。由於鋰電池充電超過 3.6 V 的充電曲線的 99%,因此功耗有限。
通過在充電器前麵使用降壓轉換器來調節其輸出電壓,可以適應高壓充電源和高充電電流(見圖 3)。這還可以限度地減少壓降,從而降低充電 MOSFET 上的功耗(見圖 4)。
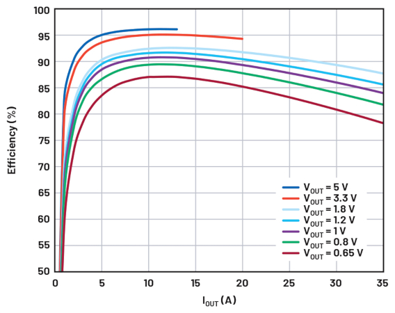
圖 4. 使用降壓轉換器調節輸出電壓,以高效率實現 10 A 充電電流。此處顯示的是 MAX20743 降壓轉換器,V IN = 12 V。圖片由 Bodo’s Power Systems提供
在(zai)電(dian)池(chi)組(zu)中(zhong)安(an)裝(zhuang)電(dian)量(liang)計(ji)可(ke)使(shi)電(dian)池(chi)變(bian)得(de)智(zhi)能(neng),從(cong)而(er)實(shi)現(xian)充(chong)電(dian)方(fang)案(an)和(he)功(gong)能(neng)。例(li)如(ru),電(dian)量(liang)計(ji)可(ke)以(yi)在(zai)其(qi)非(fei)易(yi)失(shi)性(xing)存(cun)儲(chu)器(qi)中(zhong)存(cun)儲(chu)適(shi)合(he)電(dian)池(chi)組(zu)內(nei)電(dian)池(chi)的(de)充(chong)電(dian)配(pei)置(zhi)文(wen)件(jian)。這(zhe)還(hai)具(ju)有(you)從(cong)主(zhu)機(ji)微(wei)控(kong)製(zhi)器(qi)單(dan)元(yuan) (MCU) 卸載充電的額外好處。現在,主機 MCU 隻需管理來自電池組的 ALRT 信號,即可根據收到的警報類型增加/減少降壓轉換器的輸出電壓。
CP:熱量限製→降低電壓。
CT: MOSFET 溫度限製→降低電壓。
電壓降: → 增加電壓
圖 5. 3.6 V 鋰電池的單電池快速充電。圖片由 Bodo’s Power Systems [PDF]提供
CP 是保護 MOSFET 中流動的電流可能影響散熱時設置的標誌。CT 是 MOSFET 溫度過高時設置的標誌。熱量限製和 MOSFET 限製設置使用 nChgCfg1 寄存器組進行配置。
可編程降壓轉換器(如 MAX20743)使用 PMBus 實現輸出電流的精細調節。降壓轉換器中的集成 MOSFET 支持高達 10 A 的充電電流。此外,由於 PMBus 使用 I 2 C 作為物理層,因此可以使用單個 I 2 C 總線來管理降壓轉換器和電量計。
以下示例顯示了對單個 3.6 V 鋰電池進行充電的方法。圖 5 顯示了充電係統中電壓和電流的時域形狀。具體來說,該圖顯示了電池電壓、電池電流和降壓轉換器的輸出電壓。
降壓轉換器輸出 (VPCK) 設置為高於電池電壓 50 mV。此輸出電壓不斷增加,以避免電壓跌落,並降低總功耗。
電池安全管理
由於快速充電涉及高電流,OEM 必須能夠保證安全充電。因此,智能快速充電器必須監控幾個重要參數作為其整體電池管理的一部分。例如,通過監控電池溫度和環境/室溫,快速充電器可以根據電池製造商的規格和建議確定何時降低充電電流和/或降低終止電壓以確保安全並延長電池壽命。
圖 6.六區 JEITA 溫度範圍。圖片由Bodo’s Power Systems 提供
圖 7. 帶有狀態機的分步充電配置文件,用於管理階段之間的過渡。圖片由 Bodo’s Power Systems [PDF]提供
電壓和電流可以根據溫度進行調整,以符合六區 JEITA 溫度設置(見圖 6)以及基於電池電壓的三區分步充電。
使用根據電池電壓改變充電電流的階梯式充電配置可以進一步延長電池壽命。圖 7 顯示了使用三個充電電壓和三個相應充電電流的階梯式充電配置。可以通過狀態機管理階段之間的轉換(另請參見圖 7)。
請注意,電流、電壓和溫度都是相互關聯的(見表 1 和表 2)。
在第 2 部分中,我們將探索使用評估套件和 Raspberry Pi 開發板實現並聯電池快速充電係統。
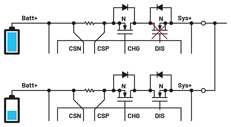
圖 8. 為防止交叉充電,當電池 ΔV >400 mV 時,高壓電池的放電將被阻止。圖片由 Bodo’s Power Systems提供
電池快速充電要點
將充電和電量計功能從主機端移至電池組,允許在 1S2P 配置中單獨控製每個電池。智能充電器本身可以根據充電配置管理自己的輸出,而不需要主機 MCU 來全麵管理充電。由於主機端的管理僅限於管理電量計生成的 ALRT 信號,因此係統可以輕鬆適應不同的電池組。
免責聲明:本文為轉載文章,轉載此文目的在於傳遞更多信息,版權歸原作者所有。本文所用視頻、圖片、文字如涉及作品版權問題,請聯係小編進行處理。
推薦閱讀:
- 噪聲中提取真值!瑞盟科技推出MSA2240電流檢測芯片賦能多元高端測量場景
- 10MHz高頻運行!氮矽科技發布集成驅動GaN芯片,助力電源能效再攀新高
- 失真度僅0.002%!力芯微推出超低內阻、超低失真4PST模擬開關
- 一“芯”雙電!聖邦微電子發布雙輸出電源芯片,簡化AFE與音頻設計
- 一機適配萬端:金升陽推出1200W可編程電源,賦能高端裝備製造
- 貿澤EIT係列新一期,探索AI如何重塑日常科技與用戶體驗
- 算力爆發遇上電源革新,大聯大世平集團攜手晶豐明源線上研討會解鎖應用落地
- 創新不止,創芯不已:第六屆ICDIA創芯展8月南京盛大啟幕!
- AI時代,為什麼存儲基礎設施的可靠性決定數據中心的經濟效益
- 矽典微ONELAB開發係列:為毫米波算法開發者打造的全棧工具鏈
- 車規與基於V2X的車輛協同主動避撞技術展望
- 數字隔離助力新能源汽車安全隔離的新挑戰
- 汽車模塊拋負載的解決方案
- 車用連接器的安全創新應用
- Melexis Actuators Business Unit
- Position / Current Sensors - Triaxis Hall




