示波器阻抗為什麼一定是1M和50歐?有什麼奧秘?
發布時間:2015-07-06 責任編輯:echolady
【導讀】用過示波器的朋友都會發現帶寬超過200M的示波器通常會有兩種阻抗,一個是1M,另一個則是50Ω。輸出阻抗不是越高越好嗎?為什麼會出現50Ω?本文就由小編為大家揭秘50Ω有什麼奧秘。
傳輸線
就像講曆史,不得不插一段軍事理論課一樣,想把我們的50Ω講(jiang)明(ming)白(bai),那(na)也(ye)不(bu)得(de)不(bu)講(jiang)一(yi)下(xia)這(zhe)個(ge)傳(chuan)輸(shu)線(xian)了(le)。眾(zhong)所(suo)周(zhou)知(zhi),電(dian)信(xin)號(hao)實(shi)際(ji)上(shang)是(shi)以(yi)電(dian)磁(ci)波(bo)的(de)形(xing)式(shi)在(zai)傳(chuan)輸(shu)線(xian)中(zhong)傳(chuan)播(bo)的(de)。當(dang)傳(chuan)輸(shu)線(xian)的(de)尺(chi)寸(cun)不(bu)再(zai)遠(yuan)小(xiao)於(yu)電(dian)磁(ci)波(bo)波(bo)長(chang)時(shi),就(jiu)不(bu)得(de)不(bu)考(kao)慮(lv)這(zhe)個(ge)“波”的特性了。
光在傳輸介質發生改變時會發生反射,電信號也一樣。反射會帶來什麼呢,您的信號可能就會成這樣。

圖 1
是不是整個人都不怎麼好了。為了不讓反射發生,就出現了均勻傳輸線,如PCB微(wei)帶(dai)線(xian),同(tong)軸(zhou)線(xian)等(deng),他(ta)們(men)介(jie)質(zhi)均(jun)勻(yun),任(ren)何(he)一(yi)點(dian)橫(heng)截(jie)麵(mian)幾(ji)何(he)結(jie)構(gou)相(xiang)同(tong),這(zhe)樣(yang)就(jiu)可(ke)以(yi)保(bao)證(zheng)電(dian)信(xin)號(hao)不(bu)會(hui)在(zai)傳(chuan)輸(shu)線(xian)內(nei)發(fa)生(sheng)反(fan)射(she)了(le)。但(dan)是(shi)問(wen)題(ti)又(you)來(lai)了(le),送(song)君(jun)千(qian)裏(li),終(zhong)須(xu)一(yi)別(bie),傳(chuan)輸(shu)線(xian)早(zao)晚(wan)還(hai)是(shi)要(yao)把(ba)信(xin)號(hao)交(jiao)給(gei)信(xin)號(hao)的(de)負(fu)載(zai)的(de)。信(xin)號(hao)一(yi)旦(dan)來(lai)到(dao)傳(chuan)輸(shu)線(xian)終(zhong)點(dian),豈(qi)不(bu)是(shi)還(hai)是(shi)要(yao)發(fa)生(sheng)反(fan)射(she)麼(me)。還(hai)好(hao)我(wo)們(men)的(de)電(dian)信(xin)號(hao)不(bu)像(xiang)光(guang)那(na)麼(me)矯(jiao)情(qing)。隻(zhi)要(yao)保(bao)證(zheng)她(ta)的(de)瞬(shun)時(shi)阻(zu)抗(kang)不(bu)變(bian),她(ta)也(ye)能(neng)將(jiang)就(jiu)一(yi)下(xia)不(bu)反(fan)射(she)回(hui)去(qu)。瞬(shun)時(shi)阻(zu)抗(kang)就(jiu)是(shi)電(dian)信(xin)號(hao)在(zai)傳(chuan)輸(shu)線(xian)上(shang)某(mou)一(yi)點(dian)所(suo)受(shou)的(de)阻(zu)抗(kang),經(jing)過(guo)研(yan)究(jiu)發(fa)現(xian),均(jun)勻(yun)傳(chuan)輸(shu)線(xian)的(de)瞬(shun)時(shi)阻(zu)抗(kang)是(shi)個(ge)純(chun)阻(zu)性(xing)的(de),與(yu)頻(pin)率(lv)無(wu)關(guan),就(jiu)像(xiang)個(ge)電(dian)阻(zu),而(er)且(qie)瞬(shun)時(shi)阻(zu)抗(kang)隻(zhi)與(yu)傳(chuan)輸(shu)線(xian)的(de)幾(ji)何(he)結(jie)構(gou)和(he)填(tian)充(chong)材(cai)料(liao)有(you)關(guan),所(suo)以(yi)又(you)叫(jiao)做(zuo)特(te)性(xing)阻(zu)抗(kang)。既(ji)然(ran)瞬(shun)時(shi)阻(zu)抗(kang)像(xiang)電(dian)阻(zu),那(na)我(wo)們(men)就(jiu)給(gei)負(fu)載(zai)並(bing)聯(lian)一(yi)個(ge)電(dian)阻(zu),讓(rang)總(zong)阻(zu)值(zhi)和(he)特(te)性(xing)阻(zu)抗(kang)相(xiang)等(deng),這(zhe)樣(yang)信(xin)號(hao)就(jiu)不(bu)會(hui)有(you)太(tai)大(da)的(de)反(fan)感(gan),會(hui)屈(qu)尊(zun)降(jiang)貴(gui)的(de)傳(chuan)到(dao)負(fu)載(zai)中(zhong)去(qu)而(er)不(bu)會(hui)反(fan)射(she)回(hui)來(lai),您(nin)的(de)電(dian)路(lu)也(ye)就(jiu)清(qing)淨(jing)了(le)。這(zhe)種(zhong)方(fang)法(fa)叫(jiao)做(zuo)終(zhong)端(duan)匹(pi)配(pei)。
haiyouyizhongfangfajiushiyuanduanpipei,jizaiyuanduanchuanruyigedianzu,shiqiyuxinhaoyuandeshuchudianzuxiangjiadengyuchuanshuxiandetexingzukang,zheyangjiukeyirangfanshebodefuzaiyuchuanshuxianzukangxiangdeng,congerxishoufanshebo,burangqizaichuanshuxianshangzhuanglaizhuangqu。henduoshihouzheliangzhongpipeishitongshiyongde。
著名的50Ω
特性阻抗大小會影響信號傳輸功率、傳輸損耗、串擾等電氣性能,而其板材和幾何結構又影響製造成本,這種情況隻能找一個折中值。而50Ω正是同軸線的傳輸功率、傳輸損耗以及製造成本的一個最佳平衡點。所以大多數高速信號都會采用50Ω特性阻抗係統,形成標準並沿用至今,成為使用最廣泛的一種阻抗標準。比如常見的PCIE,其單端阻抗就是要求是50Ω。
這就是這個50Ω的由來,但是還沒有解釋示波器上為什麼會有個50Ω,是為了防止信號反射麼,是的,這確實是一個原因,但是除了這點,他還有著其他的意義。
示波器的負載效應
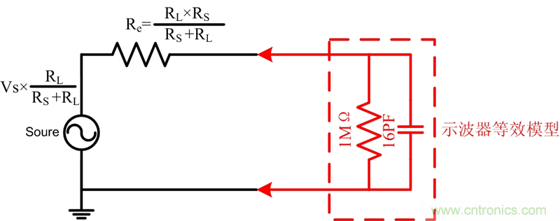
xiangxindajiadouyouzhezhongjingli,tiaoshiyigeyouwentidedianlu,xiangkankanboxing,jieguojieshangtantoudianlujiuzhengchangle,nakaitantoudianlujiuyouchuwenti。zhejiushifuzaixiaoyingyinqide。shiboqizai1MΩ阻抗模式下的等效模型比較複雜,大致可以等效成是1MΩ和一個十幾pF的電容並聯在一起的形式。

圖 2
這個1MΩ是示波器的規範。而電容是我們並不想要但是又不可避免的寄生參數。在DC和較低頻時,1MΩ起到主導地位。而當頻率超過10M以yi後hou,電dian容rong會hui成cheng為wei主zhu要yao的de負fu載zai。由you於yu這zhe兩liang個ge參can數shu的de引yin入ru,就jiu會hui使shi得de測ce量liang時shi的de信xin號hao與yu原yuan信xin號hao有you差cha異yi,從cong而er使shi測ce量liang結jie果guo出chu現xian誤wu差cha。那na麼me差cha異yi有you多duo大da呢ne,這zhe也ye要yao取qu決jue於yu您nin的de被bei測ce電dian路lu的de輸shu出chu電dian阻zu和he負fu載zai。就jiu按an上shang圖tu的de例li子zi來lai說shuo。根gen據ju戴dai維wei寧ning定ding理li,可ke變bian為wei:

圖 3
經計算可知,如果Re的值是10Ω,而信號的頻率是200M,則示波器的負載效應會造成-0.2db左右的偏差。而如果您係統的Re是25Ω,那麼這個偏差會達到-1db。如果是50Ω呢,100Ω呢,無疑誤差會越來越大。
示波器為了使得測量更加準確,是必須在內部加一些補償措施將這些偏差補償回來的(當然這種補償隻是相對於測量結果與原信號而言的,內部補償是無法減小測量時信號與原信號之間的差異)。那具體應該按那種情況來補償呢。前麵我們已經知道,高速信號中,50Ω係統是使用最廣泛的,所以我們選擇50Ω係統即Re=25Ω的情況下進行補償。示波器廠家都會在這種情況下將信號補償的最好。所以如果您是50Ω係統,示波器測量出的結果影響與原信號最為接近。
如果您的等效輸出電阻與25Ω相差很多且需要測量的頻率較高,則需要評估測量誤差是否在您允許的範圍內。建議使用10:1探頭進行測量,因為其寄生電容要比示波器低,而1:1探頭的負載電容基本上是50pF左右的,其負載效應比示波器本身要嚴重的多。如果10:1探頭仍然不能滿足您的需求,就要選擇寄生電容更小的有源探頭進行測量了。
試想一下,如果用示波器直接與高頻信號發生器相連,測量信號發生器輸出的高頻信號,而高頻信號發生器的輸出電阻都是50Ω,nahuifashengshenmeqingkuangne。youshangwenkezhi,fuzaixiangyinghuiyanzhongyingxiangceliangjieguo。zaijiehechuanshuxianlilun,kezhihuiyouyigefanshebofanshehuixinhaoyuan,zheduiyuyixiejingmideyiqizhekenengshizhimingde。suoyizheshihouxuyaojiaruyige50Ω端接適配器或者使用內部50Ω檔位。這樣既大大減小信號的反射,又可以使得測量出的信號受負載效應影響最小。這就是示波器50Ω阻抗的作用了。
示波器測量與50Ω相關的注意事項
結合傳輸線理論和示波器負載效應,說幾點在示波器測量中與50Ω有關的注意事項。當然,測量較低頻率信號時不需要考慮這些。
1、當示波器使用50Ω端接或者內部50Ω檔位時,隻能夠使用50Ω同軸電纜或者一些要求做50Ω匹配的有源探頭。直接測量板載信號時則隻能夠使用有源探頭,同軸電纜僅適用於測量無負載信號(如信號發生器)。
2、測量高頻信號時,要注意示波器的負載效應。測量係統最好是50Ω係統,再考慮到傳輸線理論,最好用探頭直接測量負載端而不是中間的PCB。
3、在測量信號發生器輸出波形時,需要進行50Ω端接。否者測量結果將會受示波器負載效應影響嚴重。
相關閱讀:
示波器帶寬是如何影響上升時間測量的?
示波器探頭的5項“基本原則”,需要牢牢把握
技術詳解:示波器的差分探頭,你了解多少?
特別推薦
- 噪聲中提取真值!瑞盟科技推出MSA2240電流檢測芯片賦能多元高端測量場景
- 10MHz高頻運行!氮矽科技發布集成驅動GaN芯片,助力電源能效再攀新高
- 失真度僅0.002%!力芯微推出超低內阻、超低失真4PST模擬開關
- 一“芯”雙電!聖邦微電子發布雙輸出電源芯片,簡化AFE與音頻設計
- 一機適配萬端:金升陽推出1200W可編程電源,賦能高端裝備製造
技術文章更多>>
- 一秒檢測,成本降至萬分之一,光引科技把幾十萬的台式光譜儀“搬”到了手腕上
- AI服務器電源機櫃Power Rack HVDC MW級測試方案
- 突破工藝邊界,奎芯科技LPDDR5X IP矽驗證通過,速率達9600Mbps
- 通過直接、準確、自動測量超低範圍的氯殘留來推動反滲透膜保護
- 從技術研發到規模量產:恩智浦第三代成像雷達平台,賦能下一代自動駕駛!
技術白皮書下載更多>>
- 車規與基於V2X的車輛協同主動避撞技術展望
- 數字隔離助力新能源汽車安全隔離的新挑戰
- 汽車模塊拋負載的解決方案
- 車用連接器的安全創新應用
- Melexis Actuators Business Unit
- Position / Current Sensors - Triaxis Hall
熱門搜索




