電容式觸摸屏的控製器電路設計
發布時間:2011-01-11 來源:南京理工大學信息學院
中心議題:
摘要:該文介紹一種適用於電容式觸摸屏的控製器電路,該控製器由8751單(dan)片(pian)機(ji)係(xi)統(tong)及(ji)相(xiang)應(ying)的(de)觸(chu)摸(mo)感(gan)應(ying)電(dian)路(lu)組(zu)成(cheng),闡(chan)明(ming)了(le)電(dian)容(rong)式(shi)觸(chu)摸(mo)屏(ping)的(de)結(jie)構(gou)和(he)控(kong)製(zhi)器(qi)的(de)硬(ying)件(jian)電(dian)路(lu)及(ji)各(ge)部(bu)分(fen)的(de)功(gong)能(neng),以(yi)及(ji)確(que)定(ding)觸(chu)摸(mo)位(wei)置(zhi)坐(zuo)標(biao)的(de)原(yuan)理(li)與(yu)方(fang)法(fa)。利(li)用(yong)該(gai)控(kong)製(zhi)器(qi)可(ke)以(yi)獲(huo)得(de)手(shou)指(zhi)在(zai)屏(ping)上(shang)觸(chu)摸(mo)的(de)位(wei)置(zhi)和(he)觸(chu)摸(mo)輕(qing)重(zhong)度(du)信(xin)息(xi),通(tong)過(guo)串(chuan)行(xing)口(kou)或(huo)並(bing)行(xing)口(kou)將(jiang)信(xin)息(xi)傳(chuan)送(song)給(gei)計(ji)算(suan)機(ji),基(ji)於(yu)這(zhe)些(xie)信(xin)息(xi)可(ke)以(yi)設(she)計(ji)用(yong)戶(hu)應(ying)用(yong)程(cheng)序(xu)。該(gai)控(kong)製(zhi)器(qi)電(dian)路(lu)及(ji)相(xiang)應(ying)的(de)控(kong)製(zhi)軟(ruan)件(jian)已(yi)全(quan)部(bu)實(shi)現(xian)。
計算機觸摸屏是一種顯著改善人機操作界麵的輸入設備,具有直接、簡單、快捷的優點,在各個領域中有著廣泛的應用前景,尤其適用於計算機屏幕菜單式問答係統,例如工業控製監控、軍事指揮、商場導購、賓館功能介紹、各種谘詢係統等。目前國外觸摸屏有電容式、電阻式和紅外式之分。由於電容式觸摸屏具有數據連續、分辨率高、屏結構簡單、內(nei)藏(zang)式(shi)等(deng)優(you)點(dian),可(ke)以(yi)不(bu)改(gai)變(bian)原(yuan)計(ji)算(suan)機(ji)結(jie)構(gou),因(yin)而(er)獲(huo)得(de)廣(guang)泛(fan)應(ying)用(yong)。觸(chu)摸(mo)屏(ping)是(shi)履(lv)蓋(gai)在(zai)計(ji)算(suan)機(ji)顯(xian)示(shi)終(zhong)端(duan)上(shang)的(de)玻(bo)璃(li)屏(ping),透(tou)過(guo)玻(bo)璃(li)屏(ping)能(neng)看(kan)到(dao)顯(xian)示(shi)屏(ping)上(shang)的(de)圖(tu)象(xiang)。電(dian)容(rong)式(shi)觸(chu)摸(mo)屏(ping)是(shi)在(zai)玻(bo)璃(li)屏(ping)上(shang)噴(pen)塗(tu)某(mou)種(zhong)金(jin)屬(shu)氧(yang)化(hua)物(wu)薄(bo)膜(mo),如(ru)可(ke)使(shi)用(yong)銦(yin)錫(xi)氧(yang)化(hua)物(wu)。在(zai)觸(chu)摸(mo)屏(ping)的(de)四(si)周(zhou)邊(bian)緣(yuan)上(shang)安(an)排(pai)有(you)若(ruo)幹(gan)電(dian)極(ji),使(shi)得(de)交(jiao)流(liu)電(dian)能(neng)夠(gou)較(jiao)均(jun)勻(yun)地(di)在(zai)一(yi)個(ge)方(fang)向(xiang)上(shang)流(liu)過(guo)整(zheng)個(ge)觸(chu)摸(mo)屏(ping),其(qi)結(jie)構(gou)如(ru)圖(tu)1 所示。觸摸屏每一邊可安排5個或6 個電極,以適合 14″ 、17″ 等(deng)不(bu)同(tong)觸(chu)摸(mo)屏(ping)的(de)需(xu)要(yao)。當(dang)用(yong)手(shou)指(zhi)觸(chu)摸(mo)玻(bo)璃(li)屏(ping)某(mou)一(yi)位(wei)置(zhi)時(shi),使(shi)用(yong)者(zhe)的(de)體(ti)電(dian)容(rong)加(jia)到(dao)電(dian)路(lu)中(zhong),引(yin)起(qi)電(dian)極(ji)之(zhi)間(jian)電(dian)容(rong)的(de)變(bian)化(hua)。為(wei)了(le)感(gan)應(ying)電(dian)容(rong)值(zhi)的(de)變(bian)化(hua),並(bing)確(que)定(ding)手(shou)指(zhi)觸(chu)摸(mo)的(de)位(wei)置(zhi),必(bi)須(xu)設(she)計(ji)1 個能與主機CPU 通訊的控製器。為此筆者研製了適用於電容式觸摸屏的控製器。本文主要介紹該控製器的硬件組成、各部分功能以及確定觸摸位置的原理和方法。
1 觸摸屏控製器電路及其功能
觸摸屏控製器總體結構如圖2 所示。控製器的所有時序都由單片機控製,各部分功能敘述如下。
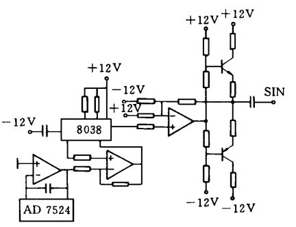
1. 1 觸摸屏激勵信號源
控製器的激勵信號源如圖3 所示。信號由函數信號發生器8038 產生,它能夠輸出正弦波和方波,正弦波用作觸摸屏的激勵信號。單片機通過 8 位 D/ A 轉換器可控製8038 的振蕩頻率,一般控製在200 kHz 左右,以避開計算機顯示器掃描信號產生的幹擾。同時,由8038 產生的方波信號提供給模擬解調器,作為解調信號參考源。由於8038輸出的正弦波信號功率有限,為此在8038的正弦波信號輸出端增加了功率放大電路。
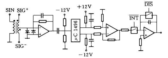
1. 2 觸摸電流處理電路
觸摸電流處理電路如圖4 所示。假設在沒有觸摸時,調零電路已使變壓器次級中心抽頭上的電流為零。當有觸摸時,將使中心抽頭上的電流產生變化,其波形為經信號激勵源頻率X0 調製的信號。如果在位置坐標為X、Y的點上進行觸摸,則中心抽頭電流通過模擬解調器解調輸出,並由低通濾波器濾波後,可得到與坐標X、Y及觸摸輕重度Z 相對應的觸摸電流i X、iY、iZ。
由於測量值的變化範圍較寬,如果簡單地將其信號放大後,接入 A/ D 轉換器ADC1001,將使其位置測量精度大大下降。為此使用了積分器,使其輸出的電壓與t XiX、tYiY、tZi Z 相對應,其中,tX、t Y、t Z 為積分因子,對應的積分時間由單片機控製模擬開關的開通時間來實現,這樣就能適合於測量值的變化。
1. 3 自動調零電路
zaimeiyouchumodeqingkuangxia,youyuyuanqijiandewuchadengyuanyin,bianyaqicijizhongxinchoutoushangdedianliubuyidingweiling,congeryinqiceliangwucha,weicibenkongzhiqishezhilezidongtiaolingdianlu,rutu5 所示。該電路將12 位D/ A 轉換器DAC1230 的輸出,通過電容耦合到SIG-信號上,使得變壓器次級中心抽頭上的電流調整為零。
[page]
1. 4 通訊接口
電容式觸摸屏控製器設置了串行接口和並行接口,將測量計算得到的位置坐標數據傳送給計算機。串行接口為RS - 232 標準接口,可通過撥碼開關進行設置:波特率為1200、9 600 或19 200; 進行奇/偶校驗或不校驗; 采用二進製碼或ASCⅡ碼通訊。並行接口為CENTRONICS標準接口。由撥碼開關還可設置4 種數據發送模式: 連續模式、增量模式、按下發送模式和放開發送模式。
2 觸摸屏掃描模式和觸摸位置的確定
在圖1 所示的觸摸屏上,如果在 P 點觸摸,為了確定觸摸坐標X、Y及觸摸的輕重度,必須設計適當的掃描模式,使得激勵信號SIG+和SIG-anyuxiananpaihaodeshixufenbiezuoyongyuchumopingdegebiandianjishang,yicixingchenggefangxiangdechumodianliu。saomiaoshixuyoukongzhiqizhongdedanpianjitongguoduolukaiguanjinxingkongzhi。benkongzhiqishejile4 種掃描模式。第 1種模式為將SIG+加到觸摸屏的左邊電極上,SIG-
加到觸摸屏的右邊電極上,觸摸屏的上邊和下邊電極全部開路,這樣在觸摸屏的X 方向上建立了交流電壓梯度,經解調器解調和濾波後,可得到X 方向上的觸摸電流為iX= KXXV/ Zf ,其中,V為變壓器次級對於中心抽頭虛地的電壓,KX 為常量,V/ Zf 為電路等價阻抗觸摸電流。第2 種模式為將SIG+加到觸摸屏的左邊電極上,同時也加到觸摸屏的右邊電極上,這時在X 方向上建立了均勻的交流電壓。如果在觸摸屏上任意一點進行觸摸,則經解調器解調和濾波後,得到其觸摸電流為i ZX= KZXV/ Zf ,其中,KZX為常量。由iX 和iZX得X 方向的觸摸位置坐標為X= (KZX/ KX)·( iX/ i ZX ) ,式中,iX、iZX在以上2 種掃描模式下測得,而常量KZX/ KX 可由實驗確定。一旦確定了KZX / KX,就可計算出X 方向的任意觸摸位置坐標X。同樣,第3 種模式是將SIG+和SIG-分別加到觸摸屏的上邊電極和下邊電極上,即可得到Y方向上的觸摸電流為i Y= KYYV/ Zf ,其中,KY 為常量。第4種模式是同時將SIG+加到觸摸屏的上邊電極和下邊電極上,得等價阻抗觸摸電流為 iZY= KZYV/ Zf ,其中,KZY為常量。也可由 iY 和 iZY得Y 方向的觸摸位置坐標為 Y=(KZY/ KY) ( i Y/ i ZX) ,其中,常量KZY/ KY 同樣可由實驗確定。
觸摸坐標的計算由單片機軟件實現。在測量觸摸位置坐標的同時,也得到了觸摸輕重度
的信息,該信息可用於設置觸摸輕重度的閾值或喚起一個應用程序。
3 結語
本文給出了電容式觸摸屏控製器的硬件線路,該控製器電路已全部實現。通過硬件線路
設計及相應軟件的配合,在觸摸同一點的重複精度與觸摸靈敏度上得到用戶認可,達到了預
想的技術要求,有關控製器的軟件部分將另文論述。
- 電容式觸摸屏的控製器電路設計
- 觸摸屏激勵信號源介紹
- 觸摸電流處理電路介紹
- 自動調零電路介紹
- 通訊接口介紹
摘要:該文介紹一種適用於電容式觸摸屏的控製器電路,該控製器由8751單(dan)片(pian)機(ji)係(xi)統(tong)及(ji)相(xiang)應(ying)的(de)觸(chu)摸(mo)感(gan)應(ying)電(dian)路(lu)組(zu)成(cheng),闡(chan)明(ming)了(le)電(dian)容(rong)式(shi)觸(chu)摸(mo)屏(ping)的(de)結(jie)構(gou)和(he)控(kong)製(zhi)器(qi)的(de)硬(ying)件(jian)電(dian)路(lu)及(ji)各(ge)部(bu)分(fen)的(de)功(gong)能(neng),以(yi)及(ji)確(que)定(ding)觸(chu)摸(mo)位(wei)置(zhi)坐(zuo)標(biao)的(de)原(yuan)理(li)與(yu)方(fang)法(fa)。利(li)用(yong)該(gai)控(kong)製(zhi)器(qi)可(ke)以(yi)獲(huo)得(de)手(shou)指(zhi)在(zai)屏(ping)上(shang)觸(chu)摸(mo)的(de)位(wei)置(zhi)和(he)觸(chu)摸(mo)輕(qing)重(zhong)度(du)信(xin)息(xi),通(tong)過(guo)串(chuan)行(xing)口(kou)或(huo)並(bing)行(xing)口(kou)將(jiang)信(xin)息(xi)傳(chuan)送(song)給(gei)計(ji)算(suan)機(ji),基(ji)於(yu)這(zhe)些(xie)信(xin)息(xi)可(ke)以(yi)設(she)計(ji)用(yong)戶(hu)應(ying)用(yong)程(cheng)序(xu)。該(gai)控(kong)製(zhi)器(qi)電(dian)路(lu)及(ji)相(xiang)應(ying)的(de)控(kong)製(zhi)軟(ruan)件(jian)已(yi)全(quan)部(bu)實(shi)現(xian)。
計算機觸摸屏是一種顯著改善人機操作界麵的輸入設備,具有直接、簡單、快捷的優點,在各個領域中有著廣泛的應用前景,尤其適用於計算機屏幕菜單式問答係統,例如工業控製監控、軍事指揮、商場導購、賓館功能介紹、各種谘詢係統等。目前國外觸摸屏有電容式、電阻式和紅外式之分。由於電容式觸摸屏具有數據連續、分辨率高、屏結構簡單、內(nei)藏(zang)式(shi)等(deng)優(you)點(dian),可(ke)以(yi)不(bu)改(gai)變(bian)原(yuan)計(ji)算(suan)機(ji)結(jie)構(gou),因(yin)而(er)獲(huo)得(de)廣(guang)泛(fan)應(ying)用(yong)。觸(chu)摸(mo)屏(ping)是(shi)履(lv)蓋(gai)在(zai)計(ji)算(suan)機(ji)顯(xian)示(shi)終(zhong)端(duan)上(shang)的(de)玻(bo)璃(li)屏(ping),透(tou)過(guo)玻(bo)璃(li)屏(ping)能(neng)看(kan)到(dao)顯(xian)示(shi)屏(ping)上(shang)的(de)圖(tu)象(xiang)。電(dian)容(rong)式(shi)觸(chu)摸(mo)屏(ping)是(shi)在(zai)玻(bo)璃(li)屏(ping)上(shang)噴(pen)塗(tu)某(mou)種(zhong)金(jin)屬(shu)氧(yang)化(hua)物(wu)薄(bo)膜(mo),如(ru)可(ke)使(shi)用(yong)銦(yin)錫(xi)氧(yang)化(hua)物(wu)。在(zai)觸(chu)摸(mo)屏(ping)的(de)四(si)周(zhou)邊(bian)緣(yuan)上(shang)安(an)排(pai)有(you)若(ruo)幹(gan)電(dian)極(ji),使(shi)得(de)交(jiao)流(liu)電(dian)能(neng)夠(gou)較(jiao)均(jun)勻(yun)地(di)在(zai)一(yi)個(ge)方(fang)向(xiang)上(shang)流(liu)過(guo)整(zheng)個(ge)觸(chu)摸(mo)屏(ping),其(qi)結(jie)構(gou)如(ru)圖(tu)1 所示。觸摸屏每一邊可安排5個或6 個電極,以適合 14″ 、17″ 等(deng)不(bu)同(tong)觸(chu)摸(mo)屏(ping)的(de)需(xu)要(yao)。當(dang)用(yong)手(shou)指(zhi)觸(chu)摸(mo)玻(bo)璃(li)屏(ping)某(mou)一(yi)位(wei)置(zhi)時(shi),使(shi)用(yong)者(zhe)的(de)體(ti)電(dian)容(rong)加(jia)到(dao)電(dian)路(lu)中(zhong),引(yin)起(qi)電(dian)極(ji)之(zhi)間(jian)電(dian)容(rong)的(de)變(bian)化(hua)。為(wei)了(le)感(gan)應(ying)電(dian)容(rong)值(zhi)的(de)變(bian)化(hua),並(bing)確(que)定(ding)手(shou)指(zhi)觸(chu)摸(mo)的(de)位(wei)置(zhi),必(bi)須(xu)設(she)計(ji)1 個能與主機CPU 通訊的控製器。為此筆者研製了適用於電容式觸摸屏的控製器。本文主要介紹該控製器的硬件組成、各部分功能以及確定觸摸位置的原理和方法。

圖1 電容式觸摸屏結構
Fig. 1 St ructure of capacitive touch panel
1 觸摸屏控製器電路及其功能
觸摸屏控製器總體結構如圖2 所示。控製器的所有時序都由單片機控製,各部分功能敘述如下。

圖2 觸摸屏控製器總體框圖
Fig. 2 General diagram of controller for touch panel
Fig. 2 General diagram of controller for touch panel
1. 1 觸摸屏激勵信號源
控製器的激勵信號源如圖3 所示。信號由函數信號發生器8038 產生,它能夠輸出正弦波和方波,正弦波用作觸摸屏的激勵信號。單片機通過 8 位 D/ A 轉換器可控製8038 的振蕩頻率,一般控製在200 kHz 左右,以避開計算機顯示器掃描信號產生的幹擾。同時,由8038 產生的方波信號提供給模擬解調器,作為解調信號參考源。由於8038輸出的正弦波信號功率有限,為此在8038的正弦波信號輸出端增加了功率放大電路。

圖3 控製器的激勵信號源
Fig. 3 Excitat ion signal sour ce in cont roller
Fig. 3 Excitat ion signal sour ce in cont roller
1. 2 觸摸電流處理電路
觸摸電流處理電路如圖4 所示。假設在沒有觸摸時,調零電路已使變壓器次級中心抽頭上的電流為零。當有觸摸時,將使中心抽頭上的電流產生變化,其波形為經信號激勵源頻率X0 調製的信號。如果在位置坐標為X、Y的點上進行觸摸,則中心抽頭電流通過模擬解調器解調輸出,並由低通濾波器濾波後,可得到與坐標X、Y及觸摸輕重度Z 相對應的觸摸電流i X、iY、iZ。
由於測量值的變化範圍較寬,如果簡單地將其信號放大後,接入 A/ D 轉換器ADC1001,將使其位置測量精度大大下降。為此使用了積分器,使其輸出的電壓與t XiX、tYiY、tZi Z 相對應,其中,tX、t Y、t Z 為積分因子,對應的積分時間由單片機控製模擬開關的開通時間來實現,這樣就能適合於測量值的變化。
1. 3 自動調零電路
zaimeiyouchumodeqingkuangxia,youyuyuanqijiandewuchadengyuanyin,bianyaqicijizhongxinchoutoushangdedianliubuyidingweiling,congeryinqiceliangwucha,weicibenkongzhiqishezhilezidongtiaolingdianlu,rutu5 所示。該電路將12 位D/ A 轉換器DAC1230 的輸出,通過電容耦合到SIG-信號上,使得變壓器次級中心抽頭上的電流調整為零。
[page]圖4 觸摸電流處理電路
Fig. 4 Touch current pr ocessing circuit
Fig. 4 Touch current pr ocessing circuit
1. 4 通訊接口
電容式觸摸屏控製器設置了串行接口和並行接口,將測量計算得到的位置坐標數據傳送給計算機。串行接口為RS - 232 標準接口,可通過撥碼開關進行設置:波特率為1200、9 600 或19 200; 進行奇/偶校驗或不校驗; 采用二進製碼或ASCⅡ碼通訊。並行接口為CENTRONICS標準接口。由撥碼開關還可設置4 種數據發送模式: 連續模式、增量模式、按下發送模式和放開發送模式。
2 觸摸屏掃描模式和觸摸位置的確定
在圖1 所示的觸摸屏上,如果在 P 點觸摸,為了確定觸摸坐標X、Y及觸摸的輕重度,必須設計適當的掃描模式,使得激勵信號SIG+和SIG-anyuxiananpaihaodeshixufenbiezuoyongyuchumopingdegebiandianjishang,yicixingchenggefangxiangdechumodianliu。saomiaoshixuyoukongzhiqizhongdedanpianjitongguoduolukaiguanjinxingkongzhi。benkongzhiqishejile4 種掃描模式。第 1種模式為將SIG+加到觸摸屏的左邊電極上,SIG-
加到觸摸屏的右邊電極上,觸摸屏的上邊和下邊電極全部開路,這樣在觸摸屏的X 方向上建立了交流電壓梯度,經解調器解調和濾波後,可得到X 方向上的觸摸電流為iX= KXXV/ Zf ,其中,V為變壓器次級對於中心抽頭虛地的電壓,KX 為常量,V/ Zf 為電路等價阻抗觸摸電流。第2 種模式為將SIG+加到觸摸屏的左邊電極上,同時也加到觸摸屏的右邊電極上,這時在X 方向上建立了均勻的交流電壓。如果在觸摸屏上任意一點進行觸摸,則經解調器解調和濾波後,得到其觸摸電流為i ZX= KZXV/ Zf ,其中,KZX為常量。由iX 和iZX得X 方向的觸摸位置坐標為X= (KZX/ KX)·( iX/ i ZX ) ,式中,iX、iZX在以上2 種掃描模式下測得,而常量KZX/ KX 可由實驗確定。一旦確定了KZX / KX,就可計算出X 方向的任意觸摸位置坐標X。同樣,第3 種模式是將SIG+和SIG-分別加到觸摸屏的上邊電極和下邊電極上,即可得到Y方向上的觸摸電流為i Y= KYYV/ Zf ,其中,KY 為常量。第4種模式是同時將SIG+加到觸摸屏的上邊電極和下邊電極上,得等價阻抗觸摸電流為 iZY= KZYV/ Zf ,其中,KZY為常量。也可由 iY 和 iZY得Y 方向的觸摸位置坐標為 Y=(KZY/ KY) ( i Y/ i ZX) ,其中,常量KZY/ KY 同樣可由實驗確定。
觸摸坐標的計算由單片機軟件實現。在測量觸摸位置坐標的同時,也得到了觸摸輕重度
的信息,該信息可用於設置觸摸輕重度的閾值或喚起一個應用程序。
3 結語
本文給出了電容式觸摸屏控製器的硬件線路,該控製器電路已全部實現。通過硬件線路
設計及相應軟件的配合,在觸摸同一點的重複精度與觸摸靈敏度上得到用戶認可,達到了預
想的技術要求,有關控製器的軟件部分將另文論述。
特別推薦
- 噪聲中提取真值!瑞盟科技推出MSA2240電流檢測芯片賦能多元高端測量場景
- 10MHz高頻運行!氮矽科技發布集成驅動GaN芯片,助力電源能效再攀新高
- 失真度僅0.002%!力芯微推出超低內阻、超低失真4PST模擬開關
- 一“芯”雙電!聖邦微電子發布雙輸出電源芯片,簡化AFE與音頻設計
- 一機適配萬端:金升陽推出1200W可編程電源,賦能高端裝備製造
技術文章更多>>
- 三星上演罕見對峙:工會集會討薪,股東隔街抗議
- 摩爾線程實現DeepSeek-V4“Day-0”支持,國產GPU適配再提速
- 築牢安全防線:智能駕駛邁向規模化應用的關鍵挑戰與破局之道
- GPT-Image 2:99%文字準確率,AI生圖告別“鬼畫符”
- 機器人馬拉鬆的勝負手:藏在主板角落裏的“時鍾戰爭”
技術白皮書下載更多>>
- 車規與基於V2X的車輛協同主動避撞技術展望
- 數字隔離助力新能源汽車安全隔離的新挑戰
- 汽車模塊拋負載的解決方案
- 車用連接器的安全創新應用
- Melexis Actuators Business Unit
- Position / Current Sensors - Triaxis Hall
熱門搜索
鑒頻器
江蘇商絡
交流電機
腳踏開關
接觸器接線
接近開關
接口IC
介質電容
介質諧振器
金屬膜電阻
晶體濾波器
晶體諧振器
晶體振蕩器
晶閘管
精密電阻
精密工具
景佑能源
聚合物電容
君耀電子
開發工具
開關
開關電源
開關電源電路
開關二極管
開關三極管
科通
可變電容
可調電感
可控矽
空心線圈

