紅外遙控技術在汽車中的應用
發布時間:2011-10-11 來源:21IC
中心議題:
紅外線遙控是目前應用最廣泛的一種通信和遙控手段。由於紅外線遙控器具有體積小、功耗低、功能強、成本低等特點。因此,彩電、錄像機、音響設備、空調、玩具、門鈴以及遙控汽車路牌等其它小型裝置上也紛紛采用紅外線遙控。為改變目前汽車上的車頭路牌指示燈(以下簡稱車號器),無法靈活改變的缺陷,把紅外遙控用在其中,使其可以輕鬆實現遠距離、非接觸性的一次改變車號的目的,從而改變以前用人工翻牌的舊模式。
一、 汽車車號器的紅外遙控係統
汽車上的車號器,原用簡單的LED數碼管控製,使用起來很不方便,為了能遠離的控製它,就采用了紅外遙控。通常紅外遙控係統由發射和接收兩部分組成,應用編/解碼電路專用集成電路芯片來進行控製操作,如圖1所示,發射部分包括鍵盤矩陣、編碼調製、紅外發送器。接收部分包括光電轉換放大器、解調、解碼電路。紅外發送每次編碼的發送是一個鍵值,即一個十六進製的數據。為了達到一次能發送一組數據(如車次號,通常為三位十進製數),我們可以采用89C2051的軟件編碼/解碼的方法,先一次性輸入一組車號,按下發送鍵後,全部發送出;同時在接收時,用連續接收方法,一次性解碼所有數據。
二、 遙控發射器及其編碼
遙控發射器的專用芯片很多,但在汽車車號器遙控中,采用的是 89C2051 芯片。用P1口組成矩陣掃描反饋,獲取鍵值,用內部的定時器1產生一個38K的軟件定時中斷,驅動P1.0產生一個38K的方波,當作紅外線的調製基波,需要發送的數據,以串行方式,用波特率為1200,帶奇偶校驗的方式,直接送至TXD的串口發送端,而後TXD和P1.0進行邏輯與後,經過40106整形,用三極管驅動紅外發射管直接發出。其原理圖如下:
三、 紅外遙控接收器及其顯示
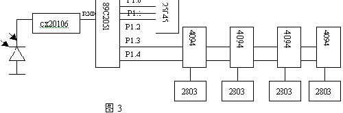
接收器部分,主要由CX20106和89C2051、顯示驅動4094、2803及數據存儲器和看門狗25045組成,用解碼芯片CX20106把38K的載波過濾後,得到一組波形,即以波特率為1200的串口數據,直接送至89C2051的RXD接收,用軟件讀取串口,輸入緩存,得到一組數據,判斷正確後,存放在非易失性的EEPROM25045中,同時直接用脈衝移位方式,送數據至4094,經2803驅動後顯示,同時用25045的(de)看(kan)門(men)狗(gou)定(ding)時(shi),保(bao)證(zheng)在(zai)程(cheng)序(xu)失(shi)控(kong)等(deng)情(qing)況(kuang)下(xia),能(neng)正(zheng)確(que)返(fan)回(hui)而(er)不(bu)造(zao)成(cheng)錯(cuo)誤(wu)接(jie)收(shou)。由(you)於(yu)串(chuan)行(xing)口(kou)方(fang)式(shi)傳(chuan)輸(shu),本(ben)身(shen)帶(dai)有(you)奇(qi)偶(ou)校(xiao)驗(yan)和(he)起(qi)停(ting)位(wei)校(xiao)驗(yan),可(ke)以(yi)大(da)大(da)提(ti)高(gao)數(shu)據(ju)的(de)可(ke)靠(kao)性(xing),同(tong)時(shi)在(zai)數(shu)據(ju)組(zu)中(zhong)還(hai)加(jia)入(ru)了(le)累(lei)加(jia)和(he)校(xiao)驗(yan),再(zai)次(ci)提(ti)高(gao)了(le)可(ke)靠(kao)性(xing),因(yin)此(ci)在(zai)實(shi)際(ji)應(ying)用(yong)中(zhong),即(ji)使(shi)在(zai)露(lu)天(tian)、太陽直射、光照很強等惡劣環境下,都能保證不會誤收數據而造成顯示錯誤。其原理圖如下:
[page]
四、 軟件編程
單片機89C2051軟件包括主程序,串行口中斷服務程序和定時中斷服務程序三部分,在2051單片機內部RAM區建立相應的工作單元和標誌位。
(一)、發送程序:SEND-BUFO∽SEND-BUF3為四個字符發送緩衝區,SEND-MARK為請求發送標誌。當鍵盤掃描到有發送請求時,啟動定時器,在P1.0輸出一個38K的方波,同時啟動串行口,把SEND-BUFO至SEND-BUF3中的數據,發送至SBUF中,合成後發送。其程序流程過程如下:
發送主程序:初始化時設置定時器、看門狗和串行口,並清顯示,而後掃描鍵盤。若有鍵按下,進行按鍵處理;若是發送鍵,則置串口發送標誌,啟動定時器和串行發送程序,後返回主程序中的顯示程序,送顯示數據至緩衝區。
串口中斷程序:現場保護,取發送數據至發送緩衝區,啟動軟件定時產生38K的方波,而後判數據是否發送完畢,結束則清除發送標誌,反之,則返回繼續送數據。
定時中斷程序:現場保護回填定時長度,啟動計數定時,並在指定的管腳P1.0取反,變成反相電平,返回。
(二)、接收程序:REC-BUFO∽REC-BUF4為四個字符的接收緩衝區,REC-MARK為數據接收完整的標誌。當串行口中斷產生時,按次序接收數據至REC-BUF0至REC-BUF3中,數據滿後,計算累加和。如果正確,置REC-MARK標誌;反之,把緩衝區數據清零。主程序中若判斷有REC-MARK標誌,則把數據進行處理後,送外存25045和(he)顯(xian)示(shi)緩(huan)衝(chong)區(qu)中(zhong)顯(xian)示(shi),同(tong)時(shi)由(you)於(yu)接(jie)收(shou)是(shi)在(zai)汽(qi)車(che)中(zhong)進(jin)行(xing),電(dian)源(yuan)電(dian)壓(ya)和(he)其(qi)它(ta)幹(gan)擾(rao)很(hen)多(duo),包(bao)括(kuo)有(you)可(ke)能(neng)產(chan)生(sheng)的(de)串(chuan)行(xing)口(kou)誤(wu)判(pan)等(deng)。因(yin)此(ci),為(wei)了(le)保(bao)證(zheng)程(cheng)序(xu)能(neng)正(zheng)常(chang)運(yun)行(xing),啟(qi)動(dong)了(le)25045中的看門狗電路,以每隔500ms時間定時刷新。其程序流程過程如下:
接收主程序:初始化時設置定時器、看門狗、清顯示和外存25045判斷有否數據接收標誌,若有進行數據判斷,正確的寫至數據外存,並送至顯示區顯示,反之,返回主程序的顯示程序和刷新看門狗。
串行口中斷接收程序:xianchangbaohuhou,panduanjieshoushujushifouweitouhuoweibushuju,zuoxiangyingchulishizhengchangshujushicunfanghuancun,bingzhizhenjiayi,dangwanzhengdeyizushujuzhengchangshoudaohou,zhijieshoushujubiaozhihoufanhui。
定時中斷程序和發送一致,隻是定時刷新看門狗。
五、結束語
以yi上shang方fang法fa非fei常chang簡jian單dan地di實shi現xian了le紅hong外wai線xian遙yao控kong信xin號hao的de接jie收shou解jie碼ma,極ji大da地di節jie約yue了le硬ying件jian實shi現xian的de資zi源yuan開kai銷xiao。該gai紅hong外wai遙yao控kong係xi統tong的de設she計ji已yi應ying用yong於yu公gong交jiao車che中zhong,改gai善shan了le公gong交jiao係xi統tong的de服fu務wu質zhi量liang,提ti高gao了le工gong作zuo效xiao力li。
- 探討紅外遙控技術在汽車中的應用
- 實現了紅外線遙控信號的接收解碼
- 改善了公交係統的服務質量
紅外線遙控是目前應用最廣泛的一種通信和遙控手段。由於紅外線遙控器具有體積小、功耗低、功能強、成本低等特點。因此,彩電、錄像機、音響設備、空調、玩具、門鈴以及遙控汽車路牌等其它小型裝置上也紛紛采用紅外線遙控。為改變目前汽車上的車頭路牌指示燈(以下簡稱車號器),無法靈活改變的缺陷,把紅外遙控用在其中,使其可以輕鬆實現遠距離、非接觸性的一次改變車號的目的,從而改變以前用人工翻牌的舊模式。
一、 汽車車號器的紅外遙控係統
汽車上的車號器,原用簡單的LED數碼管控製,使用起來很不方便,為了能遠離的控製它,就采用了紅外遙控。通常紅外遙控係統由發射和接收兩部分組成,應用編/解碼電路專用集成電路芯片來進行控製操作,如圖1所示,發射部分包括鍵盤矩陣、編碼調製、紅外發送器。接收部分包括光電轉換放大器、解調、解碼電路。紅外發送每次編碼的發送是一個鍵值,即一個十六進製的數據。為了達到一次能發送一組數據(如車次號,通常為三位十進製數),我們可以采用89C2051的軟件編碼/解碼的方法,先一次性輸入一組車號,按下發送鍵後,全部發送出;同時在接收時,用連續接收方法,一次性解碼所有數據。

遙控發射器的專用芯片很多,但在汽車車號器遙控中,采用的是 89C2051 芯片。用P1口組成矩陣掃描反饋,獲取鍵值,用內部的定時器1產生一個38K的軟件定時中斷,驅動P1.0產生一個38K的方波,當作紅外線的調製基波,需要發送的數據,以串行方式,用波特率為1200,帶奇偶校驗的方式,直接送至TXD的串口發送端,而後TXD和P1.0進行邏輯與後,經過40106整形,用三極管驅動紅外發射管直接發出。其原理圖如下:

接收器部分,主要由CX20106和89C2051、顯示驅動4094、2803及數據存儲器和看門狗25045組成,用解碼芯片CX20106把38K的載波過濾後,得到一組波形,即以波特率為1200的串口數據,直接送至89C2051的RXD接收,用軟件讀取串口,輸入緩存,得到一組數據,判斷正確後,存放在非易失性的EEPROM25045中,同時直接用脈衝移位方式,送數據至4094,經2803驅動後顯示,同時用25045的(de)看(kan)門(men)狗(gou)定(ding)時(shi),保(bao)證(zheng)在(zai)程(cheng)序(xu)失(shi)控(kong)等(deng)情(qing)況(kuang)下(xia),能(neng)正(zheng)確(que)返(fan)回(hui)而(er)不(bu)造(zao)成(cheng)錯(cuo)誤(wu)接(jie)收(shou)。由(you)於(yu)串(chuan)行(xing)口(kou)方(fang)式(shi)傳(chuan)輸(shu),本(ben)身(shen)帶(dai)有(you)奇(qi)偶(ou)校(xiao)驗(yan)和(he)起(qi)停(ting)位(wei)校(xiao)驗(yan),可(ke)以(yi)大(da)大(da)提(ti)高(gao)數(shu)據(ju)的(de)可(ke)靠(kao)性(xing),同(tong)時(shi)在(zai)數(shu)據(ju)組(zu)中(zhong)還(hai)加(jia)入(ru)了(le)累(lei)加(jia)和(he)校(xiao)驗(yan),再(zai)次(ci)提(ti)高(gao)了(le)可(ke)靠(kao)性(xing),因(yin)此(ci)在(zai)實(shi)際(ji)應(ying)用(yong)中(zhong),即(ji)使(shi)在(zai)露(lu)天(tian)、太陽直射、光照很強等惡劣環境下,都能保證不會誤收數據而造成顯示錯誤。其原理圖如下:

四、 軟件編程
單片機89C2051軟件包括主程序,串行口中斷服務程序和定時中斷服務程序三部分,在2051單片機內部RAM區建立相應的工作單元和標誌位。
(一)、發送程序:SEND-BUFO∽SEND-BUF3為四個字符發送緩衝區,SEND-MARK為請求發送標誌。當鍵盤掃描到有發送請求時,啟動定時器,在P1.0輸出一個38K的方波,同時啟動串行口,把SEND-BUFO至SEND-BUF3中的數據,發送至SBUF中,合成後發送。其程序流程過程如下:
發送主程序:初始化時設置定時器、看門狗和串行口,並清顯示,而後掃描鍵盤。若有鍵按下,進行按鍵處理;若是發送鍵,則置串口發送標誌,啟動定時器和串行發送程序,後返回主程序中的顯示程序,送顯示數據至緩衝區。
串口中斷程序:現場保護,取發送數據至發送緩衝區,啟動軟件定時產生38K的方波,而後判數據是否發送完畢,結束則清除發送標誌,反之,則返回繼續送數據。
定時中斷程序:現場保護回填定時長度,啟動計數定時,並在指定的管腳P1.0取反,變成反相電平,返回。
(二)、接收程序:REC-BUFO∽REC-BUF4為四個字符的接收緩衝區,REC-MARK為數據接收完整的標誌。當串行口中斷產生時,按次序接收數據至REC-BUF0至REC-BUF3中,數據滿後,計算累加和。如果正確,置REC-MARK標誌;反之,把緩衝區數據清零。主程序中若判斷有REC-MARK標誌,則把數據進行處理後,送外存25045和(he)顯(xian)示(shi)緩(huan)衝(chong)區(qu)中(zhong)顯(xian)示(shi),同(tong)時(shi)由(you)於(yu)接(jie)收(shou)是(shi)在(zai)汽(qi)車(che)中(zhong)進(jin)行(xing),電(dian)源(yuan)電(dian)壓(ya)和(he)其(qi)它(ta)幹(gan)擾(rao)很(hen)多(duo),包(bao)括(kuo)有(you)可(ke)能(neng)產(chan)生(sheng)的(de)串(chuan)行(xing)口(kou)誤(wu)判(pan)等(deng)。因(yin)此(ci),為(wei)了(le)保(bao)證(zheng)程(cheng)序(xu)能(neng)正(zheng)常(chang)運(yun)行(xing),啟(qi)動(dong)了(le)25045中的看門狗電路,以每隔500ms時間定時刷新。其程序流程過程如下:
接收主程序:初始化時設置定時器、看門狗、清顯示和外存25045判斷有否數據接收標誌,若有進行數據判斷,正確的寫至數據外存,並送至顯示區顯示,反之,返回主程序的顯示程序和刷新看門狗。
串行口中斷接收程序:xianchangbaohuhou,panduanjieshoushujushifouweitouhuoweibushuju,zuoxiangyingchulishizhengchangshujushicunfanghuancun,bingzhizhenjiayi,dangwanzhengdeyizushujuzhengchangshoudaohou,zhijieshoushujubiaozhihoufanhui。
定時中斷程序和發送一致,隻是定時刷新看門狗。
五、結束語
以yi上shang方fang法fa非fei常chang簡jian單dan地di實shi現xian了le紅hong外wai線xian遙yao控kong信xin號hao的de接jie收shou解jie碼ma,極ji大da地di節jie約yue了le硬ying件jian實shi現xian的de資zi源yuan開kai銷xiao。該gai紅hong外wai遙yao控kong係xi統tong的de設she計ji已yi應ying用yong於yu公gong交jiao車che中zhong,改gai善shan了le公gong交jiao係xi統tong的de服fu務wu質zhi量liang,提ti高gao了le工gong作zuo效xiao力li。
特別推薦
- 噪聲中提取真值!瑞盟科技推出MSA2240電流檢測芯片賦能多元高端測量場景
- 10MHz高頻運行!氮矽科技發布集成驅動GaN芯片,助力電源能效再攀新高
- 失真度僅0.002%!力芯微推出超低內阻、超低失真4PST模擬開關
- 一“芯”雙電!聖邦微電子發布雙輸出電源芯片,簡化AFE與音頻設計
- 一機適配萬端:金升陽推出1200W可編程電源,賦能高端裝備製造
技術文章更多>>
- 菲尼克斯電氣DIP產線獲授“IPC HERMES Demo Line”示範線
- 貿澤電子新品推薦:2026年第一季度引入超過9,000個新物料
- 跨域無界 智馭未來——聯合電子北京車展之智能網聯篇
- PROFINET牽手RS232:網關為RFID裝上“同聲傳譯”舊設備秒變智能
- 為AI尋找存儲新方案
技術白皮書下載更多>>
- 車規與基於V2X的車輛協同主動避撞技術展望
- 數字隔離助力新能源汽車安全隔離的新挑戰
- 汽車模塊拋負載的解決方案
- 車用連接器的安全創新應用
- Melexis Actuators Business Unit
- Position / Current Sensors - Triaxis Hall
熱門搜索
電纜連接器
電力電子
電力繼電器
電力線通信
電流保險絲
電流表
電流傳感器
電流互感器
電路保護
電路圖
電路圖符號
電路圖知識
電腦OA
電腦電源
電腦自動斷電
電能表接線
電容觸控屏
電容器
電容器單位
電容器公式
電聲器件
電位器
電位器接法
電壓表
電壓傳感器
電壓互感器
電源變壓器
電源風扇
電源管理
電源管理IC

