如何處理電容式壓力變送器常見故障
發布時間:2013-03-07 責任編輯:shyhuang
【導讀】壓力變送器在使用過程中難免會出現故障,benwenjieshaolejizhongchangjiandedianrongshiyalibiansongqiqiandeguzhangfenxihechulifangfa,biruyalichuanganqijibiansongqidewaikeyibanxujiedi,xinhaodianlanxianbudeyudonglidianlanhunhepushe,傳感器及變送器周圍應避免有強電磁幹擾。
電容式壓力變送器測量部分敏感部件采用全焊接結構,電子線路部分采用波峰焊接和接插件安裝方式,整體結構堅固、耐用,故障甚少。對絕大多數使用者來就,如發現敏感部件出現故障,一般無法自行修複,應與生產廠家聯係更換其整體部件。
圖1:電容式壓力變送器
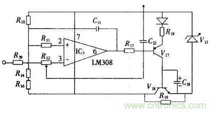
變bian送song器qi測ce量liang部bu分fen的de檢jian查zha變bian送song器qi測ce量liang部bu分fen產chan生sheng的de故gu障zhang,都dou會hui引yin起qi變bian送song器qi無wu輸shu出chu或huo輸shu出chu不bu正zheng常chang,因yin此ci應ying首shou先xian檢jian查zha變bian送song器qi的de測ce量liang敏min感gan部bu件jian。拆chai下xia法fa蘭lan,檢jian查zha敏min感gan部bu件jian隔ge離li膜mo片pian有you無wu變bian形xing,破po損sun和he漏lou油you現xian象xiang發fa生sheng。拆chai下xia補bu償chang板ban,不bu取qu出chu敏min感gan部bu件jian,檢jian查zha插cha針zhen對dui殼ke體ti的de絕jue緣yuan電dian阻zu,在zai電dian壓ya不bu超chao過guo100V的情況下,絕緣電阻不應小於100MΩ。接(jie)通(tong)電(dian)路(lu)和(he)氣(qi)路(lu),當(dang)壓(ya)力(li)信(xin)號(hao)為(wei)量(liang)程(cheng)上(shang)限(xian)值(zhi)時(shi),關(guan)閉(bi)氣(qi)源(yuan),輸(shu)出(chu)電(dian)壓(ya)和(he)讀(du)數(shu)值(zhi)應(ying)穩(wen)定(ding)不(bu)動(dong)。如(ru)果(guo)輸(shu)出(chu)電(dian)壓(ya)下(xia)降(jiang),則(ze)說(shuo)明(ming)變(bian)送(song)器(qi)有(you)泄(xie)漏(lou),可(ke)用(yong)肥(fei)皂(zao)水(shui)檢(jian)查(zha)出(chu)泄(xie)漏(lou)部(bu)位(wei)。

圖2:壓力變送器的結構和原理
變bian送song器qi電dian路lu部bu分fen的de檢jian查zha接jie通tong電dian源yuan,在zai給gei定ding輸shu入ru壓ya力li信xin號hao後hou,檢jian查zha變bian送song器qi輸shu出chu端duan電dian壓ya信xin號hao的de狀zhuang態tai。若ruo無wu輸shu出chu電dian壓ya,應ying首shou先xian檢jian查zha電dian源yuan電dian壓ya是shi否fou正zheng常chang;是否符合供電要求;電dian源yuan與yu變bian送song器qi及ji負fu載zai設she備bei之zhi間jian有you無wu接jie線xian錯cuo誤wu。如ru果guo變bian送song器qi接jie線xian端duan子zi上shang無wu電dian壓ya或huo極ji性xing接jie反fan均jun可ke造zao成cheng變bian送song器qi無wu電dian壓ya信xin號hao輸shu出chu。排pai除chu上shang述shu原yuan因yin,則ze應ying進jin一yi步bu檢jian查zha放fang大da器qi板ban線xian路lu中zhong元yuan件jian有you無wu損sun壞huai問wen題ti;線(xian)路(lu)板(ban)接(jie)插(cha)件(jian)有(you)無(wu)接(jie)觸(chu)不(bu)良(liang)現(xian)象(xiang),可(ke)采(cai)取(qu)對(dui)照(zhao)正(zheng)常(chang)儀(yi)表(biao)的(de)測(ce)量(liang)電(dian)壓(ya)與(yu)故(gu)障(zhang)儀(yi)表(biao)對(dui)應(ying)的(de)測(ce)量(liang)電(dian)壓(ya)相(xiang)比(bi)較(jiao)的(de)方(fang)法(fa),確(que)定(ding)故(gu)障(zhang)點(dian),必(bi)要(yao)的(de)情(qing)況(kuang)下(xia)可(ke)更(geng)換(huan)有(you)故(gu)障(zhang)的(de)放(fang)大(da)器(qi)板(ban)。在(zai)對(dui)流(liu)量(liang)型(xing)變(bian)送(song)器(qi)檢(jian)查(zha)時(shi),對(dui)J型放大器板應特別要注意采取防靜電措施。
接通電源,在給定輸入壓力信號後,若變送器輸出過高(大於10VDC),或輸出過低(小於2.0VDC),且改變輸入壓力信號和調整零點、量程螺釘時輸出均無反應。對於這類故障,除檢查變送器測量部分敏感部件有無異常外,應檢查變送器放大器板上“振蕩控製電路部分”工作正常與否。高頻變壓器T1-12之間正常峰值電壓應為25~35VP-P;頻率約為32kHz。其次檢查放大器板上各運算放大器的工作狀況;各(ge)部(bu)分(fen)的(de)元(yuan)器(qi)件(jian)有(you)無(wu)損(sun)壞(huai)問(wen)題(ti)等(deng)。此(ci)類(lei)故(gu)障(zhang)需(xu)要(yao)更(geng)換(huan)放(fang)大(da)器(qi)板(ban)。變(bian)送(song)器(qi)在(zai)線(xian)路(lu)設(she)計(ji)和(he)工(gong)藝(yi)裝(zhuang)配(pei)質(zhi)量(liang)上(shang)要(yao)求(qiu)都(dou)十(shi)分(fen)嚴(yan)格(ge),在(zai)實(shi)際(ji)使(shi)用(yong)中(zhong)對(dui)出(chu)現(xian)的(de)線(xian)路(lu)故(gu)障(zhang),經(jing)檢(jian)查(zha)確(que)認(ren)後(hou)最(zui)好(hao)與(yu)生(sheng)產(chan)廠(chang)家(jia)聯(lian)係(xi)更(geng)換(huan)其(qi)故(gu)障(zhang)線(xian)路(lu)板(ban),以(yi)確(que)保(bao)儀(yi)表(biao)長(chang)期(qi)工(gong)作(zuo)的(de)穩(wen)定(ding)性(xing)和(he)可(ke)靠(kao)性(xing)。
圖3:壓力變送器的校驗
圖4:校驗電路
施工現場出現的故障,大多數是由於壓力傳感器使用和安裝方法不當引起的,歸納起來有幾個方麵。
一次元件(孔板、遠傳測量接頭等)堵塞或安裝形式不對,取壓點不合理。
引壓管泄漏或堵塞,充液管裏有殘存氣體或充氣管有殘存液體,變送器過程法蘭中有沉積物,形成測量死區。
變送器接線不正確,電源電壓過高或過低,指示表頭與儀表接線端子連接處接觸不良。
沒有嚴格按照技術要求安裝,安裝方式和現場環境不符合技術要求。
tongguoshangshuneirongkeyikanchu,yalichuanganqijibiansongqichuxiandeguzhangdouhuiyinqibiansongqishuchubuzhengchanghuoceliangbuzhunque,danjingguoxixinjianzha,yangeanzhaojishuyaoqiushiyongheanzhuang,jishicaiquyouxiaocuoshi,wentidoukeyipaichu,duibunengchulideguzhang,yingjiangbiansongqisongdaoshiyanshihuoshengchanchangjiazuojinyibujianzha。
- 噪聲中提取真值!瑞盟科技推出MSA2240電流檢測芯片賦能多元高端測量場景
- 10MHz高頻運行!氮矽科技發布集成驅動GaN芯片,助力電源能效再攀新高
- 失真度僅0.002%!力芯微推出超低內阻、超低失真4PST模擬開關
- 一“芯”雙電!聖邦微電子發布雙輸出電源芯片,簡化AFE與音頻設計
- 一機適配萬端:金升陽推出1200W可編程電源,賦能高端裝備製造
- 貿澤EIT係列新一期,探索AI如何重塑日常科技與用戶體驗
- 算力爆發遇上電源革新,大聯大世平集團攜手晶豐明源線上研討會解鎖應用落地
- 創新不止,創芯不已:第六屆ICDIA創芯展8月南京盛大啟幕!
- AI時代,為什麼存儲基礎設施的可靠性決定數據中心的經濟效益
- 築基AI4S:摩爾線程全功能GPU加速中國生命科學自主生態
- 車規與基於V2X的車輛協同主動避撞技術展望
- 數字隔離助力新能源汽車安全隔離的新挑戰
- 汽車模塊拋負載的解決方案
- 車用連接器的安全創新應用
- Melexis Actuators Business Unit
- Position / Current Sensors - Triaxis Hall




