電路設計:可穿戴醫療設備語音報警電路
發布時間:2014-09-26 責任編輯:sherryyu
【導讀】本文講解的可穿戴醫療設備語音報警電路設計,主要是用集成語音芯片ISD2560組成。具有較強功能的語音錄放芯片,是一種永久記憶型語音錄放電路設計。值得醫療設備擁有!
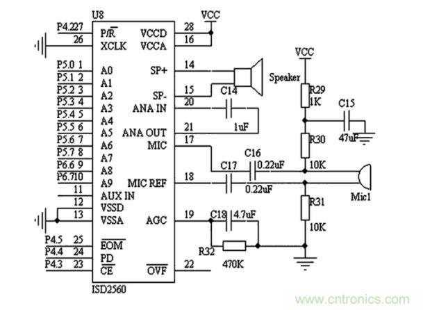
可穿戴醫療設備語音報警電路: 電路如圖所示,主要由集成語音芯片ISD2560組成。
ISD2560是Winbond公司生產的一款具有較強功能的語音錄放芯片,是一種永久記憶型語音錄放電路,錄音時間為60s,可重複錄放10萬次。該芯片采用多電平直接模擬量存儲專利技術,能夠非常真實、自(zi)然(ran)地(di)再(zai)現(xian)語(yu)音(yin)。通(tong)過(guo)事(shi)先(xian)錄(lu)製(zhi)好(hao)的(de)聲(sheng)音(yin),實(shi)現(xian)血(xue)壓(ya)測(ce)量(liang)值(zhi)的(de)自(zi)動(dong)聲(sheng)音(yin)提(ti)示(shi),如(ru)果(guo)血(xue)壓(ya)高(gao)出(chu)正(zheng)常(chang)血(xue)壓(ya)的(de)上(shang)下(xia)限(xian)值(zhi),還(hai)會(hui)發(fa)揮(hui)報(bao)警(jing),提(ti)醒(xing)使(shi)用(yong)者(zhe)就(jiu)醫(yi)。具(ju)體(ti)做(zuo)法(fa):經過一段時間(大概為正常人的一個月)的(de)精(jing)確(que)測(ce)量(liang),在(zai)電(dian)腦(nao)上(shang)處(chu)理(li)數(shu)據(ju),得(de)到(dao)血(xue)壓(ya)的(de)正(zheng)常(chang)範(fan)圍(wei),將(jiang)其(qi)上(shang)下(xia)限(xian)設(she)置(zhi)為(wei)報(bao)警(jing)範(fan)圍(wei),時(shi)時(shi)監(jian)控(kong)佩(pei)戴(dai)者(zhe)的(de)血(xue)壓(ya)值(zhi),如(ru)果(guo)血(xue)壓(ya)超(chao)出(chu)正(zheng)常(chang)範(fan)圍(wei),則(ze)開(kai)始(shi)計(ji)時(shi),將(jiang)日(ri)期(qi)時(shi)間(jian)等(deng)數(shu)據(ju)都(dou)要(yao)記(ji)錄(lu)下(xia)來(lai),如(ru)果(guo)超(chao)出(chu)正(zheng)常(chang)範(fan)圍(wei)的(de)時(shi)間(jian)超(chao)出(chu)五(wu)分(fen)鍾(zhong),則(ze)開(kai)始(shi)報(bao)警(jing)提(ti)醒(xing),提(ti)示(shi)內(nei)容(rong)為(wei):尊敬的用戶您好,此時您的血壓偏高低,建議您立即進行電壓測量,並服用相應的藥物!

特別推薦
- 噪聲中提取真值!瑞盟科技推出MSA2240電流檢測芯片賦能多元高端測量場景
- 10MHz高頻運行!氮矽科技發布集成驅動GaN芯片,助力電源能效再攀新高
- 失真度僅0.002%!力芯微推出超低內阻、超低失真4PST模擬開關
- 一“芯”雙電!聖邦微電子發布雙輸出電源芯片,簡化AFE與音頻設計
- 一機適配萬端:金升陽推出1200W可編程電源,賦能高端裝備製造
技術文章更多>>
- 貿澤EIT係列新一期,探索AI如何重塑日常科技與用戶體驗
- 算力爆發遇上電源革新,大聯大世平集團攜手晶豐明源線上研討會解鎖應用落地
- 創新不止,創芯不已:第六屆ICDIA創芯展8月南京盛大啟幕!
- AI時代,為什麼存儲基礎設施的可靠性決定數據中心的經濟效益
- 矽典微ONELAB開發係列:為毫米波算法開發者打造的全棧工具鏈
技術白皮書下載更多>>
- 車規與基於V2X的車輛協同主動避撞技術展望
- 數字隔離助力新能源汽車安全隔離的新挑戰
- 汽車模塊拋負載的解決方案
- 車用連接器的安全創新應用
- Melexis Actuators Business Unit
- Position / Current Sensors - Triaxis Hall
熱門搜索





