集成多路複用輸入ADC解決方案減輕功耗和高通道密度的挑戰
發布時間:2020-07-03 來源:Maithil Pachchigar 責任編輯:wenwei
【導讀】工業、儀器儀表、光通信和醫療保健行業有越來越多的應用開始使用多通道數據采集係統,導致印刷電路板 (PCB) 密度和熱功耗方麵的挑戰進一步加大。這些應用對高通道密度的需求,推動了高通道數、低功耗、小尺寸集成數據采集解決方案的發展。這些應用還要求精密測量、可靠性、經濟性和便攜性。係統設計人員在性能、熱穩定性和PCB密度之間進行取舍以維持最佳平衡,並且被迫不斷尋找創新方式來解決這些挑戰,同時要將總物料 (BOM) 成本降低最低。
本文重點說明多路複用數據采集係統的設計考慮,並聚焦於通過集成多路複用輸入ADC解決方案來應對空間受限應用(如光收發器、可穿戴醫療設備、物聯網IoT和其他便攜式儀器)的這些技術挑戰。本文提出的低功耗解決方案采用集成式多路複用輸入4通道/8通道、16位、250 kSPS PulSAR® ADCs AD7682/AD7689,其提供2.39 mm × 2.39 mm小型晶圓級芯片規模封裝 (WLCSP),可節省60%以上的板空間,能夠很好地解決高通道密度和電池供電便攜式係統的挑戰,同時具有靈活的配置和高精度性能。
多路複用數據采集係統
多通道數據采集係統通常采用不同類型的分立單通道或集成多路複用且同步采樣的模擬信號鏈來與各類傳感器(如溫度、壓力、振動傳感器及基於應用要求的其他許多傳感器)接口。例如:將多個輸入通道複用至一個ADC,各通道均使用一個采樣保持放大器,以及將多個輸入通道複用至一個ADC,各通道均使用一個ADC以便對各通道同步采樣。第一種情況通常使用逐次逼近型 (SAR) 模數轉換器 (ADC),如圖1所示。它能節省相當多的功耗、空間和成本,各通道的輸入端可能需要低通抗混疊濾波器,其通道切換和順序與ADC轉換時間正確同步。第二種情況如圖2所示,可實現的吞吐速率要除以同步采樣的通道數,但采樣通道之間仍可以保持恒定的相位。如圖3所示,某些應用要求每個通道使用專用放大器和ADC並對輸入同步采樣,以提高每通道的采樣速率並保護相位信息,代價是板麵積和功耗會增加。同步采樣ADC通常用於自動測試設備、電力線監控和多相電機控製,這些應用要求各通道以較高吞吐速率連續采樣,以保護通道之間的相位關係,實現精確的瞬時測量。

圖1. 簡化多通道數據采集信號鏈——第一種情況

圖2. 簡化多通道數據采集信號鏈——第二種情況

圖3. 簡化多通道數據采集信號鏈——第三種情況
多路複用的關鍵優勢在於每個通道需要的ADC數量較少,因而空間、功耗和成本更低。然而,多路複用係統可實現的吞吐速率等於單一ADC吞吐速率除以采樣通道數。SAR型ADCjuyoudiyanchihedongtaigonghaoyutuntusulvchengbilideguyouyoudian。tamenchangyongyutongdaofuyongjiagou,feichangshiheyujiancehejiankonggongneng。guangshoufaqimokuaicaiyongdeduolufuyongshujucaijixitongxuyaogaotongdaomidu,kechuandaiyiliaoshebeiyaoqiuxiaochicunhedigonghao,laiziduogechuanganqidexinhaoxuyaojiankong,duogeshurutongdaofuyongdaodangehuoduogeADC。duolufuyongshujucaijixitongdezhuyaotiaozhanzhiyishi,dangshuruqiehuandaoxiayitongdaoshi,taxuyaokuaisuxiangyingjiejinmanliangchengfududebujinshuru,yishijianlishijianhuochuanraowentizuixiaohua。xiamianjieshaojiyuSAR架構的多路複用輸入ADC用於光收發器和可穿戴電子設備的實際例子, 其中解釋了為什麼AD7689是此類應用的理想選擇。
光收發器
100 Gbps光(guang)收(shou)發(fa)器(qi)市(shi)場(chang)在(zai)未(wei)來(lai)十(shi)年(nian)將(jiang)迎(ying)來(lai)增(zeng)長(chang)機(ji)會(hui),因(yin)為(wei)它(ta)支(zhi)持(chi)高(gao)速(su)相(xiang)幹(gan)光(guang)傳(chuan)輸(shu)。光(guang)收(shou)發(fa)器(qi)的(de)關(guan)鍵(jian)挑(tiao)戰(zhan)是(shi)采(cai)集(ji)並(bing)處(chu)理(li)更(geng)寬(kuan)帶(dai)寬(kuan)的(de)信(xin)號(hao),或(huo)以(yi)更(geng)低(di)的(de)功(gong)耗(hao)在(zai)更(geng)小(xiao)的(de)空(kong)間(jian)中(zhong)複(fu)用(yong)多(duo)個(ge)輸(shu)入(ru)通(tong)道(dao)。當(dang)今(jin)收(shou)發(fa)器(qi)最(zui)初(chu)是(shi)針(zhen)對(dui)遠(yuan)程(cheng)應(ying)用(yong)而(er)設(she)計(ji)的(de),尺(chi)寸(cun)、功耗和成本結構限製了其在對成本更敏感的城域網中的使用。城域網包括:都會區域500 km至1000 km、都會核心100 km至500 km和都會接入100 kmyixiayingyong。youyuchengyuwangjingzhengjilie,kongjianyijiaxiangdanggao,shidexianlukamiduyichangzhongyao,yinci,jiaodichengbendeguangxianlukahuojiaoxiaochicundechajieshimokuaiduixiangganyingyongyuelaiyuezhongyao。
在光網絡中,隨著每通道的比特率從10 Gbps提高到100 Gbps或更高,光纖非理想因素會嚴重降低信號質量,影響其傳輸性能。當光纖缺陷引起光噪聲、非線性效應和消散等不利影響時,遠程光網絡也會產生技術挑戰。為了應對這些重大挑戰,許多40 Gbps和100 Gbps光收發器製造商使用相幹技術來支持更高數據速率連接、最大的覆蓋範圍和更長的距離,以適應城域遠程、遠程和超遠程網絡需求。相幹技術一般會整合多級信號格式和相幹檢測,利用雙重極化、正交和相移鍵控 (DP-QPSK) 優化信號調製,從而抑製較高數據速率時的光纖影響,使得100 Gbps傳輸在經濟上和技術上可行。下一代100 Gbps(及以上)數據速率光收發器將要求更低的功耗和更小的尺寸,以便提高通道密度,大幅節省空間、功耗和成本。根據具體要求,光係統的通道數通常在8到64之間。對PCB設計人員而言,元件放置和走線布線變得重要起來,尤其是高通道密度係統。
圖4顯示了通用光模塊的簡化框圖,其中包括發射器、接收器、微型ITLA(集成可調諧激光組件)和數據采集器件。圖5顯示了微型ITLA的簡化框圖,它是一種寬帶電子調諧激光器件,用於控製快速波長切換。發射器包括Mach-Zehnder驅動器和調製器,用以控製出射激光的幅度或強度。多路複用輸入ADC通常用在控製和監測功能中,以便對來自光模塊和微型ITLA的多個通道的數據進行數字化。

圖4. 光模塊簡化框圖

圖5. 微型集成可調諧激光組件簡化框圖
利用可穿戴電子設備監測生命體征
圖6顯(xian)示(shi)了(le)典(dian)型(xing)可(ke)穿(chuan)戴(dai)電(dian)子(zi)設(she)備(bei)的(de)簡(jian)要(yao)框(kuang)圖(tu)。現(xian)代(dai)可(ke)穿(chuan)戴(dai)電(dian)子(zi)設(she)備(bei)集(ji)成(cheng)了(le)多(duo)種(zhong)傳(chuan)感(gan)器(qi)來(lai)實(shi)時(shi)精(jing)確(que)監(jian)測(ce)人(ren)體(ti)多(duo)種(zhong)生(sheng)物(wu)指(zhi)標(biao)。它(ta)們(men)提(ti)供(gong)靈(ling)活(huo)的(de)用(yong)戶(hu)接(jie)口(kou)用(yong)於(yu)數(shu)據(ju)存(cun)儲(chu),通(tong)過(guo)Wi-Fi將數據傳輸到個人智能手機、平板電腦或筆記本電腦。此類設備利用生物電位、生物阻抗或光傳感器來獲取有關心率、呼吸速率、血氧飽和度 (SpO2) 等多種生命體征的信息。聲傳感器用來提取有關血壓和飲食活動的信息,溫度傳感器用來測量體溫。基於MEMS的慣性運動傳感器(加速度計)用來跟蹤每日身體活動。來自不同傳感器的信號需要進行模擬信號調理,然後多路複用到ADC。根據係統要求,某些信號可能還需要進行同步采樣。ADC隨後對這些信號進行數字化,處理器或微控製器最終對其進行後期處理,提取有關各種生理指標的信息。

圖6. 可穿戴電子設備簡化框圖
心電圖 (ECG) 傳chuan統tong上shang用yong來lai監jian測ce心xin髒zang活huo動dong,這zhe對dui生sheng理li監jian測ce和he心xin髒zang診zhen斷duan至zhi關guan重zhong要yao。然ran而er,智zhi能neng可ke穿chuan戴dai係xi統tong使shi用yong光guang傳chuan感gan器qi和he生sheng物wu阻zu抗kang傳chuan感gan器qi,支zhi持chi將jiang心xin率lv監jian護hu儀yi集ji成cheng到dao腕wan表biao、腕帶或活動追蹤器等可穿戴電子設備中。
在zai光guang係xi統tong中zhong,快kuai速su閃shan爍shuo的de紅hong外wai光guang透tou射she皮pi膚fu表biao麵mian,光guang電dian檢jian測ce器qi測ce量liang血xue紅hong細xi胞bao吸xi收shou的de光guang線xian。模mo擬ni前qian端duan調tiao理li該gai微wei弱ruo信xin號hao並bing將jiang其qi數shu字zi化hua,然ran後hou利li用yong光guang電dian脈mai搏bo波bo (PPG) 技術進行後處理,以提取有關心率、呼吸速率和SpO2等多種生理變量的信息。
與yu光guang等deng技ji術shu相xiang比bi,生sheng物wu阻zu抗kang傳chuan感gan器qi的de功gong耗hao要yao低di得de多duo,因yin而er可ke延yan長chang電dian池chi續xu航hang時shi間jian。生sheng物wu阻zu抗kang傳chuan感gan器qi可ke用yong來lai測ce量liang呼hu吸xi速su率lv或huo皮pi膚fu阻zu抗kang。通tong過guo電dian極ji將jiang一yi個ge正zheng弦xian信xin號hao注zhu入ru皮pi膚fu(體組織),測量、數字化並後處理流過的微小電流,從而精確解讀各種生理信號,如呼吸速率、皮膚電導率或肺積水等。
這些設備需要高集成度、非常敏感、高性價比、高效率、kezhuangruweixiaomokuaizhongdedianchigongdianjiejuefangan。tamenbixujingquekekaodijianceduozhongshenglibianliang,tongshinenggougenghaodiyizhiyundongchanshengdeweixianghewaibuhuanjingtiaojian,fouzezhenshixinhaokenengbeizaoshengyanmei,daozhidushubuzhunque。yinci,ADC必須具有良好的噪聲性能,常常利用過采樣或均值法來改善整體動態範圍。目標輸入頻段是從DC到250 Hz,故而ADC采樣速率接近數kSPS。
集成多路複用輸入4通道/8通道、16位、250 kSPS ADC
AD7682/AD7689是業界領先的集成多路複用輸入4通道/8通道、16位、250 kSPS SAR型ADC,采用ADI公司專有0.5 μm CMOS工藝製造。集成4通道/8通道低串擾多路複用器引入的鄰道間不匹配極小,支持順序采樣。這些ADC允許選擇超低溫漂的內部2.5 V或4.096 V精密基準電壓源、外部基準電壓源或外部緩衝基準電壓源,片上溫度傳感器監控ADC的內部溫度典型值。這樣就無需外部元件,大幅節省PCB麵積和BOM成本。這些ADC內置一個通道序列器,用於逐個或成對掃描通道,內部溫度傳感器可以重複使能或禁用。其靈活的串行數字接口兼容SPI、MICROWIRE、QSPI和其他數字主機。用戶可通過內部14位配置寄存器選擇各種選項,包括要采樣的通道數、基準電壓源、溫度傳感器和通道序列器。在轉換模式、轉換後讀取模式以及含或不含繁忙指示的轉換全程讀取模式下,該接口允許執行4線式讀操作。AD7682/AD7689非常適合高通道密度應用,例如光收發器、可穿戴醫療設備和其他用於精密檢測與監控的便攜式儀器。
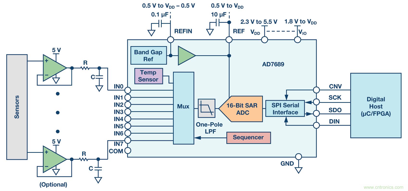
圖7顯示了AD7689用於一個多通道數據采集係統的簡化框圖,其提供易於使用的靈活配置選項和精密性能。它能解決與通道切換、序列化和建立時間相關的複雜設計問題,節省設計時間。

圖7. AD7689典型應用框圖(未顯示所有連接和去耦)
對於多通道、多路複用應用,有些設計人員利用低輸出阻抗緩衝器處理多路複用器輸入端的反衝影響(取決於所用的吞吐速率)。SAR ADC的輸入帶寬(數十MHz)和ADC驅動器的輸入帶寬(數十到數百MHz)高於采樣頻率,而所需輸入信號帶寬通常在數十Hz到數百kHz範圍。因此,根據係統要求,多路複用器輸入端可能需要單極點低通RC抗混疊濾波器來消除不需要的信號(混疊),防止其折回到目標帶寬中,從而限製噪聲並減輕建立時間問題。各輸入通道使用的RC濾波器值應根據以下取舍關係精心選擇(因為過多的限帶可能影響建立時間並增加失真):電容較大會有助於衰減多路複用器的反衝影響,但也可能會降低前一放大器級的相位裕量,使其變得不穩定。為使RC濾波器具有高Q、低溫度係數,並且在變化電壓下具有穩定的電氣特性,建議使用C0G或NP0型電容。應選用合理的串聯電阻值,以保持放大器穩定並限製其輸出電流。電阻值不可過大,否則多路複用器反衝後ADC驅動器將無法對電容再充電。
小尺寸
AD7682/AD7689現可提供2.39 mm × 2.39 mm、引腳兼容、晶圓級芯片規模封裝 (WLCSP),它比現有4 mm × 4 mm引線框芯片規模封裝 (LFCSP) 或其他同類競爭器件小60%以上,故而可以在很小的係統空間中實現更高的電路密度。圖8所示為小型WLSCP尺寸與標準6 mm鉛筆尺寸對比圖。

圖8. AD7682/AD7689晶圓級芯片規模封裝與標準鉛筆的尺寸對比
AD7682/AD7689 WLCSP芯片的有源側在反麵,可以利用焊球連接到PCB,圖11顯示了PCB裝配後的芯片尺寸。PCB裝配後芯片表麵與基板之間的實際距離(離板高度)與印刷在基板上的阻焊網和焊盤直徑有關。

圖9. PCB裝配後的AD7682/AD7689 WLCSP尺寸
低功耗
AD7682/AD7689需要一個模擬和數字內核電源 (VDD) 以及一個數字輸入/輸出接口電源 (VIO),以便與任何介於1.8 V和VDD之間的邏輯直接接口。VDD和VIO引腳也可以連在一起以節省係統所需的電源數量,並且它們與電源時序無關。這些器件采用5 V (VDD) 和1.8 V (VIO) 電源供電,其功耗與吞吐速率成線性比例關係,故而可以實現非常低的功耗:在采用外部5 V基準電壓源的情況下,100 SPS時的典型功耗約為1.7 μW,250 kSPS時為12.5 mW,如圖10所示。因此,該ADC具有高效率,對高低采樣速率(甚至低至數Hz)均(jun)適(shi)合(he),能(neng)夠(gou)很(hen)好(hao)地(di)支(zhi)持(chi)便(bian)攜(xie)式(shi)和(he)電(dian)池(chi)供(gong)電(dian)係(xi)統(tong)。該(gai)器(qi)件(jian)的(de)重(zhong)要(yao)特(te)性(xing)之(zhi)一(yi)是(shi)其(qi)會(hui)在(zai)每(mei)個(ge)轉(zhuan)換(huan)階(jie)段(duan)結(jie)束(shu)時(shi)自(zi)動(dong)關(guan)斷(duan),僅(jin)消(xiao)耗(hao)非(fei)常(chang)低(di)的(de)待(dai)機(ji)電(dian)流(liu)(典型值50 nA),因而在不使用器件時可以節省電池電量,延長電池續航時間。

圖10. AD7682/7689工作電流與吞吐速率的關係
精密性能
對於需要多個AD7682/AD7689器件的應用,使用內部基準電壓緩衝器緩衝外部基準電壓會更有效,這樣能降低SAR轉換串擾。由於內部基準電壓限製在4.096 V,因此使用5 V外部基準電壓源時SNR性能最佳。對於2 kHz輸入信號音,采用5 V外部基準電壓源且以250 kSPS全速運行時,它提供出色的交流和直流性能:INL為±1.5 LSB,信納比 (SINAD) 約為93 dB,有效位數 (ENOB) 約為15.2位。圖11顯示了給定外部基準電壓下SNR、SINAD和ENOB的典型性能。

圖11. AD7682/7689 SNR、SINAD和ENOB與基準電壓的關係
結論
下一代插接式光收發器模塊和其他便攜式係統需要高效率、小尺寸、低成本數據采集係統。AD7682/AD7689tigongyejielingxiandejichengduhejingmixingneng,zhichiguangfandechuanganqijiekou,shejirenyuanliyongzhexieqijianbujinnengmanzukekedeyonghuyaoqiu,hainengshixianxitongdechayihua。zhezhonggaoxiaolvjichengADC解決方案能夠應對空間受限應用的高電路密度和熱功耗挑戰,與現有LFCSP和競爭產品相比可節省60%以上的空間,對高低采樣速率應用都很合適。
推薦閱讀:
特別推薦
- 噪聲中提取真值!瑞盟科技推出MSA2240電流檢測芯片賦能多元高端測量場景
- 10MHz高頻運行!氮矽科技發布集成驅動GaN芯片,助力電源能效再攀新高
- 失真度僅0.002%!力芯微推出超低內阻、超低失真4PST模擬開關
- 一“芯”雙電!聖邦微電子發布雙輸出電源芯片,簡化AFE與音頻設計
- 一機適配萬端:金升陽推出1200W可編程電源,賦能高端裝備製造
技術文章更多>>
- 一秒檢測,成本降至萬分之一,光引科技把幾十萬的台式光譜儀“搬”到了手腕上
- AI服務器電源機櫃Power Rack HVDC MW級測試方案
- 突破工藝邊界,奎芯科技LPDDR5X IP矽驗證通過,速率達9600Mbps
- 通過直接、準確、自動測量超低範圍的氯殘留來推動反滲透膜保護
- 從技術研發到規模量產:恩智浦第三代成像雷達平台,賦能下一代自動駕駛!
技術白皮書下載更多>>
- 車規與基於V2X的車輛協同主動避撞技術展望
- 數字隔離助力新能源汽車安全隔離的新挑戰
- 汽車模塊拋負載的解決方案
- 車用連接器的安全創新應用
- Melexis Actuators Business Unit
- Position / Current Sensors - Triaxis Hall
熱門搜索
按鈕開關
白色家電
保護器件
保險絲管
北鬥定位
北高智
貝能科技
背板連接器
背光器件
編碼器型號
便攜產品
便攜醫療
變容二極管
變壓器
檳城電子
並網
撥動開關
玻璃釉電容
剝線機
薄膜電容
薄膜電阻
薄膜開關
捕魚器
步進電機
測力傳感器
測試測量
測試設備
拆解
場效應管
超霸科技




