樓氏電容|深入了解電動汽車應用中的直流母線電容
發布時間:2022-10-27 來源:Knowles樓氏電容 責任編輯:lina
【導讀】直流母線電容常用於電源轉換器。我們知道,電源轉換器的輸入源和輸出負載具有不同的瞬時功率、電壓和頻率,直流母線電容從中起到一個緩衝作用。
樓氏電容
直流母線電容常用於電源轉換器。我們知道,電源轉換器的輸入源和輸出負載具有不同的瞬時功率、電壓和頻率,直流母線電容從中起到一個緩衝作用。
在電動汽車(EV)應用中,直流母線電容有助於抵消逆變器、電機控製器和電池係統中電感的影響。它們還充當過濾器,保護電動汽車子係統免受電壓尖峰、浪湧和電磁幹擾(EMI)的影響。
圖1. 電力轉換係統中直流母線電容的常見用途
(來源:Center of Reliable Power Electronics:https://vbn.aau.dk/ws/portalfiles/portal/152271344/reliability_of_capacitors_for_dc_link_applications_an_overview.pdf)
我們再來看下車載充電器(OBC),它負責為牽引電池充電,工作原理可簡單劃分為三個階段,如圖2所示:
►一階段:AC/DC轉換器通過整流和功率因素校正(PFC)將電網的交流電(AC)轉換為直流電(DC)
►二階段:中間直流電路進行能量緩衝
►三階段:DC/DC轉換器對直流電壓作調整,以提供電池適用的直流電平
圖2. OBC的交流/直流轉換簡化原理圖
如圖所示,直流母線電容Cbulk 被置於整流器和DC/DC轉換器之間。該電容器的理想特性包括:
► 高直流耐壓:300V至500V
► 極大的容值:200µF至1500µF
► 工作溫度範圍:-40°C至+150°C
► 低等效串聯電阻(ESR):< 1.5mΩ
► 高均方根(RMS)電流容量
► 高機械強度
為了獲取高容值,我們需要用到多個電容器或一個電容器陣列。針對此類應用,樓氏電容(KPD)推薦我們的StackiCap™係列高壓高容X7R電容器,規格範圍1812-3640,250V-2kV,27nF-5.6µF。直流母線電容器還必須能夠處理兩倍的電路頻率,因此,常見的電路設計包括多層陶瓷電容器(MLCC)以及與之並聯的其他類型的電容器。
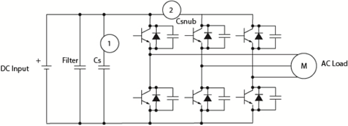
此外,電動汽車(EV)的電機驅動電路中的逆變器也會用到直流母線電容(如圖3所示)。nibianqijiangdianchidezhiliudianzhuanhuanweisanxiangjiaoliudian,zaijiasushiqudongqianyindianji,ranhouzaizhidongshizaijiangjiaoliudianzhuanhuanhuizhiliudian。tahainenggoujiancedianjidesuduheweizhi,bingqudongjueyuanzhashuangjijingtiguan(IGBT)功率級。
圖3. 電機驅動電路中逆變器的簡化原理圖
在這個子係統中,直流母線電容器或平滑電容器Cs被並聯在電壓轉換器的直流(電池)和交流(負載)側之間。電容器的規格與之前的OBC例子大致相同,因此我們推薦使用同樣具有高均方根(RMS)電流容量的StackiCap™係列 X7R電容器。為了滿足應用的高容值需求,小尺寸的MLCC可與薄膜電容及鋁電解電容一起使用,以便更接近IGBT開關器件的集成,並改善高頻衰減問題。
鑒於電動汽車應用中需要大量的轉換器和逆變器,因此選擇合適的高壓、高容值的直流母線電容對整個係統的正常運行非常重要。欲了解更多信息,請點擊下方閱讀原文,獲取我們的白皮書《為電動汽車選擇適用的車載級多層陶瓷電容器的參考因素》。
(來源:Knowles樓氏電容公眾號,作者:樓氏電容)
免責聲明:本文為轉載文章,轉載此文目的在於傳遞更多信息,版權歸原作者所有。本文所用視頻、圖片、文字如涉及作品版權問題,請聯係小編進行處理。
推薦閱讀:
安森美和Ride Vision合作,為摩托車騎行者提供先進的安全方案
- 噪聲中提取真值!瑞盟科技推出MSA2240電流檢測芯片賦能多元高端測量場景
- 10MHz高頻運行!氮矽科技發布集成驅動GaN芯片,助力電源能效再攀新高
- 失真度僅0.002%!力芯微推出超低內阻、超低失真4PST模擬開關
- 一“芯”雙電!聖邦微電子發布雙輸出電源芯片,簡化AFE與音頻設計
- 一機適配萬端:金升陽推出1200W可編程電源,賦能高端裝備製造
- 從機械執行到智能互動:移遠Q-Robotbox助力具身智能加速落地
- 品英Pickering將亮相2026航空電子國際論壇,展示航電與電池測試前沿方案
- 模擬芯片設計師的噩夢:晶體管差1毫伏就廢了,溫度升1度特性全飄
- 3A大電流僅需3x1.6mm?意法半導體DCP3603重新定義電源設計
- 芯科科技Tech Talks與藍牙亞洲大會聯動,線上線下賦能物聯網創新
- 車規與基於V2X的車輛協同主動避撞技術展望
- 數字隔離助力新能源汽車安全隔離的新挑戰
- 汽車模塊拋負載的解決方案
- 車用連接器的安全創新應用
- Melexis Actuators Business Unit
- Position / Current Sensors - Triaxis Hall



