一款汽車電子密碼鎖電路設計
發布時間:2014-10-10 責任編輯:sherryyu
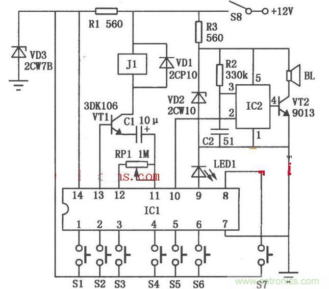
【導讀】本文為大家介紹一款汽車電子密碼鎖電路圖設計,該電路具體設計如下:ICl為專用密碼鎖集成電路5G058,它的①~⑥腳分別外接按鍵開關到電源正極,這是6個有效輸入鍵,開鎖必須遵照Sl~S6這一順序...
汽車電子密碼鎖電路圖:汽車電子密碼鎖的電路原理如圖所示。ICl為專用密碼鎖集成電路5G058,它的①~⑥腳分別外接按鍵開關到電源正極,這是6個有效輸入鍵,開鎖必須遵照Sl~S6這一順序;⑧腳所接按鍵開關S7是假鍵輸入端,可以隨意接一個或幾個按鍵混插在鍵盤中以假亂真;⑨腳是按鍵指示端,每個按鍵連通期間都會使外接發光二極管LEDl發光,確認該鍵輸入為有效;⑩腳是報警輸出端,如果不是按Sl~S6順序輸入或超過有效開鎖時間,則輸出高電平,觸發IC2防盜報警語言集成電路SR8803A工作而使揚聲器BL發出語言報警。汽車電子密碼鎖電路圖,有效開鎖時間由電容C1與電位器RPl的大小來決定。

特別推薦
- 噪聲中提取真值!瑞盟科技推出MSA2240電流檢測芯片賦能多元高端測量場景
- 10MHz高頻運行!氮矽科技發布集成驅動GaN芯片,助力電源能效再攀新高
- 失真度僅0.002%!力芯微推出超低內阻、超低失真4PST模擬開關
- 一“芯”雙電!聖邦微電子發布雙輸出電源芯片,簡化AFE與音頻設計
- 一機適配萬端:金升陽推出1200W可編程電源,賦能高端裝備製造
技術文章更多>>
- 貿澤EIT係列新一期,探索AI如何重塑日常科技與用戶體驗
- 算力爆發遇上電源革新,大聯大世平集團攜手晶豐明源線上研討會解鎖應用落地
- 創新不止,創芯不已:第六屆ICDIA創芯展8月南京盛大啟幕!
- AI時代,為什麼存儲基礎設施的可靠性決定數據中心的經濟效益
- 矽典微ONELAB開發係列:為毫米波算法開發者打造的全棧工具鏈
技術白皮書下載更多>>
- 車規與基於V2X的車輛協同主動避撞技術展望
- 數字隔離助力新能源汽車安全隔離的新挑戰
- 汽車模塊拋負載的解決方案
- 車用連接器的安全創新應用
- Melexis Actuators Business Unit
- Position / Current Sensors - Triaxis Hall
熱門搜索




