繼電器為何要並聯二極管
發布時間:2019-07-08 責任編輯:wenwei
【導讀】電感(inductor)是一個繞在磁性材料上的導線線圈(coil),電感通以電流時產生磁場(magnetic field),磁場很懶,不喜歡變化,結果呢,電感就成為阻礙其電流(current)變化的元件。
電感和電感器
電感(inductor)是一個繞在磁性材料上的導線線圈(coil),電感通以電流時產生磁場(magnetic field),磁場很懶,不喜歡變化,結果呢,電感就成為阻礙其電流(current)變化的元件。
如果流過電感的電流恒定,電感就很高興,不用對電子流出任何力(force),此時的電感線圈就是普通導線。
如果我們想中斷電感中的電流,電感就會出力(電動勢,EMF),試圖維持其中電流。如果電感自身構成回路,電路中又沒有電阻(resistance),那麼理論上,電子流永遠在循環流動。但是,除非我們采用超導體,否則所有的導線都對電流有阻礙作用,最終電感電流將衰減(decay)為零,且電阻越大,衰減越快。不過,感抗(inductance)越大,衰減則越慢。如圖1所示。

圖1 中斷電感電流時儲存的能量釋放
一旦電流變為零,由於電感總是試圖阻礙電流變化,此時它又想維持電路電流為零。
所(suo)以(yi),當(dang)我(wo)們(men)把(ba)電(dian)感(gan)接(jie)入(ru)電(dian)路(lu)中(zhong)時(shi),電(dian)感(gan)馬(ma)上(shang)出(chu)力(li),試(shi)圖(tu)阻(zu)礙(ai)電(dian)流(liu)增(zeng)加(jia),但(dan)是(shi)電(dian)流(liu)還(hai)是(shi)慢(man)慢(man)在(zai)增(zeng)加(jia)。電(dian)感(gan)感(gan)抗(kang)越(yue)大(da),電(dian)流(liu)增(zeng)大(da)的(de)速(su)度(du)越(yue)慢(man)。當(dang)電(dian)流(liu)不(bu)再(zai)增(zeng)加(jia)而(er)到(dao)達(da)穩(wen)態(tai)值(zhi)後(hou),電(dian)感(gan)又(you)樂(le)不(bu)可(ke)支(zhi)了(le),不(bu)用(yong)再(zai)出(chu)力(li)了(le)! 如圖2所示。


圖2 電感電路ON
dangwomenqieduandianganzhongdedianliushi,dianganyouchulixiangweichiwentaidianliuzhi。ruguocishidianganyuyigedianzuxianglian,zedianzuliangduandedianyashiqidianzuzhiyudianliudechengji。youyudianganzuidadebenshijiushizuzhidianliudetubian,yinci,buguandianzuzhishiduoshao,zaidianlubeiqieduanhoudeshunjian,dianganzhongdedianliuyuqieduanqianshiyiyangde。ruguodianzuzhihenda,zedianliuyudianzudechengjiyefeichangda,jieguo,dianganshanghuichanshengshunshidegaodianya。rutu3所示。


圖3 電感電路OFF
youyudianganzhongdedianliubunengtubian,ruguoyaoqieduandiangandianlu,womenzongshixuyaotigongdiangandianliushifanghuilu。jiarumeiyoutigongshifanghuilu,diangandianliujiuhuizixuntongdao,biru,tongguokongqishifang,tongguokaiguanchudianhuozheqitabuyingdaodiandeyuanjianshifang。duanshijiandegaodianyajiangduidianluchanshengjidadepohuai。
電感器能夠產生高電壓的能力在電源設計時非常有用,但也意味著,在沒有準備好釋放通路時不可以隨便切斷電感電路。
續流二極管
從圖中可以看出斷電時EMF產生的瞬時高壓(數倍甚至數十倍於電源電壓)如果無處釋放,會對電路的其他元件造成損害,而如果提供釋放回路,又怎麼能適時接通呢?即電感電路接通時,釋放回路不通,而電感電路斷開時釋放回路就接通。如圖4所示。

圖4 釋放回路接通的時機
電阻是雙向導電的,而二極管就具有單向導電特性。因此我們采用如圖5所示的電路,圖中並聯在電感兩端的二極管稱為續流二極管(flyback diode或flywheel diode)。

圖5 續流二極管電路
續流二極管的作用
xuliuerjiguantongchanghechunengyuanjianyiqishiyong,qizuoyongshifangzhidianluzhongdianyadianliudetubian,weifanxiangdiandongshitigonghaodiantonglu。dianganxianquankeyijingguotageifuzaitigongchixudedianliu,yimianfuzaidianliutubian,qidaopinghuadianliudezuoyong!在(zai)開(kai)關(guan)電(dian)源(yuan)中(zhong),就(jiu)能(neng)見(jian)到(dao)一(yi)個(ge)由(you)二(er)極(ji)管(guan)和(he)電(dian)阻(zu)串(chuan)連(lian)起(qi)來(lai)構(gou)成(cheng)的(de)的(de)續(xu)流(liu)電(dian)路(lu)。這(zhe)個(ge)電(dian)路(lu)與(yu)變(bian)壓(ya)器(qi)原(yuan)邊(bian)並(bing)聯(lian)。當(dang)開(kai)關(guan)管(guan)關(guan)斷(duan)時(shi),續(xu)流(liu)電(dian)路(lu)可(ke)以(yi)釋(shi)放(fang)掉(diao)變(bian)壓(ya)器(qi)線(xian)圈(quan)中(zhong)儲(chu)存(cun)的(de)能(neng)量(liang)。

續流二極管工作原理圖
BUCK電路中續流二極管的選擇

BUCK電路圖
BUCK電路中一般選擇快速恢複二極管或者肖特基二極管來作為"續流二極管",它(ta)在(zai)電(dian)路(lu)中(zhong)一(yi)般(ban)用(yong)來(lai)保(bao)護(hu)元(yuan)件(jian)不(bu)被(bei)感(gan)應(ying)電(dian)壓(ya)擊(ji)穿(chuan)或(huo)燒(shao)壞(huai),以(yi)並(bing)聯(lian)的(de)方(fang)式(shi)接(jie)到(dao)產(chan)生(sheng)感(gan)應(ying)電(dian)動(dong)勢(shi)的(de)元(yuan)件(jian)兩(liang)端(duan),並(bing)與(yu)其(qi)形(xing)成(cheng)回(hui)路(lu),使(shi)其(qi)產(chan)生(sheng)的(de)高(gao)電(dian)動(dong)勢(shi)在(zai)回(hui)路(lu)以(yi)續(xu)電(dian)流(liu)方(fang)式(shi)消(xiao)耗(hao),從(cong)而(er)起(qi)到(dao)保(bao)護(hu)電(dian)路(lu)中(zhong)的(de)元(yuan)件(jian)不(bu)被(bei)損(sun)壞(huai)的(de)作(zuo)用(yong)。
理論上二極管選用至少2倍於最大電流,實際使用時,由於二極管的瞬間抗過載能力較強,使用最大電流50A的超快速二極管也行,加上合理的散熱片,實際使用中一般少有損壞。導通時的總阻抗是 電機內阻+驅動管等效內阻。續流時的總阻抗是 電機內阻+續(xu)流(liu)二(er)極(ji)管(guan)等(deng)效(xiao)內(nei)阻(zu)。一(yi)般(ban)情(qing)況(kuang)下(xia),由(you)於(yu)續(xu)流(liu)二(er)極(ji)管(guan)的(de)交(jiao)流(liu)等(deng)效(xiao)內(nei)阻(zu)要(yao)比(bi)驅(qu)動(dong)三(san)極(ji)管(guan)的(de)交(jiao)流(liu)等(deng)效(xiao)內(nei)阻(zu)小(xiao)。所(suo)以(yi)常(chang)規(gui)設(she)計(ji),一(yi)般(ban)續(xu)流(liu)二(er)極(ji)管(guan)的(de)最(zui)大(da)電(dian)流(liu),取(qu)二(er)倍(bei)於(yu)電(dian)機(ji)最(zui)大(da)電(dian)流(liu)。
瞬(shun)態(tai)電(dian)流(liu)隻(zhi)是(shi)一(yi)瞬(shun)間(jian),麵(mian)接(jie)觸(chu)型(xing)二(er)極(ji)管(guan)的(de)抗(kang)過(guo)載(zai)能(neng)力(li)還(hai)是(shi)可(ke)以(yi)的(de),隻(zhi)要(yao)不(bu)過(guo)壓(ya)即(ji)可(ke),必(bi)要(yao)時(shi)串(chuan)個(ge)小(xiao)阻(zu)值(zhi)電(dian)阻(zu)進(jin)行(xing)限(xian)流(liu)。續(xu)流(liu)二(er)極(ji)管(guan)是(shi)為(wei)了(le)保(bao)護(hu)開(kai)關(guan)器(qi)件(jian),續(xu)流(liu)時(shi)的(de)瞬(shun)態(tai)電(dian)流(liu)跟(gen)電(dian)機(ji)的(de)工(gong)作(zuo)電(dian)壓(ya)和(he)繞(rao)組(zu)內(nei)阻(zu)有(you)關(guan),跟(gen)電(dian)機(ji)功(gong)率(lv)無(wu)關(guan),真(zhen)要(yao)計(ji)算(suan)的(de)話(hua),瞬(shun)態(tai)電(dian)流(liu)的(de)峰(feng)值(zhi)是(shi)反(fan)向(xiang)自(zi)感(gan)電(dian)壓(ya)減(jian)去(qu)二(er)極(ji)管(guan)結(jie)壓(ya)降(jiang)再(zai)除(chu)以(yi)回(hui)路(lu)電(dian)阻(zu)。這(zhe)裏(li)之(zhi)所(suo)以(yi)還(hai)要(yao)用(yong)一(yi)定(ding)電(dian)流(liu)以(yi)上(shang)的(de)二(er)極(ji)管(guan)是(shi)因(yin)為(wei)低(di)壓(ya)大(da)功(gong)率(lv)電(dian)機(ji)的(de)繞(rao)組(zu)內(nei)阻(zu)較(jiao)低(di),所(suo)以(yi)瞬(shun)態(tai)電(dian)流(liu)會(hui)比(bi)較(jiao)大(da),串(chuan)個(ge)小(xiao)阻(zu)值(zhi)電(dian)阻(zu)就(jiu)可(ke)以(yi)抑(yi)製(zhi)峰(feng)值(zhi)電(dian)流(liu),因(yin)此(ci)造(zao)成(cheng)的(de)開(kai)關(guan)管(guan)瞬(shun)態(tai)加(jia)壓(ya)的(de)些(xie)許(xu)上(shang)升(sheng)因(yin)為(wei)工(gong)作(zuo)電(dian)壓(ya)本(ben)來(lai)就(jiu)不(bu)高(gao),所(suo)以(yi)根(gen)本(ben)不(bu)必(bi)擔(dan)心(xin),現(xian)在(zai)的(de)晶(jing)體(ti)管(guan)耐(nai)壓(ya)至(zhi)少(shao)都(dou)在(zai)50V以上。
繼電器續流二極管的選擇

繼電器並聯的二極管,不是什麼BUCK電(dian)路(lu)中(zhong)的(de)續(xu)流(liu)二(er)極(ji)管(guan),由(you)於(yu)繼(ji)電(dian)器(qi)線(xian)圈(quan)的(de)是(shi)感(gan)性(xing)負(fu)載(zai),作(zuo)用(yong)是(shi)吸(xi)收(shou)驅(qu)動(dong)三(san)極(ji)管(guan)在(zai)斷(duan)開(kai)時(shi)繼(ji)電(dian)器(qi)線(xian)圈(quan)的(de)自(zi)感(gan)電(dian)壓(ya),根(gen)據(ju)楞(leng)次(ci)定(ding)律(lv),電(dian)感(gan)上(shang)的(de)電(dian)流(liu)在(zai)減(jian)小(xiao)時(shi),會(hui)產(chan)生(sheng)一(yi)個(ge)自(zi)感(gan)電(dian)壓(ya),這(zhe)個(ge)電(dian)壓(ya)的(de)方(fang)向(xiang)是(shi)正(zheng)電(dian)源(yuan)端(duan)為(wei)負(fu),驅(qu)動(dong)管(guan)集(ji)電(dian)極(ji)為(wei)正(zheng),這(zhe)個(ge)電(dian)壓(ya)會(hui)擊(ji)穿(chuan)三(san)極(ji)管(guan),所(suo)以(yi)在(zai)繼(ji)電(dian)器(qi)上(shang)並(bing)聯(lian)一(yi)個(ge)吸(xi)收(shou)二(er)極(ji)管(guan),吸(xi)收(shou)這(zhe)個(ge)自(zi)感(gan)電(dian)壓(ya)。
第一,電路ms級以下時間參數對機械觸點影響給予忽略
第二,即便是1N4000反向恢複時間也遠低於ms,正向導通時間更小
第三,驅動管極間電容,繼電器寄生電容足以使高速二極管無用武之地
第四,電感儲能的消耗主要依靠饒組電阻,一般處於過阻尼狀態
對於圖中的開關,我們經常使用晶體管。如圖所示,用一個晶體管TR1去控製繼電器線圈(relay coil)的導通,繼電器觸點再去控製負載電路。

繼電器線圈的續流電路
二er極ji管guan負fu極ji接jie直zhi流liu電dian源yuan正zheng極ji,繼ji電dian器qi線xian圈quan斷duan電dian時shi,二er極ji管guan因yin勢shi利li導dao,為wei線xian圈quan高gao電dian壓ya提ti供gong釋shi放fang途tu徑jing。如ru果guo沒mei有you續xu流liu二er極ji管guan,晶jing體ti管guan斷duan開kai時shi在zai線xian圈quan兩liang端duan產chan生sheng的de高gao電dian壓ya將jiang對dui晶jing體ti管guan電dian路lu造zao成cheng極ji大da的de損sun壞huai,此ci時shi續xu流liu二er極ji管guan起qi到dao了le保bao護hu作zuo用yong。
為此,經常將二極管直接和繼電器做在一起,如圖所示。

觸點的保護電路一
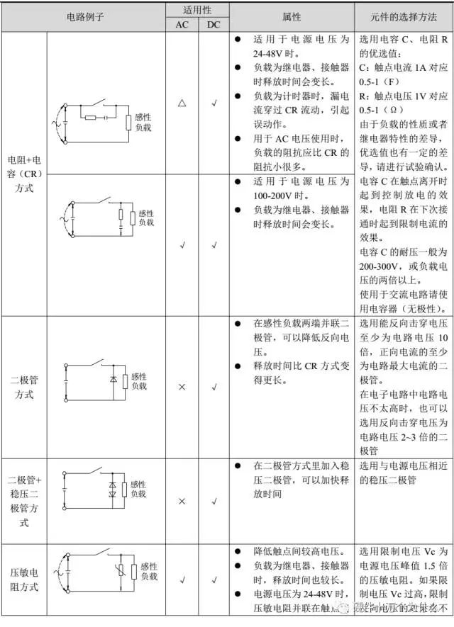
banganxingfuzaibidianzuxingfuzaigengrongyishichudianshoudaosunzuo,ruguoshiyongshidangdebaohudianlukeyishiganxingfuzaiduichudiandeyingxiangyudianzuxingfuzaijibenxiangdang,danqingzhuyiruguobuzhengqueshiyong,kenenghuichanshengfanxiaoguo。
下表是觸點保護電路的代表性例子。


注意請避免下表中所列的觸點保護電路。

續流二極管的電路

續xu流liu二er極ji管guan應ying該gai加jia到dao感gan性xing負fu載zai的de兩liang端duan,這zhe裏li說shuo的de感gan性xing,就jiu是shi具ju有you電dian感gan特te性xing,而er不bu是shi性xing感gan。感gan性xing負fu載zai的de特te性xing就jiu是shi電dian流liu不bu能neng突tu變bian,也ye就jiu是shi說shuo,不bu可ke能neng一yi下xia子zi就jiu沒mei了le,也ye不bu可ke能neng一yi下xia子zi就jiu有you了le,需xu要yao有you個ge過guo程cheng。
常見的感性負載有繼電器線圈、電磁閥。
為什麼要加續流二極管
ganxingfuzaihuichanshengganyingdiandongshi,ganyingdiandongshidefangxianghejiazaitaliangduandedianyafangxiangshixiangfande,dangganxingfuzaituranduandian,ganyingdiandongshihaizai,youyuganyingdiandongshiyuyuanlaidedianyafangxiangxiangfan,zaimeiyouduandiandeshihou,haiyouyuanlaidedianyayuzhidixiao,duandianhoujiumeiyouyuganyingdiandongshidixiaodedianyale,zhegeganyingdiandongshijiuyoukenengzaochengdianluzhongdeyuanqijiansunhuai,jiageerjiguanyihou,zhegeerjiguanzhenghaoyuganxingfuzaixingchengleyigebihehuilu,huiluzhongdedianliufangxiangzhenghaoheerjiguanshizhengxiangdaotongde,jiukeyishifangganyingdiandongshidedianliule。

可以作為續流二極管的型號
普通二極管如1N4007就可以作為續流二極管,不過,最好是用快速恢複二極管或者肖特基二極管。
快速恢複二極管可以用:FR107、1N4148
肖特基二極管可以用:1N5819
看二極管datasheet的什麼參數
二極管的耐壓,就是反向能加多大電壓,你可以看到,續流二極管在電路中是反向連接的。比如你的電路中,線圈加的是12V,那麼你的二極管方向耐壓值就必須要大於12V才行。不過一般的二極管反向耐壓值都非常高。
二極管的最大正向導通電流,比如1N4148最大正向導通電流是150mA,那麼如果你的線圈電流太大,就會燒壞續流二極管。所以1N4148隻適合小電流的線圈保護,比如5V的繼電器。
實踐經驗
凡(fan)是(shi)電(dian)路(lu)中(zhong)的(de)繼(ji)電(dian)器(qi)線(xian)圈(quan)兩(liang)端(duan)和(he)電(dian)磁(ci)閥(fa)接(jie)口(kou)兩(liang)端(duan)都(dou)要(yao)接(jie)續(xu)流(liu)二(er)極(ji)管(guan)。接(jie)法(fa)如(ru)上(shang)麵(mian)的(de)圖(tu),二(er)極(ji)管(guan)的(de)負(fu)極(ji)接(jie)線(xian)圈(quan)的(de)正(zheng)極(ji),二(er)極(ji)管(guan)的(de)正(zheng)極(ji)接(jie)線(xian)圈(quan)的(de)負(fu)極(ji)。不(bu)過(guo),你(ni)要(yao)清(qing)楚(chu),續(xu)流(liu)二(er)極(ji)管(guan)並(bing)不(bu)是(shi)利(li)用(yong)二(er)極(ji)管(guan)的(de)反(fan)方(fang)向(xiang)耐(nai)壓(ya)特(te)性(xing),而(er)是(shi)利(li)用(yong)二(er)極(ji)管(guan)的(de)單(dan)方(fang)向(xiang)正(zheng)向(xiang)導(dao)通(tong)特(te)性(xing)。
如果懶得看二極管的datasheet參數,就用FR107吧,通吃一般應用。
實踐示例:

推薦閱讀:
特別推薦
- 噪聲中提取真值!瑞盟科技推出MSA2240電流檢測芯片賦能多元高端測量場景
- 10MHz高頻運行!氮矽科技發布集成驅動GaN芯片,助力電源能效再攀新高
- 失真度僅0.002%!力芯微推出超低內阻、超低失真4PST模擬開關
- 一“芯”雙電!聖邦微電子發布雙輸出電源芯片,簡化AFE與音頻設計
- 一機適配萬端:金升陽推出1200W可編程電源,賦能高端裝備製造
技術文章更多>>
- 築基AI4S:摩爾線程全功能GPU加速中國生命科學自主生態
- 一秒檢測,成本降至萬分之一,光引科技把幾十萬的台式光譜儀“搬”到了手腕上
- AI服務器電源機櫃Power Rack HVDC MW級測試方案
- 突破工藝邊界,奎芯科技LPDDR5X IP矽驗證通過,速率達9600Mbps
- 通過直接、準確、自動測量超低範圍的氯殘留來推動反滲透膜保護
技術白皮書下載更多>>
- 車規與基於V2X的車輛協同主動避撞技術展望
- 數字隔離助力新能源汽車安全隔離的新挑戰
- 汽車模塊拋負載的解決方案
- 車用連接器的安全創新應用
- Melexis Actuators Business Unit
- Position / Current Sensors - Triaxis Hall
熱門搜索





