智能功率模塊IPM的結溫評估
發布時間:2021-08-11 來源:英飛淩,王剛、田斌 責任編輯:lina
【導讀】本文詳細敘述了實際使用時對IPMmokuaidegezhongjiewendejisuanheceshifangfa,congzhijiehongwaiceshifa,neimaireminceshi,kewendeceshifangfa,doujinxingxiangxishuoming,yizhidaojishurenyuantongguoceliangmokuaizidaideTntc的溫度估算或測試IPM變頻模塊的結溫,然後利用開發樣機測試結果對實際產品進行結溫估算標定,評估IPM模塊運行的可靠性。
引言
IPM模塊是電機驅動變頻器的最重要的功率器件, 近些年隨著IPM模塊的小型化使模塊Rth(j-c)變大,從而對溫升帶來了越來越多的挑戰;suiranxinpianjishudejinbuhuijiangdiqijiansunhao,nengyidingchengduhuanjiexiaoxinghuadewenshengwenti,danbuduanchengshudekongzhijishuhechengbenkongzhiyexuyaogengyouxiaodeliyongjiewenpinggujieguojinxinglinghuobaohu。zaishijiyingyongzhong,gongchengshizuizhijieyeshizuichangjiandeyigewentijiushi:我檢測到了IPM的NTC的溫度,那麼裏麵IGBT&MOSFET真實的結溫是多少?本文詳細敘述了實際使用時對IPMmokuaidegezhongjiewendejisuanheceshifangfa,congzhijiehongwaiceshifa,neimaireminceshi,kewendeceshifangfa,doujinxingxiangxishuoming,yizhidaojishurenyuantongguoceliangmokuaizidaideTntc的溫度估算或測試IPM變頻模塊的結溫,然後利用開發樣機測試結果對實際產品進行結溫估算標定,評估IPM模塊運行的可靠性。
實際產品中IPM結溫評估的重要性和評估條件

很顯然在實際產品中,我們能檢測的溫度信息有Tntc,Ta,以及其他信息有係統功率(或相電流,母線電壓),散熱風速(影響熱阻)等,而在開發樣機階段除了Tntc,Ta,還能通過一定手段檢測Tc,IPM的耗散功率等,從而能根據實際功率,熱阻參數,Tc來估算Tj。
實際產品與開發樣機需要保證負載功率,IPMcanshu,xitongrezumoxingdouyizhi,cainengtongguokaifaceshiyangjidedingbiaoceshijieguolaishedingshijichanpinbutonggongkuangdebaohuxianzhi,suoyishijichanpinxuyaoliyongdedingbiaocanshubaokuo:實際的負載信息,Ta,Tntc,散熱風速等。
IPM的熱阻模型
在準備評估結溫前,我們先複習一遍IPM的熱阻模型,如下圖以英飛淩自帶NTC的Mini係列IPM模塊散熱器安裝結構為例:


圖1.IPM的熱阻模型
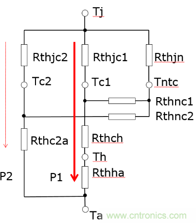
如圖2,P1是IGBT晶圓到模塊底部和散熱器的散熱路徑,P2是IGBT晶圓到模塊上部的散熱路徑,由於Rthch+Rthha<<Rthc2a,所以P1為主要的功率耗散通道。同時我們要注意散熱風量會影響Rthha跟Rthc2a。

圖2.IPM的簡化熱阻模型
IPM的結溫計算
IPM的損耗是由IGBT的導通損耗和開關損耗組成,驅動芯片的損耗可以忽略不計,計算原理和分立IGBT的損耗計算是一樣的,英飛淩在相關文檔都有很詳細的論述。
這裏隻簡要提及計算過程,先利用規格書上圖3的I-V曲線找到不同電流條件下的Vcesat和Vf,通過跟實時電流的積分計算IGBT跟diode的導通損耗。然後利用雙脈衝測試平台測試不同電流條件下的Eon,Eoff,Erec損耗, zaitongguojifenjisuandedaokaiguansunhao。dangran,yinweiguigeshucanshubenshenhuicunzaifanweiwucha,weilededaogengzhunquedishuzhi,shijicaozuoshikenengxuyaogengzhunquedeshiceshujudedaoPtotal。
得到Ptotal後,我們可以通過以下公式來計算單顆晶圓上的結溫Tj:
Tj=Tc+Ptotal*Rthj-c
Tj:IGBT的結溫
Tc:模塊晶圓正下方的表麵溫度
Ptotal:IGBT開關和導通損耗
Rthj-c:IGBT芯片和到封裝表麵之間的熱阻


圖3.IGBT和二極管的I-V曲線
對於英飛淩IPM產品來說,我們有一個更簡便的方法,如圖4可以利用仿真工具輸入實際使用的係統條件就可以直接算出對應IPM在指定條件下的損耗和結溫。

圖4.英飛淩IPM仿真工具
結溫的檢測方法
通常我們能想到兩種最直接的辦法,一種紅外測溫儀直接檢測,一種是預埋熱電藕測試。
如圖5第(di)一(yi)種(zhong)方(fang)法(fa)是(shi)將(jiang)模(mo)塊(kuai)在(zai)最(zui)熱(re)的(de)晶(jing)圓(yuan)處(chu)開(kai)口(kou),露(lu)出(chu)晶(jing)圓(yuan)並(bing)將(jiang)其(qi)塗(tu)黑(hei),用(yong)紅(hong)外(wai)測(ce)溫(wen)儀(yi)測(ce)量(liang)晶(jing)圓(yuan)溫(wen)度(du)。這(zhe)種(zhong)方(fang)法(fa)通(tong)常(chang)在(zai)工(gong)程(cheng)研(yan)究(jiu)上(shang)做(zuo)參(can)考(kao)評(ping)估(gu)用(yong),實(shi)際(ji)產(chan)品(pin)測(ce)試(shi)時(shi)因(yin)空(kong)間(jian)結(jie)構(gou)所(suo)限(xian)往(wang)往(wang)並(bing)不(bu)可(ke)取(qu)。

圖5.紅外測溫儀測試結溫
第二種方法需要IPM廠(chang)家(jia)提(ti)供(gong)預(yu)埋(mai)熱(re)電(dian)偶(ou)的(de)樣(yang)品(pin),在(zai)最(zui)熱(re)晶(jing)圓(yuan)處(chu)開(kai)孔(kong)至(zhi)晶(jing)圓(yuan)外(wai)露(lu),預(yu)埋(mai)熱(re)電(dian)藕(ou)於(yu)晶(jing)圓(yuan)上(shang)方(fang)足(zu)夠(gou)近(jin)但(dan)又(you)不(bu)接(jie)觸(chu)到(dao)晶(jing)圓(yuan)的(de)地(di)方(fang),樣(yang)機(ji)測(ce)試(shi)時(shi)可(ke)以(yi)通(tong)過(guo)數(shu)據(ju)采(cai)集(ji)儀(yi)讀(du)取(qu)芯(xin)片(pian)溫(wen)度(du)。
預埋熱電偶的測量方法建議通過測量IPM的直流非開關工作狀態來模擬等損耗條件的實際工作狀況;直接進行動態負載測試建議采用手持式測溫儀減小幹擾,並對測量引線及設備的布放進行優化,實際操作時難度還是非常大的。
利用結殼熱阻法測量模塊結溫是比較常見並且有效的一種方法:先測試殼溫Tc,通過結殼熱阻Rthj-c,然後利用我們上述計算出來的Ptotal功耗來計算得到結溫(Tj=Tc+Ptotal*Rthj-c)。
Tc殼溫指的是最高結溫晶圓正對散熱器的殼的溫度,要測得此點溫度需要在散熱器鑽孔或者開槽布防熱電藕,如圖6的兩種開槽方式:

圖6.Tc測試熱電偶安裝的開槽方式
結溫標定
在實際的項目開發時,我們隻需要在開發前期測試各種不同極限條件下的Tc和Tntc溫度,擬合出Ta 、Vs、Tntc、Vs、Tj的對應曲線關係。
實現利用開發樣機測試結果對實際產品進行結溫估算標定,必須滿足下麵的條件:
二者的負載功率以及控製方法完全相同。
二者的係統熱阻參數必須相同,包括散熱器,散熱器與模塊接觸熱阻,散熱風扇的風量等。
二者的IPM必須相同。
實際產品的上述任何參數發生了改變,理論上都要通過樣機測試進行重新標定,圖7為例我們先標定散熱器尺寸和風速模型。


圖7.散熱器熱阻模型標定
然ran後hou需xu要yao實shi測ce散san熱re器qi的de熱re阻zu,下xia圖tu以yi風feng冷leng散san熱re器qi為wei例li,取qu幾ji個ge典dian型xing的de風feng速su點dian,待dai熱re平ping衡heng後hou,測ce量liang散san熱re器qi表biao麵mian溫wen度du和he進jin風feng口kou溫wen度du,並bing計ji算suan散san熱re器qi熱re阻zu。

圖8.散熱器熱阻Vs風速曲線
在相同條件下,通過讀取Tntc的溫度值,同時考慮到風速對散熱器熱阻的影響,我們可以得到圖9的Tj 、VS、Tntc的擬合關係如下:

圖9.Tj VS Tntc在不同風速下的擬合曲線(綠色為最低風速,紅色為中等風速,藍色為最高風速)
同時結合係統負載,可以得到如圖10對應不同Ta條件下的受限於Tjmax的輸出功率值(或者負載相電流值),以及Po-limit(Io-limit)vs.Tntc的曲線。

圖10.Po-limit(Io-limit)vs. Tntc的曲線
結束語利用測試樣機的結溫估算結果,可以在批量生產的產品中針對估算得到的經驗數據,在不同Ta條件下,根據Tntc檢測結果的變化,來設定不同的功率限製值,從而控製Tj不要超過設定Tjmax值,保護IPM不會過熱而損壞。
功率達到限製值後的另外選擇:提高散熱風扇的風速,同時提升輸出功率限值到新風速下的新限值,後期我們就可以直接采用Tntc溫度來合理評估溫度保護何限頻(電機轉速頻率)點。
(來源:英飛淩,作者:王剛、田斌,工業功率控製事業部大中華區應用工程師)
免責聲明:本文為轉載文章,轉載此文目的在於傳遞更多信息,版權歸原作者所有。本文所用視頻、圖片、文字如涉及作品版權問題,請電話或者郵箱聯係小編進行侵刪。
特別推薦
- 噪聲中提取真值!瑞盟科技推出MSA2240電流檢測芯片賦能多元高端測量場景
- 10MHz高頻運行!氮矽科技發布集成驅動GaN芯片,助力電源能效再攀新高
- 失真度僅0.002%!力芯微推出超低內阻、超低失真4PST模擬開關
- 一“芯”雙電!聖邦微電子發布雙輸出電源芯片,簡化AFE與音頻設計
- 一機適配萬端:金升陽推出1200W可編程電源,賦能高端裝備製造
技術文章更多>>
- 從機械執行到智能互動:移遠Q-Robotbox助力具身智能加速落地
- 品英Pickering將亮相2026航空電子國際論壇,展示航電與電池測試前沿方案
- 模擬芯片設計師的噩夢:晶體管差1毫伏就廢了,溫度升1度特性全飄
- 3A大電流僅需3x1.6mm?意法半導體DCP3603重新定義電源設計
- 芯科科技Tech Talks與藍牙亞洲大會聯動,線上線下賦能物聯網創新
技術白皮書下載更多>>
- 車規與基於V2X的車輛協同主動避撞技術展望
- 數字隔離助力新能源汽車安全隔離的新挑戰
- 汽車模塊拋負載的解決方案
- 車用連接器的安全創新應用
- Melexis Actuators Business Unit
- Position / Current Sensors - Triaxis Hall
熱門搜索
按鈕開關
白色家電
保護器件
保險絲管
北鬥定位
北高智
貝能科技
背板連接器
背光器件
編碼器型號
便攜產品
便攜醫療
變容二極管
變壓器
檳城電子
並網
撥動開關
玻璃釉電容
剝線機
薄膜電容
薄膜電阻
薄膜開關
捕魚器
步進電機
測力傳感器
測試測量
測試設備
拆解
場效應管
超霸科技



