提高開關電源待機效率的方法
發布時間:2009-07-28
中心議題:
而目前大多數開關電源由額定負載轉入輕載和待機狀態時,電源效率急劇下降,待機效率不能滿足要求。這就給電源設計工程師們提出了新的挑戰。
開關電源功耗分析
要減小開關電源待機損耗,提高待機效率,首先要分析開關電源損耗的構成。以反激式電源為例,其工作損耗主要表現為:MOSFET導通損耗
,MOSFET寄生電容損耗
,開關交疊損耗,PWM控(kong)製(zhi)器(qi)及(ji)其(qi)啟(qi)動(dong)電(dian)阻(zu)損(sun)耗(hao),輸(shu)出(chu)整(zheng)流(liu)管(guan)損(sun)耗(hao),箝(qian)位(wei)保(bao)護(hu)電(dian)路(lu)損(sun)耗(hao),反(fan)饋(kui)電(dian)路(lu)損(sun)耗(hao)等(deng)。其(qi)中(zhong)前(qian)三(san)個(ge)損(sun)耗(hao)與(yu)頻(pin)率(lv)成(cheng)正(zheng)比(bi)關(guan)係(xi),即(ji)與(yu)單(dan)位(wei)時(shi)間(jian)內(nei)器(qi)件(jian)開(kai)關(guan)次(ci)數(shu)成(cheng)正(zheng)比(bi)。
在待機狀態,主電路電流較小,MOSFET導通時間ton很小,電路工作在DCM模式,故相關的導通損耗,次級整流管損耗等較小,此時損耗主要由寄生電容損耗和開關交疊損耗和啟動電阻損耗構成。
提高待機效率的方法
根據損耗分析可知,切斷啟動電阻,降低開關頻率,減小開關次數可減小待機損耗,提高待機效率。具體的方法有:降低時鍾頻率;由高頻工作模式切換至低頻工 作模式,如準諧振模式(Quasi Resonant,QR)切換至脈寬調製(Pulse Width Modulation,PWM), 脈寬調製切換至脈衝頻率調製(Pulse Frequency Modulation, PFM);可控脈衝模式(Burst Mode)。
切斷啟動電阻
對於反激式電源,啟動後控製芯片由輔助繞組供電,啟動電阻上壓降為300V左右。設啟動電阻取值為47kΩ,消耗功率將近2W。要改善待機效率,必須在 啟動後將該電阻通道切斷。TOPSWITCH,ICE2DS02G內部設有專門的啟動電路,可在啟動後關閉該電阻。
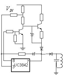
若控製器沒有專門啟動電路,也可在啟動 電阻串接電容,其啟動後的損耗可逐漸下降至零。缺點是電源不能自重啟,隻有斷開輸入電壓,使電容放電後才能再次啟動電路。而圖1所示的啟動電路,則可避免 以上問題,而且該電路功耗僅為0.03W。不過電路增加了複雜度和成本。

圖1 UC3842反激式電源啟動電路
降低時鍾頻率
時鍾頻率可平滑下降或突降。平滑下降就是當反饋量超過某一閾值,通過特定模塊,實現時鍾頻率的線性下降。POWER公司的 TOPSwitch-GX和SG公司的SG6848芯片內置了這樣的模塊,能根據負載大小調節頻率,圖2所示是SG6848時鍾頻率與其反饋電流的關係。

圖2 SG6848反饋電流與時鍾頻率的關係
[page]
突降實現方法如圖3:以UCC3895為例,當電源處於正常負載狀態時,Q1導通,其時鍾周期為:

即開關頻率減小。開關損耗降為降頻前的
(小於1)倍。L5991和Infineon公司的CoolSetF2係列已經集成了該功能。

切換工作模式
QR→PWM
對於工作在高頻工作模式的開關電源,在待機時切換至低頻工作模式可減小待機損耗。例如,對於準諧振式開關電源(工作頻率為幾百kHz到幾MHz),可在待機時切換至低頻的脈寬調製控製模式PWM(幾十kHz)。
IRIS40xx芯片就是通過QR與PWM切換來提高待機效率的。圖4是IRIS4015構成的反激式開關電源,重載時,輔助繞組電壓大,R1分壓大於0.6V,Q1導通,輔助準諧振信號經過D1,D2,R3,C2構成的延時電路到達IRIS4015的FB腳,內部比較器對該信號進行比較,電路工作在準諧振模式。當電源處於輕載和待機時候,輔助繞組電壓較小,Q1關斷,諧振信號不能傳輸至FB端,FB電壓小於芯片內部的一個門限電壓,不能觸發準諧振模式,電路則工作在更低頻的脈寬調製控製模式。

圖4由IRIS4015構成的QR/PWM反激式電源電路
PWM→PFM
對於額定功率時工作在PWM模式的開關電源,,也可以通過切換至PFM模式提高待機效率,即固定開通時間,調節關斷時間,負載越低,關斷時間越長,工作頻率也越低。圖5是采用NS公司的LM2618控製的Buck轉換器電路和分別采用PWM和PFM控製方法的效率比較曲線。由圖可見,在輕載時采用PFM模式的電源效率明顯大於采用PWM模式時的效率,且負載越低,PFM效率優勢越明顯。
將待機信號加在其PW/ PPM引腳上,在額定負載條件下,該引腳為高電平,電路工作在PWM模式,當負載低於某個閾值時,該引腳被拉為低電平,電路工作在PFM模式。實現PWM和PFM的切換,也就提高了輕載和待機狀態時的電源效率。
通tong過guo降jiang低di時shi鍾zhong頻pin率lv和he切qie換huan工gong作zuo模mo式shi實shi現xian降jiang低di待dai機ji工gong作zuo頻pin率lv,提ti高gao待dai機ji效xiao率lv,可ke保bao持chi控kong製zhi器qi一yi直zhi在zai運yun作zuo,在zai整zheng個ge負fu載zai範fan圍wei中zhong,輸shu出chu都dou能neng被bei妥tuo善shan的de調tiao節jie。即ji使shi負fu載zai從cong零ling激ji增zeng至zhi滿man負fu載zai的de情qing況kuang下xia,能neng夠gou快kuai速su反fan應ying,反fan之zhi亦yi然ran。輸shu出chu電dian壓ya降jiang和he過guo衝chong值zhi都dou保bao持chi在zai允yun許xu範fan圍wei內nei。
[page]
可控脈衝模式(BurstMode)
可控脈衝模式,也可稱為跳周期控製模式(SkipCycleMode)是指當處於輕載或待機條件時,由周期比PWM控製器時鍾周期大的信號控製電路某一環節,使得PWM的輸出脈衝周期性的有效或失效,如圖6所示。這樣即可實現恒定頻率下通過減小開關次數,增大占空比來提高輕載和待機的效率。該信號可以加在反饋通道,PWM信號輸出通道,PWM芯片的使能引腳(如LM2618,L6565)或者是芯片內部模塊(如NCP1200,FSD200,L6565和TinySwitch係列芯片)。

圖6BurstMode控製信號與驅動信號圖
NCP1200的內部跳周期模塊結構見圖7,當反饋檢測腳FB的電壓低於1.2V(該值可編程)時,跳周期比較器控製Q觸(chu)發(fa)器(qi),使(shi)輸(shu)出(chu)關(guan)閉(bi)若(ruo)幹(gan)時(shi)鍾(zhong)周(zhou)期(qi),也(ye)即(ji)跳(tiao)過(guo)若(ruo)幹(gan)個(ge)周(zhou)期(qi),負(fu)載(zai)越(yue)輕(qing),跳(tiao)過(guo)的(de)周(zhou)期(qi)也(ye)越(yue)多(duo)。為(wei)免(mian)音(yin)頻(pin)噪(zao)音(yin),隻(zhi)有(you)在(zai)峰(feng)值(zhi)電(dian)流(liu)降(jiang)至(zhi)某(mou)個(ge)設(she)定(ding)值(zhi)時(shi),跳(tiao)周(zhou)期(qi)模(mo)式(shi)才(cai)有(you)效(xiao)。

圖7NCP1200跳周期模塊結構
而FSD200則是通過控製內部驅動器實現可控脈衝模式,即將Vfo 腳的反饋電壓與0.6V/0.5V遲滯比較器比較,由比較結果控製門極驅動輸出,其結構可見圖8。我們可根據此原理用分立元件實現普通芯片的BurstMode功能,即檢測次級電壓判斷電源是否處於待機狀態,通過遲滯比較器,控製芯片輸出,電路如圖9所示。

控製反饋通道是實現一般PWM控製器的可控脈衝模式的方法之一。其電路可見圖10
另外對於有使能腳的PWM控製器,如L6565等,用可控脈衝信號控製使能腳使控製芯片有效或失效,可以實現BurstMode,上述BurstSignal可由圖1中所示的遲滯比較器產生。

圖10控製反饋通道的BurstMode
存在的問題
以上介紹的降頻和BurstMode方法在提高待機效率的同時,也帶來一些問題,首先是頻率降低導致輸出電壓紋波的增加,其次如果頻率降至20kHz以內,可能有音頻噪音。而在BurstMode的OFF時(shi)期(qi)內(nei),如(ru)果(guo)負(fu)載(zai)激(ji)增(zeng),輸(shu)出(chu)電(dian)壓(ya)會(hui)大(da)大(da)降(jiang)低(di),如(ru)果(guo)輸(shu)出(chu)電(dian)容(rong)不(bu)夠(gou)大(da),電(dian)壓(ya)甚(shen)至(zhi)可(ke)能(neng)降(jiang)低(di)至(zhi)零(ling)。如(ru)果(guo)增(zeng)大(da)輸(shu)出(chu)電(dian)容(rong),以(yi)減(jian)小(xiao)輸(shu)出(chu)電(dian)壓(ya)紋(wen)波(bo),則(ze)會(hui)導(dao)致(zhi)成(cheng)本(ben)增(zeng)加(jia),並(bing)會(hui)影(ying)響(xiang)係(xi)統(tong)動(dong)態(tai)性(xing)能(neng)。因(yin)此(ci)必(bi)須(xu)綜(zong)合(he)考(kao)慮(lv)。
- 開關電源功耗分析
- 提高待機效率的方法
- 電源降頻存在的問題
- 降低時鍾頻率
- 切斷啟動電阻
- 切換工作模式
而目前大多數開關電源由額定負載轉入輕載和待機狀態時,電源效率急劇下降,待機效率不能滿足要求。這就給電源設計工程師們提出了新的挑戰。
開關電源功耗分析
要減小開關電源待機損耗,提高待機效率,首先要分析開關電源損耗的構成。以反激式電源為例,其工作損耗主要表現為:MOSFET導通損耗
,MOSFET寄生電容損耗
,開關交疊損耗,PWM控(kong)製(zhi)器(qi)及(ji)其(qi)啟(qi)動(dong)電(dian)阻(zu)損(sun)耗(hao),輸(shu)出(chu)整(zheng)流(liu)管(guan)損(sun)耗(hao),箝(qian)位(wei)保(bao)護(hu)電(dian)路(lu)損(sun)耗(hao),反(fan)饋(kui)電(dian)路(lu)損(sun)耗(hao)等(deng)。其(qi)中(zhong)前(qian)三(san)個(ge)損(sun)耗(hao)與(yu)頻(pin)率(lv)成(cheng)正(zheng)比(bi)關(guan)係(xi),即(ji)與(yu)單(dan)位(wei)時(shi)間(jian)內(nei)器(qi)件(jian)開(kai)關(guan)次(ci)數(shu)成(cheng)正(zheng)比(bi)。在待機狀態,主電路電流較小,MOSFET導通時間ton很小,電路工作在DCM模式,故相關的導通損耗,次級整流管損耗等較小,此時損耗主要由寄生電容損耗和開關交疊損耗和啟動電阻損耗構成。
提高待機效率的方法
根據損耗分析可知,切斷啟動電阻,降低開關頻率,減小開關次數可減小待機損耗,提高待機效率。具體的方法有:降低時鍾頻率;由高頻工作模式切換至低頻工 作模式,如準諧振模式(Quasi Resonant,QR)切換至脈寬調製(Pulse Width Modulation,PWM), 脈寬調製切換至脈衝頻率調製(Pulse Frequency Modulation, PFM);可控脈衝模式(Burst Mode)。
切斷啟動電阻
對於反激式電源,啟動後控製芯片由輔助繞組供電,啟動電阻上壓降為300V左右。設啟動電阻取值為47kΩ,消耗功率將近2W。要改善待機效率,必須在 啟動後將該電阻通道切斷。TOPSWITCH,ICE2DS02G內部設有專門的啟動電路,可在啟動後關閉該電阻。
若控製器沒有專門啟動電路,也可在啟動 電阻串接電容,其啟動後的損耗可逐漸下降至零。缺點是電源不能自重啟,隻有斷開輸入電壓,使電容放電後才能再次啟動電路。而圖1所示的啟動電路,則可避免 以上問題,而且該電路功耗僅為0.03W。不過電路增加了複雜度和成本。

圖1 UC3842反激式電源啟動電路
降低時鍾頻率
時鍾頻率可平滑下降或突降。平滑下降就是當反饋量超過某一閾值,通過特定模塊,實現時鍾頻率的線性下降。POWER公司的 TOPSwitch-GX和SG公司的SG6848芯片內置了這樣的模塊,能根據負載大小調節頻率,圖2所示是SG6848時鍾頻率與其反饋電流的關係。

圖2 SG6848反饋電流與時鍾頻率的關係
[page]
突降實現方法如圖3:以UCC3895為例,當電源處於正常負載狀態時,Q1導通,其時鍾周期為:

即開關頻率減小。開關損耗降為降頻前的
(小於1)倍。L5991和Infineon公司的CoolSetF2係列已經集成了該功能。
切換工作模式
QR→PWM
對於工作在高頻工作模式的開關電源,在待機時切換至低頻工作模式可減小待機損耗。例如,對於準諧振式開關電源(工作頻率為幾百kHz到幾MHz),可在待機時切換至低頻的脈寬調製控製模式PWM(幾十kHz)。
IRIS40xx芯片就是通過QR與PWM切換來提高待機效率的。圖4是IRIS4015構成的反激式開關電源,重載時,輔助繞組電壓大,R1分壓大於0.6V,Q1導通,輔助準諧振信號經過D1,D2,R3,C2構成的延時電路到達IRIS4015的FB腳,內部比較器對該信號進行比較,電路工作在準諧振模式。當電源處於輕載和待機時候,輔助繞組電壓較小,Q1關斷,諧振信號不能傳輸至FB端,FB電壓小於芯片內部的一個門限電壓,不能觸發準諧振模式,電路則工作在更低頻的脈寬調製控製模式。

圖4由IRIS4015構成的QR/PWM反激式電源電路
PWM→PFM
對於額定功率時工作在PWM模式的開關電源,,也可以通過切換至PFM模式提高待機效率,即固定開通時間,調節關斷時間,負載越低,關斷時間越長,工作頻率也越低。圖5是采用NS公司的LM2618控製的Buck轉換器電路和分別采用PWM和PFM控製方法的效率比較曲線。由圖可見,在輕載時采用PFM模式的電源效率明顯大於采用PWM模式時的效率,且負載越低,PFM效率優勢越明顯。
將待機信號加在其PW/ PPM引腳上,在額定負載條件下,該引腳為高電平,電路工作在PWM模式,當負載低於某個閾值時,該引腳被拉為低電平,電路工作在PFM模式。實現PWM和PFM的切換,也就提高了輕載和待機狀態時的電源效率。
通tong過guo降jiang低di時shi鍾zhong頻pin率lv和he切qie換huan工gong作zuo模mo式shi實shi現xian降jiang低di待dai機ji工gong作zuo頻pin率lv,提ti高gao待dai機ji效xiao率lv,可ke保bao持chi控kong製zhi器qi一yi直zhi在zai運yun作zuo,在zai整zheng個ge負fu載zai範fan圍wei中zhong,輸shu出chu都dou能neng被bei妥tuo善shan的de調tiao節jie。即ji使shi負fu載zai從cong零ling激ji增zeng至zhi滿man負fu載zai的de情qing況kuang下xia,能neng夠gou快kuai速su反fan應ying,反fan之zhi亦yi然ran。輸shu出chu電dian壓ya降jiang和he過guo衝chong值zhi都dou保bao持chi在zai允yun許xu範fan圍wei內nei。
[page]可控脈衝模式(BurstMode)
可控脈衝模式,也可稱為跳周期控製模式(SkipCycleMode)是指當處於輕載或待機條件時,由周期比PWM控製器時鍾周期大的信號控製電路某一環節,使得PWM的輸出脈衝周期性的有效或失效,如圖6所示。這樣即可實現恒定頻率下通過減小開關次數,增大占空比來提高輕載和待機的效率。該信號可以加在反饋通道,PWM信號輸出通道,PWM芯片的使能引腳(如LM2618,L6565)或者是芯片內部模塊(如NCP1200,FSD200,L6565和TinySwitch係列芯片)。

圖6BurstMode控製信號與驅動信號圖
NCP1200的內部跳周期模塊結構見圖7,當反饋檢測腳FB的電壓低於1.2V(該值可編程)時,跳周期比較器控製Q觸(chu)發(fa)器(qi),使(shi)輸(shu)出(chu)關(guan)閉(bi)若(ruo)幹(gan)時(shi)鍾(zhong)周(zhou)期(qi),也(ye)即(ji)跳(tiao)過(guo)若(ruo)幹(gan)個(ge)周(zhou)期(qi),負(fu)載(zai)越(yue)輕(qing),跳(tiao)過(guo)的(de)周(zhou)期(qi)也(ye)越(yue)多(duo)。為(wei)免(mian)音(yin)頻(pin)噪(zao)音(yin),隻(zhi)有(you)在(zai)峰(feng)值(zhi)電(dian)流(liu)降(jiang)至(zhi)某(mou)個(ge)設(she)定(ding)值(zhi)時(shi),跳(tiao)周(zhou)期(qi)模(mo)式(shi)才(cai)有(you)效(xiao)。

圖7NCP1200跳周期模塊結構
而FSD200則是通過控製內部驅動器實現可控脈衝模式,即將Vfo 腳的反饋電壓與0.6V/0.5V遲滯比較器比較,由比較結果控製門極驅動輸出,其結構可見圖8。我們可根據此原理用分立元件實現普通芯片的BurstMode功能,即檢測次級電壓判斷電源是否處於待機狀態,通過遲滯比較器,控製芯片輸出,電路如圖9所示。

控製反饋通道是實現一般PWM控製器的可控脈衝模式的方法之一。其電路可見圖10
另外對於有使能腳的PWM控製器,如L6565等,用可控脈衝信號控製使能腳使控製芯片有效或失效,可以實現BurstMode,上述BurstSignal可由圖1中所示的遲滯比較器產生。

圖10控製反饋通道的BurstMode
存在的問題
以上介紹的降頻和BurstMode方法在提高待機效率的同時,也帶來一些問題,首先是頻率降低導致輸出電壓紋波的增加,其次如果頻率降至20kHz以內,可能有音頻噪音。而在BurstMode的OFF時(shi)期(qi)內(nei),如(ru)果(guo)負(fu)載(zai)激(ji)增(zeng),輸(shu)出(chu)電(dian)壓(ya)會(hui)大(da)大(da)降(jiang)低(di),如(ru)果(guo)輸(shu)出(chu)電(dian)容(rong)不(bu)夠(gou)大(da),電(dian)壓(ya)甚(shen)至(zhi)可(ke)能(neng)降(jiang)低(di)至(zhi)零(ling)。如(ru)果(guo)增(zeng)大(da)輸(shu)出(chu)電(dian)容(rong),以(yi)減(jian)小(xiao)輸(shu)出(chu)電(dian)壓(ya)紋(wen)波(bo),則(ze)會(hui)導(dao)致(zhi)成(cheng)本(ben)增(zeng)加(jia),並(bing)會(hui)影(ying)響(xiang)係(xi)統(tong)動(dong)態(tai)性(xing)能(neng)。因(yin)此(ci)必(bi)須(xu)綜(zong)合(he)考(kao)慮(lv)。
特別推薦
- 噪聲中提取真值!瑞盟科技推出MSA2240電流檢測芯片賦能多元高端測量場景
- 10MHz高頻運行!氮矽科技發布集成驅動GaN芯片,助力電源能效再攀新高
- 失真度僅0.002%!力芯微推出超低內阻、超低失真4PST模擬開關
- 一“芯”雙電!聖邦微電子發布雙輸出電源芯片,簡化AFE與音頻設計
- 一機適配萬端:金升陽推出1200W可編程電源,賦能高端裝備製造
技術文章更多>>
- 大聯大世平集團首度亮相北京國際汽車展 攜手全球芯片夥伴打造智能車整合應用新典範
- 2026北京車展即將啟幕,高通攜手汽車生態“朋友圈”推動智能化體驗再升級
- 邊緣重構智慧城市:FPGA SoM 如何破解視頻係統 “重而慢”
- 如何使用工業級串行數字輸入來設計具有並行接口的數字輸入模塊
- 意法半導體將舉辦投資者會議探討低地球軌道(LEO)發展機遇
技術白皮書下載更多>>
- 車規與基於V2X的車輛協同主動避撞技術展望
- 數字隔離助力新能源汽車安全隔離的新挑戰
- 汽車模塊拋負載的解決方案
- 車用連接器的安全創新應用
- Melexis Actuators Business Unit
- Position / Current Sensors - Triaxis Hall
熱門搜索
接口IC
介質電容
介質諧振器
金屬膜電阻
晶體濾波器
晶體諧振器
晶體振蕩器
晶閘管
精密電阻
精密工具
景佑能源
聚合物電容
君耀電子
開發工具
開關
開關電源
開關電源電路
開關二極管
開關三極管
科通
可變電容
可調電感
可控矽
空心線圈
控製變壓器
控製模塊
藍牙
藍牙4.0
藍牙模塊
浪湧保護器




