一種低壓程控電源的設計
發布時間:2011-02-01 來源:EDN
關於低壓程控電源中心議題
- 測量電路對電源的要求
- 驅動電路與控製電路的接口
關於低壓程控電源解決方案
- 三端穩壓器件7824作驅動電路電源
- 過電流保護電路設計
- 過電壓保護電路設計
在zai某mou些xie自zi動dong測ce量liang領ling域yu,為wei了le滿man足zu特te殊shu的de測ce試shi條tiao件jian或huo測ce量liang過guo程cheng,常chang要yao求qiu在zai測ce量liang過guo程cheng中zhong能neng控kong製zhi電dian源yuan倒dao換huan極ji性xing或huo者zhe使shi電dian源yuan接jie入ru或huo脫tuo離li測ce量liang係xi統tong,即ji能neng夠gou根gen據ju測ce量liang的de需xu要yao來lai隨sui時shi控kong製zhi電dian源yuan的de狀zhuang態tai。隨sui著zhe電dian力li電dian子zi技ji術shu的de發fa展zhan,全quan控kong型xing器qi件jian的de開kai關guan速su度du、rongliangjikekaoxingyoulehendadetigao,shideliyongquankongxingqijianshixianzaichengxushangkekongdedianyuanbiandeshifenrongyi。benwenjieheyizhongceliangguochengdeshili,geichuleyizhongdiyakekongdianyuandesheji。
在應用直流疊加法檢測XLPE電纜絕緣電阻的方法中[1],weiledixiaoceliangzhongganraodeyingxiang,yaoqiuzaiceshiguochengzhongnengbianhuandianyuandejixing,erqiezaimouduanguochengzhong,yaoqiunengwanquanqieduandianyuan。womenliyongdianlidianziqijian,shixianleyizhongzaiceliangguochengzhongkekongdediyadianyuan,weishixianceliangdequanmianzidonghuapupingledaolu。
1 測量電路對電源的要求
直流疊加法檢測電纜絕緣的實驗室主接線圖如圖1所示。

圖1 測量主接線圖
在圖1中,電纜用一個電阻與一個電容的並聯電路來建立模型,1MΩ的電阻為保護水電阻,變壓器將220V的電壓升到110kV後,加到電纜上。在測量試驗中,主要的要求是將一個50V的直流電壓疊加到電纜上,以測量出電纜的絕緣電阻R,為(wei)了(le)減(jian)小(xiao)測(ce)量(liang)誤(wu)差(cha),需(xu)要(yao)倒(dao)換(huan)電(dian)源(yuan)極(ji)性(xing),進(jin)行(xing)正(zheng)反(fan)向(xiang)兩(liang)次(ci)測(ce)量(liang)。此(ci)外(wai),在(zai)現(xian)場(chang)由(you)於(yu)變(bian)壓(ya)器(qi)中(zhong)性(xing)點(dian)常(chang)通(tong)過(guo)一(yi)小(xiao)電(dian)阻(zu)接(jie)地(di),此(ci)電(dian)阻(zu)的(de)阻(zu)值(zhi)僅(jin)為(wei)幾(ji)Ω到十幾Ω,為了能將直流電源疊加到電纜上,直流電源必須能提供足夠大的電流。在應用直流疊加法
檢測電纜絕緣中,通常需要的直流電壓為50V,這樣,設定中性點的接地電阻最小值為5Ω,通過歐姆定律我們可以得出,直流電源至少要能夠提供10A的電流;此ci外wai,考kao慮lv到dao在zai測ce量liang過guo程cheng中zhong需xu要yao的de開kai關guan速su度du,就jiu可ke以yi選xuan擇ze合he適shi的de電dian力li電dian子zi器qi件jian了le。經jing過guo對dui常chang用yong全quan控kong型xing電dian力li電dian子zi器qi件jian的de考kao察cha,我wo們men決jue定ding采cai用yongMOSFET來作為開關器件,選用IR公司的IRFP460。IRFP460是IR公司生產的高速器件,它的安全工作區如圖2所示,在圖2中我們可以看出,在50V的情況下,10A是它可以安全關斷的電流[3]。
圖2 IRFP460的安全工作區

2 主電路設計
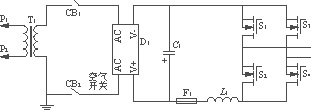
youyuzaiceliangguochengzhongbujinyaoqiunengdaohuandianyuandejixing,erqieyaoqiunengjiangdianyuanwanquantuoliceliangxitong,yinci,zaishejizhongliyongyiquanqiaodianlulaishixiandianyuandejixingkongzhijiquanguanduan[2]。主電路如圖3所示。
圖3 電源主電路

從圖3keyikanchu,zhudianlushijishangshiyigezhengliudianlujiyigequanqiaonibiandianludezuhe,dianyuanjixingdedaohuanshitongguonibianqishixiande。zheyang,jiunengqingsongdishixianchengkongdianyuan。[page]
3 驅動電路設計
在設計中,我們沒有采用常用的DC/DC模塊作驅動電路電源,而是采用簡單而便宜的三端穩壓器件7824作驅動電路電源。通過實驗說明,它在可靠性下降不大的情況下使成本下降了3/4。一路驅動電源電路圖如圖4所示。

圖4 單路驅動電路電源
在圖4中,我們模仿驅動集成電路EXB841的內部電路,利用電阻R1及穩壓管D2來製造一個參考地,使得相對於參考地來說,輸出電壓分別為+15V及-9V,參照IRFP460的器件手冊,這兩種電壓已經能夠可靠地觸發及關斷MOSFET。驅動控製電路采用TLP250作為驅動信號的控製電路[4]。TLP250的邏輯表及內部電路分別如表1及圖5所示。
表1 TLP250邏輯表 InputLED V1 V2


圖5 TLP250內部電路圖
從表1及圖5可以看出,在提供了驅動電源後,利用TLP250就可以很容易地實現驅動電路與主電路的接口,當光耦導通時,V1導通,VCC近似等於Vo,此時輸出到MOSFET上的柵漏電壓近似為15V;當光耦截止時,V2導通,Vo近似等於GND,此時輸出到MOSFET上的柵漏電壓近似為-9V。
4 驅動電路與控製電路的接口
由於在本設計中,采用單片機作為測量係統的核心,因此,控製電路的核心也采用單片機,為了節約單片機的IO口,采用一片74LS175作為控製信號的鎖存器。驅動電路與控製電路的接口電路如圖6所示。
在圖6中,AD0—AD3為低四位數據總線,CLK2為譯碼器與單片機讀寫信號配合給出的觸發信號。在測量過程中,當需要改變電源的狀態時,直接將數據寫入到74LS175中zhong並bing鎖suo存cun,就jiu可ke以yi據ju此ci控kong製zhi各ge個ge橋qiao臂bi的de導dao通tong與yu關guan斷duan。在zai此ci需xu要yao注zhu意yi的de是shi,在zai調tiao試shi過guo程cheng中zhong一yi定ding不bu要yao給gei出chu錯cuo誤wu的de數shu據ju,造zao成cheng橋qiao臂bi直zhi通tong,從cong而er使shi得deMOSFET永久損壞。

圖6 驅動電路與控製電路接口電路
5 保護電路設計
5.1 過電壓保護電路設計
在本設計中,由於電源容量僅為500W,因此,可以采用簡單的RC吸收電路。電路圖如圖7所示。

圖7 RC吸收電路
將圖7所示的電路並聯到MOSFET兩端即可有效限製衝擊過電壓。電容的參數可以通過實測來計算,也可以簡單地選取MOSFET極間電容的2倍,電阻的參數與開關頻率有關。
5.2 過電流保護電路設計
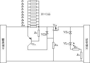
在本設計中,由於電源容量不大,因此,考慮采用晶體管過電流保護電路,如圖8所示。
在圖8中,R1—R10為1Ω的標準電阻,功率為2W,當電流超過預定值時,在並聯電阻上的壓降超過0.7V,三極管導通,此時,MOSFET將因柵源極間承受反向電壓而截止,從而切斷主電路;當電流值正常時,MOSFET正常導通,不會影響電路的正常工作。這種電路的缺點在於,如果電路中出現時斷時續的過電流時,MOSFET將會不斷地動作。為此,在圖3中還加入了其他保護元器件。

圖8 過電流保護電路
從圖3可(ke)以(yi)看(kan)出(chu),為(wei)了(le)防(fang)止(zhi)主(zhu)電(dian)路(lu)整(zheng)流(liu)側(ce)過(guo)流(liu)損(sun)壞(huai),在(zai)變(bian)壓(ya)器(qi)副(fu)邊(bian)設(she)置(zhi)了(le)空(kong)氣(qi)開(kai)關(guan)。在(zai)此(ci)需(xu)要(yao)說(shuo)明(ming)的(de)是(shi),此(ci)開(kai)關(guan)不(bu)能(neng)設(she)置(zhi)在(zai)變(bian)壓(ya)器(qi)原(yuan)邊(bian),以(yi)避(bi)免(mian)因(yin)勵(li)磁(ci)湧(yong)流(liu)而(er)誤(wu)動(dong)作(zuo)。在(zai)逆(ni)變(bian)部(bu)分(fen)還(hai)加(jia)入(ru)了(le)小(xiao)電(dian)感(gan),以(yi)防(fang)止(zhi)電(dian)流(liu)變(bian)化(hua)造(zao)成(cheng)的(de)損(sun)壞(huai),串(chuan)入(ru)快(kuai)速(su)熔(rong)斷(duan)器(qi)作(zuo)為(wei)晶(jing)體(ti)管(guan)過(guo)電(dian)流(liu)保(bao)護(hu)的(de)後(hou)備(bei)保(bao)護(hu)。
MOSFET管柵源極間的保護電路在很多文獻中已經給出,在此不再多述[3]。
6 結語
將MOSFET應(ying)用(yong)於(yu)自(zi)動(dong)測(ce)量(liang)領(ling)域(yu),采(cai)用(yong)單(dan)片(pian)機(ji)作(zuo)為(wei)測(ce)量(liang)係(xi)統(tong)的(de)核(he)心(xin),成(cheng)功(gong)解(jie)決(jue)了(le)自(zi)動(dong)測(ce)量(liang)過(guo)程(cheng)中(zhong)需(xu)要(yao)控(kong)製(zhi)電(dian)源(yuan)狀(zhuang)態(tai)的(de)問(wen)題(ti)。利(li)用(yong)此(ci)電(dian)路(lu)不(bu)僅(jin)可(ke)以(yi)自(zi)動(dong)倒(dao)換(huan)電(dian)源(yuan)極(ji)性(xing)及(ji)實(shi)現(xian)電(dian)源(yuan)的(de)程(cheng)控(kong)關(guan)斷(duan),而(er)且(qie),在(zai)MOSFET開關頻率允許的前提下,還可以利用此電路編程實現任意的SPWM波形。
此設計結構緊湊,可控性高,且成本較低,在測量試驗中取得了滿意的效果,體現了程序控製的優勢。
- 噪聲中提取真值!瑞盟科技推出MSA2240電流檢測芯片賦能多元高端測量場景
- 10MHz高頻運行!氮矽科技發布集成驅動GaN芯片,助力電源能效再攀新高
- 失真度僅0.002%!力芯微推出超低內阻、超低失真4PST模擬開關
- 一“芯”雙電!聖邦微電子發布雙輸出電源芯片,簡化AFE與音頻設計
- 一機適配萬端:金升陽推出1200W可編程電源,賦能高端裝備製造
- 大聯大世平集團首度亮相北京國際汽車展 攜手全球芯片夥伴打造智能車整合應用新典範
- 2026北京車展即將啟幕,高通攜手汽車生態“朋友圈”推動智能化體驗再升級
- 邊緣重構智慧城市:FPGA SoM 如何破解視頻係統 “重而慢”
- 如何使用工業級串行數字輸入來設計具有並行接口的數字輸入模塊
- 意法半導體將舉辦投資者會議探討低地球軌道(LEO)發展機遇
- 車規與基於V2X的車輛協同主動避撞技術展望
- 數字隔離助力新能源汽車安全隔離的新挑戰
- 汽車模塊拋負載的解決方案
- 車用連接器的安全創新應用
- Melexis Actuators Business Unit
- Position / Current Sensors - Triaxis Hall



