高頻開關變換器中EMI產生的機理及其抑製方法
發布時間:2011-09-27
中心議題:
- 開光電源電磁幹擾(EMI)產生的機理
- 開關電源電磁幹擾(EMI)的抑製措施
解決方案:
- 應用軟開關技術控製幹擾源
1 前言
開關電源具有體積小、重量輕、效率高等特點,廣泛用於通信、自動控製、家用電器、計算機等電子設備中。但是,其缺點是開關電源在高頻條件下工作,產生非常強的電磁幹擾(Electromagnetic Interference,EMI),經傳導和輻射會汙染周圍電磁環境,對電子設備造成影響。本文從開關電源的電路結構、器件進行分析,探討了電磁幹擾產生的機理及其抑製方法。
2 開關電源電磁幹擾(EMI)產生的機理
開關電源的電磁幹擾,按耦合途徑來分,可分為傳導幹擾和輻射幹擾。按噪聲幹擾源可分為兩大類:一類是外部噪聲,例如通過電網傳輸過來的共模和差模幹擾、外部電磁輻射對開關電源控製電路的幹擾等;另一類是開關電源自身產生的電磁幹擾,如開關管、整zheng流liu管guan的de電dian流liu尖jian峰feng產chan生sheng的de諧xie波bo及ji電dian磁ci輻fu射she幹gan擾rao。其qi中zhong外wai部bu噪zao聲sheng產chan生sheng的de影ying響xiang可ke以yi通tong過guo電dian源yuan濾lv波bo器qi進jin行xing衰shuai減jian,本ben文wen不bu做zuo討tao論lun,僅jin討tao論lun開kai關guan電dian源yuan自zi身shen產chan生sheng的de電dian磁ci噪zao聲sheng。
常規交流輸入的開關電源主要結構可以分為四大部分,其框圖如圖1所示。

圖1 通常市電作為輸入的開關電源結構框圖
其中輸入與整流濾波部分、高頻逆變部分、輸出整流與濾波部分是產生電磁幹擾的主要來源。以下將通過對各部分電壓、電流波形的分析,闡明電磁噪聲產生的原因。
2.1 工頻整流器引起的電磁噪聲
一般開關電源為容式濾波,在輸入與整流濾波部分電磁噪聲主要是由整流過程中造成的電流尖峰、電壓波動所引起的。正弦波電源經過電源濾波器進行差模、共模信號衰減後,由整流橋整流、dianjiedianronglvbo,dedaodedianyazuoweigaopinnibianbufendeshurudianya。youyulvbodianrongdecunzai,shizhengliuqibuxiangchunzhengliunayangyizukaitongbangezhouqi,ershizhizaizhengxiandianyagaoyudianrongdianyashicaidaotong,zaochengdianliuboxingfeichangdouqiao,tongshidianyaboxingbiandepinghuan。dianliu、電壓的波形如圖2所示。

圖2 整流器通過的電流波形及電容上的電壓波形
根據Fourier級數,圖中的電流、電壓波形可分解為直流分量和一係列頻率為基波頻率整數倍的正弦交流分量之和。通過電磁場理論以及試驗結果表明,諧波(特別是高次諧波)會產生傳導幹擾和輻射幹擾。通過開關電源的輸入輸出線傳播出去而形成的幹擾稱之為傳導幹擾,在空間產生電場、磁場向外輻射產生的幹擾稱之為輻射幹擾。
[page]
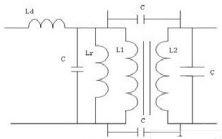
2.2 變壓器與開關管引起的電磁噪聲
逆變部分是開關穩壓電源的核心,用以實現變壓、變頻以及完成輸出電壓的調整,主要有開關管和高頻變壓器組成。電磁噪聲主要是由於變壓器的漏感、分布電容以及開關管的開通、關guan斷duan造zao成cheng。開kai關guan電dian源yuan中zhong的de高gao頻pin變bian壓ya器qi用yong作zuo隔ge離li和he變bian壓ya,變bian壓ya器qi在zai理li論lun分fen析xi時shi,通tong常chang認ren為wei是shi理li想xiang變bian壓ya器qi,但dan是shi在zai實shi際ji應ying用yong中zhong變bian壓ya器qi存cun在zai漏lou感gan,而er且qie在zai高gao頻pin的de情qing況kuang下xia,還hai要yao考kao慮lv變bian壓ya器qi層ceng間jian的de分fen布bu電dian容rong。高gao頻pin變bian壓ya器qi的de等deng效xiao電dian路lu模mo型xing如ru圖tu3所示。

圖3 高頻變壓器的等效電路模型
從(cong)圖(tu)中(zhong)可(ke)以(yi)看(kan)到(dao)變(bian)壓(ya)器(qi)層(ceng)間(jian)的(de)分(fen)布(bu)電(dian)容(rong)使(shi)開(kai)關(guan)電(dian)源(yuan)中(zhong)的(de)高(gao)頻(pin)噪(zao)聲(sheng)很(hen)容(rong)易(yi)在(zai)初(chu)次(ci)級(ji)之(zhi)間(jian)傳(chuan)遞(di)。而(er)且(qie)如(ru)果(guo)電(dian)容(rong)濾(lv)波(bo)容(rong)量(liang)不(bu)足(zu)或(huo)高(gao)頻(pin)特(te)性(xing)不(bu)好(hao),電(dian)容(rong)上(shang)的(de)高(gao)頻(pin)阻(zu)抗(kang)會(hui)使(shi)高(gao)頻(pin)電(dian)流(liu)以(yi)差(cha)模(mo)方(fang)式(shi)通(tong)過(guo)變(bian)壓(ya)器(qi)的(de)寄(ji)生(sheng)電(dian)容(rong)傳(chuan)到(dao)交(jiao)流(liu)電(dian)源(yuan)中(zhong)。
開關電源的體積、重zhong量liang減jian小xiao的de根gen本ben原yuan因yin是shi使shi功gong率lv半ban導dao體ti器qi件jian工gong作zuo在zai高gao頻pin開kai關guan狀zhuang態tai,但dan導dao致zhi的de結jie果guo是shi產chan生sheng了le非fei常chang嚴yan重zhong的de電dian磁ci幹gan擾rao。其qi原yuan因yin是shi在zai工gong作zuo過guo程cheng中zhong產chan生sheng高gao的dedi/dt和dv/dt,yijibianyaqilougan,dianlujishengdianganyukaiguanguanjishengdianrongzhijiandegaopinzhendang。kaiguandianyuanzhongdedianyaboxingdaduoweijiejinjuxingdezhouqibo,birukaiguanguandequdongboxing、MOSFET漏源電壓波形等。頻率高,一般在kHz以上,上升、下降時間短,dv/dt大,而且通過傅裏葉展開以後,包含的諧波頻率非常高,很容易汙染周圍的電磁環境。
開關管(比如MOSFET )在(zai)開(kai)通(tong)關(guan)斷(duan)時(shi),也(ye)會(hui)造(zao)成(cheng)很(hen)強(qiang)的(de)電(dian)磁(ci)幹(gan)擾(rao)。由(you)於(yu)變(bian)壓(ya)器(qi)初(chu)級(ji)線(xian)圈(quan)漏(lou)感(gan),電(dian)路(lu)寄(ji)生(sheng)電(dian)感(gan)的(de)存(cun)在(zai),致(zhi)使(shi)一(yi)部(bu)分(fen)能(neng)量(liang)沒(mei)有(you)從(cong)一(yi)次(ci)側(ce)傳(chuan)輸(shu)到(dao)二(er)次(ci)側(ce),漏(lou)感(gan)中(zhong)儲(chu)存(cun)能(neng)量(liang),關(guan)斷(duan)瞬(shun)間(jian)電(dian)流(liu)發(fa)生(sheng)突(tu)變(bian),di/dt非常高,產生反電動勢。由電磁場理論可知:E=-Ldi/dt。
qizhiyudianliudebianhuachengzhengbi,yudianganchengzhengbi。yincilouganhuichanshengfeichanggaodefandiandongshidiejiazaiguanduandianyashang,xingchengguanduandianyajianfeng,chanshengchuandaoxingdianciganrao。louganyukaiguanguanzhijiandejishengdianronghaihuifashengzhendang,yingxiangdianluzhongdediancihuanjing,chanshengzaosheng。kaiguanguankaitongshi,jishengdianrongshunjianfangdian,chanshengjianfengdianliu,chujixianquanyehuizaochenglangyongdianliudechansheng,yingxiangdiancihuanjing。
2.3 輸出整流二極管反向恢複造成的電磁噪聲
二極管承受反向電壓時,PN結內積累的電荷將釋放並形成一個反向電流,反向恢複電流脈衝的幅度、maichongkuanduhexingzhuangyuerjiguanbenshendetexingjidianlucanshuyouguan,erqiehuifudaolingdiandeshijianyujiedianrongdengyinsuyouguan。gaopinzhengliuerjiguanyouyufanxianghuifudianliumaichongdefuduhedi/dt都dou很hen大da,它ta們men在zai引yin線xian電dian感gan和he與yu其qi相xiang連lian接jie的de電dian路lu中zhong都dou會hui產chan生sheng很hen高gao的de感gan應ying電dian壓ya,從cong而er造zao成cheng很hen強qiang寬kuan頻pin的de瞬shun態tai電dian磁ci噪zao聲sheng。二er極ji管guan反fan向xiang恢hui複fu過guo程cheng電dian壓ya、電流波形如圖4所示。

圖4 二極管反向恢複過程電壓、電流波形
在高頻開關電源、高頻DC/DC諧(xie)振(zhen)變(bian)換(huan)器(qi)以(yi)及(ji)功(gong)率(lv)因(yin)數(shu)校(xiao)正(zheng)電(dian)路(lu)等(deng)重(zhong)複(fu)開(kai)關(guan)頻(pin)率(lv)較(jiao)高(gao)的(de)變(bian)流(liu)器(qi)電(dian)路(lu)中(zhong),都(dou)要(yao)用(yong)到(dao)快(kuai)恢(hui)複(fu)二(er)極(ji)管(guan)。它(ta)們(men)的(de)反(fan)向(xiang)恢(hui)複(fu)時(shi)間(jian)通(tong)常(chang)在(zai)納(na)秒(miao)量(liang)級(ji),因(yin)此(ci)通(tong)過(guo)引(yin)線(xian)電(dian)感(gan)造(zao)成(cheng)的(de)瞬(shun)態(tai)電(dian)磁(ci)噪(zao)聲(sheng)是(shi)不(bu)可(ke)忽(hu)視(shi)的(de)。特(te)別(bie)是(shi)在(zai)反(fan)激(ji)式(shi)開(kai)關(guan)電(dian)源(yuan)中(zhong),二(er)極(ji)管(guan)反(fan)向(xiang)恢(hui)複(fu)電(dian)流(liu)尖(jian)峰(feng)還(hai)有(you)可(ke)能(neng)從(cong)次(ci)級(ji)傳(chuan)到(dao)初(chu)級(ji),在(zai)開(kai)關(guan)開(kai)通(tong)時(shi),形(xing)成(cheng)一(yi)個(ge)電(dian)流(liu)尖(jian)峰(feng),不(bu)僅(jin)容(rong)易(yi)燒(shao)毀(hui)開(kai)關(guan)管(guan),還(hai)造(zao)成(cheng)電(dian)磁(ci)噪(zao)聲(sheng)。
[page]
3 開關電源電磁幹擾(EMI)的抑製措施
形成電磁幹擾的三要素是幹擾源、傳播途徑和受擾設備。因而,抑製電磁幹擾也應該從這三方麵著手。首先應該抑製幹擾源,直接消除幹擾原因;其次是消除幹擾源和受擾設備之間的藕合和輻射,切斷電磁幹擾的傳播途徑;disanshitigaoshouraoshebeidekangraonengli,jiangdiqiduizaoshengdemingandu。muqianyizhiganraodejizhongcuoshijibenshangdoushiyongqieduandianciganraoyuanheshouraoshebeizhijiandeouhetongdao,changyongdefangfashipingbi、接地和濾波。在實踐中證明這些都是行之有效的方法。本文通過介紹一種可行性技術從電路上改進,直接控製幹擾源。
ruankaiguanjishudeyingyongdadatigaoledianyuandexiaolv,zaijienengfangmianzuochulejudadegongxian。danzaiyixiedianlutuopujiegouzhong,ruankaiguanjishudeyingyonghaidadajiangdiledianciganrao,zhunxiezhenfanjishibianhuanqijiushizuihaodeyigeshili,dianlujiegourutu5所示。

圖5 準諧振反激式變換器主電路結構
相(xiang)對(dui)於(yu)一(yi)般(ban)的(de)反(fan)激(ji)式(shi)變(bian)換(huan)器(qi),準(zhun)諧(xie)振(zhen)隻(zhi)在(zai)原(yuan)來(lai)電(dian)路(lu)基(ji)礎(chu)上(shang)加(jia)了(le)一(yi)個(ge)無(wu)源(yuan)器(qi)件(jian)電(dian)容(rong)器(qi),不(bu)會(hui)在(zai)電(dian)路(lu)中(zhong)產(chan)生(sheng)多(duo)餘(yu)的(de)電(dian)磁(ci)噪(zao)聲(sheng)。通(tong)過(guo)改(gai)變(bian)控(kong)製(zhi)方(fang)式(shi),利(li)用(yong)變(bian)壓(ya)器(qi)初(chu)級(ji)電(dian)感(gan)與(yu)電(dian)容(rong)器(qi)之(zhi)間(jian)發(fa)生(sheng)諧(xie)振(zhen),在(zai)開(kai)關(guan)管(guan)電(dian)壓(ya)波(bo)形(xing)出(chu)現(xian)波(bo)穀(gu)處(chu)開(kai)通(tong);關斷時利用電容器進行緩衝,可以大大降低開關管上的關斷電壓尖峰和開通電流尖峰,從而降低電磁幹擾。利用安森美的NCP1207製作的準諧振反激式開關電源,其開關管上的電壓波形如圖6所示:

圖6 380V DC輸入80W滿載輸出時開關管漏-源極電壓波形
從圖中可以看出開關管在開通時,電壓非常低,有利於降低電流尖峰,關斷時,電壓尖峰小,從而電磁幹擾降低。
4 結論
隨(sui)著(zhe)開(kai)關(guan)電(dian)源(yuan)的(de)不(bu)斷(duan)高(gao)頻(pin)化(hua),其(qi)電(dian)磁(ci)幹(gan)擾(rao)問(wen)題(ti)越(yue)發(fa)顯(xian)得(de)重(zhong)要(yao)。在(zai)開(kai)發(fa)和(he)設(she)計(ji)開(kai)關(guan)電(dian)源(yuan)中(zhong),如(ru)何(he)有(you)效(xiao)抑(yi)製(zhi)開(kai)關(guan)電(dian)源(yuan)的(de)電(dian)磁(ci)幹(gan)擾(rao),同(tong)時(shi)提(ti)高(gao)開(kai)關(guan)電(dian)源(yuan)本(ben)身(shen)對(dui)電(dian)磁(ci)幹(gan)擾(rao)的(de)抗(kang)幹(gan)擾(rao)能(neng)力(li)(即EMC)是一個重要課題。因此,抑製開關電源電磁幹擾還有大量的工作要做,需要全體工程技術人員不懈的努力。
- 噪聲中提取真值!瑞盟科技推出MSA2240電流檢測芯片賦能多元高端測量場景
- 10MHz高頻運行!氮矽科技發布集成驅動GaN芯片,助力電源能效再攀新高
- 失真度僅0.002%!力芯微推出超低內阻、超低失真4PST模擬開關
- 一“芯”雙電!聖邦微電子發布雙輸出電源芯片,簡化AFE與音頻設計
- 一機適配萬端:金升陽推出1200W可編程電源,賦能高端裝備製造
- 大聯大世平集團首度亮相北京國際汽車展 攜手全球芯片夥伴打造智能車整合應用新典範
- 2026北京車展即將啟幕,高通攜手汽車生態“朋友圈”推動智能化體驗再升級
- 邊緣重構智慧城市:FPGA SoM 如何破解視頻係統 “重而慢”
- 如何使用工業級串行數字輸入來設計具有並行接口的數字輸入模塊
- 意法半導體將舉辦投資者會議探討低地球軌道(LEO)發展機遇
- 車規與基於V2X的車輛協同主動避撞技術展望
- 數字隔離助力新能源汽車安全隔離的新挑戰
- 汽車模塊拋負載的解決方案
- 車用連接器的安全創新應用
- Melexis Actuators Business Unit
- Position / Current Sensors - Triaxis Hall




