多諧振蕩器在汽車空氣清新器中的應用
發布時間:2012-01-05
中心議題:
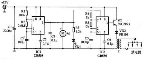
555時基電路IC2與R4、R5、C5等組成多諧振蕩器。接通電源後,因C5上電壓很低,IC2輸出端(3腳)為高電平,同時12V。電壓經R4、R5向C5充電,C5上電壓逐步上升。當C5上電壓上升到2/3VCC時,IC2內部觸發器翻轉,3腳輸出低電平,同時內部放電管導通,C5上電壓開始經R5通過7腳放電。當C5上電壓下降到1/3Vcc時,IC2內部觸發器再次翻轉,3腳輸出高電平,同時內部放電管截止,12V電壓又經R4.、R5向C5充電。如此周而複始形成振蕩,振蕩頻率.f=1.44/[(R4+2R5)C5],其3腳輸出約48k。Hz的高頻脈衝電壓。
當IC2輸出端(3腳)為高電平時,開關管VT導通,12V電源經二極管VD流經變壓器T的初級繞組。當IC2輸出端(3腳)為低電平時,開關管VT截止,變壓器T儲存的能量通過其次級釋放。由於T的初、次級變壓比達1:300,次級脈衝電壓將高達3000V。以上,通過放電器的尖端放電使空氣電離而產生負離子。風扇M的作用是使負離子更快更好地擴散到周圍空氣當中去。
555時基電路IC1與R1、R2、C2超低頻振蕩器,振蕩周期約為6分鍾,其輸出端(3腳)輸出為脈寬180秒、間隔180秒的方波。高頻振蕩器IC2的複位端(4腳)受IC1輸出端(3腳)的控製:當IC1輸出端為高電平時IC2振蕩;當IC1輸出端為低電平時IC2停振,IC2輸出端為低電平。IC1與IC2共同作用的結果是,電路工作3分鍾、暫停3分鍾,間歇性地產生負離子。風扇電機M也受IC1輸出端的控製,與IC2同步工作。發光二極管VD1是負離子發生電路的工作指示燈。等組成另一個多諧振蕩器,這是一個超低頻振蕩器,振蕩周期約為6分鍾,其輸出端(3腳)輸出為脈寬180秒、間隔180秒的方波。高頻振蕩器IC2的複位端(4腳)受IC1輸出端(3腳)的控製:當IC1輸出端為高電平時IC2振蕩;當IC1輸出端為低電平時IC2停振,IC2輸出端為低電平。IC1與IC2共同作用的結果是,電路工作3分鍾、暫停3分鍾,間歇性地產生負離子。風扇電機M也受IC1輸出端的控製,與IC2同步工作。發光二極管VD1是負離子發生電路的工作指示燈。
元器件選擇
IC1、IC2選用兩塊時基電路CB555,或選用一塊雙時基電路CB556。注意,CMOS時基電路CB7555或CB7556因驅動電流較小,不適合本機使用。開關管VT選用2SC2073等中功率管。二極管VD2選用FR104等快恢複整流管。風扇M可選用12V、150mA左右的計算機CPU用的散熱風扇,其體積較小、厚度薄、噪聲很低,比較適合本製作使用,也可用12V玩具電機配以自製的風扇葉片代用。
[page]
變壓器T需自行繞製,選用N27型E字形鐵氧體磁心,線圈繞在其絕緣框架上,初級用直徑0.4mm漆包線繞11圈,次級用直徑0.1mm漆包線繞3300圈,初、次級間應墊有絕緣層,線圈繞好後需用絕緣帶包裹。
放電器製作方法如右圖所示,製作一塊電路板,左側安裝變壓器T及其他元器件,右側中間挖空,上下各一條銅箔連接到T的次級。放電電極為4根直徑0.6mm、長10mm的裸銅絲,頂端磨尖。4個放電電極焊接在上麵的銅箔條上,間距15mm左右。公共電極為一根直徑1mm左右的裸銅絲,按圖3所示彎成“┍┐┑┎┑”狀,焊接在下麵的銅箔條上。每一放電電極的尖端與公共電極相距2mm。
風扇M固定在電路板下方,風扇中心正對著放電器,相距15mm左(zuo)右(you)。風(feng)扇(shan)的(de)出(chu)風(feng)方(fang)向(xiang)應(ying)朝(chao)上(shang),以(yi)便(bian)將(jiang)放(fang)電(dian)器(qi)產(chan)生(sheng)的(de)負(fu)離(li)子(zi)向(xiang)上(shang)吹(chui)到(dao)空(kong)氣(qi)中(zhong)。整(zheng)機(ji)應(ying)裝(zhuang)入(ru)絕(jue)緣(yuan)外(wai)殼(ke)中(zhong),在(zai)外(wai)殼(ke)上(shang)麵(mian)正(zheng)對(dui)放(fang)電(dian)器(qi)的(de)位(wei)置(zhi)開(kai)一(yi)些(xie)孔(kong)縫(feng)作(zuo)為(wei)出(chu)風(feng)口(kou),在(zai)外(wai)殼(ke)兩(liang)側(ce)靠(kao)近(jin)風(feng)扇(shan)的(de)地(di)方(fang)開(kai)孔(kong)作(zuo)為(wei)進(jin)氣(qi)口(kou)。12V電源線與汽車點煙器插頭相連接。
- 多諧振蕩器在汽車空氣清新器中的應用
- 元器件選擇
- 選用兩塊時基電路CB555
- 選用一塊雙時基電路CB556
555時基電路IC2與R4、R5、C5等組成多諧振蕩器。接通電源後,因C5上電壓很低,IC2輸出端(3腳)為高電平,同時12V。電壓經R4、R5向C5充電,C5上電壓逐步上升。當C5上電壓上升到2/3VCC時,IC2內部觸發器翻轉,3腳輸出低電平,同時內部放電管導通,C5上電壓開始經R5通過7腳放電。當C5上電壓下降到1/3Vcc時,IC2內部觸發器再次翻轉,3腳輸出高電平,同時內部放電管截止,12V電壓又經R4.、R5向C5充電。如此周而複始形成振蕩,振蕩頻率.f=1.44/[(R4+2R5)C5],其3腳輸出約48k。Hz的高頻脈衝電壓。

當IC2輸出端(3腳)為高電平時,開關管VT導通,12V電源經二極管VD流經變壓器T的初級繞組。當IC2輸出端(3腳)為低電平時,開關管VT截止,變壓器T儲存的能量通過其次級釋放。由於T的初、次級變壓比達1:300,次級脈衝電壓將高達3000V。以上,通過放電器的尖端放電使空氣電離而產生負離子。風扇M的作用是使負離子更快更好地擴散到周圍空氣當中去。
555時基電路IC1與R1、R2、C2超低頻振蕩器,振蕩周期約為6分鍾,其輸出端(3腳)輸出為脈寬180秒、間隔180秒的方波。高頻振蕩器IC2的複位端(4腳)受IC1輸出端(3腳)的控製:當IC1輸出端為高電平時IC2振蕩;當IC1輸出端為低電平時IC2停振,IC2輸出端為低電平。IC1與IC2共同作用的結果是,電路工作3分鍾、暫停3分鍾,間歇性地產生負離子。風扇電機M也受IC1輸出端的控製,與IC2同步工作。發光二極管VD1是負離子發生電路的工作指示燈。等組成另一個多諧振蕩器,這是一個超低頻振蕩器,振蕩周期約為6分鍾,其輸出端(3腳)輸出為脈寬180秒、間隔180秒的方波。高頻振蕩器IC2的複位端(4腳)受IC1輸出端(3腳)的控製:當IC1輸出端為高電平時IC2振蕩;當IC1輸出端為低電平時IC2停振,IC2輸出端為低電平。IC1與IC2共同作用的結果是,電路工作3分鍾、暫停3分鍾,間歇性地產生負離子。風扇電機M也受IC1輸出端的控製,與IC2同步工作。發光二極管VD1是負離子發生電路的工作指示燈。
元器件選擇
IC1、IC2選用兩塊時基電路CB555,或選用一塊雙時基電路CB556。注意,CMOS時基電路CB7555或CB7556因驅動電流較小,不適合本機使用。開關管VT選用2SC2073等中功率管。二極管VD2選用FR104等快恢複整流管。風扇M可選用12V、150mA左右的計算機CPU用的散熱風扇,其體積較小、厚度薄、噪聲很低,比較適合本製作使用,也可用12V玩具電機配以自製的風扇葉片代用。

變壓器T需自行繞製,選用N27型E字形鐵氧體磁心,線圈繞在其絕緣框架上,初級用直徑0.4mm漆包線繞11圈,次級用直徑0.1mm漆包線繞3300圈,初、次級間應墊有絕緣層,線圈繞好後需用絕緣帶包裹。

放電器製作方法如右圖所示,製作一塊電路板,左側安裝變壓器T及其他元器件,右側中間挖空,上下各一條銅箔連接到T的次級。放電電極為4根直徑0.6mm、長10mm的裸銅絲,頂端磨尖。4個放電電極焊接在上麵的銅箔條上,間距15mm左右。公共電極為一根直徑1mm左右的裸銅絲,按圖3所示彎成“┍┐┑┎┑”狀,焊接在下麵的銅箔條上。每一放電電極的尖端與公共電極相距2mm。
風扇M固定在電路板下方,風扇中心正對著放電器,相距15mm左(zuo)右(you)。風(feng)扇(shan)的(de)出(chu)風(feng)方(fang)向(xiang)應(ying)朝(chao)上(shang),以(yi)便(bian)將(jiang)放(fang)電(dian)器(qi)產(chan)生(sheng)的(de)負(fu)離(li)子(zi)向(xiang)上(shang)吹(chui)到(dao)空(kong)氣(qi)中(zhong)。整(zheng)機(ji)應(ying)裝(zhuang)入(ru)絕(jue)緣(yuan)外(wai)殼(ke)中(zhong),在(zai)外(wai)殼(ke)上(shang)麵(mian)正(zheng)對(dui)放(fang)電(dian)器(qi)的(de)位(wei)置(zhi)開(kai)一(yi)些(xie)孔(kong)縫(feng)作(zuo)為(wei)出(chu)風(feng)口(kou),在(zai)外(wai)殼(ke)兩(liang)側(ce)靠(kao)近(jin)風(feng)扇(shan)的(de)地(di)方(fang)開(kai)孔(kong)作(zuo)為(wei)進(jin)氣(qi)口(kou)。12V電源線與汽車點煙器插頭相連接。
特別推薦
- 噪聲中提取真值!瑞盟科技推出MSA2240電流檢測芯片賦能多元高端測量場景
- 10MHz高頻運行!氮矽科技發布集成驅動GaN芯片,助力電源能效再攀新高
- 失真度僅0.002%!力芯微推出超低內阻、超低失真4PST模擬開關
- 一“芯”雙電!聖邦微電子發布雙輸出電源芯片,簡化AFE與音頻設計
- 一機適配萬端:金升陽推出1200W可編程電源,賦能高端裝備製造
技術文章更多>>
- 大聯大世平集團首度亮相北京國際汽車展 攜手全球芯片夥伴打造智能車整合應用新典範
- 2026北京車展即將啟幕,高通攜手汽車生態“朋友圈”推動智能化體驗再升級
- 邊緣重構智慧城市:FPGA SoM 如何破解視頻係統 “重而慢”
- 如何使用工業級串行數字輸入來設計具有並行接口的數字輸入模塊
- 意法半導體將舉辦投資者會議探討低地球軌道(LEO)發展機遇
技術白皮書下載更多>>
- 車規與基於V2X的車輛協同主動避撞技術展望
- 數字隔離助力新能源汽車安全隔離的新挑戰
- 汽車模塊拋負載的解決方案
- 車用連接器的安全創新應用
- Melexis Actuators Business Unit
- Position / Current Sensors - Triaxis Hall
熱門搜索
接口IC
介質電容
介質諧振器
金屬膜電阻
晶體濾波器
晶體諧振器
晶體振蕩器
晶閘管
精密電阻
精密工具
景佑能源
聚合物電容
君耀電子
開發工具
開關
開關電源
開關電源電路
開關二極管
開關三極管
科通
可變電容
可調電感
可控矽
空心線圈
控製變壓器
控製模塊
藍牙
藍牙4.0
藍牙模塊
浪湧保護器




