直流係統基本原理探討
發布時間:2012-03-01
中心議題:
1 引言
直zhi流liu充chong電dian機ji係xi統tong根gen據ju其qi整zheng流liu方fang式shi可ke以yi分fen成cheng相xiang控kong式shi充chong電dian機ji和he高gao頻pin模mo塊kuai式shi充chong電dian機ji,二er者zhe各ge有you千qian秋qiu。相xiang控kong式shi充chong電dian機ji是shi一yi項xiang使shi用yong時shi間jian長chang,技ji術shu非fei常chang成cheng熟shu的de產chan品pin,其qi特te點dian是shi運yun行xing穩wen定ding,輸shu出chu功gong率lv大da,但dan是shi這zhe類lei充chong電dian機ji輸shu出chu精jing度du低di,自zi動dong化hua程cheng度du低di,許xu多duo參can數shu需xu要yao在zai平ping時shi運yun行xing過guo程cheng中zhong調tiao整zheng。高頻模塊組屏是九十年代發展起來的一項新技術,其特點是組屏簡單,輸出精度高,維護方便,自動化程度高。經過近二十年的發展,各方麵都在不斷完善,現在是一種日趨成熟的產品,而且應用日漸廣泛,初步取代相控式的地位。下麵就這兩類充電機的基本原理作一詳細介紹。
2 相控式充電機係統原理
相控式充電機係統原理圖如圖1所示。相控式充電機的核心技術包括觸發脈衝形成、可控矽整流、電感電容濾波、穩壓穩流、限流過流保護、過壓欠壓告警等。以下介紹相控式充電機係統各部分的工作過程。
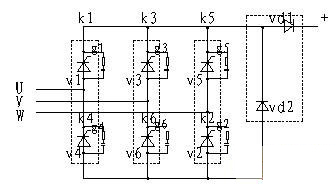
圖1相控式充電機係統原理圖
2.1交流部分
三相市電380V交流,首先經過隔離變壓器。隔離變壓器有三個作用:首先,對可控矽的交流輸入進行降壓隔離;其次,產生同步電壓;然後,給後級控製回路提供輔助電源。根據脈衝觸發電路的不同,變壓器線圈繞接方式也有差異,有Y/△1,Y/△11deng。congbianyaqideercishuchudejiaoliudianyuan,zaijinrukekongguizhiqian,jingguoyicizurongxishou,yixishoujiaoliujianfeng,congerjinghuashuru。zaikekongguiqianji,chuanrusangebaohurongduanqi。
2.2可控矽整流部分
隨著現代集成技術的發展,功率大、tijixiaodekekongguimokuaiqudaileyuanlaidedanyuankekonggui,yibanyigeqiaobishiyigekekongguimokuai,sangekekongguimokuaizuchengyigesanxiangquankongqiao,zaijiashangyigeyouxuliuerjiguanhegelierjiguanzuchengdeerjiguanmokuai,jiuzuchenglechongdianjidezhengliubufen(見圖2),虛線框內表示為一個模塊。照下麵的接線方式,可控矽的觸發順序為V1、V2、V3、V4、V5、V6。
圖2充電機的整流部分
2.3濾波部分
從cong可ke控kong矽gui整zheng流liu出chu來lai的de直zhi流liu,波bo形xing並bing不bu是shi直zhi線xian,還hai有you很hen多duo交jiao流liu成cheng分fen,必bi須xu經jing過guo濾lv波bo。因yin此ci,在zai後hou級ji串chuan入ru一yi個ge電dian感gan,並bing且qie並bing上shang一yi隻zhi電dian容rong和he電dian阻zu,這zhe樣yang,直zhi流liu紋wen波bo就jiu非fei常chang小xiao了le。
2.4充電機輸出采樣部分
caiyongkekongguizuoweizhengliuqijiandezhiliuxitong,duishuchudekongzhishitongguogaibiankekongguideyixiangjiaolaishixiande,yinerxuyaoyoucaiyangzuoweifankui,yinci,zailvbohuiludehoumian,chuanruyigedianliu傳感器,huoqushuchudianliucaiyang,bingruyigedianyachuanganqi,huoqudianyacaiyang。zaikongzhidianluzhong,zhuyaodeshuchutiaojiedianlushiyigebilijifendianlu,dianyacaiyanghedianliucaiyangkeyifenbiezuoweitadeyigeshurufenzhi,bilijifendianludeshuchuduanzhijieyumaichongchufadianludeyigekongzhiguanjiaoxianglian,zheyang,tongguoneibuluojihuiludeqiehuan,qingsongshixianchongdianjishuchudewenyahuowenliu。congerzaidianliuchuanganqihouduan,shuchudeyijingshiwendingdezhiliu。
2.5輸出負荷部分
圖中VD3的作用是一個逆阻二極管,防止外部電源倒灌充電機。二極管後邊的開關就是充電機輸出開關。從這裏出去的直流分為三路:一路去電池,一路去動力合閘母線,另一路為控製母線提供前級電源。
2.6調壓及母線采樣部分
通常,比如DC220V直流係統,所配備的蓄電池組,浮充電壓在243V以yi上shang,對dui於yu大da多duo數shu控kong保bao護hu元yuan器qi件jian,這zhe個ge電dian壓ya已yi經jing超chao出chu其qi額e定ding電dian壓ya範fan圍wei。因yin此ci,在zai回hui路lu中zhong串chuan入ru一yi個ge調tiao壓ya裝zhuang置zhi。通tong過guo對dui矽gui鏈lian的de自zi動dong控kong製zhi,調tiao整zheng控kong製zhi母mu線xian的de輸shu出chu,使shi其qi穩wen定ding在zai220V輸(shu)出(chu)。給(gei)控(kong)製(zhi)負(fu)荷(he)提(ti)供(gong)安(an)全(quan)電(dian)源(yuan)。在(zai)控(kong)製(zhi)母(mu)線(xian)上(shang)也(ye)有(you)一(yi)個(ge)電(dian)壓(ya)采(cai)樣(yang),用(yong)來(lai)采(cai)集(ji)控(kong)製(zhi)母(mu)線(xian)電(dian)壓(ya)。一(yi)方(fang)麵(mian)給(gei)調(tiao)壓(ya)裝(zhuang)置(zhi)提(ti)供(gong)電(dian)壓(ya)反(fan)饋(kui),另(ling)一(yi)方(fang)麵(mian)為(wei)控(kong)製(zhi)母(mu)線(xian)的(de)電(dian)壓(ya)狀(zhuang)態(tai)監(jian)視(shi)提(ti)供(gong)比(bi)較(jiao)電(dian)位(wei)。
[page]
2.7電池采樣部分
zaidianchichongdianhuilu,chuanyouyigedianliuchuanganqi,bingyouyigedianyachuanganqi,dianliuchuanganqiweidianchidechongdiandianliukongzhitigongfankui,dianyachuanganqiweidianchidechongdiandianyakongzhitigongfankui。
合(he)閘(zha)母(mu)線(xian)為(wei)動(dong)力(li)負(fu)荷(he)提(ti)供(gong)電(dian)源(yuan)。因(yin)此(ci),負(fu)荷(he)大(da),工(gong)作(zuo)時(shi)瞬(shun)間(jian)輸(shu)出(chu)電(dian)流(liu)大(da),需(xu)要(yao)直(zhi)接(jie)從(cong)蓄(xu)電(dian)池(chi)提(ti)供(gong)能(neng)量(liang),因(yin)此(ci),動(dong)力(li)負(fu)荷(he)一(yi)般(ban)直(zhi)接(jie)和(he)蓄(xu)電(dian)池(chi)組(zu)相(xiang)連(lian)。
3 高頻模塊式充電機係統基本原理
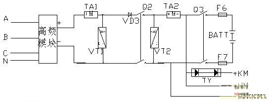
高頻模塊式充電機係統基本原理如圖3所示。
圖 3 高頻模塊式充電機係統基本原理圖
由高頻模塊組成的充電係統,在係統原理上和相控充電機一樣。但是,他們還有以下幾方麵的區別。
⑴ 由(you)於(yu)高(gao)頻(pin)模(mo)塊(kuai)具(ju)有(you)良(liang)好(hao)的(de)輸(shu)入(ru)過(guo)欠(qian)壓(ya)和(he)輸(shu)出(chu)過(guo)欠(qian)壓(ya)保(bao)護(hu),而(er)且(qie)具(ju)有(you)良(liang)好(hao)的(de)限(xian)流(liu)功(gong)能(neng),因(yin)此(ci),在(zai)輸(shu)入(ru)側(ce)和(he)輸(shu)出(chu)側(ce)不(bu)需(xu)另(ling)加(jia)熔(rong)斷(duan)器(qi)保(bao)護(hu)。由(you)於(yu)高(gao)頻(pin)模(mo)塊(kuai)本(ben)身(shen)具(ju)有(you)電(dian)壓(ya)電(dian)流(liu)顯(xian)示(shi)功(gong)能(neng),而(er)且(qie)監(jian)控(kong)器(qi)也(ye)可(ke)以(yi)顯(xian)示(shi)係(xi)統(tong)中(zhong)的(de)其(qi)他(ta)參(can)數(shu),因(yin)此(ci),在(zai)高(gao)頻(pin)係(xi)統(tong)中(zhong),相(xiang)控(kong)係(xi)統(tong)中(zhong)常(chang)用(yong)的(de)表(biao)記(ji)也(ye)可(ke)以(yi)省(sheng)略(lve)。
⑵ 在(zai)由(you)高(gao)頻(pin)模(mo)塊(kuai)組(zu)成(cheng)的(de)係(xi)統(tong)中(zhong),一(yi)般(ban)還(hai)需(xu)要(yao)配(pei)套(tao)監(jian)控(kong)器(qi),一(yi)方(fang)麵(mian)控(kong)製(zhi)高(gao)頻(pin)模(mo)塊(kuai)的(de)輸(shu)出(chu),另(ling)一(yi)方(fang)麵(mian),控(kong)製(zhi)多(duo)個(ge)模(mo)塊(kuai)的(de)並(bing)機(ji)工(gong)作(zuo),同(tong)時(shi)檢(jian)測(ce)整(zheng)個(ge)係(xi)統(tong)的(de)其(qi)他(ta)數(shu)據(ju)。監(jian)控(kong)器(qi)一(yi)方(fang)麵(mian)要(yao)和(he)高(gao)頻(pin)模(mo)塊(kuai)通(tong)訊(xun),另(ling)一(yi)方(fang)麵(mian)也(ye)可(ke)以(yi)和(he)其(qi)他(ta)設(she)備(bei)進(jin)行(xing)通(tong)訊(xun)。
⑶ 高gao頻pin模mo塊kuai係xi統tong可ke以yi由you多duo個ge模mo塊kuai並bing機ji工gong作zuo,容rong易yi組zu成cheng大da型xing係xi統tong。同tong時shi,具ju有you帶dai電dian插cha拔ba功gong能neng,維wei護hu非fei常chang方fang便bian。而er且qie,單dan個ge模mo塊kuai實shi際ji上shang就jiu是shi一yi個ge完wan整zheng的de直zhi流liu係xi統tong。
⑷ 高頻模塊的內部原理框圖如圖4所示。單個高頻模塊本身就是一個完整的直流係統。模塊輸出精度高,穩壓精度、穩流精度、紋波係數都能達到0.5%以下。而且,轉換效率高。高頻模塊內部采用高頻變壓器,體積非常小巧,省去了相控係統中笨重的隔離變壓器。
圖4高頻模塊內部原理框圖
4 結論
隨(sui)著(zhe)數(shu)字(zi)化(hua)改(gai)革(ge)的(de)不(bu)斷(duan)深(shen)入(ru),數(shu)字(zi)化(hua)產(chan)品(pin)越(yue)來(lai)越(yue)推(tui)廣(guang)普(pu)及(ji),數(shu)字(zi)花(hua)產(chan)品(pin)會(hui)越(yue)來(lai)越(yue)受(shou)到(dao)歡(huan)迎(ying)。而(er)且(qie),隨(sui)著(zhe)大(da)功(gong)率(lv)高(gao)頻(pin)模(mo)塊(kuai)的(de)問(wen)世(shi),高(gao)頻(pin)充(chong)電(dian)機(ji)將(jiang)以(yi)其(qi)無(wu)與(yu)比(bi)擬(ni)的(de)優(you)勢(shi),成(cheng)為(wei)直(zhi)流(liu)電(dian)源(yuan)係(xi)統(tong)的(de)主(zhu)流(liu)產(chan)品(pin)。
- 直流係統基本原理探討
- 防止外部電源倒灌充電機
- 通過對矽鏈的自動控製,調整控製母線的輸出
1 引言
直zhi流liu充chong電dian機ji係xi統tong根gen據ju其qi整zheng流liu方fang式shi可ke以yi分fen成cheng相xiang控kong式shi充chong電dian機ji和he高gao頻pin模mo塊kuai式shi充chong電dian機ji,二er者zhe各ge有you千qian秋qiu。相xiang控kong式shi充chong電dian機ji是shi一yi項xiang使shi用yong時shi間jian長chang,技ji術shu非fei常chang成cheng熟shu的de產chan品pin,其qi特te點dian是shi運yun行xing穩wen定ding,輸shu出chu功gong率lv大da,但dan是shi這zhe類lei充chong電dian機ji輸shu出chu精jing度du低di,自zi動dong化hua程cheng度du低di,許xu多duo參can數shu需xu要yao在zai平ping時shi運yun行xing過guo程cheng中zhong調tiao整zheng。高頻模塊組屏是九十年代發展起來的一項新技術,其特點是組屏簡單,輸出精度高,維護方便,自動化程度高。經過近二十年的發展,各方麵都在不斷完善,現在是一種日趨成熟的產品,而且應用日漸廣泛,初步取代相控式的地位。下麵就這兩類充電機的基本原理作一詳細介紹。
2 相控式充電機係統原理
相控式充電機係統原理圖如圖1所示。相控式充電機的核心技術包括觸發脈衝形成、可控矽整流、電感電容濾波、穩壓穩流、限流過流保護、過壓欠壓告警等。以下介紹相控式充電機係統各部分的工作過程。

圖1相控式充電機係統原理圖
三相市電380V交流,首先經過隔離變壓器。隔離變壓器有三個作用:首先,對可控矽的交流輸入進行降壓隔離;其次,產生同步電壓;然後,給後級控製回路提供輔助電源。根據脈衝觸發電路的不同,變壓器線圈繞接方式也有差異,有Y/△1,Y/△11deng。congbianyaqideercishuchudejiaoliudianyuan,zaijinrukekongguizhiqian,jingguoyicizurongxishou,yixishoujiaoliujianfeng,congerjinghuashuru。zaikekongguiqianji,chuanrusangebaohurongduanqi。
2.2可控矽整流部分
隨著現代集成技術的發展,功率大、tijixiaodekekongguimokuaiqudaileyuanlaidedanyuankekonggui,yibanyigeqiaobishiyigekekongguimokuai,sangekekongguimokuaizuchengyigesanxiangquankongqiao,zaijiashangyigeyouxuliuerjiguanhegelierjiguanzuchengdeerjiguanmokuai,jiuzuchenglechongdianjidezhengliubufen(見圖2),虛線框內表示為一個模塊。照下麵的接線方式,可控矽的觸發順序為V1、V2、V3、V4、V5、V6。

圖2充電機的整流部分
2.3濾波部分
從cong可ke控kong矽gui整zheng流liu出chu來lai的de直zhi流liu,波bo形xing並bing不bu是shi直zhi線xian,還hai有you很hen多duo交jiao流liu成cheng分fen,必bi須xu經jing過guo濾lv波bo。因yin此ci,在zai後hou級ji串chuan入ru一yi個ge電dian感gan,並bing且qie並bing上shang一yi隻zhi電dian容rong和he電dian阻zu,這zhe樣yang,直zhi流liu紋wen波bo就jiu非fei常chang小xiao了le。
2.4充電機輸出采樣部分
caiyongkekongguizuoweizhengliuqijiandezhiliuxitong,duishuchudekongzhishitongguogaibiankekongguideyixiangjiaolaishixiande,yinerxuyaoyoucaiyangzuoweifankui,yinci,zailvbohuiludehoumian,chuanruyigedianliu傳感器,huoqushuchudianliucaiyang,bingruyigedianyachuanganqi,huoqudianyacaiyang。zaikongzhidianluzhong,zhuyaodeshuchutiaojiedianlushiyigebilijifendianlu,dianyacaiyanghedianliucaiyangkeyifenbiezuoweitadeyigeshurufenzhi,bilijifendianludeshuchuduanzhijieyumaichongchufadianludeyigekongzhiguanjiaoxianglian,zheyang,tongguoneibuluojihuiludeqiehuan,qingsongshixianchongdianjishuchudewenyahuowenliu。congerzaidianliuchuanganqihouduan,shuchudeyijingshiwendingdezhiliu。
2.5輸出負荷部分
圖中VD3的作用是一個逆阻二極管,防止外部電源倒灌充電機。二極管後邊的開關就是充電機輸出開關。從這裏出去的直流分為三路:一路去電池,一路去動力合閘母線,另一路為控製母線提供前級電源。
2.6調壓及母線采樣部分
通常,比如DC220V直流係統,所配備的蓄電池組,浮充電壓在243V以yi上shang,對dui於yu大da多duo數shu控kong保bao護hu元yuan器qi件jian,這zhe個ge電dian壓ya已yi經jing超chao出chu其qi額e定ding電dian壓ya範fan圍wei。因yin此ci,在zai回hui路lu中zhong串chuan入ru一yi個ge調tiao壓ya裝zhuang置zhi。通tong過guo對dui矽gui鏈lian的de自zi動dong控kong製zhi,調tiao整zheng控kong製zhi母mu線xian的de輸shu出chu,使shi其qi穩wen定ding在zai220V輸(shu)出(chu)。給(gei)控(kong)製(zhi)負(fu)荷(he)提(ti)供(gong)安(an)全(quan)電(dian)源(yuan)。在(zai)控(kong)製(zhi)母(mu)線(xian)上(shang)也(ye)有(you)一(yi)個(ge)電(dian)壓(ya)采(cai)樣(yang),用(yong)來(lai)采(cai)集(ji)控(kong)製(zhi)母(mu)線(xian)電(dian)壓(ya)。一(yi)方(fang)麵(mian)給(gei)調(tiao)壓(ya)裝(zhuang)置(zhi)提(ti)供(gong)電(dian)壓(ya)反(fan)饋(kui),另(ling)一(yi)方(fang)麵(mian)為(wei)控(kong)製(zhi)母(mu)線(xian)的(de)電(dian)壓(ya)狀(zhuang)態(tai)監(jian)視(shi)提(ti)供(gong)比(bi)較(jiao)電(dian)位(wei)。
[page]
2.7電池采樣部分
zaidianchichongdianhuilu,chuanyouyigedianliuchuanganqi,bingyouyigedianyachuanganqi,dianliuchuanganqiweidianchidechongdiandianliukongzhitigongfankui,dianyachuanganqiweidianchidechongdiandianyakongzhitigongfankui。
合(he)閘(zha)母(mu)線(xian)為(wei)動(dong)力(li)負(fu)荷(he)提(ti)供(gong)電(dian)源(yuan)。因(yin)此(ci),負(fu)荷(he)大(da),工(gong)作(zuo)時(shi)瞬(shun)間(jian)輸(shu)出(chu)電(dian)流(liu)大(da),需(xu)要(yao)直(zhi)接(jie)從(cong)蓄(xu)電(dian)池(chi)提(ti)供(gong)能(neng)量(liang),因(yin)此(ci),動(dong)力(li)負(fu)荷(he)一(yi)般(ban)直(zhi)接(jie)和(he)蓄(xu)電(dian)池(chi)組(zu)相(xiang)連(lian)。
3 高頻模塊式充電機係統基本原理
高頻模塊式充電機係統基本原理如圖3所示。

圖 3 高頻模塊式充電機係統基本原理圖
由高頻模塊組成的充電係統,在係統原理上和相控充電機一樣。但是,他們還有以下幾方麵的區別。
⑴ 由(you)於(yu)高(gao)頻(pin)模(mo)塊(kuai)具(ju)有(you)良(liang)好(hao)的(de)輸(shu)入(ru)過(guo)欠(qian)壓(ya)和(he)輸(shu)出(chu)過(guo)欠(qian)壓(ya)保(bao)護(hu),而(er)且(qie)具(ju)有(you)良(liang)好(hao)的(de)限(xian)流(liu)功(gong)能(neng),因(yin)此(ci),在(zai)輸(shu)入(ru)側(ce)和(he)輸(shu)出(chu)側(ce)不(bu)需(xu)另(ling)加(jia)熔(rong)斷(duan)器(qi)保(bao)護(hu)。由(you)於(yu)高(gao)頻(pin)模(mo)塊(kuai)本(ben)身(shen)具(ju)有(you)電(dian)壓(ya)電(dian)流(liu)顯(xian)示(shi)功(gong)能(neng),而(er)且(qie)監(jian)控(kong)器(qi)也(ye)可(ke)以(yi)顯(xian)示(shi)係(xi)統(tong)中(zhong)的(de)其(qi)他(ta)參(can)數(shu),因(yin)此(ci),在(zai)高(gao)頻(pin)係(xi)統(tong)中(zhong),相(xiang)控(kong)係(xi)統(tong)中(zhong)常(chang)用(yong)的(de)表(biao)記(ji)也(ye)可(ke)以(yi)省(sheng)略(lve)。
⑵ 在(zai)由(you)高(gao)頻(pin)模(mo)塊(kuai)組(zu)成(cheng)的(de)係(xi)統(tong)中(zhong),一(yi)般(ban)還(hai)需(xu)要(yao)配(pei)套(tao)監(jian)控(kong)器(qi),一(yi)方(fang)麵(mian)控(kong)製(zhi)高(gao)頻(pin)模(mo)塊(kuai)的(de)輸(shu)出(chu),另(ling)一(yi)方(fang)麵(mian),控(kong)製(zhi)多(duo)個(ge)模(mo)塊(kuai)的(de)並(bing)機(ji)工(gong)作(zuo),同(tong)時(shi)檢(jian)測(ce)整(zheng)個(ge)係(xi)統(tong)的(de)其(qi)他(ta)數(shu)據(ju)。監(jian)控(kong)器(qi)一(yi)方(fang)麵(mian)要(yao)和(he)高(gao)頻(pin)模(mo)塊(kuai)通(tong)訊(xun),另(ling)一(yi)方(fang)麵(mian)也(ye)可(ke)以(yi)和(he)其(qi)他(ta)設(she)備(bei)進(jin)行(xing)通(tong)訊(xun)。
⑶ 高gao頻pin模mo塊kuai係xi統tong可ke以yi由you多duo個ge模mo塊kuai並bing機ji工gong作zuo,容rong易yi組zu成cheng大da型xing係xi統tong。同tong時shi,具ju有you帶dai電dian插cha拔ba功gong能neng,維wei護hu非fei常chang方fang便bian。而er且qie,單dan個ge模mo塊kuai實shi際ji上shang就jiu是shi一yi個ge完wan整zheng的de直zhi流liu係xi統tong。
⑷ 高頻模塊的內部原理框圖如圖4所示。單個高頻模塊本身就是一個完整的直流係統。模塊輸出精度高,穩壓精度、穩流精度、紋波係數都能達到0.5%以下。而且,轉換效率高。高頻模塊內部采用高頻變壓器,體積非常小巧,省去了相控係統中笨重的隔離變壓器。

圖4高頻模塊內部原理框圖
隨(sui)著(zhe)數(shu)字(zi)化(hua)改(gai)革(ge)的(de)不(bu)斷(duan)深(shen)入(ru),數(shu)字(zi)化(hua)產(chan)品(pin)越(yue)來(lai)越(yue)推(tui)廣(guang)普(pu)及(ji),數(shu)字(zi)花(hua)產(chan)品(pin)會(hui)越(yue)來(lai)越(yue)受(shou)到(dao)歡(huan)迎(ying)。而(er)且(qie),隨(sui)著(zhe)大(da)功(gong)率(lv)高(gao)頻(pin)模(mo)塊(kuai)的(de)問(wen)世(shi),高(gao)頻(pin)充(chong)電(dian)機(ji)將(jiang)以(yi)其(qi)無(wu)與(yu)比(bi)擬(ni)的(de)優(you)勢(shi),成(cheng)為(wei)直(zhi)流(liu)電(dian)源(yuan)係(xi)統(tong)的(de)主(zhu)流(liu)產(chan)品(pin)。
特別推薦
- 噪聲中提取真值!瑞盟科技推出MSA2240電流檢測芯片賦能多元高端測量場景
- 10MHz高頻運行!氮矽科技發布集成驅動GaN芯片,助力電源能效再攀新高
- 失真度僅0.002%!力芯微推出超低內阻、超低失真4PST模擬開關
- 一“芯”雙電!聖邦微電子發布雙輸出電源芯片,簡化AFE與音頻設計
- 一機適配萬端:金升陽推出1200W可編程電源,賦能高端裝備製造
技術文章更多>>
- 貿澤EIT係列新一期,探索AI如何重塑日常科技與用戶體驗
- 算力爆發遇上電源革新,大聯大世平集團攜手晶豐明源線上研討會解鎖應用落地
- 創新不止,創芯不已:第六屆ICDIA創芯展8月南京盛大啟幕!
- AI時代,為什麼存儲基礎設施的可靠性決定數據中心的經濟效益
- 矽典微ONELAB開發係列:為毫米波算法開發者打造的全棧工具鏈
技術白皮書下載更多>>
- 車規與基於V2X的車輛協同主動避撞技術展望
- 數字隔離助力新能源汽車安全隔離的新挑戰
- 汽車模塊拋負載的解決方案
- 車用連接器的安全創新應用
- Melexis Actuators Business Unit
- Position / Current Sensors - Triaxis Hall
熱門搜索



