多年積蓄:12款逆變器電路圖齊分享【原創】
發布時間:2014-04-14 責任編輯:sherryyu
【導讀】逆ni變bian器qi憑ping借jie著zhe其qi高gao的de轉zhuan換huan效xiao率lv,啟qi動dong快kuai,安an全quan性xing能neng好hao等deng特te點dian被bei廣guang泛fan應ying用yong月yue各ge個ge領ling域yu。而er關guan於yu逆ni變bian器qi的de電dian路lu設she計ji方fang案an也ye是shi有you很hen多duo。工gong程cheng師shi們men有you福fu了le,一yi位wei資zi深shen工gong程cheng師shi拿na出chu來lai自zi己ji多duo年nian來lai的de積ji蓄xu,將jiang分fen享xiang給gei大da家jia他ta碰peng到dao的de很hen有you價jia值zhi的de逆ni變bian器qi的de電dian路lu設she計ji,共gong有you12款電路,大家可以隨意挑選,學習!
12款很有價值的逆變器的電路設計,大家可以隨意挑選,學習!
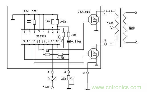
第一種逆變器電路:

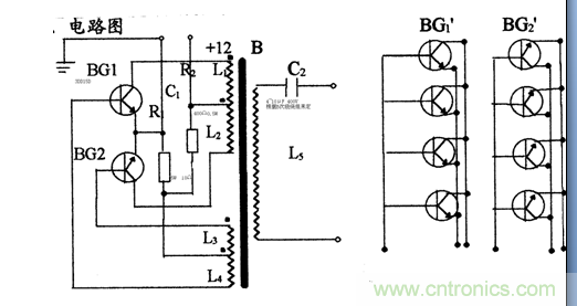
第二種逆變器電路:

第三種逆變器電路:

第四種逆變器電路:

第五種逆變器電路:

第六種逆變器電路:

第七種逆變器電路:

第八種逆變器電路:

第九種逆變器電路:

第十種逆變器電路:

第十一種逆變器電路:

第十二種逆變器電路:

相關閱讀:
一款低成本、高可靠性的逆變器電源電路設計
特別推薦
- 噪聲中提取真值!瑞盟科技推出MSA2240電流檢測芯片賦能多元高端測量場景
- 10MHz高頻運行!氮矽科技發布集成驅動GaN芯片,助力電源能效再攀新高
- 失真度僅0.002%!力芯微推出超低內阻、超低失真4PST模擬開關
- 一“芯”雙電!聖邦微電子發布雙輸出電源芯片,簡化AFE與音頻設計
- 一機適配萬端:金升陽推出1200W可編程電源,賦能高端裝備製造
技術文章更多>>
- 一秒檢測,成本降至萬分之一,光引科技把幾十萬的台式光譜儀“搬”到了手腕上
- AI服務器電源機櫃Power Rack HVDC MW級測試方案
- 突破工藝邊界,奎芯科技LPDDR5X IP矽驗證通過,速率達9600Mbps
- 通過直接、準確、自動測量超低範圍的氯殘留來推動反滲透膜保護
- 從技術研發到規模量產:恩智浦第三代成像雷達平台,賦能下一代自動駕駛!
技術白皮書下載更多>>
- 車規與基於V2X的車輛協同主動避撞技術展望
- 數字隔離助力新能源汽車安全隔離的新挑戰
- 汽車模塊拋負載的解決方案
- 車用連接器的安全創新應用
- Melexis Actuators Business Unit
- Position / Current Sensors - Triaxis Hall
熱門搜索
按鈕開關
白色家電
保護器件
保險絲管
北鬥定位
北高智
貝能科技
背板連接器
背光器件
編碼器型號
便攜產品
便攜醫療
變容二極管
變壓器
檳城電子
並網
撥動開關
玻璃釉電容
剝線機
薄膜電容
薄膜電阻
薄膜開關
捕魚器
步進電機
測力傳感器
測試測量
測試設備
拆解
場效應管
超霸科技



