電動汽車動力係統工作原理及解決方案
發布時間:2017-02-02 責任編輯:wenwei
【導讀】小編今天給大家談談什麼是電動汽車動力係統。故名思議,就是通過外部動力實現電動汽車驅動駕駛、提供持續不斷動力源的動力係統。在了解動力係統之前,我們先來了解下電動汽車。
什麼是電動汽車?
根據百度百科上的說法,電動汽車(也稱BEV)是指以車載電源為動力,用電機驅動車輪行駛,符合道路交通、安全法規各項要求的車輛。由於對環境影響相對傳統汽車較小,其前景被廣泛看好,但當前技術尚不成熟。
電動汽車的分類
目前,我們看到的電動汽車主要分為三種,一種是純電動車(BEV),完全由電機驅動的電動車;另外一種是混合電動汽車(也叫做複合電動汽車PHEV),一般指的是用油和電提供電動汽車動力源(即采用傳統內燃機和電動機兩者作為動力,可分開時間使用)的電動車;最後一種是燃料電池汽車(FCEV),采用的是氫氧混合燃料提供動力源,通常幾分鍾時間就可以“充滿電”,因為補充的燃料是氫氣,結合大氣中的氧氣化學作用產生動能,提供的是一種非常低碳環保的動力源。
電動汽車廠商
電動汽車廠商非常多,電動車應用領域也非常的廣泛,目前比較著名的電動車廠商主要有特斯拉、比亞迪、豐田、日產、奇瑞、雪佛蘭、本田、寶馬、三菱、雷克薩斯等等。
特斯拉作為美國專注於電動車和能源公司,從08年推出首款Roadster運動跑車以來,在電動車領域發展一直處於業界領先地位,分別推出了Model S標準純電動車、Model X豪華電動超跑、以及即將上市的 Model 3 ,在電動車自動輔助駕駛技術更是領先一步。
互聯網造車熱潮同樣也帶領電動汽車發展走向新高潮,今年1月初,法拉第FF與戰略合作夥伴樂視正式推出首款量產車曝光,36小時全球預定量就達到了64124台。格力集團董明珠近期收購珠海銀隆新能源,正式進軍互聯網汽車,奔向的目標也是幹淨、純潔環保的電動車方向,解決的不僅是電動車動力問題,還有就是電動車儲能的問題。
電動汽車動力係統及其工作原理
下麵正式進入正題,什麼是電動汽車動力係統?在這裏我們首先以典型的純電動汽車動力係統解析:
電動汽車動力係統基本構成如下圖所示,電力驅動子係統又由電控單元、控製器、電動機、機械傳動裝置和驅動車輪組成。主能源子係統由主能源、能量管理係統和充電係統構成。輔助控製子係統具有動力轉向、溫度控製和輔助動力供給等功能。

電力驅動及控製係統是電動汽車的核心,也是區別於內燃機汽車的最大不同點。電力驅動及控製係統由驅動電動機、電源和電動機控製裝置等組成。電動汽車的其他裝置基本與內燃機汽車相同。
純電動汽車動力係統工作過程:
動dong力li係xi統tong的de工gong作zuo過guo程cheng是shi,根gen據ju從cong製zhi動dong踏ta板ban和he加jia速su踏ta板ban輸shu入ru的de信xin號hao,電dian子zi控kong製zhi器qi發fa出chu相xiang應ying的de控kong製zhi指zhi令ling來lai控kong製zhi電dian動dong機ji,調tiao節jie電dian動dong機ji和he電dian源yuan之zhi間jian的de功gong率lv流liu。輔fu助zhu動dong力li供gong給gei係xi統tong主zhu要yao給gei動dong力li轉zhuan向xiang、空調、製zhi動dong及ji其qi他ta輔fu助zhu裝zhuang置zhi提ti供gong動dong力li。除chu了le從cong製zhi動dong踏ta板ban和he加jia速su踏ta板ban給gei電dian動dong汽qi車che輸shu入ru信xin號hao外wai,轉zhuan向xiang盤pan輸shu入ru也ye是shi一yi個ge很hen重zhong要yao的de輸shu入ru信xin號hao,動dong力li轉zhuan向xiang係xi統tong根gen據ju轉zhuan向xiang盤pan的de角jiao位wei置zhi來lai決jue定ding汽qi車che靈ling活huo地di轉zhuan向xiang。
下麵再來簡單介紹下混合電動汽車動力係統:
根據目前市麵上的混合動力電動車的驅動結構,主要可以分為三大類:串聯式、並聯式和混聯式。
(1) 串聯式混合動力電動汽車
其結構原理圖如下所示:

串聯式混合動力電動汽車由發動機、發fa電dian機ji和he驅qu動dong電dian動dong機ji三san大da主zhu要yao部bu件jian總zong成cheng組zu成cheng。發fa動dong機ji僅jin僅jin用yong於yu發fa電dian,發fa電dian機ji所suo發fa出chu的de電dian能neng供gong給gei電dian動dong機ji,電dian動dong機ji驅qu動dong汽qi車che行xing駛shi。發fa電dian機ji發fa出chu的de部bu分fen電dian能neng向xiang電dian池chi充chong電dian,延yan長chang混hun合he動dong力li電dian動dong汽qi車che的de行xing駛shi裏li程cheng。另ling外wai電dian池chi還hai可ke以yi單dan獨du向xiang電dian動dong機ji提ti供gong電dian能neng來lai驅qu動dong電dian動dong汽qi車che,使shi混hun合he動dong力li電dian動dong汽qi車che在zai零ling汙wu染ran狀zhuang態tai下xia行xing駛shi。
(2) 並聯式混合動力電動汽車
其結構原理圖如下所示:

並聯式混合動力電動汽車主要由發動機、電動/發電機兩大部件總成組成,有多種組合形式,可以根據使用要求選用。兩大動力總成的功率可以互相疊加,發動機功率和電動/發電機功率約為電動汽車所需最大驅動功率的o.5~1倍,因此可以采用小功率的發動機與電動/發電機,使得整個動力係統的裝配尺寸、質zhi量liang都dou較jiao小xiao,造zao價jia也ye更geng低di,行xing程cheng也ye可ke以yi比bi串chuan聯lian式shi混hun合he動dong力li電dian動dong汽qi車che的de長chang一yi些xie,其qi特te點dian更geng加jia趨qu近jin於yu內nei燃ran機ji汽qi車che。並bing聯lian式shi混hun合he動dong力li驅qu動dong係xi統tong通tong常chang被bei2-9a在小型混合動力電動汽車上。
(3) 混聯式混合動力電動汽車
其結構原理圖如下所示:

混聯式混合動力電動汽車綜合了串聯式和並聯式混合動力電動汽車的結構組成,主要由發動機、發電機和驅動電動機三大動力總成組成。發動機基本保持穩運高效、節能的運轉,發電機和電池供給驅動電動機電能以驅動電動汽車行駛。
下麵介紹幾種電動汽車動力係統解決方案:
電動汽車以鋰電池作為主要動力驅動,以其高能量密度優勢、動力性能穩定為首要條件。電池管理係統BMS的重要同樣不言而喻。BMS是動力電池組的核心技術,也是電動車整車的關鍵環節。
目前電池管理係統有兩種管理模式,分別為主動式均衡和被動式均衡兩種管理模式。
liangzhongguanlimoshigeyouyouquedian,suocaiyongdefangshipubianweicaijidantidianchidianya,chuanliandianliu,yijiwenduyijidianchizudedianya,ranhoujiangzhexiexinhaochuangeiyunsuanmokuaijinxingchulifachuzhiling,zuihoujiangzhenggechulidexinxizhilingtongguoCAN通訊係統傳送給汽車中央控製單元或整車VMS係統。
(一) ADI全隔離式鋰離子電池監控和保護係統
1.方案特點
鋰離子電池組包含大量的電池單元,必須正確監控才能提高電池效率,延長電池壽命確保安全性。方案中的 6 通道 AD7280A 器件充當主監控器,向係統演示平台評估板提供精確的電壓測量數據,而 6 通道 AD8280 器件充當副監控器和保護係統。
AD8280 是一款用於鋰離子電池組的純硬連線安全監控器,配合 AD7280A 使用時,可提供具有可調閾值檢測和共用或單獨報警輸出的低成本、冗餘、備用電池監控器。它具有自測功能,因此適合混合動力電動汽車等高可靠性應用或者不間斷電源等高壓工業應用。AD7280A 和 AD8280 均從監控的電池單元獲得電源。
ADuM5404集成一個DC-DC轉換器,用於向ADuM1201和ADuM1401隔離器的高壓端供電,以及向AD7280ASPI接口提供VDRIVE電源。這些4通道、磁性隔離電路是安全、可靠、易用的光耦合器替代解決方案。
2. 方案框圖

3. 芯片參數
3.1 ADI AD7280A 參數
- 單顆處理 4-6 s 前端
- 12 Bit ADC 采樣,平均每通道采樣時間1 us
- 能夠對6個通道的電壓和溫度進行監測,典型
- 精度達±1.6 mV (典型值)
- 多個 AD7280A 可采用菊花鏈連接,單個電路
- 板最多可監控 48 個電池單元,轉換隻需7 μs
- 提供被動式電池單元平衡控製功能
- 轉換模式下功耗小於6 mA
- 斷電模式下功耗小於1.8 uA
- SPI 通信提供CRC 校驗保證數據的可靠性
3.2 ADI AD8280 參數
- 電壓範圍:6.0 V–30 V
- 多路輸入可監控 3-6 路電池電壓和 2 個溫度
- 可調監控閥值:過壓、欠壓、過溫
- 報警選項:單獨或者共用報警
- 可通過菊花鏈方式連接
(二) 英飛淩AUDO MAX產品係列
目前,基於高性能微控製器的高效FOC係統,為電動汽車和混合動力汽車驅動提供安全高效的解決方案創造了條件。
圖1:運行於FOC模式的32位TriCore微控製器
英飛淩AUDO MAX係列非常適用於電機的控製。TriCore架構和MC-ISAR eMotor驅動程序可采用高級控製策略控製多台三相電機,包括無刷直流電機(BLDC)塊交換(block commutation,BC)及永磁同步電機(PMSM)磁場定向控製(FOC)。單一微控製器甚至還能同時支持BLDC和PMSM電機控製。相比於其他類型的電機而言,采用FOC控製的PMSM電機能效更高、磨損更小,並且可以實現精確控製和定位。特別是,這種電機支持線性轉矩控製,為將其用於混合電動汽車動力總成係統奠定了基礎。

圖2:電機控製中的電流控製環
圖2顯示了MC-ISAR eMotor驅動程序的電流控製環路,右側為複雜設備驅動(CDD)。這個時間關鍵型電流控製環路在中斷上下文中進行處理,處理時間不超過50微秒。左側是附加的用於位置和轉速控製的軟件成分(SWC),由應用程序提供。
英飛淩AUDO MAX係列和MC-ISAR eMotor驅動,可並行控製多達4台PMSM或BLDC電機,同時還能滿足應用任務控製所需的性能。MC-ISAR eMotor和標準AUTOSAR MCAL驅動由同一配置工具整合,因此,用戶可在同一界麵中為AUTOSAR MCAL和MC-ISAR eMotor驅動配置微控製器資源,為無縫配置不同軟件模塊創造了條件。汽車ECU開發人員可專注於電機的應用相關控製,而無需改編電機的控製算法。為降低係統成本,AUDO MAX係列還支持直接旋轉變壓器模式,免除了加裝旋轉變壓器IC的需要。AUDO MAX係列和MC-ISAR eMotor驅動被設計用於支持安全應用。
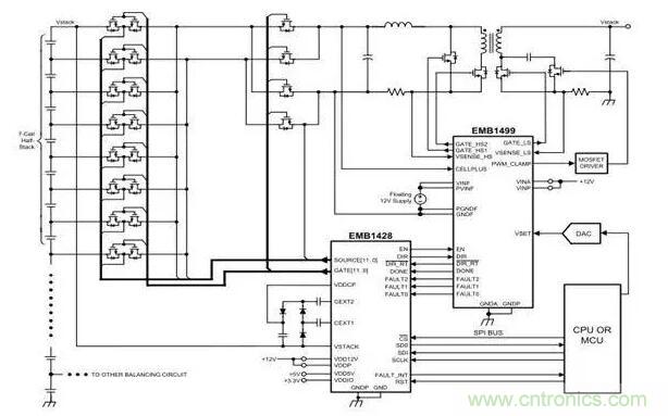
(三) TI推出電池主動式均衡負載技術
1.方案特點
TI推薦電動車所采用的主動均衡方式:每個電池芯藉由矩陣開關控製變壓器與充電線路的組合,形成一個有調整功能的電壓/dianliuxushuichidegongneng,dangdianchixinyouyuduocichongfangdianhouchanshengbuyizhixingerdaozhizhengzudianchichongfangdianrongliangxiajiang,kejiyouhouduanlianjiexushuichidexianluzuotiaozheng,chongdianshibuhuiyinweijiankongdaomougedianchixinneiyaguogaoertingzhichongdian,fangdianshiyekeyiwanquande100%的釋放能源,進而延長電動車的行駛距離。
TI在隔離式DC-DC主動均衡技術的能源轉換效率高達87%。像EM1410芯片組由5顆核心芯片加上5顆電源供應芯片所組成,其中最主要的 EMB1432為十四信道AFE芯片、EMB1428為七信道閘控製器芯片,與EMB1499為七信道電壓控製芯片等,來建構十四通道雙向主動式電池芯均衡功能,串聯14顆電池芯與最高60V工作電壓,提供5V雙向均衡電壓與最大750V堆棧輸出電壓能力,並滿足AECQ-100車用電子驗證標準。

2.芯片參數:
2.1 EMB1432Q
- 單顆處理 14S前端模擬
- 最高輸入耐壓60V
- 輸出電壓誤差為+/- 1mV
- SPI 通訊支持1MHz
- 符合ACE-Q100汽車規範
2.2 EMB1428Q
- 最高輸入耐壓60V
- SPI 通訊支持1MHz
- 最低待機功耗(《100uA)
- 符合ACE-Q100汽車規範
2.3 EMB1499Q
- 最高輸入耐壓60V
- SPI 通訊支持1MHz
- 最低待機功耗(《30uA)
- 符合ACE-Q100汽車規範
特別推薦
- 噪聲中提取真值!瑞盟科技推出MSA2240電流檢測芯片賦能多元高端測量場景
- 10MHz高頻運行!氮矽科技發布集成驅動GaN芯片,助力電源能效再攀新高
- 失真度僅0.002%!力芯微推出超低內阻、超低失真4PST模擬開關
- 一“芯”雙電!聖邦微電子發布雙輸出電源芯片,簡化AFE與音頻設計
- 一機適配萬端:金升陽推出1200W可編程電源,賦能高端裝備製造
技術文章更多>>
- 貿澤EIT係列新一期,探索AI如何重塑日常科技與用戶體驗
- 算力爆發遇上電源革新,大聯大世平集團攜手晶豐明源線上研討會解鎖應用落地
- 創新不止,創芯不已:第六屆ICDIA創芯展8月南京盛大啟幕!
- AI時代,為什麼存儲基礎設施的可靠性決定數據中心的經濟效益
- 矽典微ONELAB開發係列:為毫米波算法開發者打造的全棧工具鏈
技術白皮書下載更多>>
- 車規與基於V2X的車輛協同主動避撞技術展望
- 數字隔離助力新能源汽車安全隔離的新挑戰
- 汽車模塊拋負載的解決方案
- 車用連接器的安全創新應用
- Melexis Actuators Business Unit
- Position / Current Sensors - Triaxis Hall
熱門搜索
Future
GFIVE
GPS
GPU
Harting
HDMI
HDMI連接器
HD監控
HID燈
I/O處理器
IC
IC插座
IDT
IGBT
in-cell
Intersil
IP監控
iWatt
Keithley
Kemet
Knowles
Lattice
LCD
LCD模組
LCR測試儀
lc振蕩器
Lecroy
LED
LED保護元件
LED背光





