一文讀懂DC/AC SCAN測試技術
發布時間:2017-10-27 責任編輯:lina
本文將會根據DC/AC SCAN的概念展開描述,並將他們進行區別對比,讓你更加全麵的了解DC/AC SCAN測試技術。
SCAN技術,也就是ATPG技術-- 測試std-logic, 主要實現工具是:產生ATPG使用Mentor的 TestKompress和synopsys TetraMAX;插入scan chain主要使用synopsys 的DFT compiler 通常,我們所說的DCSCAN就是normal scan test 即慢速測試,測試頻率是10M-30M ,AC SCAN 也就是at-speed scan 即實速測試,測試頻率與芯片真實工作頻率是一樣的。
70年代到1995年這段時間裏,由於芯片的工作頻率很低隻有20-100M,scan測試隻有DC SCAN,我們就能捕捉到所有std-logic的製造缺陷。但是1995年以後,測試科學家和工程師發現通過DC SCAN測試沒有缺陷的芯片在高工作頻率下使用會有問題。其根本原因是隨著製造工藝向深亞微米邁進,芯片的工作頻率也提高到200M-1G,原來的SCAN測試方法和模型不再能捕捉到所有的std-logic的製造缺陷。大家的一致想法就是-“奔跑吧,SCAN” ,把SCAN的頻率增加到與芯片的真實工作頻率一致,同時使用新的TransiTIon atpg model來產生測試pattern.
下麵我們介紹DC SCAN與AC SCAN的異同
現在的工業量產的高速芯片都會要求能做DC SCAN測試和AC SCAN測試,所以DFT工程師也要同時插入兩種測試電路,產生兩套測試patterns。
具體實現流程如下
1 讀入沒有插入scan的網表
2 使用Design compiler 插入scan chain和OCC (on chipclocking)模塊,同時插入mux, fix DRC
3 使用Testcompress 實現EDT壓縮scan chain
4 使用Testcompress 產生測試DC/ACpattern,同時產生測試驗證的Testbench
5 驗證DC/AC patterns的正確性和電路的正確性
6 使用SDF,驗證DC/ACpatterns相關電路的時序是否滿足要求
7 使用DC/AC patterns (wgl文件)轉換成ATE所需格式,在ATE上調試和使用
ATPG工具使用的TransiTIon faultmodel如下圖
常用的OCC電路結構如下
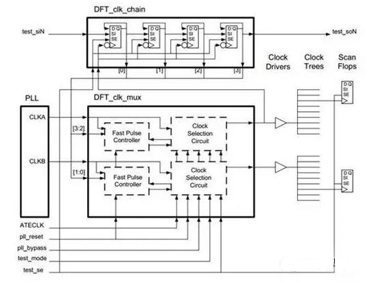
我們典型的插入OCC以後的電路如下圖
推薦閱讀:
一款全自動電飯煲係統的設計與實現
中國電動汽車百人會理事長陳清泰先生一行調研參觀英飛淩無錫智能製造工廠
有機電解質如何提升鋰硫電池穩定性的技術研究分析
- 噪聲中提取真值!瑞盟科技推出MSA2240電流檢測芯片賦能多元高端測量場景
- 10MHz高頻運行!氮矽科技發布集成驅動GaN芯片,助力電源能效再攀新高
- 失真度僅0.002%!力芯微推出超低內阻、超低失真4PST模擬開關
- 一“芯”雙電!聖邦微電子發布雙輸出電源芯片,簡化AFE與音頻設計
- 一機適配萬端:金升陽推出1200W可編程電源,賦能高端裝備製造
- 大聯大世平集團首度亮相北京國際汽車展 攜手全球芯片夥伴打造智能車整合應用新典範
- 2026北京車展即將啟幕,高通攜手汽車生態“朋友圈”推動智能化體驗再升級
- 邊緣重構智慧城市:FPGA SoM 如何破解視頻係統 “重而慢”
- 如何使用工業級串行數字輸入來設計具有並行接口的數字輸入模塊
- 意法半導體將舉辦投資者會議探討低地球軌道(LEO)發展機遇
- 車規與基於V2X的車輛協同主動避撞技術展望
- 數字隔離助力新能源汽車安全隔離的新挑戰
- 汽車模塊拋負載的解決方案
- 車用連接器的安全創新應用
- Melexis Actuators Business Unit
- Position / Current Sensors - Triaxis Hall



