解決電源設計難題:詳談開關電源同步整流技術
發布時間:2019-12-02 責任編輯:xueqi
【導讀】同步整流技術就是采用低導通電阻的功率MOS管代替開關變換器快恢複二極管,起整流管的作用,從而達到降低整流損耗,提高效率的目的。通常,變換器的主開關管也采用功率MOS管,但是二者還是有一些差異的。
傳統二極管整流問題
近年來,電子技術的發展,使得電路的工作電壓越來越低、電流越來越大。低電壓工作有利於降低電路的整體功率消耗,但也給電源設計提出了新的難題。
開關電源的損耗主要由3部分組成:功率開關管的損耗,高頻變壓器的損耗,輸出端整流管的損耗。在低電壓、大電流輸出的情況下,整流二極管的導通壓降較高,輸出端整流管的損耗尤為突出。快恢複二極管(FRD)或超快恢複二極管(SRD)可達1.0~1.2V,即使采用低壓降的肖特基二極管(SBD),也會產生大約0.6V的壓降,這就導致整流損耗增大,電源效率降低。
問題舉例
但設采用3.3V甚至1.8V或1.5V的供電電壓,所消耗的電流可達20A。此時超快恢複二極管的整流損耗已接近甚至超過電源輸出功率的50%。即使采用肖特基二極管,整流管上的損耗也會達到(18%~40%)PO,占電源總損耗的60%以上。因此,傳統的二極管整流電路已無法滿足實現低電壓、大電流開關電源高效率及小體積的需要,成為製約DC/DC變換器提高效率的瓶頸。
同步整流技術引言
在電源轉換領域,輸出直流電壓不高的隔離式轉換器都使用 MOSFET作為整流器件。由於這些器件上的導通損耗較小,能夠提高效率因而應用越來越廣泛;
為了這種電路能夠正常運作,必須對同步整流器(SR)jiayikongzhi,zheshijibendeyaoqiu。tongbuzhengliuqishiyonglaiqudaierjiguande,suoyibixuxuanzeshidangdefangfa,anzhaoerjiguandegongzuoguilvlaiqudongtongbuzhengliuqi。qudongxinhaobixuyongPWM控製信號來形成,而PWM控製信號決定著開關型電路的不同狀態。
同步整流器件的特點
同步整流技術就是采用低導通電阻的功率MOS管代替開關變換器快恢複二極管,起整流管的作用,從而達到降低整流損耗,提高效率的目的。通常,變換器的主開關管也采用功率MOS管,但是二者還是有一些差異的。
功率MOS管實際上是一個雙向導電器件,由於工作原理的不同,而導致了其他一些方麵的差異。例如:作為主開關的MOS管通常都是硬開關,因此要求開關速度快,以減小開關損耗;而作為整流/續流用的同步MOS管,則要求MOS管具有低導通電阻、體二極管反向恢複電荷小、柵極電阻小和開關特性好等特點,因此,雖然兩者都是MOS管,但是它們的工作特性和損耗機理並不一樣,對它們的性能參數要求也不一樣,認識這一點,對於如何正確選用MOS管是有益的。
同步整流的基本電路結構
同步整流是采用通態電阻極低的專用功率MOSFET,來取代整流二極管以降低整流損耗的一項新技術。它能大大提高DC/DC變換器的效率並且不存在由肖特基勢壘電壓而造成的死區電壓。功率MOSFET屬於電壓控製型器件,它在導通時的伏安特性呈線性關係。用功率MOSFET做整流器時,要求柵極電壓必須與被整流電壓的相位保持同步才能完成整流功能,故稱之為同步整流。
工作方式的比較
傳統的同步整流方案基本上都是PWM型同步整流,主開關與同步整流開關的驅動信號之間必須設置一定的死區時間,以避免交叉導通,因此,同步整流MOS管就存在體二極管導通和反向恢複等問題,從而降低同步整流電路的性能。
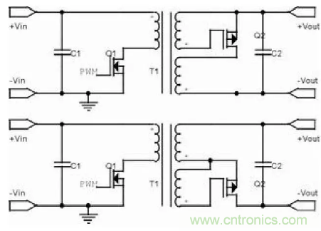
雙端自激、隔離式同步整流電路

實際舉例(反激同步整流設計 )
基本的反激電路結構

一種實際的外驅電路

增加驅動能力的外驅電路

由NMOSFET構成的反激同步整流自驅動電路結構

由PMOSFET構成的反激同步整流自驅動電路結構

反激同步整流驅動電路選擇
同步整流管的驅動方式有三種:第一種是外加驅動控製電路,優點是其驅動波形的質量高,調試方便。缺點是:電路複雜,成本高,在追求小型化和低成本的今天隻有研究價值,基本沒有應用價值。上圖是簡單的外驅電路,R1D1用於調整死區。該電路的驅動能力較小,在同步整流管的Ciss較小時,可以使用。圖6是在圖5的基礎上增加副邊推挽驅動電路的結構,可以驅動Ciss較大的MOSFET。在輸出電壓低於5V時,需要增加驅動電路供電電源。
第二種是自驅動同步整流。優點是直接由變壓器副邊繞組驅動或在主變壓器上加獨立驅動繞組,電路簡單、chengbendihezishiyingqudongshizhuyaoyoushi,zaishangyehuachanpinzhongguangfanshiyong。quedianshidianlutiaoshiderouxingjiaoshao,zaikuanshurudiyafanweishi,youxieboxingxuyaofujiaxianfuzhengxingdianlucainengmanzuqudongyaoqiu。youyuVgs的(de)正(zheng)向(xiang)驅(qu)動(dong)都(dou)正(zheng)比(bi)於(yu)輸(shu)出(chu)電(dian)壓(ya),調(tiao)節(jie)驅(qu)動(dong)繞(rao)組(zu)的(de)匝(za)數(shu)可(ke)以(yi)確(que)定(ding)比(bi)例(li)係(xi)數(shu),且(qie)輸(shu)出(chu)電(dian)壓(ya)都(dou)是(shi)很(hen)穩(wen)定(ding)的(de),所(suo)以(yi)驅(qu)動(dong)電(dian)壓(ya)也(ye)很(hen)穩(wen)定(ding)。比(bi)較(jiao)麻(ma)煩(fan)的(de)是(shi)負(fu)向(xiang)電(dian)壓(ya)可(ke)能(neng)會(hui)超(chao)標(biao),需(xu)要(yao)在(zai)設(she)計(ji)變(bian)壓(ya)器(qi)變(bian)比(bi)時(shi)考(kao)慮(lv)驅(qu)動(dong)負(fu)壓(ya)幅(fu)度(du)。
disanzhongshibanziqu。qiqudongboxingdeshangshenghuoxiajiangyan,yigeshiyouzhubianyaqitigongdexinhao,lingyigeshidulidewaiqudongdianlutigongdexinhao。shangtushizhenduiziqudefuyawenti,yongdandudefangdianhuilu,tigongtongbuzhengliuguandeguanduanxinhao,bikaileziqudongfuyafangdiandedianyachaobiaowenti。
特別推薦
- 噪聲中提取真值!瑞盟科技推出MSA2240電流檢測芯片賦能多元高端測量場景
- 10MHz高頻運行!氮矽科技發布集成驅動GaN芯片,助力電源能效再攀新高
- 失真度僅0.002%!力芯微推出超低內阻、超低失真4PST模擬開關
- 一“芯”雙電!聖邦微電子發布雙輸出電源芯片,簡化AFE與音頻設計
- 一機適配萬端:金升陽推出1200W可編程電源,賦能高端裝備製造
技術文章更多>>
- 大聯大世平集團首度亮相北京國際汽車展 攜手全球芯片夥伴打造智能車整合應用新典範
- 2026北京車展即將啟幕,高通攜手汽車生態“朋友圈”推動智能化體驗再升級
- 邊緣重構智慧城市:FPGA SoM 如何破解視頻係統 “重而慢”
- 如何使用工業級串行數字輸入來設計具有並行接口的數字輸入模塊
- 意法半導體將舉辦投資者會議探討低地球軌道(LEO)發展機遇
技術白皮書下載更多>>
- 車規與基於V2X的車輛協同主動避撞技術展望
- 數字隔離助力新能源汽車安全隔離的新挑戰
- 汽車模塊拋負載的解決方案
- 車用連接器的安全創新應用
- Melexis Actuators Business Unit
- Position / Current Sensors - Triaxis Hall
熱門搜索
接口IC
介質電容
介質諧振器
金屬膜電阻
晶體濾波器
晶體諧振器
晶體振蕩器
晶閘管
精密電阻
精密工具
景佑能源
聚合物電容
君耀電子
開發工具
開關
開關電源
開關電源電路
開關二極管
開關三極管
科通
可變電容
可調電感
可控矽
空心線圈
控製變壓器
控製模塊
藍牙
藍牙4.0
藍牙模塊
浪湧保護器



