汽車48V混動係統的發展駛入快車道
發布時間:2020-01-15 責任編輯:wenwei
【導讀】差不多五年前,美國政府就規定汽車製造商生產的新車和卡車平均油耗要達到54.5mpg(23.17公裏/升),幾乎是平均燃油經濟性的兩倍。隨著電動車與混合動力技術進入快速發展通道,基於48V電源的所謂"微混動力"和"輕混動力"係統的發展也駛入了快車道,原來曾長期使用的12V汽車電氣係統即將結束自己的曆史使命。
48V技術為汽車製造商和駕駛員提供了諸多優勢。它不僅可以減少環境汙染,還能提高發動機性能,最重要的是,能夠提高燃油效率。
隨著新技術的出現,汽車中的電力負荷正呈指數級增長。遠程1955年,汽車製造商推出了12V充電係統,取代了基於6V技術的舊係統。從1955年到二十世紀80年代,雖然一些高效交流發電機的輸出功率最高可以達到0.7kW,但標準交流發電機的輸出功率通常低於0.5kW。今天的汽車需要3.5kW的交流發電機輸出,是原來最高輸出功率的7倍多。
14V交流發電機產生250A的電流,導致最大效率僅為70%。因此,發動機必須額外提供5kW的de功gong率lv。為wei了le彌mi補bu這zhe一yi點dian,需xu要yao較jiao大da的de導dao體ti橫heng截jie麵mian來lai提ti供gong更geng大da的de電dian流liu,從cong而er增zeng加jia了le車che輛liang的de成cheng本ben和he重zhong量liang。而er重zhong量liang的de增zeng加jia降jiang低di了le燃ran油you效xiao率lv,也ye提ti高gao了le二er氧yang化hua碳tan排pai放fang量liang。
48V係統
進入48V時代後,48V技術實現了一些在12V係統中不現實的功能,包括支持微混和輕混動力係統。這些可同時降低二氧化碳排放量和總體油耗的功能包括:
● 功率超過5kW時的高性能能量回收
● 擴展的啟停功能,如航行或滑行
● 渦輪增壓器和電動助力轉向係統等裝置的電氣化
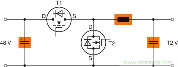
48V係統不隻是現有12V架構的簡單擴展,它使用同時控製12V和48V電壓級別的雙向降壓-升壓轉換器,讓係統能夠處理更高的負載(圖1)。可以把下圖視為油電混動汽車的2.5版。

圖1:12V/48V組合式板載電源的架構(資料來源:TDK)
在這個2.5版本中,12V電源使用標準鉛基電池,48V電源使用鋰離子電池。發電機設置在48V級別,有助於實現更高和更高效的輸出級別。新的實踐經驗規定將雙層電容器並聯以提高儲電能力。
降壓-升壓轉換器
如上所述,12V/48V組合係統的核心部件是降壓-升壓轉換器,它控製兩個電壓級別之間的雙向能量流(圖2)。大多數降壓-升壓轉換器設計用於2kW到5kW之間的輸出功率。

圖2:12V/48V組合係統的降壓-升壓轉換器電路圖(資料來源:TDK)
降壓-升壓轉換器在普通模式下作為降壓轉換器工作,因此在48V係統上產生的功率被正確輸出到12V係統。如果需要的得到48V級別的輸出,將使用升壓模式。通常使用6相或8相的串聯係統將電壓和紋波電流保持在最小值。
為了使降壓-升壓轉換器在惡劣的汽車環境中正常工作,設計師必須使用高質量、可靠的開關晶體管、功率電感和存儲電容。例如,對於轉換器中的存儲和平滑扼流圈,如果設計中需要功率電感,則應使用SMD陶瓷功率電感。除了用於繞組的兩個焊盤外,電源扼流圈還應具有第三個焊盤,以增加PCB上組件的機械穩定性。如果不可能使用SMD電感,也可以使用帶PTH終端的電感。所有組件的工作溫度應設計在-40°C至150°C之間。
抗振電容器
對於降壓-升壓轉換器中的存儲和平滑扼流圈,除電感外,還有其他關鍵元件,即穩健的鋁電解電容器,這些電容器也應在最高150°C的溫度下工作。
這些電容器應符合汽車電子產品的嚴格要求,如TDK的B41689和B41789係列。這些鋁電解電容器的特點是其高達60g的振動強度和焊接星設計。有些電容器兩端都有陰極板觸點,以實現低ESL值的優化安裝。
指定的電容器還應具有低等效串聯電阻(ESR)值,從而提高紋波電流能力並降低損耗。電容器的電容範圍從360µF到4500µF,額定電壓應為25V、40V(對於12V係統)和63V(對於48V係統)。有了這些電壓,它們就能夠用於同時支持兩種電壓水平的新板載電源係統。
電動渦輪增壓器
48V技術提供更多的優點,讓電動渦輪增壓器能夠更高效地驅動發動機(圖3)。zhidaozuijin,chuantongwolunzengyaqidoushiyoufadongjipaichudefeiqiqudong,zheyiweizhesuizhefadongjizhuansudetigao,tamendexingnenghuigenghao。chuantongwolunzengyaqideyigequedianshicongcaixiayoumendaocheziqidongdeshijianshaoyouyanchi。zhezhongyanchibeichengweiwolunyanchi。
48V係xi統tong通tong過guo使shi用yong電dian動dong充chong電dian器qi消xiao除chu了le這zhe一yi缺que陷xian,使shi得de渦wo輪lun增zeng壓ya器qi能neng夠gou立li即ji做zuo出chu響xiang應ying,在zai較jiao低di的de速su度du下xia也ye能neng工gong作zuo,無wu論lun在zai城cheng市shi道dao路lu還hai是shi高gao速su公gong路lu上shang,都dou能neng提ti高gao整zheng體ti效xiao率lv。

圖3:電動渦輪增壓器提高了發動機效率(資料來源:TDK)
事(shi)實(shi)上(shang),將(jiang)傳(chuan)統(tong)渦(wo)輪(lun)增(zeng)壓(ya)器(qi)與(yu)電(dian)動(dong)渦(wo)輪(lun)增(zeng)壓(ya)器(qi)相(xiang)結(jie)合(he),可(ke)以(yi)進(jin)一(yi)步(bu)提(ti)高(gao)充(chong)電(dian)壓(ya)力(li),在(zai)發(fa)動(dong)機(ji)轉(zhuan)速(su)較(jiao)高(gao)時(shi)關(guan)閉(bi)電(dian)動(dong)充(chong)電(dian)器(qi),從(cong)而(er)節(jie)省(sheng)動(dong)力(li)並(bing)提(ti)高(gao)整(zheng)體(ti)效(xiao)率(lv)。
48V技術不僅提高了發動機的性能和效率,而且對那些想要降低油耗的駕駛員也很有吸引力。它可以幫助打造真正裝備精良的汽車,在48V下以0mph到60mph或0kmph到96.56kmph的速度行駛。了解了這項技術提供的所有好處,就不難理解48V電氣係統為何發展得如此之快。
推薦閱讀:
特別推薦
- 噪聲中提取真值!瑞盟科技推出MSA2240電流檢測芯片賦能多元高端測量場景
- 10MHz高頻運行!氮矽科技發布集成驅動GaN芯片,助力電源能效再攀新高
- 失真度僅0.002%!力芯微推出超低內阻、超低失真4PST模擬開關
- 一“芯”雙電!聖邦微電子發布雙輸出電源芯片,簡化AFE與音頻設計
- 一機適配萬端:金升陽推出1200W可編程電源,賦能高端裝備製造
技術文章更多>>
- 貿澤EIT係列新一期,探索AI如何重塑日常科技與用戶體驗
- 算力爆發遇上電源革新,大聯大世平集團攜手晶豐明源線上研討會解鎖應用落地
- 創新不止,創芯不已:第六屆ICDIA創芯展8月南京盛大啟幕!
- AI時代,為什麼存儲基礎設施的可靠性決定數據中心的經濟效益
- 矽典微ONELAB開發係列:為毫米波算法開發者打造的全棧工具鏈
技術白皮書下載更多>>
- 車規與基於V2X的車輛協同主動避撞技術展望
- 數字隔離助力新能源汽車安全隔離的新挑戰
- 汽車模塊拋負載的解決方案
- 車用連接器的安全創新應用
- Melexis Actuators Business Unit
- Position / Current Sensors - Triaxis Hall
熱門搜索
Future
GFIVE
GPS
GPU
Harting
HDMI
HDMI連接器
HD監控
HID燈
I/O處理器
IC
IC插座
IDT
IGBT
in-cell
Intersil
IP監控
iWatt
Keithley
Kemet
Knowles
Lattice
LCD
LCD模組
LCR測試儀
lc振蕩器
Lecroy
LED
LED保護元件
LED背光




