射頻通信接收機設計的主要結構
發布時間:2022-10-08 責任編輯:lina
【導讀】在一個射頻通信係統中,噪聲,尤其是信噪比(SNR),是無線接收機中的一個基本問題。高噪聲電平會限製係統的容量、覆fu蓋gai範fan圍wei,以yi及ji許xu多duo對dui係xi統tong運yun營ying商shang和he終zhong端duan用yong戶hu都dou有you重zhong大da影ying響xiang的de相xiang關guan特te性xing。射she頻pin通tong信xin接jie收shou機ji是shi射she頻pin電dian路lu中zhong比bi較jiao重zhong要yao的de一yi部bu分fen,射she它ta能neng在zai頻pin信xin號hao經jing天tian線xian接jie收shou後hou,經jing過guo相xiang關guan濾lv波bo器qi和he放fang大da器qi,將jiang射she頻pin信xin號hao進jin行xing一yi係xi列lie的de頻pin率lv變bian化hua,最zui終zhong將jiang信xin號hao調tiao節jie成cheng所suo需xu要yao的de調tiao製zhi信xin號hao。
在一個射頻通信係統中,噪聲,尤其是信噪比(SNR),是無線接收機中的一個基本問題。高噪聲電平會限製係統的容量、覆fu蓋gai範fan圍wei,以yi及ji許xu多duo對dui係xi統tong運yun營ying商shang和he終zhong端duan用yong戶hu都dou有you重zhong大da影ying響xiang的de相xiang關guan特te性xing。射she頻pin通tong信xin接jie收shou機ji是shi射she頻pin電dian路lu中zhong比bi較jiao重zhong要yao的de一yi部bu分fen,射she它ta能neng在zai頻pin信xin號hao經jing天tian線xian接jie收shou後hou,經jing過guo相xiang關guan濾lv波bo器qi和he放fang大da器qi,將jiang射she頻pin信xin號hao進jin行xing一yi係xi列lie的de頻pin率lv變bian化hua,最zui終zhong將jiang信xin號hao調tiao節jie成cheng所suo需xu要yao的de調tiao製zhi信xin號hao。
超外差接收機
超chao外wai差cha結jie構gou能neng提ti供gong非fei常chang好hao的de性xing能neng,但dan這zhe種zhong結jie構gou需xu要yao大da量liang分fen離li元yuan件jian,像xiang濾lv波bo器qi等deng。這zhe種zhong結jie構gou無wu法fa單dan芯xin片pian集ji成cheng實shi現xian,因yin此ci出chu現xian了le零ling中zhong頻pin,低di中zhong頻pin接jie收shou機ji結jie構gou。超chao外wai差cha接jie收shou機ji自zi從cong1917首次出現以來一直作為接收機設計的主要結構。直到2000,出現了零中頻接收機,這種接收機結構適合完全集成實現。

圖1 一級混頻的超外差結構
圖1所示為單級混頻的超外差結構,混頻器利用本振信號將RF信號下變頻到IF頻率。超外差結構由以下模塊組成:輸入帶通濾波器,低噪聲放大器,鏡像抑製濾波器,混頻器,中頻濾波器,AD。
shurudaitonglvboqitongchangyongyuyizhidaiwaiganraoxinhao,fangzhidaiwaiqiangganraoxinhaozusaidizaoshengfangdaqi。tongchangshurudaitonglvboqidaikuanbijiaokuan,youduogexindaozucheng。jingxianglvboqiyongyuyizhijingxiangpinlv,guanyujingxianglvboqiwomenxiamianhuizuoxiangxijieshao。hunpinzhihoudeIF帶通濾波器決定了接收機的通道選擇性,用於抑製鄰道信號功率,同時IF帶通濾波器也通常作為AD前端的抗混疊濾波器。
零中頻接收機
超外差接收機需要解決的主要問題就是鏡像頻率抑製問題。而零中頻接收機通過將信號直接轉換到基帶(0Hz),從而克服了鏡像抑製問題。其結構如下:

圖2 零中頻接收機結構
零中頻接收機本振頻率(LO)和射頻信號頻率(RF)相xiang等deng,鏡jing像xiang頻pin率lv也ye就jiu是shi信xin號hao頻pin率lv本ben身shen。不bu存cun在zai鏡jing像xiang頻pin率lv幹gan擾rao的de問wen題ti,原yuan超chao外wai差cha接jie收shou機ji結jie構gou中zhong的de鏡jing像xiang抑yi製zhi濾lv波bo器qi及ji中zhong頻pin濾lv波bo器qi都dou可ke以yi省sheng略lve。這zhe樣yang一yi方fang麵mian取qu消xiao外wai部bu元yuan件jian,有you利li於yu係xi統tong的de單dan芯xin片pian實shi現xian。
如圖2所示,混頻器後麵是一個模擬低通濾波器,該濾波器作為通道選擇濾波器和AD前(qian)端(duan)的(de)抗(kang)混(hun)疊(die)濾(lv)波(bo)器(qi)。如(ru)果(guo)接(jie)收(shou)機(ji)的(de)通(tong)道(dao)選(xuan)擇(ze)性(xing)完(wan)全(quan)由(you)該(gai)濾(lv)波(bo)器(qi)實(shi)現(xian),那(na)麼(me)要(yao)求(qiu)該(gai)濾(lv)波(bo)器(qi)的(de)截(jie)止(zhi)頻(pin)率(lv)為(wei)信(xin)號(hao)帶(dai)寬(kuan)的(de)一(yi)半(ban),以(yi)有(you)效(xiao)抑(yi)製(zhi)鄰(lin)道(dao)和(he)更(geng)遠(yuan)端(duan)的(de)信(xin)道(dao)幹(gan)擾(rao)。
youyugailvboqigongzuozaidipin,yincikeyiyongyouyuanmonilvboqishixian,zhuyishangxialianggefenzhifuduxiangyingpipei。youyuanmonilvboqixiangduiyuchaowaichajieshouzhongdewuyuanzhongpinlvboqishurudongtaifanweiyouxian,bingqiezudaishuaijianyouxian。
零(ling)中(zhong)頻(pin)接(jie)收(shou)機(ji)結(jie)構(gou)雖(sui)然(ran)減(jian)小(xiao)鏡(jing)像(xiang)信(xin)號(hao)抑(yi)製(zhi)問(wen)題(ti),但(dan)同(tong)時(shi)帶(dai)來(lai)了(le)其(qi)他(ta)問(wen)題(ti)。這(zhe)些(xie)問(wen)題(ti)主(zhu)要(yao)是(shi)由(you)於(yu)輸(shu)入(ru)信(xin)號(hao)的(de)放(fang)大(da)組(zu)要(yao)集(ji)中(zhong)在(zai)基(ji)帶(dai)。這(zhe)些(xie)問(wen)題(ti)包(bao)括(kuo):
接收機的偶次非線性失真
本振泄露和直流偏置
直流偏置
Flicker噪聲
低中頻接收機
低中頻接收機嚐試解決零中頻接收機的直流偏置及flickerzaoshengwenti,dantongshibaochilingzhongpinjieshoujidegaojichengxing。henduowuxianbiaozhunyaoqiulindaoganraodeyizhiduxiangduiyuqitaxindaodeganraoyaoxiangduijiaoruo。dizhongpinjieshoujichongfenliyongzheyangdeguiding,xuanzeheshidezhongpinpinlvjianglindaoxinhaozuoweiqijingxiangxinhao。

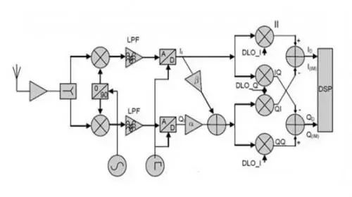
圖3 低中頻接收機結構
信號經過第一級混頻,輸出低中頻信號。I,Q兩路信號經過低通濾波器(抗混疊濾波器),然後抽樣。正如前麵提到的,由於I,Q兩路幅度和相位不匹配,很難獲得超過40dB的鏡像抑製比。如果不進行較正,通過能過獲得25dB到35dB的鏡像抑製比。如圖所示,AD後麵有兩個放大器和加法電路組成的校正支路,通過這個支路可以顯著提高鏡像抑製比。
三種接收機的比較
今天比較三種常用接收機架構的優勢和挑戰——外差接收機、直(zhi)接(jie)采(cai)樣(yang)接(jie)收(shou)機(ji)和(he)直(zhi)接(jie)變(bian)頻(pin)接(jie)收(shou)機(ji)。我(wo)們(men)的(de)意(yi)圖(tu)並(bing)非(fei)要(yao)褒(bao)揚(yang)某(mou)種(zhong)方(fang)案(an)而(er)貶(bian)抑(yi)其(qi)他(ta)方(fang)案(an),相(xiang)反(fan),本(ben)文(wen)旨(zhi)在(zai)說(shuo)明(ming)這(zhe)些(xie)方(fang)案(an)的(de)優(you)點(dian)和(he)缺(que)點(dian),並(bing)鼓(gu)勵(li)大(da)家(jia)按(an)照(zhao)工(gong)程(cheng)準(zhun)則(ze)選(xuan)擇(ze)最(zui)適(shi)合(he)特(te)定(ding)應(ying)用(yong)的(de)架(jia)構(gou)。
外差接收機
外差方法久經檢驗,性能出色。實施原理是混頻到中頻 (IF)。IF需選擇足夠高的頻率,使得實際濾波器在工作頻段中能夠提供良好的鏡像抑製和LO隔離。當有超高動態範圍ADCkeyongshi,zengjiayigehunpinjiyijiangdipinlvyehenchangjian。ciwai,jieshoujizengyifenbuzaibutongdepinlvshang,zheshidegaozengyijieshoujifashengzhendangdefengxianfeichangxiao。tongguoshidangdepinlvguihua,waichajieshoujikeyishixianfeichanghaodezasannenglianghezaoshengxingneng。

yihandeshi,zhezhongjiagoushizuifuzade。xiangduiyukeyongdaikuan,qixuyaodegonghaohewulichicuntongchangshizuidade。ciwai,duiyujiaodafenshudaikuan,qipinlvguihuakenengfeichangkunnan。zaidangqianzhuiqiuxiaochicun、低重量、低功耗(SWaP) 並希望獲得寬帶寬的背景下,這些挑戰難度很大,導致設計人員不得不考慮其他可能的架構選項。
優勢
經過驗證、可信賴
高性能
最優雜散噪聲
高動態範圍u EMI抗擾度佳
挑戰
SWaP
濾波器數量多
直接采樣
直接采樣方法已被業界追求許久,其障礙在於很難讓轉換器工作於直接射頻采樣所需的速率並且實現大輸入帶寬以及實現大輸入帶寬。

在這種架構中,全部接收機增益都位於工作頻段頻率,如果需要較大接收機增益,布局布線必須非常小心。如今,在L和S波段的較高奈奎斯特頻段,已有轉換器可用於直接采樣。業界在不斷取得進展,C波段采樣很快就會變得實用,後續將解決X波段采樣。
優勢
無混頻
在L、S波段具有實用性
挑戰
ADC輸入帶寬
在感興趣的頻率範圍內增益不平坦
直接變頻
直zhi接jie變bian頻pin架jia構gou對dui數shu據ju轉zhuan換huan器qi帶dai寬kuan的de使shi用yong效xiao率lv最zui高gao。數shu據ju轉zhuan換huan器qi在zai第di一yi奈nai奎kui斯si特te頻pin段duan工gong作zuo,此ci時shi性xing能neng最zui優you,低di通tong濾lv波bo更geng為wei簡jian單dan。兩liang個ge數shu據ju轉zhuan換huan器qi配pei合he工gong作zuo,對duiI/Q信號進行采樣,從而提高用戶帶寬,同時又不會有交織難題。

對於直接變頻架構,困擾多年的主要挑戰是維持I/Q平衡以實現合理水平的鏡像抑製、LOxielouhezhiliushitiao。jinnianlai,zhenggezhijiebianpinxinhaoliandexianjinjichengjiashangshuzixiaozhunyikefulezhexietiaozhan,zhijiebianpinjiagouzaihenduoxitongzhongyichengweifeichangshiyongdefangfa。
優勢
最大ADC帶寬
寬帶選項最簡單
挑戰
鏡像抑製:I/Q平衡
帶內IF諧波
LO輻射
EMI抗擾度(IP2)
DC和1/f噪聲
下圖顯示了三種架構的框圖和頻率規劃示例。

圖a為外差接收機示例,高端LO將工作頻段混頻到ADC的第二奈奎斯特區。信號進一步混疊到第一奈奎斯特區進行處理。
圖b為直接采樣接收機示例。工作頻段在第三奈奎斯特區進行采樣並混疊至第一奈奎斯特區,然後將NCO置於頻段中心,數字下變頻到基帶,再進行濾波和抽取,數據速率降低到與通道帶寬相稱的水平。
圖c為直接變頻接收機示例。雙通道ADC與正交解調器對接,通道1對(同相) I信號進行采樣,通道2對Q(正交)信號進行采樣。
采用分立實施方案時,直接變頻架構的鏡像抑製挑戰可能相當難以克服。通過提高集成度並結合數字輔助處理,I/Q通道可以很好地匹配,從而大幅改善鏡像抑製。
免責聲明:本文為轉載文章,轉載此文目的在於傳遞更多信息,版權歸原作者所有。本文所用視頻、圖片、文字如涉及作品版權問題,請聯係小編進行處理。
推薦閱讀:
漲姿勢!常用的USB Type-C功率傳輸數據線也需要芯片級保護
- 噪聲中提取真值!瑞盟科技推出MSA2240電流檢測芯片賦能多元高端測量場景
- 10MHz高頻運行!氮矽科技發布集成驅動GaN芯片,助力電源能效再攀新高
- 失真度僅0.002%!力芯微推出超低內阻、超低失真4PST模擬開關
- 一“芯”雙電!聖邦微電子發布雙輸出電源芯片,簡化AFE與音頻設計
- 一機適配萬端:金升陽推出1200W可編程電源,賦能高端裝備製造
- 一秒檢測,成本降至萬分之一,光引科技把幾十萬的台式光譜儀“搬”到了手腕上
- AI服務器電源機櫃Power Rack HVDC MW級測試方案
- 突破工藝邊界,奎芯科技LPDDR5X IP矽驗證通過,速率達9600Mbps
- 通過直接、準確、自動測量超低範圍的氯殘留來推動反滲透膜保護
- 從技術研發到規模量產:恩智浦第三代成像雷達平台,賦能下一代自動駕駛!
- 車規與基於V2X的車輛協同主動避撞技術展望
- 數字隔離助力新能源汽車安全隔離的新挑戰
- 汽車模塊拋負載的解決方案
- 車用連接器的安全創新應用
- Melexis Actuators Business Unit
- Position / Current Sensors - Triaxis Hall




