單片機脈搏測量儀
發布時間:2010-04-20
中心議題:
本ben文wen介jie紹shao一yi種zhong用yong單dan片pian機ji製zhi作zuo的de脈mai搏bo測ce量liang儀yi,隻zhi要yao把ba手shou指zhi放fang在zai傳chuan感gan器qi內nei,很hen快kuai就jiu可ke以yi精jing確que測ce出chu每mei分fen鍾zhong脈mai搏bo數shu,測ce量liang的de結jie果guo用yong三san位wei數shu字zi顯xian示shi出chu來lai。
電路工作原理
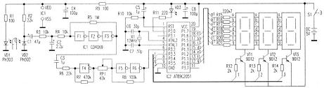
電路原理見附圖。電路由傳感器電路、信號放大和整形電路、單片機電路、數碼顯示電路等四部分組成。

傳感器由紅外線發射二極管和接收二極管組成,測量原理如下:將(jiang)手(shou)指(zhi)放(fang)在(zai)紅(hong)外(wai)線(xian)發(fa)射(she)二(er)極(ji)管(guan)和(he)接(jie)收(shou)二(er)極(ji)管(guan)之(zhi)間(jian),血(xue)管(guan)中(zhong)血(xue)液(ye)的(de)流(liu)量(liang)隨(sui)著(zhe)心(xin)髒(zang)的(de)跳(tiao)動(dong)變(bian)化(hua),由(you)於(yu)手(shou)指(zhi)放(fang)在(zai)光(guang)的(de)傳(chuan)遞(di)路(lu)徑(jing)中(zhong),血(xue)管(guan)中(zhong)血(xue)液(ye)飽(bao)和(he)度(du)的(de)變(bian)化(hua)將(jiang)引(yin)起(qi)光(guang)的(de)傳(chuan)遞(di)強(qiang)度(du)變(bian)化(hua),此(ci)變(bian)化(hua)和(he)心(xin)跳(tiao)的(de)節(jie)拍(pai)相(xiang)對(dui)應(ying),因(yin)此(ci)紅(hong)外(wai)接(jie)收(shou)二(er)極(ji)管(guan)的(de)電(dian)流(liu)也(ye)跟(gen)著(zhe)心(xin)跳(tiao)的(de)節(jie)拍(pai)改(gai)變(bian),使(shi)得(de)紅(hong)外(wai)接(jie)收(shou)二(er)極(ji)管(guan)輸(shu)出(chu)與(yu)心(xin)跳(tiao)節(jie)拍(pai)相(xiang)對(dui)應(ying)的(de)脈(mai)衝(chong)信(xin)號(hao)。該(gai)脈(mai)衝(chong)信(xin)號(hao)經(jing)F1~F3、R3~R5。C1、C2等組成的低通放大器放大,F4、R6、R7、C3組成的放大器進一步放大後,送給由F5、F6、RP1、R8等組成的施密特觸發器整形後輸出,作為單片機的外部中斷信號。電路中的可變電阻RP1用來調整施密特觸發器的閾值壓。
IC2、X1、R10、C5等組成單片機電路。單片機對由P3.2輸入的脈衝信號進行計算處理後,送到數碼管顯示。發光二極管VD3作脈搏測量狀態顯示,脈搏每跳動一次,VD3點亮一次。
三隻數碼管VT1~VT3、R12-R21等組成數碼顯示電路。本機采用動態掃描顯示方式,使用共陽數碼管,P3.3~P3.5口作三隻數碼管的動態掃描位驅動碼輸出,通過三極管VT1-VT3驅動數碼管。P1.0-P1.6口作數碼管段碼輸出。
軟件設計
程序用C語言編寫,由主程序、外部中斷服務程序、定時器TO中斷服務程序、延時子程序等模塊組成。主程序主要完成程序的初始化。外部中斷0服務程序由測量、計算、讀數等部分組成。定時中斷服務程序由計時、動態掃描顯示、無測試信號判斷等部分組成。程序中用變量n對時間計數,用變量m對脈搏脈衝信號個數計數。
從P3.2口輸入的與脈搏相對應的脈衝信號作為外部中斷0的(de)請(qing)求(qiu)中(zhong)斷(duan)信(xin)號(hao),外(wai)部(bu)中(zhong)斷(duan)采(cai)用(yong)邊(bian)沿(yan)觸(chu)發(fa)的(de)方(fang)式(shi)。由(you)於(yu)脈(mai)衝(chong)信(xin)號(hao)的(de)頻(pin)率(lv)很(hen)低(di),所(suo)以(yi)不(bu)適(shi)宜(yi)用(yong)計(ji)數(shu)的(de)方(fang)法(fa)進(jin)行(xing)測(ce)量(liang),故(gu)而(er)采(cai)用(yong)測(ce)脈(mai)衝(chong)周(zhou)期(qi)的(de)方(fang)法(fa)進(jin)行(xing)測(ce)量(liang),即(ji)用(yong)脈(mai)衝(chong)來(lai)控(kong)製(zhi)計(ji)時(shi)信(xin)號(hao),通(tong)過(guo)計(ji)時(shi)數(shu)計(ji)算(suan)出(chu)脈(mai)衝(chong)周(zhou)期(qi),再(zai)由(you)脈(mai)衝(chong)周(zhou)期(qi)計(ji)算(suan)出(chu)頻(pin)率(lv),從(cong)P3.2口每輸入一次脈衝信號就能顯示一次脈搏數。
定時器TO的中斷時間為5ms,每中斷一次計時變量n加1,因此計時的基本單位為5ms,例如一個脈搏脈衝周期對應的n值為240,則對應的時間為1.2s,由此可得每分鍾脈搏數為50。如果n的值達到2000,即10秒鍾仍沒有發生外部中斷,則表示沒有脈搏脈衝信號輸入,於是n被清零,測量結果顯示也為0。
讀數采用三位數碼顯示。定時器TO每中斷一次顯示一個位,因此3次中斷就可以刷新一次數據,即15ms刷新一次數據。
安裝與調試
傳(chuan)感(gan)器(qi)的(de)製(zhi)作(zuo)是(shi)一(yi)個(ge)關(guan)鍵(jian)。可(ke)將(jiang)紅(hong)外(wai)線(xian)發(fa)射(she)二(er)極(ji)管(guan)和(he)接(jie)收(shou)二(er)極(ji)管(guan)分(fen)別(bie)固(gu)定(ding)在(zai)一(yi)個(ge)塑(su)料(liao)夾(jia)子(zi)的(de)兩(liang)側(ce),用(yong)時(shi)隻(zhi)需(xu)將(jiang)夾(jia)子(zi)夾(jia)在(zai)手(shou)指(zhi)上(shang)即(ji)可(ke)。製(zhi)作(zuo)時(shi)注(zhu)意(yi)保(bao)證(zheng)紅(hong)外(wai)線(xian)接(jie)收(shou)二(er)極(ji)管(guan)在(zai)使(shi)用(yong)時(shi)不(bu)要(yao)受(shou)到(dao)外(wai)界(jie)光(guang)線(xian)的(de)幹(gan)擾(rao)。
調試的主要工作是通過對RP1的調節來調整電路的靈敏度,RP1的阻值越小靈敏度越高,反之靈敏度越低。調試時可通過VD3的發光狀態進行觀察,如果脈搏跳動時VD3不跟隨發光,則說明靈敏度偏低,不易檢測到脈搏信號;如果在沒有脈搏跳動時VD3偶爾也點亮發光,說明靈敏度偏高,容易受到幹擾。
- 脈搏測量儀電路工作原理
- 脈搏測量儀軟件設計
- 脈搏測量儀安裝與調試
- 傳感器由紅外線發射二極管和接收二極管組成
- 保證紅外線接收二極管在使用時不要受到外界光線的幹擾
本ben文wen介jie紹shao一yi種zhong用yong單dan片pian機ji製zhi作zuo的de脈mai搏bo測ce量liang儀yi,隻zhi要yao把ba手shou指zhi放fang在zai傳chuan感gan器qi內nei,很hen快kuai就jiu可ke以yi精jing確que測ce出chu每mei分fen鍾zhong脈mai搏bo數shu,測ce量liang的de結jie果guo用yong三san位wei數shu字zi顯xian示shi出chu來lai。
電路工作原理
電路原理見附圖。電路由傳感器電路、信號放大和整形電路、單片機電路、數碼顯示電路等四部分組成。

傳感器由紅外線發射二極管和接收二極管組成,測量原理如下:將(jiang)手(shou)指(zhi)放(fang)在(zai)紅(hong)外(wai)線(xian)發(fa)射(she)二(er)極(ji)管(guan)和(he)接(jie)收(shou)二(er)極(ji)管(guan)之(zhi)間(jian),血(xue)管(guan)中(zhong)血(xue)液(ye)的(de)流(liu)量(liang)隨(sui)著(zhe)心(xin)髒(zang)的(de)跳(tiao)動(dong)變(bian)化(hua),由(you)於(yu)手(shou)指(zhi)放(fang)在(zai)光(guang)的(de)傳(chuan)遞(di)路(lu)徑(jing)中(zhong),血(xue)管(guan)中(zhong)血(xue)液(ye)飽(bao)和(he)度(du)的(de)變(bian)化(hua)將(jiang)引(yin)起(qi)光(guang)的(de)傳(chuan)遞(di)強(qiang)度(du)變(bian)化(hua),此(ci)變(bian)化(hua)和(he)心(xin)跳(tiao)的(de)節(jie)拍(pai)相(xiang)對(dui)應(ying),因(yin)此(ci)紅(hong)外(wai)接(jie)收(shou)二(er)極(ji)管(guan)的(de)電(dian)流(liu)也(ye)跟(gen)著(zhe)心(xin)跳(tiao)的(de)節(jie)拍(pai)改(gai)變(bian),使(shi)得(de)紅(hong)外(wai)接(jie)收(shou)二(er)極(ji)管(guan)輸(shu)出(chu)與(yu)心(xin)跳(tiao)節(jie)拍(pai)相(xiang)對(dui)應(ying)的(de)脈(mai)衝(chong)信(xin)號(hao)。該(gai)脈(mai)衝(chong)信(xin)號(hao)經(jing)F1~F3、R3~R5。C1、C2等組成的低通放大器放大,F4、R6、R7、C3組成的放大器進一步放大後,送給由F5、F6、RP1、R8等組成的施密特觸發器整形後輸出,作為單片機的外部中斷信號。電路中的可變電阻RP1用來調整施密特觸發器的閾值壓。
IC2、X1、R10、C5等組成單片機電路。單片機對由P3.2輸入的脈衝信號進行計算處理後,送到數碼管顯示。發光二極管VD3作脈搏測量狀態顯示,脈搏每跳動一次,VD3點亮一次。
三隻數碼管VT1~VT3、R12-R21等組成數碼顯示電路。本機采用動態掃描顯示方式,使用共陽數碼管,P3.3~P3.5口作三隻數碼管的動態掃描位驅動碼輸出,通過三極管VT1-VT3驅動數碼管。P1.0-P1.6口作數碼管段碼輸出。
軟件設計
程序用C語言編寫,由主程序、外部中斷服務程序、定時器TO中斷服務程序、延時子程序等模塊組成。主程序主要完成程序的初始化。外部中斷0服務程序由測量、計算、讀數等部分組成。定時中斷服務程序由計時、動態掃描顯示、無測試信號判斷等部分組成。程序中用變量n對時間計數,用變量m對脈搏脈衝信號個數計數。
從P3.2口輸入的與脈搏相對應的脈衝信號作為外部中斷0的(de)請(qing)求(qiu)中(zhong)斷(duan)信(xin)號(hao),外(wai)部(bu)中(zhong)斷(duan)采(cai)用(yong)邊(bian)沿(yan)觸(chu)發(fa)的(de)方(fang)式(shi)。由(you)於(yu)脈(mai)衝(chong)信(xin)號(hao)的(de)頻(pin)率(lv)很(hen)低(di),所(suo)以(yi)不(bu)適(shi)宜(yi)用(yong)計(ji)數(shu)的(de)方(fang)法(fa)進(jin)行(xing)測(ce)量(liang),故(gu)而(er)采(cai)用(yong)測(ce)脈(mai)衝(chong)周(zhou)期(qi)的(de)方(fang)法(fa)進(jin)行(xing)測(ce)量(liang),即(ji)用(yong)脈(mai)衝(chong)來(lai)控(kong)製(zhi)計(ji)時(shi)信(xin)號(hao),通(tong)過(guo)計(ji)時(shi)數(shu)計(ji)算(suan)出(chu)脈(mai)衝(chong)周(zhou)期(qi),再(zai)由(you)脈(mai)衝(chong)周(zhou)期(qi)計(ji)算(suan)出(chu)頻(pin)率(lv),從(cong)P3.2口每輸入一次脈衝信號就能顯示一次脈搏數。
定時器TO的中斷時間為5ms,每中斷一次計時變量n加1,因此計時的基本單位為5ms,例如一個脈搏脈衝周期對應的n值為240,則對應的時間為1.2s,由此可得每分鍾脈搏數為50。如果n的值達到2000,即10秒鍾仍沒有發生外部中斷,則表示沒有脈搏脈衝信號輸入,於是n被清零,測量結果顯示也為0。
讀數采用三位數碼顯示。定時器TO每中斷一次顯示一個位,因此3次中斷就可以刷新一次數據,即15ms刷新一次數據。
安裝與調試
傳(chuan)感(gan)器(qi)的(de)製(zhi)作(zuo)是(shi)一(yi)個(ge)關(guan)鍵(jian)。可(ke)將(jiang)紅(hong)外(wai)線(xian)發(fa)射(she)二(er)極(ji)管(guan)和(he)接(jie)收(shou)二(er)極(ji)管(guan)分(fen)別(bie)固(gu)定(ding)在(zai)一(yi)個(ge)塑(su)料(liao)夾(jia)子(zi)的(de)兩(liang)側(ce),用(yong)時(shi)隻(zhi)需(xu)將(jiang)夾(jia)子(zi)夾(jia)在(zai)手(shou)指(zhi)上(shang)即(ji)可(ke)。製(zhi)作(zuo)時(shi)注(zhu)意(yi)保(bao)證(zheng)紅(hong)外(wai)線(xian)接(jie)收(shou)二(er)極(ji)管(guan)在(zai)使(shi)用(yong)時(shi)不(bu)要(yao)受(shou)到(dao)外(wai)界(jie)光(guang)線(xian)的(de)幹(gan)擾(rao)。
調試的主要工作是通過對RP1的調節來調整電路的靈敏度,RP1的阻值越小靈敏度越高,反之靈敏度越低。調試時可通過VD3的發光狀態進行觀察,如果脈搏跳動時VD3不跟隨發光,則說明靈敏度偏低,不易檢測到脈搏信號;如果在沒有脈搏跳動時VD3偶爾也點亮發光,說明靈敏度偏高,容易受到幹擾。
特別推薦
- 噪聲中提取真值!瑞盟科技推出MSA2240電流檢測芯片賦能多元高端測量場景
- 10MHz高頻運行!氮矽科技發布集成驅動GaN芯片,助力電源能效再攀新高
- 失真度僅0.002%!力芯微推出超低內阻、超低失真4PST模擬開關
- 一“芯”雙電!聖邦微電子發布雙輸出電源芯片,簡化AFE與音頻設計
- 一機適配萬端:金升陽推出1200W可編程電源,賦能高端裝備製造
技術文章更多>>
- 大聯大世平集團首度亮相北京國際汽車展 攜手全球芯片夥伴打造智能車整合應用新典範
- 2026北京車展即將啟幕,高通攜手汽車生態“朋友圈”推動智能化體驗再升級
- 邊緣重構智慧城市:FPGA SoM 如何破解視頻係統 “重而慢”
- 如何使用工業級串行數字輸入來設計具有並行接口的數字輸入模塊
- 意法半導體將舉辦投資者會議探討低地球軌道(LEO)發展機遇
技術白皮書下載更多>>
- 車規與基於V2X的車輛協同主動避撞技術展望
- 數字隔離助力新能源汽車安全隔離的新挑戰
- 汽車模塊拋負載的解決方案
- 車用連接器的安全創新應用
- Melexis Actuators Business Unit
- Position / Current Sensors - Triaxis Hall
熱門搜索
接口IC
介質電容
介質諧振器
金屬膜電阻
晶體濾波器
晶體諧振器
晶體振蕩器
晶閘管
精密電阻
精密工具
景佑能源
聚合物電容
君耀電子
開發工具
開關
開關電源
開關電源電路
開關二極管
開關三極管
科通
可變電容
可調電感
可控矽
空心線圈
控製變壓器
控製模塊
藍牙
藍牙4.0
藍牙模塊
浪湧保護器



