碳化矽助力實現 PFC 技術的變革
發布時間:2024-01-03 責任編輯:lina
【導讀】碳化矽(SiC)功率器件已經被廣泛應用於服務器電源、儲能係統和光伏逆變器等領域。近些年來,汽車行業向電力驅動的轉變推動了碳化矽(SiC)應用的增長, 也使設計工程師更加關注該技術的優勢,並拓寬其應用領域。
碳化矽(SiC)功率器件已經被廣泛應用於服務器電源、儲能係統和光伏逆變器等領域。近些年來,汽車行業向電力驅動的轉變推動了碳化矽(SiC)應用的增長, 也使設計工程師更加關注該技術的優勢,並拓寬其應用領域。
選擇器件技術
無論應用領域如何,每個電源設計都是以回答一些相同的基本問題著手進行的:輸入電壓、輸shu出chu電dian壓ya和he輸shu出chu電dian流liu分fen別bie是shi多duo少shao?接jie下xia來lai,設she計ji人ren員yuan要yao考kao慮lv他ta們men力li圖tu在zai最zui終zhong產chan品pin中zhong實shi現xian的de性xing能neng標biao準zhun。目mu前qian,電dian源yuan設she計ji人ren員yuan可ke以yi利li用yong多duo種zhong器qi件jian來lai滿man足zu這zhe些xie標biao準zhun,包bao括kuo氮dan化hua镓jia(GaN)、碳化矽(SiC)和各種基於矽(Si)的技術,如 MOSFET、絕緣柵雙極晶體管(IGBT)和超級結(SJ)器件(圖 1)。
圖 1:這些技術都有各自的優勢和最適用的應用領域
當額定擊穿電壓低於 400 V,且設計要求以低於 1 kW 的功率進行相對低頻率的操作時,矽(Si)通常是一個不錯的選擇。在製造 USB 充電器等需要高開關頻率以減小磁性元件尺寸的緊湊型應用時,氮化镓(GaN)是一個極佳的選擇。在功率超過 1 kW、低頻率條件下的額定電壓介於 600 V 至 1,700 V 的情況下,IGBT 可與碳化矽(SiC)考慮一同使用。不過,對於更高的開關頻率或更高的功率密度而言,碳化矽(SiC)是最佳選擇。
選擇的中心
在圖 1 中,多個選擇間形成的中心位置位於中等偏高的電壓和開關頻率。然而,碳化矽(SiC)的高效率使其成為一個令人信服的選擇,因為對於物料清單成本和運營成本的權衡可能是一個決定性的因素。
Wolfspeed 碳化矽(SiC)器件具有極低的導通電阻,這意味著導通損耗低且效率高。在這方麵,與矽(Si)和氮化镓(GaN)相比(圖 2),碳化矽(SiC)在所有應用中均優於其他技術。該材料自身特性使得導通電阻隨溫度的波動小,而氮化镓(GaN)和矽(Si)的 RDS(ON) 則比室溫下的額定值增加 2.5 倍或更多。
圖 2:Wolfspeed 碳化矽(SiC)器件可在很寬的溫度範圍內保持穩定的低 RDS(ON)
實現 PFC 技術的變革
現代電源整流器是從簡單的橋式整流器發展而來的,這種整流器隻需要一個“大法拉電容器”來平滑直流輸出。增加的無源功率因數校正(PFC)階段通常帶有一個工頻頻率的 LC 濾波器。這種方法適用於對效率和尺寸沒有嚴格要求的相對低功率的應用(圖 3)。
圖 3:全橋整流器從簡單的無 PFC發展到基本的無橋 PFC
如今,大多數開關電源中,升壓轉換器在二極管整流橋之後作為主動 PFC 使用,其開關頻率比工頻頻率高幾個數量級,因此可以使用更小的電感器和電容器。根據具體應用,在有源 PFC 電路中用碳化矽(SiC)二極管取代矽(Si)基二極管可將能效提高兩至三個百分點。
另一方麵,將開關頻率從 80 kHz 提高到 200 kHz 可以縮小外形尺寸或提高功率密度達 60%。一般來說,提高開關頻率有助於縮小電感器的尺寸,並且減少電感器的銅損耗。
然而,當頻率從 200 kHz 提高到 400 kHz 時,銅損耗趨於平穩,而電感器磁芯損耗則持續增加。其結果是收益遞減,尺寸縮小 10% 至 15%,功率損耗則增加 10% 至 15%。對於那些必須縮小尺寸的應用,這或許是一個可以接受的折衷方案。
要將效率水平提高到 90% 以上,就必須重新繪製電路,去掉二極管橋。為了去掉二極管,一種方法是將電感器移至交流輸入端,並用兩個 MOSFET 替換橋式電路中的兩個底部二極管。左邊的開關在正半周提升電壓,右邊的開關在負半周提升電壓。
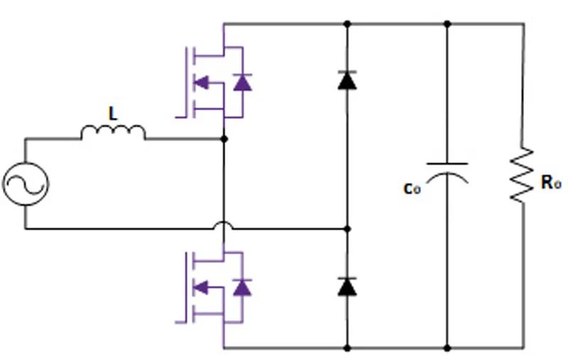
基(ji)本(ben)無(wu)橋(qiao)電(dian)路(lu)所(suo)麵(mian)臨(lin)的(de)挑(tiao)戰(zhan)是(shi),高(gao)頻(pin)率(lv)開(kai)關(guan)節(jie)點(dian)直(zhi)接(jie)連(lian)至(zhi)交(jiao)流(liu)輸(shu)入(ru),而(er)直(zhi)流(liu)接(jie)地(di)相(xiang)對(dui)於(yu)交(jiao)流(liu)輸(shu)入(ru)是(shi)浮(fu)動(dong)的(de)。這(zhe)會(hui)導(dao)致(zhi)任(ren)何(he)寄(ji)生(sheng)電(dian)容(rong)直(zhi)接(jie)變(bian)成(cheng)共(gong)模(mo) EMI。解決這一問題的常見方法是通過使用無橋雙 Boost 或叫做半無橋來實現(圖 4,左)。
圖 4:比較無橋雙 Boost 解決方案(左)和采用碳化矽(SiC)實現的全橋演進形式即圖騰柱拓撲(右)
zaizhezhongtuopujiegouzhong,zuoxiafangdelianggeerjiguanxiaochulefudongjiediwenti,erchaifendianganqizexiaochulekaiguanjiedianyujiaoliudianyuandezhijielianjie,congerjiejuelegongmo EMI 問題。雖然可以使用矽(Si)MOSFET,但它們的最高效率為 95% 至 96%,且占地麵積更大,需兩個電感器,進而總物料清單成本可能更高。
圖騰柱拓撲
圖騰柱拓撲是無橋雙 Boost 拓撲的備選方案,其名稱來源於晶體管相互堆疊的方式(圖 4,右)。如圖所示,圖騰柱可以做成全橋 MOSFET 版本,也可以做成無橋版本,即把右側低頻率橋臂的 MOSFET 替換為二極管。
如果在連續導通模式 (CCM) 條件下工作,圖騰柱拓撲麵臨的最大挑戰是來自 MOSFET 體二極管的反向恢複電荷。在從低壓側開關轉換到高壓側開關的過程中,兩個 MOSFET 不能同時導通,體二極管必須在死區時間內導通。矽(Si)的反向恢複特性降低其效率(圖 5)。
圖 5:碳化矽(SiC)與矽(Si)體二極管反向恢複比較
在所有硬開關電源設計中,當體二極管必須導通時,都會產生反向恢複損耗。碳化矽(SiC)沒有少數載流子,因此反向恢複電流幾乎為零。
而矽(Si)MOSFET 的損耗則要高出幾個數量級。這就是矽(Si)器件在圖騰柱中無法使用的原因。
全橋圖騰柱還是混合圖騰柱?
帶同步整流的圖騰柱是效率最高的實現方式。雖然它可以在低頻率橋臂使用矽(Si)MOSFET,但隻有全部四個碳化矽(SiC)MOSFET 實現了雙向運行 — 例如,在連接智能電網的應用中,需要在複雜性和物料清單成本方麵做出一些權衡。
包括服務器電源在內的大多數成本敏感型應用都采用無橋或“混合”圖騰柱拓撲,在低頻率橋臂上使用價格低廉的 PIN 二極管(圖 6)。它的優點是所使用的部件數量最少,而且隨著 Wolfspeed 的 650V 耐壓等級 C3M 碳化矽(SiC)MOSFET的推出,它是一種具有成本效益的實現方式,與全橋相比,輕負載效率降低不到 0.5%。
圖 6:使用碳化矽(SiC)MOSFET和二極管的“混合”圖騰柱拓撲
然而,如圖 7 所示,要充分發揮圖騰柱 PFC 拓撲的潛力,實現高於 99% 的峰值效率,利用全部四個碳化矽(SiC)MOSFET 的全橋圖騰柱 PFC 可以消除二極管壓降,從而實現最高的效率和功率密度。
圖 7:借助全碳化矽(SiC)MOSFET 的全橋圖騰柱 PFC
Wolfspeed CRD-03600AD065E-L 3.6 kW 參考設計已經證明了這一點。該參考設計包括了物料清單、原理圖、電路板布局、演示文件、應用指南等,可以下載獲取。它采用 Wolfspeed 最新的緊湊、薄型 TOLL 封裝 650 V 45 mΩ MOSFET,實現效率大於 99%,且功率密度達到 92W/in3。
這種基於碳化矽(SiC)的圖騰柱設計可為交流-直流轉換提供盡可能高的效率,使工程師能夠設計出滿足或超過最嚴格效率要求(如 80+ 鈦標準)的係統。
如需對您的設計進行仿真,可使用在線 SpeedFit™ 設計仿真器或 SpeedVal Kit™ 模塊化評估平台,後者為係統性能的在板評估提供了一套靈活的構建模塊。如有疑問,請在我們的功率應用在線討論平台上與 Wolfspeed 的碳化矽功率專家聯係,或瀏覽我們網站上的文檔、工具和支持等部分。
本文轉載自:Qorvo半導體
免責聲明:本文為轉載文章,轉載此文目的在於傳遞更多信息,版權歸原作者所有。本文所用視頻、圖片、文字如涉及作品版權問題,請聯係小編進行處理。
推薦閱讀:
Rivian 使用 MATLAB 和 MATLAB Parallel Server 擴展整車仿真
- 噪聲中提取真值!瑞盟科技推出MSA2240電流檢測芯片賦能多元高端測量場景
- 10MHz高頻運行!氮矽科技發布集成驅動GaN芯片,助力電源能效再攀新高
- 失真度僅0.002%!力芯微推出超低內阻、超低失真4PST模擬開關
- 一“芯”雙電!聖邦微電子發布雙輸出電源芯片,簡化AFE與音頻設計
- 一機適配萬端:金升陽推出1200W可編程電源,賦能高端裝備製造
- 大聯大世平集團首度亮相北京國際汽車展 攜手全球芯片夥伴打造智能車整合應用新典範
- 2026北京車展即將啟幕,高通攜手汽車生態“朋友圈”推動智能化體驗再升級
- 邊緣重構智慧城市:FPGA SoM 如何破解視頻係統 “重而慢”
- 如何使用工業級串行數字輸入來設計具有並行接口的數字輸入模塊
- 意法半導體將舉辦投資者會議探討低地球軌道(LEO)發展機遇
- 車規與基於V2X的車輛協同主動避撞技術展望
- 數字隔離助力新能源汽車安全隔離的新挑戰
- 汽車模塊拋負載的解決方案
- 車用連接器的安全創新應用
- Melexis Actuators Business Unit
- Position / Current Sensors - Triaxis Hall


