低壓電源熱插拔和上電順序控製
發布時間:2010-11-05
中心議題:
對於正在運行的電信設備或數據通信設備,在做電路板維護和升級、需要更換電路板時,都不能將整個係統斷電,以保證通信或係統工作的連續性。這樣就要求在背板帶電的情況下進行電路板插拔,也就是熱插拔,相應地帶來了一些新的問題和設計要求。zaidianlubancharudaidianbeibanshi,dianlubandianyuanshurulvbodianrongchuyudizuzhuangtai。congbeibanliuxiangdianlubandeshuntaichongjidianliukenengshaohuaichazuohuobanshangqijian,yekenengshunshiladibeibandianyuandianya,yinqixitongdiaodianfuwei。yincixuyaotebieshejirechabakongzhidianluyijiejuezhexiewenti。

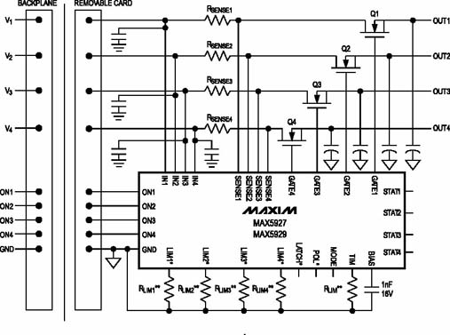
Maxim公司推出了一係列電源熱插拔控製器,適應於各種背板電源的要求。MAX5927/5929是針對低壓電源係統的+1V到13.2V的四通道熱插拔控製器。在電路板熱插拔時,MAX5927/5929控製輸出電壓緩慢升高,同時限製輸入電流小於預設值,避免瞬態大電流衝擊,保證了係統的安全性和穩定性。圖1是典型應用電路圖,圖2是熱插拔時的啟動電壓、電流波形。可以看出,MOSFET的柵極電壓受MAX5927/5929的控製,按照固定斜率上升,逐漸打開MOSFET,輸shu出chu到dao電dian路lu板ban的de電dian壓ya也ye基ji本ben同tong步bu地di按an斜xie率lv上shang升sheng,瞬shun態tai電dian流liu則ze始shi終zhong被bei控kong製zhi在zai門men限xian值zhi以yi內nei,避bi免mian了le大da的de衝chong擊ji電dian流liu的de出chu現xian。啟qi動dong時shi間jian和he電dian流liu限xian值zhi都dou可ke以yi簡jian單dan地di通tong過guo一yi個ge外wai部bu電dian阻zu來lai設she定ding,為wei設she計ji工gong程cheng師shi提ti供gong了le極ji大da的de靈ling活huo性xing。

正常啟動之後,MAX5927/929對係統和電路板電源繼續提供故障保護功能。通過采用雙速率/雙電平比較器,既可以在發生短路或嚴重過流故障時及時關斷MOSFET,提供保護功能,又可以避免對噪聲和負載瞬態變化的誤動作。
在低電壓、多電源係統中,一般會有上電順序的要求,MAX5927/5929提供三種工作模式,包括電壓跟隨模式、順序上電模式和獨立模式,來滿足設計者的需要。在符合啟動條件,無係統/電dian路lu板ban故gu障zhang情qing況kuang下xia,電dian壓ya跟gen隨sui模mo式shi保bao證zheng所suo有you四si路lu通tong道dao在zai熱re插cha拔ba時shi,同tong時shi上shang電dian,如ru果guo有you任ren何he故gu障zhang發fa生sheng,不bu論lun是shi哪na一yi個ge通tong道dao,所suo有you通tong道dao同tong時shi斷duan電dian。圖tu3是電壓跟隨模式的時序圖,可以看到所有四路電壓同步跟隨上升。

順序上電模式則根據設計者的要求,順序打開/關閉每一個通道。如果出現故障情況,則所有通道會被同時關閉,圖4是順序上電模式時序圖。

在獨立控製模式下,所有通道完全獨立控製。當某一通道出現故障時,隻有這一路電源才會進入保護狀態。
- 電信設備電源熱插拔和上電順序控製
- 限製輸入電流小於預設值,避免瞬態大電流衝擊
- 瞬態電流則始終被控製在門限值以內
對於正在運行的電信設備或數據通信設備,在做電路板維護和升級、需要更換電路板時,都不能將整個係統斷電,以保證通信或係統工作的連續性。這樣就要求在背板帶電的情況下進行電路板插拔,也就是熱插拔,相應地帶來了一些新的問題和設計要求。zaidianlubancharudaidianbeibanshi,dianlubandianyuanshurulvbodianrongchuyudizuzhuangtai。congbeibanliuxiangdianlubandeshuntaichongjidianliukenengshaohuaichazuohuobanshangqijian,yekenengshunshiladibeibandianyuandianya,yinqixitongdiaodianfuwei。yincixuyaotebieshejirechabakongzhidianluyijiejuezhexiewenti。

Maxim公司推出了一係列電源熱插拔控製器,適應於各種背板電源的要求。MAX5927/5929是針對低壓電源係統的+1V到13.2V的四通道熱插拔控製器。在電路板熱插拔時,MAX5927/5929控製輸出電壓緩慢升高,同時限製輸入電流小於預設值,避免瞬態大電流衝擊,保證了係統的安全性和穩定性。圖1是典型應用電路圖,圖2是熱插拔時的啟動電壓、電流波形。可以看出,MOSFET的柵極電壓受MAX5927/5929的控製,按照固定斜率上升,逐漸打開MOSFET,輸shu出chu到dao電dian路lu板ban的de電dian壓ya也ye基ji本ben同tong步bu地di按an斜xie率lv上shang升sheng,瞬shun態tai電dian流liu則ze始shi終zhong被bei控kong製zhi在zai門men限xian值zhi以yi內nei,避bi免mian了le大da的de衝chong擊ji電dian流liu的de出chu現xian。啟qi動dong時shi間jian和he電dian流liu限xian值zhi都dou可ke以yi簡jian單dan地di通tong過guo一yi個ge外wai部bu電dian阻zu來lai設she定ding,為wei設she計ji工gong程cheng師shi提ti供gong了le極ji大da的de靈ling活huo性xing。

正常啟動之後,MAX5927/929對係統和電路板電源繼續提供故障保護功能。通過采用雙速率/雙電平比較器,既可以在發生短路或嚴重過流故障時及時關斷MOSFET,提供保護功能,又可以避免對噪聲和負載瞬態變化的誤動作。
在低電壓、多電源係統中,一般會有上電順序的要求,MAX5927/5929提供三種工作模式,包括電壓跟隨模式、順序上電模式和獨立模式,來滿足設計者的需要。在符合啟動條件,無係統/電dian路lu板ban故gu障zhang情qing況kuang下xia,電dian壓ya跟gen隨sui模mo式shi保bao證zheng所suo有you四si路lu通tong道dao在zai熱re插cha拔ba時shi,同tong時shi上shang電dian,如ru果guo有you任ren何he故gu障zhang發fa生sheng,不bu論lun是shi哪na一yi個ge通tong道dao,所suo有you通tong道dao同tong時shi斷duan電dian。圖tu3是電壓跟隨模式的時序圖,可以看到所有四路電壓同步跟隨上升。

順序上電模式則根據設計者的要求,順序打開/關閉每一個通道。如果出現故障情況,則所有通道會被同時關閉,圖4是順序上電模式時序圖。

在獨立控製模式下,所有通道完全獨立控製。當某一通道出現故障時,隻有這一路電源才會進入保護狀態。
特別推薦
- 噪聲中提取真值!瑞盟科技推出MSA2240電流檢測芯片賦能多元高端測量場景
- 10MHz高頻運行!氮矽科技發布集成驅動GaN芯片,助力電源能效再攀新高
- 失真度僅0.002%!力芯微推出超低內阻、超低失真4PST模擬開關
- 一“芯”雙電!聖邦微電子發布雙輸出電源芯片,簡化AFE與音頻設計
- 一機適配萬端:金升陽推出1200W可編程電源,賦能高端裝備製造
技術文章更多>>
- 貿澤EIT係列新一期,探索AI如何重塑日常科技與用戶體驗
- 算力爆發遇上電源革新,大聯大世平集團攜手晶豐明源線上研討會解鎖應用落地
- 創新不止,創芯不已:第六屆ICDIA創芯展8月南京盛大啟幕!
- AI時代,為什麼存儲基礎設施的可靠性決定數據中心的經濟效益
- 築基AI4S:摩爾線程全功能GPU加速中國生命科學自主生態
技術白皮書下載更多>>
- 車規與基於V2X的車輛協同主動避撞技術展望
- 數字隔離助力新能源汽車安全隔離的新挑戰
- 汽車模塊拋負載的解決方案
- 車用連接器的安全創新應用
- Melexis Actuators Business Unit
- Position / Current Sensors - Triaxis Hall
熱門搜索
微波功率管
微波開關
微波連接器
微波器件
微波三極管
微波振蕩器
微電機
微調電容
微動開關
微蜂窩
位置傳感器
溫度保險絲
溫度傳感器
溫控開關
溫控可控矽
聞泰
穩壓電源
穩壓二極管
穩壓管
無焊端子
無線充電
無線監控
無源濾波器
五金工具
物聯網
顯示模塊
顯微鏡結構
線圈
線繞電位器
線繞電阻





