技術詳解:三種實用的UC3842/3的外圍電路
發布時間:2015-04-24 責任編輯:echolady
【導讀】UC3842/3的電路設計構造簡單、性能極佳,但是仍在UC3842/3的電路設計中需要外圍電路實現。這些小功能不難實現,種類繁多,本文對常見的三種UC3842/3外圍電路設計進行了詳細的分析和講解。
軟起電路

圖1 軟起電路
這個電路很簡單。如圖1所示,上電UC3843的8腳有5V電壓,通過R22給C11充電,起到軟起作用。斷電時通過Q4給C11放電。
短路保護電路
在用384X做電源時,輸出短路後前級的電流比較大,時間一長會損壞MOS,甚至突然短路導致MOS直接損壞,想要避免這種情況就需要用到利用運放來做的短路保護電路。

圖2 短路保護電路
[page] 如圖2所示,當輸出短路後,電壓降低,反饋到前級,前級384X會增大占空比來實現輸出的穩定,這時1腳COMP的電壓會升高,基本能達到5V左右。
384X的8腳為5V,用電阻分壓後用運放的同相輸入端做基準,當短路後運放的反向輸入端比同相輸入端高,然後拉低384X的1腳COMP,關斷PWM。C10是個延時電容,R31給C10放電,通過調整C10來改變自啟時間。
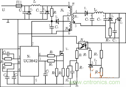
過流與過壓保護

圖3 UC3842組成的過流與過壓保護原理圖
如圖3所示,這個電路主要李使寬度變窄,從而達到穩壓目的。
過流保護原理
當負載電流超過額定值或輸出短路,引起開關管V4電流增加,R7上的電壓反饋至3腳,當R7上的電壓大於1V時,通過內部電流放大器使導通寬度變窄,輸出電壓下降,同時也使UC3842工作電壓下降。當下降至整定電壓以下時,過流保護電路工作,達到保護功率管的目的。短路現象消失後,電源自動恢複正常工作。
過壓保護
當因某種原因使輸出電壓過高時,穩壓管V6導通,從而觸發晶閘管V7導通,使輸出端短路,可見過壓保護是以過流保護的形式出現的。
本篇文章從實用的角度給出了三種UC3842/3常用的外圍電路,在給出這三種電路的原理圖的同時還進行了較為詳細的講解,希望大家在閱讀過本篇文章之後,能對UC3842/3外圍電路的運用有進一步的了解。
相關閱讀:
掌握五大要點,輕鬆解決UC3842不工作問題
純幹貨分享:UC3842的過載保護及設計技巧
實例解析:反激電源中諸多UC3842的錯誤應用
特別推薦
- 噪聲中提取真值!瑞盟科技推出MSA2240電流檢測芯片賦能多元高端測量場景
- 10MHz高頻運行!氮矽科技發布集成驅動GaN芯片,助力電源能效再攀新高
- 失真度僅0.002%!力芯微推出超低內阻、超低失真4PST模擬開關
- 一“芯”雙電!聖邦微電子發布雙輸出電源芯片,簡化AFE與音頻設計
- 一機適配萬端:金升陽推出1200W可編程電源,賦能高端裝備製造
技術文章更多>>
- 築基AI4S:摩爾線程全功能GPU加速中國生命科學自主生態
- 一秒檢測,成本降至萬分之一,光引科技把幾十萬的台式光譜儀“搬”到了手腕上
- AI服務器電源機櫃Power Rack HVDC MW級測試方案
- 突破工藝邊界,奎芯科技LPDDR5X IP矽驗證通過,速率達9600Mbps
- 通過直接、準確、自動測量超低範圍的氯殘留來推動反滲透膜保護
技術白皮書下載更多>>
- 車規與基於V2X的車輛協同主動避撞技術展望
- 數字隔離助力新能源汽車安全隔離的新挑戰
- 汽車模塊拋負載的解決方案
- 車用連接器的安全創新應用
- Melexis Actuators Business Unit
- Position / Current Sensors - Triaxis Hall
熱門搜索
微波功率管
微波開關
微波連接器
微波器件
微波三極管
微波振蕩器
微電機
微調電容
微動開關
微蜂窩
位置傳感器
溫度保險絲
溫度傳感器
溫控開關
溫控可控矽
聞泰
穩壓電源
穩壓二極管
穩壓管
無焊端子
無線充電
無線監控
無源濾波器
五金工具
物聯網
顯示模塊
顯微鏡結構
線圈
線繞電位器
線繞電阻





