適用於電流模式DC-DC轉換器的統一的LTspice AC模型
發布時間:2022-02-09 責任編輯:lina
【導讀】當(dang)電(dian)源(yuan)設(she)計(ji)人(ren)員(yuan)想(xiang)要(yao)大(da)致(zhi)了(le)解(jie)電(dian)源(yuan)的(de)反(fan)饋(kui)環(huan)路(lu)時(shi),他(ta)們(men)會(hui)利(li)用(yong)環(huan)路(lu)增(zeng)益(yi)和(he)相(xiang)位(wei)波(bo)特(te)圖(tu)。知(zhi)道(dao)環(huan)路(lu)響(xiang)應(ying)可(ke)進(jin)行(xing)預(yu)測(ce)有(you)助(zhu)於(yu)縮(suo)小(xiao)反(fan)饋(kui)環(huan)路(lu)補(bu)償(chang)元(yuan)件(jian)的(de)選(xuan)擇(ze)範(fan)圍(wei)。
簡介
當(dang)電(dian)源(yuan)設(she)計(ji)人(ren)員(yuan)想(xiang)要(yao)大(da)致(zhi)了(le)解(jie)電(dian)源(yuan)的(de)反(fan)饋(kui)環(huan)路(lu)時(shi),他(ta)們(men)會(hui)利(li)用(yong)環(huan)路(lu)增(zeng)益(yi)和(he)相(xiang)位(wei)波(bo)特(te)圖(tu)。知(zhi)道(dao)環(huan)路(lu)響(xiang)應(ying)可(ke)進(jin)行(xing)預(yu)測(ce)有(you)助(zhu)於(yu)縮(suo)小(xiao)反(fan)饋(kui)環(huan)路(lu)補(bu)償(chang)元(yuan)件(jian)的(de)選(xuan)擇(ze)範(fan)圍(wei)。生成增益和相位圖的精準方法是:在試驗台上連接電源,並使用網絡分析儀;danzaishejidezaoqijieduan,dabufenshejirenyuanhuixuanzecaiyongjisuanjimoni,tongguomonikuaisuquedingdazhideyuanjianxuanzefanwei,bingqie,gengzhiguandilejiehuanluduicanshubianhuadexiangying。
本文主要研究適用於電流模式控製電源的反饋控製模型。電流模式控製在開關模式DC-DC轉換器和控製器中相當常見,相比電壓模式控製,它具有多項優勢:更出色的線路噪聲抑製、自動過流保護、更易於進行並聯操作,以及得到改善的動態響應。
shejirenyuanyijingkeyicaiyongdaliangdianliumoshidianyuanpingjunmoxing。youxiemoxingdejingzhundudadaokaiguanpinlvdeyiban,keyipipeibuduanzenggaodezhuanhuanqidaikuan,danzhishiyongyuyouxiandetuopu,lirujiangya、升壓,以及降壓-升壓拓撲(非4開關降壓-升壓)。遺憾的是,適用於SEPIC和Ćuk等拓撲的3端口或4端口平均模型的精準度還達不到開關頻率的一半。
本文將介紹LTspice®模擬模型,其精準度達到開關頻率(甚至是相對較高的頻率)的一半,適合多種拓撲,包括:
降壓
升壓
降壓-升壓
SEPIC
Ćuk
正激式
反激式
本文展示分段線性係統(SIMPLIS)結果模擬,以確定新模型的有效性,並舉例說明模型的具體應用。在一些示例中,使用測試結果來驗證模型。
電流模式控製模型:簡要概述
在這部分,我們將重申關於電流模式控製模型的一些要點。為了更全麵地了解電流模式模型,請參閱文末“參考資料”部分中提到的刊物。
電流環路的作用在於:讓電感電流循著控製信號的路線行進。在電流環路中,平均電感電流信息被反饋給具有檢測增益的調製器。調製器增益Fmketongguojihejisuandechu,qiantishi,jiashehengdingdiangandianliuxieposhangsheng,waibubuchangdianliuyexieposhangsheng。weilemonidiangandianliuxieposhangshengbianhuadeyingxiang,womenzaimoxingzhongewaizengjialelianggezengyi:前饋增益(kf)和反饋增益(kr),如圖1所示。

圖1.電流模式控製的平均模型,繪圖:R. D. Middlebrook
為了將圖1所示的平均模型的有效性擴展到高頻範圍,研究人員基於離散時間分析和樣本數據分析的結果,提出了幾種經過改進的平均模型。在R. B. Ridley的模型(參見圖2)中,采樣保持效應可以用He(s)hanshudengxiaobiaoshi,takeyicharulianxupingjunmoxingdediangandianliufankuilujingzhong。youyugaimoxingshiconglisanshijianmoxingyanhuaerlai,suoyinenggouzhunqueyucecixiebozhendang。

圖2.經過改進的電流模式控製的平均模型,繪圖:R. B. Ridley
另一種經過改進的平均模型由F. D. Tan和R. D. Middlebrook提出。為了考慮電流環路中的采樣效應,必須在源自低頻模型的電流環路增益上再增加一個極點,如圖3所示。

圖3.經過改進的電流模式控製的平均模型,繪圖:F. D. Tan
除了R. B. Ridley的模型外,R. W. Erickson提出的電流控製模型也很受歡迎。電感電流波形如圖4所示。

圖4.穩態電感電流波形,包含外部補償斜坡上升
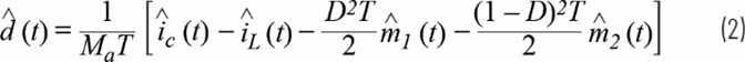
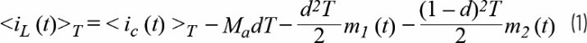
平均電感電流表示為:
![]()
其中iL表示檢測到的電流,ic表示誤差放大器發出的電流命令,Ma表示外加補償斜坡,m1和m2分別表示輸出電感電流的上升和下降斜坡。擾動和線性化結果:

根據此公式和規範開關模型,可以得出電流模式轉換器模型。
一個經過改進的新平均模型
R. W. Ericksondemoxingkeyibangzhudianyuanshejirenyuancongwulijiaodushenrulejie,danqijingzhunduhaibudaokaiguanpinlvdeyiban。weilejianggaimoxingdeyouxiaoxingkuozhandaogaopinfanwei,womenjiyulisanshijianfenxiheyangbenshujufenxidejieguo,tichuleyizhongjingguogaijindepingjunmoxing(參見圖5)。

圖5.提出的經過改進的電流模式控製平均模型
根據電感動態采樣數據模型,可以得出:

其中,T為開關周期,

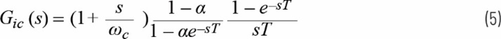
可以得出圖5所示的模型的Gic(s):

其中ωc是內部電流環路Ti的穿越頻率,如圖5所示,關於各種拓撲的值ωc,請參見表1。
表1.不同拓撲的內部電流環路交叉頻率(ωc)

*對於兩個單獨的電感,L=L1×L2/(L1+L2)
**NSP是次級與初級的匝數比
降壓轉換器示例
在圖5中,我們將Fv反饋環路與iL反饋環路並聯。我們也可以將Fv反饋環路作為iL反饋環路的內部環路。圖6顯示了包含附加的Gic(s)級的完整降壓轉換器模型。

圖6.經過改進的降壓轉換器平均模型的框圖
控製至輸出傳遞函數Gvc (s)為

電流環路增益Ti (s)和電壓環路增益Tv (s)可以通過以下公式計算得出:

和

其中:

在圖7中,基於新電流模式模型計算得出的環路增益與SIMPLIS結果一致。在這個示例中,VIN = 12 V,VOUT = 6 V,IOUT = 3 A,L = 10 µH,COUT = 100 µF,fSW = 500 kHz。

圖7.MathCAD結果與SIMPLIS結果(fSW = 500 kHz)的對比
采用LTspice的4端口模型
基於圖5所示的經過改進的平均模型構建了一個4端口模型。在閉環操作中,這個4端口模型可以使用標準的電路分析程序(例如免費的LTspice)來分析PWM拓撲,以確定DC和小信號特征。
圖8顯示了使用LTspice對各種拓撲實施模擬的模擬原理圖,對每種拓撲都使用相同的模型。圖中未顯示反饋電阻分壓器、誤差放大器和補償元件。要對真實的DC-DC轉換器模型使用此模型,應將誤差放大器的輸出連接至VC引腳。

圖8.使用LTspice模型來模擬多種拓撲:(a)降壓,(b)升壓,(c) SEPIC,(d) Ćuk和(e)反激式。
關於圖8所示的各種LTspice行為電壓源指令,請參見表2。E1表示開關開啟時加在電感上的電壓,E2表示開關關閉時加在電感上的電壓,V3表示斜坡補償幅度,Ei表示電感電流。
表2.圖8所示的電路的LTspice行為電壓源指令

圖9顯示了采用2個獨立電感的SEPIC轉換器的模擬結果,該結果與一半開關頻率時的SIMPLIS結果匹配。在這個示例中:VIN = 20 V,VOUT = 12 V,IOUT = 3 A,L = 4.7 µH,COUT = 120 µF,C1 = 10 µF,fSW = 300 kHz。

圖9.SEPIC轉換器的LTspice模擬結果和SIMPLIS模擬結果(fSW = 300 kHz)對比

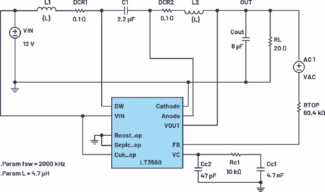
圖10.LT3580 LTspice模型

圖11.波特圖(fSW = 2 MHz)

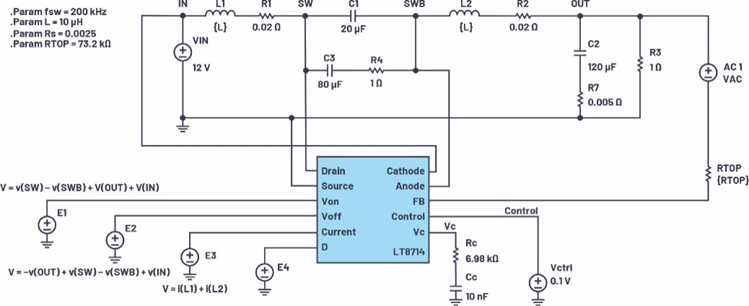
圖12.使用LT8714的4象限控製器LTspice模型
新模型的測試驗證
圖11所示的新LTspice模型針對以前傳統模型不支持的拓撲進行了測試驗證,包括Ćuk、4象限和4開關降壓-升壓拓撲。
在測試台上驗證Ćuk控製器模型
LT3580是一款包含內部2 A、42 V開關的PWM DC-DC轉換器。LT3580可以配置為升壓、SEPIC或Ćuk轉換器,其AC模型適用於所有這些拓撲。圖10顯示了一個Ćuk轉換器,其中,fSW = 2 MHz,VOUT = –5 V。圖11比較LTspice模擬波特圖和實際測試結果,在一半開關頻率範圍內,它們非常一致。
在測試台上驗證4象限控製器模型
LT8714是一款專為4象限輸出轉換器設計的同步PWM DC-DC控製器。輸出電壓通過吸電流和灌電流輸出功能,不受幹擾地轉換通過0V。配置用於新的4象限拓撲時,LT8714非常適合用於調節正、負或0V輸出。應用包括:4象限電源、高功率雙向電流源、有源負載,以及高功率、低頻信號放大。
基於CONTROL引腳電壓,輸出電壓可能為正,也可能為負。在圖12所示的示例中,當引腳電壓為0.1 V時,輸出電壓為–5 V,當引腳電壓為1 V時,輸出電壓為5 V,VIN為12 V,開關頻率為200 kHz。
圖13比較通過LTspice模擬得出的波特圖和實際測試得出的圖——在開關頻率的一半範圍內,它們的結果非常一致。控製電壓(CONTROL)為1 V,這使得VOUT (OUT)為5 V。

圖13.波特圖(fSW = 200 kHz)

圖14.波特圖(fSW = 200 kHz)

圖15.LT8390 LTspice模型
圖14比較通過LTspice模擬得出的波特圖和實際測試得出的結果——在開關頻率的一半範圍內,它們的結果非常一致。控製電壓(CONTROL)為0.1 V,這使得VOUT (OUT)為-5 V。
在測試台上驗證4開關降壓-升壓模型
LT8390是一款同步4開關降壓-升壓DC-DC控製器,可根據高於、低於或等於輸出電壓的輸入電壓調節輸出電壓(和輸入或輸出電流)。專有的峰值-降壓/峰值-升壓電流模式控製方案支持可調節的固定頻率運行方式。
LT8390 LTspice AC模型通過監測輸入和輸出電壓,自動從四種運行模式中選擇一種:降壓、峰值-降壓、峰值-升壓和升壓。圖15顯示LT8390示例電路。圖16和圖17分別顯示降壓和升壓模式的LTspice模擬結果和實際測試結果。在開關頻率的一半範圍內,兩條曲線非常一致。

圖16.波特圖(fSW = 150 kHz)。VIN = 20 V,VOUT = 12 V,IOUT = 5 A

圖17.波特圖(fSW = 150 kHz)。VIN = 8 V,VOUT = 12 V,IOUT = 5 A
總結
通過建立這個電流模式控製模型,既可以提供樣本數據模型的準確性,也可以提供4端口開關模型的簡潔性和通用性。本文展示一個統一的LTspice模型,在一半開關頻率內,該模型保持準確,適用於降壓、升壓、降壓-升壓、SEPIC、Ćuk、反激式和正激式拓撲。將LTspice模擬結果與實際測試結果比對,以進行驗證。在連續導通模式下設計電流模式轉換器時,此模型適用於分析環路。
(來源:亞德諾半導體,作者:Wei Gu,電源產品應用總監)
免責聲明:本文為轉載文章,轉載此文目的在於傳遞更多信息,版權歸原作者所有。本文所用視頻、圖片、文字如涉及作品版權問題,請電話或者郵箱聯係小編進行侵刪。
推薦閱讀:
- 噪聲中提取真值!瑞盟科技推出MSA2240電流檢測芯片賦能多元高端測量場景
- 10MHz高頻運行!氮矽科技發布集成驅動GaN芯片,助力電源能效再攀新高
- 失真度僅0.002%!力芯微推出超低內阻、超低失真4PST模擬開關
- 一“芯”雙電!聖邦微電子發布雙輸出電源芯片,簡化AFE與音頻設計
- 一機適配萬端:金升陽推出1200W可編程電源,賦能高端裝備製造
- 算力爆發遇上電源革新,大聯大世平集團攜手晶豐明源線上研討會解鎖應用落地
- 築基AI4S:摩爾線程全功能GPU加速中國生命科學自主生態
- 一秒檢測,成本降至萬分之一,光引科技把幾十萬的台式光譜儀“搬”到了手腕上
- AI服務器電源機櫃Power Rack HVDC MW級測試方案
- 突破工藝邊界,奎芯科技LPDDR5X IP矽驗證通過,速率達9600Mbps
- 車規與基於V2X的車輛協同主動避撞技術展望
- 數字隔離助力新能源汽車安全隔離的新挑戰
- 汽車模塊拋負載的解決方案
- 車用連接器的安全創新應用
- Melexis Actuators Business Unit
- Position / Current Sensors - Triaxis Hall




